TRANSCRIBER’S NOTE
This is not and is not intended to be a thoroughly complete explanation or discussion of the allotropic theory of iron and steel, but rather a brief outline of a few of the great principles of metallurgy written primarily for the layman. If without leading him astray from the real scientific understanding of the subject we have succeeded in briefly but satisfactorily answering the old familiar question, "Why do steels harden?", we will in a large measure, have accomplished our purpose.
Besides the personal observations which the writer has made from time to time in the metallurgical laboratory, he has availed himself freely of the works of many and eminent authors dealing with this subject and where disputable conditions have arisen in regard to certain theories, uses, etc., has attempted to adopt the most logical consensus of opinion.
| Page | |
| INTRODUCTION | 17 |
| CHAPTER I. | |
|
A Slight Test of the Imagination
|
19 |
| CHAPTER II. | |
|
Comparison Between Conditions
Which Exist in the Iron and
Steel Family to Those Which
Exist with More Familiar Elements
|
22 |
| CHAPTER III. | |
|
An Experiment Performed with
a Piece of Pearlitic Steel
|
29 |
| CHAPTER IV. | |
|
High Speed Steel
|
51 |
| CHAPTER V. | |
|
The General Effect of the More
Important Elements in Tool
Steels
|
61 |
|
Carbon Steels
|
61 |
|
Alloy Steels
|
63 |
|
High Speed Steels
|
64 |
|
Elements Which Occur in all
Steels
|
66 |
|
Iron
|
66 |
|
Carbon
|
67 |
|
Manganese
|
67 |
|
Silicon
|
68 |
|
Phosphorus
|
69 |
|
Sulphur
|
70 |
|
Elements Which Have Become
Especially Associated with
Special Alloy Steels
|
70 |
|
Chromium
|
70 |
|
Tungsten
|
72 |
|
Molybdenum
|
73 |
|
Vanadium
|
73 |
|
Cobalt
|
74 |
|
Uranium, Titanium and Aluminum
|
75 |
|
Impurities
|
75 |
|
Heat Treatment
|
76 |
|
Hardening
|
77 |
|
Annealing
|
79 |
|
Tempering
|
81 |
|
Conclusion
|
84 |
| CHAPTER VI. | |
|
What Tool Steel Is Doing Towards
Winning the War
|
85 |
| APPENDIX. | |
|
Analysis, Uses and Heat Treatment
of Various Grades of Tool Steels
|
92 |
|
High Speed Steels
|
93 |
|
Die Steel for Hot Work
|
94 |
|
Special Alloy Steel
|
95 |
|
Semi-High Speed Steel
|
96 |
|
Simple Carbon Tool Steel
|
97 |
|
Non-Shrinking Oil Hardening
Steel
|
98 |
|
Special Hot Work Alloy Steel
|
99 |
When as a student at a Technical College of one of our great Universities, I came to the study of Differential and Integral Calculus, I remember that I was seized with a kind of mental paralysis at the thought of the great unknown that lay before me. Fortunately, however, a little book was brought to my attention, under the encouraging title "Calculus Made Easy". As a matter of fact the little volume did not attempt to take its readers through all the intricacies of the entire subject, but it did succeed in giving a certain start on the long journey which has to be undergone by a student of the Calculus. Its opening sentence was encouraging, which I have always remembered, and which read something as follows:
"What one fool can accomplish, another fool can do, therefore take courage". This same thought applies to the subject which is now before us.
We live in a world in which certain conditions of the atmosphere and the so-called elements surrounding our daily existence, are entirely familiar to us. From force of habit we are likely to forget that had Nature, for instance, been planned under a different range of livable temperatures, all the familiar objects of our daily existence would have existed under entirely different form.
For instance, if the normal temperature had been about 2700 degrees Fahrenheit instead of about 60 degrees Fahrenheit, and we had been constructed so that we could comfortably endure that degree of temperature, we could have gone sailing on a sea of molten iron, in boats built of plumbago crucibles, and oars made of silica brick. Under these delightful conditions we could place frozen lumps of our sea of iron in our ice boxes for refrigeration. Flat irons and stove lids would therefore have been the product of the ice man. The water with which we are now familiar, of course, could not exist in its liquid form, or even as steam, but instead as a highly gaseous state, which we would probably have been called upon to breathe. Certain other substances with which we are perfectly familiar in our daily life, such as the common stick sulphur, for instance, would exist in an entirely different physical state, although their chemical properties would be entirely unchanged, and we would be given to understand that an "allotropic" transformation had taken place.
If we can now imagine ourselves as existing under the relative conditions described above, which are undoubtedly the "natural" conditions of some other world, it will then be easy for us to understand quite clearly some of the other "allotropic" forms of iron and steel than those with which we are at present familiar.
One of the first physical changes which we would discover would be that when we desired to "freeze" a "crucible" pailful of our iron water, we could do so much more easily if the same were in its absolutely pure state than we could if it were mixed with some other element, such as carbon. Of course, we have long known that this is the case with water and salt, and just as it becomes harder and harder to freeze water with greater and greater percentages of salt mixed with it, so the freezing of iron with greater and greater percentages of carbon mixed with it, would also occur at lower and lower temperatures.
If we started to add salt to a pail of water we, of course, would have different degrees of brine. Just so with the addition of carbon to a crucible of pure iron, we would likewise have different degrees of the resulting mixture. In adding the salt to the pailful of water, we would arrive at a point where the water had absorbed all of the salt which it was capable of holding at room temperature. If we had added a little less salt we would have had free water in excess of salt, and if we had added a little more salt it would have been impossible for the water to have dissolved it, and we would, therefore, have had salt in excess of water.
For convenience we will call the mixture above mentioned, at which the water had become thoroughly saturated with the salt, "cementite", because this is the name which our friends, the metallurgists, have given to a similar mixture of iron and carbon. They call the water, "ferrite"; the salt, "carbide" and the resulting mixture of brine, "cementite". This mixture of iron and carbon always exists in exactly the same ratio, namely, 93.4% iron and 6.6% carbon, and is expressed chemically by the symbol Fe3C, which means, in other words, that three "atoms" of iron have united with one "atom" of carbon to form the "chemical compound", "iron carbide", which the metallurgists, as above mentioned, desire to term "Cementite".
Now let us go back to the brine solution with which we are already familiar, and suppose that we added a little more salt than the water could absorb, and which therefore would exist in a "solid solution", and then bring this "mechanical mixture" to such a low temperature that it would actually "freeze". For convenience, and in order to agree with the metallurgists again, let us call the resulting structure "pearlite". That is the name which they have given to a corresponding "mechanical mixture" of cementite and ferrite.
This new constituent "pearlite" contains approximately O.9% carbon and consists of inter-stratified layers or bands of ferrite and cementite.
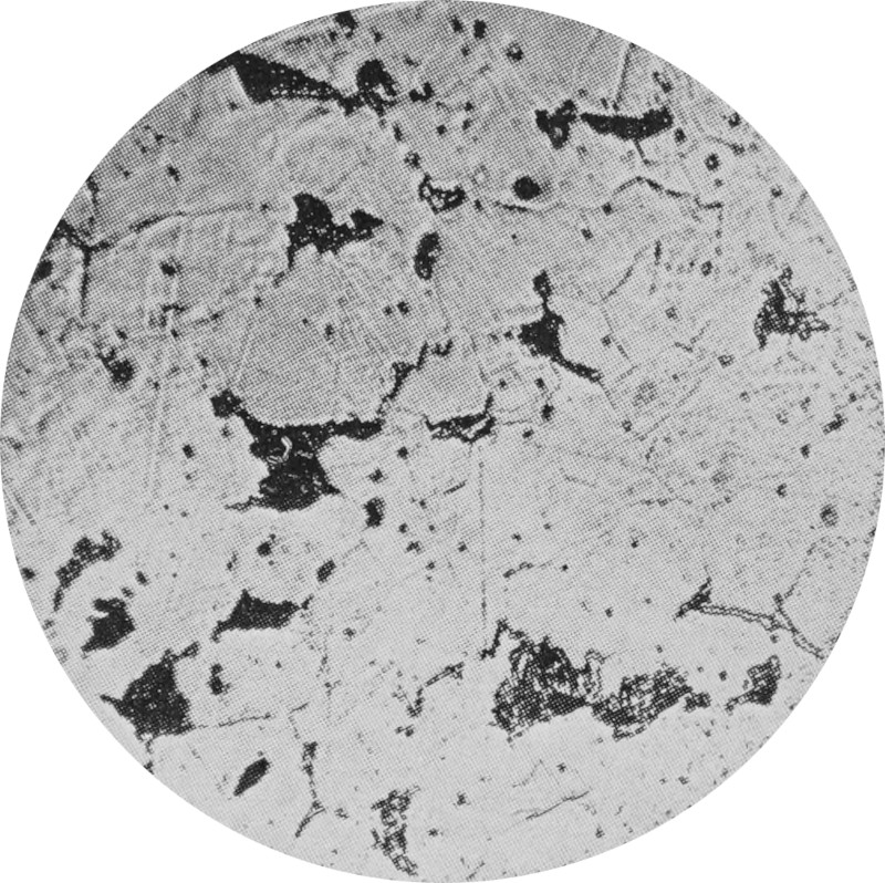
It is regarded as a separate and distinct constituent of steel, and takes its name from the fact that it has a mother of pearl-like appearance under the microscope. It always occurs at a definite range of temperature and always contains the above mentioned definite percentage of carbon.
From the above it may be suspected that a steel containing O.9% carbon, consisting entirely of pearlite, forms rather a special and particular class of steels, which the metallurgists have decided to dignify with the title "Eutectoid Steels". Having done this much to properly impress the unsuspecting probers of their secrets, they decided to call steels containing less than this Eutectoid ratio of carbon (0.9% C) "Hypo-eutectoid Steels". These steels, of course, contain certain definite amounts of pearlite with other amounts of free or excess ferrite. Likewise, if the carbon content is greater than O.9% there will be an excess of cementite over the ferrite and we will then have a structure of pearlite plus free cementite. And these steels are spoken of as "hyper-eutectoid" steels.
However, let us not trouble ourselves with too many definitions at one time, but instead amuse ourselves for a while by running through a little experiment with a piece of carbon tool steel similar to that which we have just been discussing. For our investigation we will also need a special kind of thermometer for measuring high temperatures. Such an instrument is known as a "pyrometer". Now we will drill a little hole in the test piece of carbon steel and after inserting the "couple" of the pyrometer into it, place the same in the electric furnace.
As the current is turned on, the test piece begins to grow warm and then hotter and hotter, gradually up through a range of temperatures which are continually recorded by the needle of the pyrometer. 800, 900, 1000, 1200 degrees Fahrenheit are uniformly reached, and the temperature of our test piece continues to rise, as the absorption of heat progresses. Suddenly, however, the test piece assumes a bright glow and the needle of the pyrometer ceases to advance, and we note that it is pausing at about 1350 degrees Fahrenheit. Then after its pause, the advance is again resumed until the piece has become almost ready to melt. By plotting the uniform periods of time at which we read the different temperatures recorded by the needle of the pyrometer, against the temperatures as read, we would have a picture of our phenomenon something as follows:
Now let us begin to let our test piece cool off gradually. The temperature of the furnace is lowered and the uniform range of cooling temperatures is recorded by the ever sensitive needle of the pyrometer. Suddenly as before, the test piece assumes the brilliant glow noted previously, and again the needle comes to rest, but this time we note that the recorded temperature is about 1250 degrees Fahrenheit instead of 1350 degrees Fahrenheit as before. Evidently there has been a certain tardiness or "lag" which has caused the phenomenon to take place a little too high going up and a little too low coming down, and in fact the metallurgists tell us that such is exactly the case, and that the real point in which we are interested lies just half way between the two points indicated, as we shall presently see. If we again represent the results of our latest experiment graphically, we would have a picture something as Fig. 2.
Now placing the second curve so obtained on the first, we are able to study the following interesting relationship. Fig. 3.
It is natural to suspect that both of the parallel sections of our curves have something to do with the same thing, and for convenience since we noticed that mysterious glow of the test piece just as the needle came to rest, we might call the particular point which lies just half way between the temperatures under discussion, the point of glow, or as the metallurgists call it, the "point of recalescence" and the range between these two temperatures the "critical range".
I suppose it would be difficult to explain this phenomenon of the test piece unless we imagine that as the critical range is reached some internal reaction of the steel causes it to spontaneously take on heat at the same temperature in the first place and give off the stored heat at the same temperature as the piece was being cooled down, and this heat caused it to glow as was noticed. Now if we were to experiment further with our piece while at the critical range, we would find certain other remarkable changes, one of the most noticeable of which is the loss of magnetism at and above the critical range.
Irons and steels are usually the most magnetic materials, but the attraction of the magnet is completely lost at or above the critical range.
We can easily satisfy ourselves in this respect by noting the attraction of a simple horse shoe magnet when our piece of test steel is brought into its magnetic field. As the pyrometer needle passes on up through the range of temperatures noted above, the magnetic attraction is perfectly evident when suddenly the recalescence point is reached, the spell is broken and the magnet and the test piece fall apart. But let us just consider this phenomenon a moment. We are told by the physicists that magnetism is induced in a piece of iron or steel by a "rearrangement of the internal molecular structure, in which the positive ions face one direction and the negative ions in the opposite direction". Therefore, if magnetism suddenly ceases to exist it would seem as if something had happened to the "internal molecular structure" of the test piece. Thus when the recalescence point is reached we may conclude that something more than a mere absorption of heat units has taken place. In fact we may really believe that an actual internal molecular revolution has occurred and that some of the natural laws which formerly had governed all of these little molecules which go to make up the whole piece of steel, have been overthrown and that the molecules are more or less free to set up a new form of government for themselves, and that, therefore, when a piece of steel is brought to the recalescence point it is really in a very sensitive condition. In fact, if we should care to investigate further we should find that certain other great changes take place at this critical point, such, for instance, as partial failure of the test piece to conduct an electric current, which formerly, of course, it did with great ease. Also when the critical range is reached, a peculiar contraction of size interrupts the gradual expansion which had been developing as the test piece absorbed heat units, and therefore these several observations give us reason to believe that our conclusions as noted above must be more or less correct.
Now if all steels acted exactly like the little test piece which we have been observing above as they were placed in the hardening furnace, it would not take us very much longer to finish our preliminary investigations. You remember the piece of steel which we have been investigating was a piece of simple carbon tool steel, containing about 0.90% carbon. But all steels do not contain just this same percentage of carbon, and may also contain various elements other than carbon, all of which produce many and varied results during the process of heating, treating and hardening.
In order to better visualize the investigation which we are making, let us picture graphically each step which we take. If therefore, we let the vertical lines represent the different carbon contents which steel might have, and the horizontal lines the different degrees of temperatures through which we might desire to heat the steel under discussion and then plotted the phenomenon described above we would have a picture something as follows:
Now all that picture means is that as we heated up a piece of simple carbon tool steel containing O.9% C, we discovered a certain very noticeable reaction which occurred just about half way between 1250 degrees and 1350 degrees Fahrenheit, which we decided to call the point of recalescence, and then on further heating of the piece no other such phenomenon was noticed.
Now let us go through the same experiment with a piece of steel containing .45% C. Yes, just as before, as the temperature 1250 degrees Fahrenheit is reached we note all the strange symptoms which are characteristic of the point of recalescence and then, just as we are about to decide that it is hardly necessary to go further we notice that the pyrometer needle has again come to rest, but that this time it is registering 1390 degrees Fahrenheit. Therefore, it would seem as if this piece had two critical ranges instead of one and we are now quite ready to again proceed with our heating to see if anything else occurs. However, as nothing does happen we turn to our picture and plot the two points just observed, together with the one point found on our first investigation, and the drawing then looks something as follows:
Now let us take a piece of carbon steel as before, but this time containing .15% carbon, and again proceed with our observations. Again the needle of the pyrometer records the point of recalescence and also the point designating the second range of critical temperature, but this time strange to say, as the test piece continues to absorb heat, a third critical range is registered, all of which when added to our former picture gives a result something as follows:
By repeating the operations as outlined above, with pieces of steel containing various percentages of carbon from zero to 1.25% and by plotting the different critical temperatures so obtained, we finally obtain a chart which graphically expresses the critical ranges of iron and steels due to the variation of the carbon content. With very low carbon steel it is interesting to note that the first critical point would not occur until 1395 degrees Fahrenheit was reached.
Metallurgists have long designated the lines so obtained by letters, "r", standing for, "refroidissement", which is the French word meaning "cooling", the suffixes 1-2-3 simply standing for the lines in the order drawn.
From the completed chart it is further evident that our first piece containing 0.9% carbon in one way is the most interesting of all since it is the only case where only one point of critical temperature occurs.
It will be noticed from the chart that steels containing less than .10% carbon have no point Ar1 and it is therefore undoubtedly due to the carbon content that this, the point of recalescence, occurs. From tests which we made with the magnet we would also find that the temperatures at which loss of magnetism occurs are those designated by the line Ar2, whereas the loss of ability to conduct an electric current occurs at the point designated Ar3. In steels containing .45% carbon to .75% carbon loss of magnetism and loss of ability to conduct an electric current occur at the same points designated on our chart by the line Ar3-2; whereas in the steel containing .90% carbon—all these changes take place at the same time.
Now, as we concluded before, it is evident that some internal change must have taken place in the steel itself, and as we know that the chemical content does not vary, it is further evident that the change must be of a physical nature, or as in the language of the Metallurgist, an "allotropic change". Therefore, another conclusion which we can draw at this point is that a very much more thorough investigation is required for the proper handling of steel at high temperatures than a mere knowledge of the chemical analysis of the same.
There is one very fortunate circumstance connected with the passing from one of these allotropic changes to another, and that is that the effecting of one of these changes takes time. It does not take a very long time, however, for in some instances the change is affected in a very small fraction of a second, while rarely more than one or two seconds are required. The higher the temperature the quicker the change.
Would it not be interesting if we had been so constructed as outlined in the beginning of this little volume; that we could have withstood the high temperatures in which some of these very interesting changes occur, because we could then handle the steel, examine it and experiment with it at our leisure. However, such not being the case, we will have to derive some other means for "catching" the steel while it is in one of these interesting conditions, and then bringing it in its entrapped condition down to room temperature. How shall we do it? Well, we remember that we said it took time to effect the changes under discussion and furthermore we remember that the changes can only take place when the steel is within the proper critical range. Therefore, if we could do something to lower the temperature of a piece of steel while in one of the critical ranges before the steel had time to effect the usual allotropic change of form, we might be able to catch a piece of steel while in one of these unusual conditions, before it had really had time to get back to normal.
Therefore, let us place a piece of .9% carbon tool steel in the heating furnace and bring it up to and beyond the point of recalescence. Now, grasping the piece firmly in a pair of tongs with all possible speed we plunge it into a nearby pail of ice water, keeping the steel constantly in motion. Almost instantly the steel becomes black and within a few seconds is actually brought down to room temperature.
Now let us take the steel out and examine it. The act of tapping it on the anvil in order to knock off the surplus water gives us a hint that our test piece has undergone some sort of a change. For now it rings with a bell-like clearness and gives the hammer with which we strike it a quick snapping rebound which in itself indicates great hardness. Next, we test the piece with a hardened steel file with which we could easily have made a deep ridge before we attempted the heating operation and to our surprise the file has as little effect as if it had been made of wood. And to our surprise on closer examination, we actually find that our test piece has scratched the file—surely it must be very hard. We are convinced that some marked change must have taken place. What can it be? Why it must be that due to the rapid cooling in the pail of ice water we brought the temperature of the test piece down below the critical range before the abnormal condition at which it existed while at and above the critical range had found time to change back to its former condition. And we remember that if one of these allotropic changes is going to take place at all, nature says it must do so while the steel is within the critical range and therefore having forced the steel through that critical range which separates one allotropic condition from another, before it had found time to effect its desired change, we managed to entrap the abnormal condition so that we could see it and feel it and get familiar with it at room temperature.
If we so desire we can now make other hardness tests on our piece of steel at our leisure. For these scientists have invented several machines. One of the most common is called the scleroscope in which a hardened steel ball is allowed to drop from a given height on to the piece of steel to be tested. Then the rebound of the ball is carefully noted. The higher the rebound, the harder the piece. That is natural isn’t it? We know that if the ball were allowed to drop on butter, it wouldn’t rebound at all, because the butter is so soft. A piece of wood would possibly record a very tiny rebound, while a piece of hardened tool steel would effect a very material action of the scleroscope ball, thus indicating extreme hardness.
Now let us take our test piece to the grind stone and grind it down to the shape of a cutting tool. It is necessary to resort to the grind stone, in order to get the desired shape, because of course, our test piece is far too hard to cut with any other metal. After having produced a tool of the desired shape and size, let us fasten the same securely into the carriage of a lathe, and then upon applying the cutting edge to a revolving piece of cast iron, or soft steel, or even to a piece of the very same grade of steel out of which the tool was made, only while it is still in the softened or annealed condition, we find that it is capable of easily and quickly cutting out a good sized ribbon of chips from the metal which is to be machined.
However, we are soon confronted with a new difficulty, for as the cut progresses, our tool runs into a rough spot which causes it to tremble and chatter and then suddenly our tool cracks in two in the middle and is at once completely ruined.
It is evident that as we are able to increase the desirable element of hardness in a piece of tool steel, we also automatically increase the undesirable element of brittleness, and therefore some new method must be devised which will allow a sufficient degree of hardness to allow the tool to cut other metals and at the same time not cause so much brittleness that it will crack in two at the first rough spot which it encounters.
One method of assisting the toughening of a piece of hardened tool steel is accomplished by the process of "drawing". This simply means heating the piece of hardened tool steel up to some fairly warm temperature, which of course must be kept well below the critical range (at which the steel would jump at the chance to quickly change back into one of its softer allotropic forms) and then keeping the steel at this drawing temperature for a while until the unusual strains and stress caused by the rapid cooling have had an opportunity to have become somewhat relieved. Therefore, the process of "drawing" is quite as important as is the first act of hardening itself, and great care must be exercised in undertaking the same.
After the processes of hardening and drawing our sample of simple carbon tool steel have become thoroughly mastered, it might seem that all which was desired had been accomplished and that we could go on indefinitely making and using our simple carbon steel tools. However, when the extraordinary demands of modern industry required faster and faster cutting speeds, and deeper and deeper cuts, we commenced to realize that our familiar carbon tool steels would not fill the bill. This was due to the fact that as the tools became pressed with the faster speeds and deeper cuts, they could not do their work without becoming over-heated by the friction caused by the work of upsetting the chip and therefore the critical temperature was rapidly approached. Of course we know that if this temperature should be reached the steel would quickly lose its hardness and its cutting edge would therefore be completely ruined.
Therefore, it was necessary to develop a new kind of steel to meet a new and severe condition and accordingly the mother of experiment and invention gave birth to the now famous "High Speed" Steel.
The general principles applying to the hardening and drawing of High Speed Steel are in many ways the same as described above for the simple carbon steel, except that as we begin to add various elements other than carbon to the melt, the resulting alloy becomes more and more complex in its form and reactions and therefore its heat treatment causes greater and greater study and skill in its successful undertaking.
It is generally known among tool hardeners that it is necessary to heat the tool to a higher degree of temperature in order to secure proper hardness when using High Speed Steel than it is when a simple Carbon Tool Steel is employed. We are told that the introduction of certain elements into the melt of a simple Carbon Tool Steel has the tendency to change the critical range. Of course, the formulas used in the manufacture of any high grade High Speed Steel contain very appreciable amounts of various elements other than Carbon which materially effect the property which the steel will have when hard. The effect which these elements appear to produce in the period of critical range can be seen from figure 7.
In this case an experiment was made with a piece of High Tungsten High Speed Steel similar to the experiment which was described in detail above with the test piece of simple Carbon Tool Steel. The readings of the pyrometer were carefully recorded and when plotted on the graph sheet produced the picture under discussion.
Here it will be noticed that the vivid reaction, which we might have expected would occur as the temperature indicating the first critical range was reached, was materially reduced. This might lead us to suspect that the desired allotropic change had not completely taken place at this point. In fact we noticed that the pyrometer needle did not record a vivid critical point until a very much higher temperature was reached. All of these observations serve as a possible explanation or indication of why it is necessary to employ very much higher temperatures in the hardening of High Speed Steel than it is in the hardening of a piece of simple Carbon Tool Steel.
In a later chapter of this little volume we define Carbon Steels as those which do not contain enough of any element other than carbon to materially affect the physical properties which the steel will have when hard. High Speed Steels which are one of a very important group of special alloy steels, are those steels to which some element other than carbon has been added in sufficient amount to materially effect the physical properties which the steel will have when hard.
The element which stands out alone as the most vital and important one as affecting the wonderful and highly desirable features looked for in High Speed Steels is Tungsten. We will discuss the various effects which the different elements give to the different alloy steels in a later chapter, but for the present we will confine ourselves to a brief discussion of the heat treatment of the now famous modern High Speed Steel.
As previously suggested the pressing demand of modern industry for quicker work, greater efficiency and enormously increased out-put of product, gave rise to the necessity of producing far more remarkable tools than was possible with the old fashioned carbon tool steel. Therefore it became necessary to produce a steel which could be rendered sufficiently hard to cut deep furrows in the various metals which have to be machined and, which could be made sufficiently tough to stand the enormous cutting strains and chatter and vibration of the machine, and at the same time maintain all these characteristics when the work done by upsetting the chip of the machined member actually rendered the cutting edge of the tool red hot.
After the seemingly impossible task of producing a steel to meet these terrific conditions had been successfully accomplished, the next question which arose was to produce a machine which was sufficiently powerful to stand the work done by the tool, and so fast has been the progress made by the tool steel producer, that many of our modern manufacturing industries of today are constantly having to introduce new and heavier machinery into their various machine shop and tool rooms in order to keep pace with the possibilities of the tool made from the modern High Speed Steel.
Now, if we were to run an experiment with a test piece made from High Speed Steel similar to the one which we ran on the simple Carbon Tool Steel, we would find that many of the same phenomena previously noticed would again be recorded.
Probably the most important difference would be the fact that instead of having to quench the same in water it would be desirable to use a bath of oil. In fact, water would cause the High Speed Steel to cool off far too quickly so that it would be likely to crack and be rendered useless.
A peculiar action of the various elements in High Speed Steel is very likely to materially retard the change of one allotropic form into another. In fact, the change is so slow that after a piece of High Speed Steel has been heated above the critical temperature, it will actually retain its hardened or austenitic condition even if allowed to cool in the air, and it would only be possible to get it back into its softened condition by the lengthy process of annealing.
Annealing is the process of undoing exactly what the act of hardening accomplished. Long tubes are filled with the tool steel bars and sealed from the air and then placed into the annealing furnaces, wherein the annealing temperature is maintained for a sufficient number of hours, until the steel has had an opportunity to become thoroughly softened.
As before stated "drawing" or "tempering" means the careful re-heating of the steel to 400 degrees Fahr. to 600 degrees Fahr., thus allowing a slight "slipping" of enough of the higher allotropic solution to a lower form, which it is always eager to accomplish at temperatures near the point of recalescence. This, of course, relieves the excess brittleness of the hardened steel.
Annealing is the complete release of the higher allotropic form of the solution and the "trapped" carbon which allows of their return to the normal condition of pearlite and alpha iron. Therefore, it is necessary to heat the steel above the point of recalescence and cool more or less slowly. Different speeds of cooling give different grain, size, structure and physical property.
This explanation of hardening, which is known as the "allotropic theory" is not universally accepted, although it is difficult to find a better or more complete explanation of the remarkable phenomena involved. However, the fact remains that the great accomplishments which have been made by the men of science and understanding have caused remarkable results to have taken place in the manufacturing world of today and the fine and obscure lines which these patient and careful laborers are continually drawing upon the map of knowledge are doing much to make the world a better and safer and more wonderful place in which to live.
We know that all metals of engineering nature are crystalline in character, that is, the crystals form when the metal solidifies. If these crystals were free it would be easy to determine definitely just what properties the metal would have. However, the crystals are not free, but exist in the steel in combination with many other types of crystals. This results in many complicated and complex possibilities in the finished product, and will bring us presently to the subject of "Alloy Steels".
Carbon Steels are those which do not contain enough of any element other than carbon to materially affect the physical properties which the steel will have when hard. Carbon is one element used above all others by manufacturers in getting required physical properties. An increase of one hundredth of one per cent (.01%) gives a tensile strength of about one thousand pounds per square inch, but even this amount of carbon also regularly decreases the ductility of the finished product. When steel is heated red hot and plunged into water, the carbon in the metal unites with the iron in some peculiar way so that it produces a compound of extreme hardness. If the steel contains nine-tenths of one per cent (.90%) of carbon, a sharp point so quenched will almost scratch glass. With one per cent (1.00%) of carbon it reaches nearly its limit of hardness. Now carbon steels with this percentage carbon can be used for some of the harder tools, which do not require much ductility or toughness, but with higher carbon contents than this percentage, the brittleness increases so fast that the usefulness of the metal is decidedly limited.
Therefore, when the steel must meet requirements other than just that of hardness, such as, strength, ductility, toughness, resistance to repeated shock, "red hardness", etc., then it is necessary to resort to other means and combinations for obtaining the required needs. It is to be remembered that such methods and combinations will materially increase the cost of the final product.
What is an alloy steel? The general definition of an alloy steel is, "a solidified solution of two or more metallic substances". The International Committee upon the nomenclature of iron and steel defines alloy steels as "those steels which owe their properties chiefly to the presence of an element (or elements) other than carbon".
This latter definition more nearly applies to our case, but it must be born in mind that the distinction between an element added merely to produce a slight benefit to ordinary carbon steel, and the very same element added to produce an alloy steel itself, is sometimes a very delicate one. For example: Manganese is added in amounts usually less than 1.50% to all Bessemer and Open-Hearth Steels, for the purpose of getting rid of oxygen, and neutralizing the effect of the sulphur. But this does not produce an Alloy Steel. When we make "manganese steel" containing 10 to 20% manganese, the material then has properties quite different from the same steel without the manganese, and we then have a Manganese Alloy Steel.
Thus, for our purpose, we may consider an alloy steel as being one to which some element other than carbon has been added in sufficient amount to materially affect the physical properties which the steel will have when hard.
High Speed Steels are perhaps the most important of alloy steels, and derive their name from the fact that they can be used as cutting tools when the cut on the machined member is being made at a high speed. This, of course, subjects the tool to severe operating conditions, which simple carbon steels could not stand. These steels have other notable characteristics, among which is that of "self-hardening" or "air-hardening", as it is sometimes called. This means, when the steel cools naturally in the air, from a red heat or above, it is not soft like ordinary steel, but is hard and capable of cutting other metals.
Another striking characteristic of high speed steels is their ability to maintain a sharp cutting edge while heated to a temperature far above that which would at once destroy the cutting ability of a simple tool steel. Because of this property, a tool made of high speed steel can be made to cut continuously at speeds three to five times as great as that practicable with other tools. The result of the friction of the chip on the tool may cause the tool to become red hot at the point on top where the chip rubs hardest, and the chip may, itself, by its friction on the tool, and the internal work done on it, by upsetting it, be heated to a blue heat, or even hotter.
There are certain elements which are practically always found in any kind of steel. These elements are capable of producing many varied effects on the finished product. They are Iron, Carbon, Manganese, Silicon, Phosphorous and Sulphur.
The base of all steels is Iron. It goes without saying that this element should be obtained in the best and purest state possible. Probably the best "base" iron comes largely from Sweden, which country seems to have produced the highest quality of iron on the market today.
Carbon has already been discussed under Carbon Steels, although, of course, its importance in Alloy Steels must not be under-estimated. The proportion of carbon aimed at in high speed tool steels is about 0.65%, which in simple steel would not be enough to give the maximum hardness, even if the steel were heated above the critical point and quenched in water, and still less so when the steel is cooled as slowly as these steels are in their treatment. This shows that the carbon element acts in a different way from what it does in simple carbon steels as previously discussed.
Manganese Steel is a typical self-hardening steel and so, obviously, is any steel which is in the austenitic condition at atmospheric temperatures, that is to say, whose critical temperature is below atmospheric temperature. Thus, self-hardening steels are non-magnetic. Because of its low-yield point, manganese steel does not give satisfaction in many lines, for which otherwise it might be eminently fitted.
Manganese used in small quantities (.30% to 1.50%) will produce certain desired effects. Under these conditions it acts as a purifier. And when added in the form of Ferro Manganese to a heat of steel it unites with the oxygen and transforms it to slag as oxide of manganese. There is also good reason for believing that manganese prevents the coarse crystallization, which impurities such as Phosphorus and Sulphur would otherwise produce. Five per cent to 14% manganese renders the steel non-magnetic as well as a poor conductor of electricity.
The dividing line between silicon-treated steels and silicon-alloy steels is not clearly defined, but the latter are used for several important purposes.
Such steel has been used in springs of the leaf type for automobiles and other vehicles, the silicon being considered to add slightly to the toughness of the springs. However, the most important use of steels of this type is probably in the manufacture of electrical machinery. It is possible to produce a silicon-alloy steel which has not only a greater magnetic permeability than the purest iron, but also, a high electrical resistance. Its hysteresis is, of course, low, this property always accompanying a high permeability. It therefore is a very valuable material for use in electro-magnets, and in electric generating machinery, is the most efficient material known.
In silicon-treated steels, the silicon is used somewhat as a scavenger, although it also produces results somewhat similar to manganese.
Phosphorus has little effect upon the hot properties, but in the cold state makes the steel brittle and is of course highly undesirable although some writers have claimed that it adds to the tensile strength in about the same degree as carbon.
Sulphur has just the opposite effect of Phosphorus, and makes the steel crack while it is being hot worked, although after the metal is cold it seems to have no particular effect upon the physical properties.
Such elements are:—Chromium, Tungsten, Molybdenum, Vanadium, Cobalt, Uranium, Titanium, Aluminum, etc.
Chromium is an indispensable constituent in modern high speed steel, and does not make a poor high speed steel, even when used alone. The chief effect which chromium produces in high speed steels is undoubtedly that of "hardening". However, chromium, like carbon, will produce brittleness, if added in too large quantities, although if kept down to between 2 to 5% it seems to allow the lowering of the carbon element, while at the same time maintaining the desired hardening effect, without causing undue brittleness. The great hardness in the face of an armor plate, and the great toughness in the back of the plate, also the superb properties in the projectile which attempts to pierce the plate, can all be induced in chromium steels to a degree unattainable by the use of any other single element.
As a simple chromium steel the product may be used in five-ply plates for the manufacture of safes. These plates are made of five alternate layers, two of chrome steel and three of soft steel, and after having been hardened, offer resistance to the drilling tools employed by burglars. Hardened chromium rolls are manufactured for use in cold-rolling metals. Files, ball and roller-bearings are other noted products of this type of steel. It is the essential constituent of those steels which neither rust nor tarnish.
It was soon found that the composition of "self-hardening" steels was not the best one for high speed steels. Tungsten was discovered as an element which gave the steel properties of hardness and toughness at a red heat. After the peculiar heat treatment had been learned, and the presence of manganese or chromium in addition to the tungsten was shown to be unnecessary in appreciable amounts, it was found that more durable qualities could be obtained by increasing the percentage of tungsten, while at the same time the carbon element was greatly reduced.
The best grade of High Speed Steel ought to have a tungsten content of about 18.00% and a carbon content of about 0.65%. Thus whenever a steel is needed which must operate under especially severe conditions, this would be the steel to use. Such conditions are usually met in the case of rapid turning, boring, planing, slotting and shaping tools, also with twist drills and all forms of milling cutters, gear cutters, taps, reamers, special dies, etc.
Molybdenum was once thought of as being somewhat in a class with tungsten, but its use in high speed tool steels is being generally discontinued. The reason for this is that it was found that in rapid steels this element caused irregular performance, such as large variations in the cutting speeds which they would stand. This element is also likely to make the steels seamy and contain physical imperfections. Molybdenum steels were also found to crack on quenching, and possess decided variations in internal structure.
Vanadium steels are still in their infancy. Therefore, the true value of this element in rapid steels must probably be held as not yet fully determined. With the single exception of carbon, no element has such a powerful effect upon steel as vanadium, for it is only necessary to use from 0.10 to 0.15% in order to obtain very noticeable results. In addition to acting as a very great strengthener of steel, especially against dynamic strains, vanadium also serves as a scavenger in getting rid of oxygen and possibly nitrogen. It is also said to decrease segregation, which we may readily believe, as most of the elements which quiet the steel have this effect.
"Vanadium Steels" demand a somewhat higher price than do those steels which do not contain this element in appreciable amounts. It is, of course, especially useful for all purposes where strength and lightness are desired, such as springs, axles, frames and other parts of railroad rolling stock, and automobiles.
The valuable effect of cobalt is claimed to be that it increases the red hardness of high speed tool steel, enabling the steel to cut at a higher speed. However, this element much resembles nickel, which has been largely condemned as not being a desirable ingredient for high speed tool steels, because it has the effect of making the edge of the finished tool soft or "leady".
These elements are generally classed as scavengers, although recently important claims have been advanced for their effect upon the physical properties of steel. This is especially true for the first two. In present practice, however, they are used almost entirely as deoxidizers or cleansers, and are added to the metal for this purpose only.
Phosphorus, Sulphur and Copper are the most noted impurities which occur in steel. The first two are practically always present in greater or smaller amounts as the case may be. The best processes of tool steel manufacture are capable of producing steels with no copper. While Aluminum is not generally classed as an impurity, it nevertheless sometimes shows up in the finished product when its presence is not desired, and therefore, might be considered an impurity.
Combinations of iron with some or all of the above elements in the form of slags and oxides are other well known impurities.
From the forgoing pages it must be evident that producing a steel with exactly the correct chemical content is only one step towards securing a satisfactory product. However, it might be well if we were to briefly sum up a few of the more important features of our discussion on this interesting subject.
The heat treatment of tool steels is of the utmost importance. Tool makers of the old school proved their ability to accomplish certain desired results in the art of heat treatment without really fully understanding exactly how or why they were able to do so. Today, however, progressive manufacturers are using the results of research and such thorough scientific investigation that the process has become far more complicated and complex, and the results obtained are correspondingly more remarkable.
Chemically perfect steel may be easily and completely ruined during the process of melting, cogging, rolling, hammering, annealing, heat treating and tempering. It is the business of the steel manufacturer to carefully guard his product up through the process of annealing, but it usually falls to the tool maker to undertake the delicate operations of heat treatment and tempering.
The application of heat alone to steel can very materially affect the condition of the structure of the metal, either with or without simultaneous mechanical treatment. Depending upon the degree of heat, the rate of heating and cooling and the duration of such treatment, this application may be decidedly beneficial or harmful as the case may be.
We now know that when steel is heated above the critical point, and is then allowed to rapidly cool, a very marked hardness in the metal is produced. The degree of hardness so attained will, in general, vary directly with (1) the percentage of carbon, (2) the rate of cooling, (3) and the temperature above the critical point from which the cooling takes place. When the steel comes from the rolling mill and from the finishing hammers it is in this hardened condition. Therefore, in order to render it soft and ductile enough to cut and work up into certain desired shapes, sizes and tools, it is necessary to subject the steel to the process of annealing. This operation is usually undertaken by the steel producer, under which circumstances he is able to control his product through this delicate procedure, and deliver the same to his customers in the best possible condition for their use.
Annealing has for its object: (1) Completely undoing the effect of hardening, leaving the steel soft and ductile (2) refining the grain, in which case the crystals are allowed to re-arrange and re-adjust themselves, usually growing to a rather large size (3) and removing strains and stresses caused by too rapid cooling. Such cooling strains are particularly likely to exist where the rate of cooling is different in different parts of the bar, but the process of annealing ought to remedy any such condition, leaving the steel soft, ductile and of refined and uniform crystalline structure throughout.
The process of annealing is easier to explain than it is to actually put into practice. The steel is first packed in lime, charcoal, fine dry ashes or sand, and then sealed in long air-tight tubes or boxes.
The whole receptacle is next slowly brought up to a dull red heat, of about 1500 degrees Fahrenheit.
It is very important to heat the material uniformly all the way through, and then hold it in this condition from three to eight hours. Thus, allowing the slipping of one allotropic condition into another.
The receptacle must be cooled equally slowly, either allowing the packed steel to cool slowly down with the furnace, or by placing the same in a soaking or cooling pit, which also accomplishes the desired result.
After the receptacle has become entirely cooled it is opened and the steel unpacked and removed. The steel is then ready for its final inspection before shipping to the tool maker.
The process of tempering usually has to be undertaken by the tool maker or user after the annealed steel, which he received from the steel mill, has been cut up and shaped into the desired form and size.
The main object of tempering steel is to re-harden the material to such an extent that it will cut other metals, retaining its desired shape size and cutting edge, while at the same time it must not possess too much brittleness. The treatment varies materially with different brands of steels.
For the average grade of the best High Speed Steel containing from 16% to 18% tungsten, the tool should be brought very slowly up to a dull cherry red. It is usually considered good practice to first place the tool near or on top of the pre-heating furnace before actually placing it in the pre-heater, in order that the heating might be effected just as slowly as possible. The pre-heating operation should bring the tool up to about 1600 to 1800 degrees Fahrenheit, after which the tool should be placed in the high heating furnace and brought up to 2300 to 2400 degrees Fahrenheit, or a white sweating heat. Care should be taken not to allow the tool to remain in this condition for more than an instant, as it is then in a very critical condition and could be easily burned or ruined.
Therefore, the tool should be immediately pulled from the furnace and plunged into a good clean oil bath, keeping it constantly in motion.
As High Speed Steels are air-hardening steels, it is also the practice to harden these steels by simply placing the cutting edge in an air blast, which produces maximum hardness in the desired point and allows the body of the tool to cool at a little slower rate, thus slightly relieving the cooling strains and producing a little less brittleness therein. Such cooling strains can be relieved throughout the whole tool by drawing the same back to about 400 to 500 degrees Fahrenheit, and sometimes as high as 1050 degrees Fahrenheit, depending upon the particular tool and its use.
The treatment of Carbon Steels varies with each particular brand. Great care must always be taken to heat the steel uniformly, as a material which is heated unevenly will expand and contract unevenly and, in consequence, will crack when quenched.
The steel should always be hardened on the rising heat, in general bringing the same slowly up to a dull cherry red, or to about 1450 degrees Fahrenheit, and then quenching in clear cold water, keeping the same in motion until the steel is cold. The temper should then be drawn according to the purpose of the tool, which could only be discussed for each particular case. The following range of temperatures are interesting, as being approximately indicated by the thin film of oxide tints which occur on the tool undergoing a tempering operation:
| Pale Yellow | 428 Degrees Fahrenheit |
| Golden Yellow | 469 Degrees Fahrenheit |
| Purple | 531 Degrees Fahrenheit |
| Bright Blue | 550 Degrees Fahrenheit |
| Dark Blue | 601 Degrees Fahrenheit |
The effects of annealing, rolling, hammering, treating and tempering are best understood by those manufacturers who make a specialty of supplying a high grade tool steel, and in general it would be well if customers would consult freely with the producers of these steels, before attempting the delicate undertaking of Heat Treatment.
It hardly seems fitting that we should close these pages without giving our readers some little idea of just what the tool steel industry is doing for the successful conclusion of the great cause nearest our hearts.
One of the first statements which we could make would be that every metal worker in the world absolutely requires some form of tool steel or special alloy steel in the manufacture of his product. Of course, a very great many manufacturers other than the actual metal workers also need this same supply of tool steel in order that their production might not immediately cease. Volumes could be written on the vital importance of tools to industry in general, from the drills which drill out the hole in a hypodermic needle, to a twelve-ton drop-forge steam hammer. But for the present we may confine ourselves to simply the briefest mention of the vast number of iron and steel products actually and vitally engaged in the prosecution of the war.
We are told that we need ships, yet the ship industry could not proceed a day if its supply of necessary tools was cut off. The overwhelming increase in the manufacturing operations of the world which has taken place since the opening of the European War can better be imagined than explained, it being only necessary for us to point out here that the one absolute necessity which is common to all and required by all branches of such vast manufacture is the proper supply of necessary tools.
It has been the personal duty of the writer to make various visits to different Government shops and Arsenals as well as to the plants and shops of torpedo, shell and munition manufacturers and the vital part which the tools of production are playing in the great undertaking has been forcefully impressed upon his attention.
The metals which are destined to play an active part in actual warfare are naturally required to meet the most severe conditions imaginable. Thus we find the high manganese armor plate and the high chrome-manganese armor piercing projectile. We find the new specifications for steel forging, for hulls and engines now have rigid chrome-vanadium and special nickle requirements, all of which means that the tools that do the machining, planing, shaping, cutting, drilling, boring, reaming, stamping and many other operations must be made of a tougher and harder material than ever before.
We know that for every man who may fight on the battle field, at least two men must labor in our shops and factories over mechanical operations.
Those of us who have been in immediate touch with some of the vital requirements of the War and Navy Departments in these strenuous days realize the shocking absence of the complete preparedness, which we must rapidly accomplish if we are to come anywhere near supplying our own soldiers on the fighting front with the fighting machinery and supplies of which they are in such urgent need. We realize that after all these months of increased industrial preparedness, we are, therefore, still unprepared in the full meaning of the word. The very foundation of our structure shows a startling amount of unpreparedness. We like to gaze upon the exterior towers and battlements of a castle of preparedness, and these are wonderful and encouraging to look upon but down below all these are certain neglected and unfinished pillars in the unseen cellar of that foundation, which threaten the stability of the entire mass. It is, therefore, some of these fundamental details which have been neglected as we have beheld the vision of the super-structure above. Pershing needs, 1,500,000 boys in khaki and over the shoulder of each is his protection against the Hun. Everyone of these rifles is a splendid monument of the accomplishment of tool steel and special alloy steel.
Every day of our present existence it happens that over a million shells scream over the miles of battle line in France. This curtain of high explosive and shrapnel is another direct expression of the wonders which the modern high speed and special alloy steel have accomplished. We are told that a 3" shrapnel shell contains seventy drilled holes or a drilling of 19¼" in depth. That means that 1,600,000 feet or over three hundred miles of drilled holes are shot away every twenty-four hours on the battle fronts of Europe.
In a publication "Fighting Industry" published by one of our largest twist drill companies in this country, we note that the drilled holes in various implements of our militant harness are as follows:
| 8" shrapnel shell | 70 |
| Springfield rifle | 94 |
| Torpedo | 3466 |
| Machine gun | 350 |
| Aeroplane | 4089 |
| 3-ton auto truck | 5946 |
| Light ambulance | 1500 |
| 3" field gun | 1280 |
| Gun caisson | 594 |
| Anti-air craft gun | 1200 |
| Self-binder | 500 |
| Thresher | 420 |
| Motorcycle | 1160 |
Four million men must work with tools in order that two million men may fight in France. These men can not, "just be given a tool and told to use it." It is necessary that they have years of careful training and actual experience in order that they might effectively make use of the intricate tools and machinery which the mother of modern industry is striving to place in their hands. At present every tool steel mill in America is straining its furnaces, hammers and rolling mills to their maximum capacity. They are working days, nights and Sundays and still the demand is far in excess of the supply. Conservative estimations show that with all the added machinery and equipment which is in the process of construction at this time, it will still take at least two years and a half before the tool steel industry of America will come any where near meeting the demand for its product.
As we gaze with belated pride upon the huge structure of our present Preparedness, does it not seem strange to think that the most vital pillar of its whole foundation should have been forgotten and neglected so long and which is therefore now caused to endure such an abnormal and terrific strain? We are at last forced to realize that tool steel is the very essence of our whole existence.
Of course, the great importance of tool steel in this national emergency does not stop with the actual weapons of warfare. Besides the railroads, automobiles, tramways, elevators, bridges, buildings, shoes, clothing and in fact, every branch of the intricate mass of manufactured products so vital to our daily existence, nations are crying for bread. Victory hangs on our food supply. Our threshing machines, our reapers and our harvesting machinery are all working over time. But before the threshing machines can thresh wheat and before the reapers can reap and before the tractors and other farm machinery can contribute their great service to humanity, it is necessary that the American production of tool steel must pass its rigid inspection and yield forth in full measure the great service which it is called upon to give.
Providing the many complications and difficulties which accompany the melting, hammering, rolling, annealing, inspecting and finishing operations, have been successfully accomplished, the chemical analysis of the best grades of tool steel should come within the following limits:
| Carbon | . | 66 | % |
| Tungsten | 18. | 01 | % |
| Chromium | 4. | 50 | % |
| Vanadium | . | 98 | % |
| Phosphorus | . | 023 | % |
| Sulphur | . | 021 | % |
| Manganese | . | 285 | % |
| Silicon | . | 228 | % |
| Iron (by deduction) | 75. | 293 | % |
Turning, Boring, Planing, Slotting, Shaping Tools. Also Twist Drills, Milling Cutters, Gear Cutters, Taps, Reamers, Special Dies, etc.
Heat slowly in pre-heater to 1700 degrees Fahrenheit. Then rapidly in superheater to 2300 degrees Fahrenheit, taking care not to burn or fuse delicate projections on special tools. Harden either in air blast, or in good clean oil; keeping tool in motion. In all cases merely the end of the tool to white heat. Draw in oil from 400 degrees Fahrenheit to 600 degrees Fahrenheit.
| Carbon | . | 39 | % |
| Tungsten | 8. | 41 | % |
| Chromium | 2. | 10 | % |
| Phosphorus | . | 019 | % |
| Sulphur | . | 017 | % |
| Manganese | . | 315 | % |
| Silicon | . | 234 | % |
| Iron (by deduction) | 88. | 515 | % |
Hot shear blades, hot punches, header and gripper dies; used in bolt and rivet making. Also excellent for compression sets and in general for all hot work.
Will stand high hardening heats, similar to high speed steel, 1700 degrees Fahrenheit and then 2300 degrees Fahrenheit. Harden either in air or oil. Keep away from water. Draw to 500 degrees Fahrenheit.
| Carbon | . | 78 | % |
| Vanadium | . | 29 | % |
| Phosphorus | . | 014 | % |
| Sulphur | . | 016 | % |
| Manganese | . | 324 | % |
| Silicon | . | 296 | % |
| Iron (by deduction) | 98. | 28 | % |
Specially useful in tools subject to shock, such as hand and pneumatic chisels, boilermakers caulking tools and rivet sets. Also for cold upsetting dies, cold punches, shear blades and stamping dies. A special grade of this steel makes excellent taps.
Heat slowly to a low red, about 1400 degrees Fahrenheit, or if low carbon content to 1500 degrees Fahrenheit; being very careful not to over-heat. Quench in good clean tempered water; keeping tool constantly in motion. Draw from 250 degrees Fahrenheit to 400 degrees Fahrenheit.
| Carbon | 1. | 28 | % |
| Tungsten | 3. | 56 | % |
| Phosphorus | . | 021 | % |
| Sulphur | . | 019 | % |
| Manganese | . | 316 | % |
| Silicon | . | 271 | % |
| Iron (by deduction) | 94. | 533 | % |
Do not confuse the High Speed, although excellent for turning chilled cast iron, clean finishing cuts. Especially adapted for taps and reamers, as well as for tools for brass, bronze, aluminum, copper and chilled roll turning.
Heat slowly to full bright red, 1425 degrees Fahrenheit to 1500 degrees Fahrenheit. Quench in luke warm water. Keep tool constantly in motion. Draw to not over 300 degrees Fahrenheit.
| Carbon | 1. | 12 | % |
| Phosphorus | . | 009 | % |
| Sulphur | . | 011 | % |
| Manganese | . | 254 | % |
| Silicon | . | 213 | % |
| Iron (by deduction) | 98. | 393 | % |
General tool room usage with moderate cutting speeds. Excellent lathe, planer, and shaper tools, drills, shear blades (for cold work only) punches, chisels, files and mining tools.
Heat slowly to Low Red heat, approximately 1375 degrees Fahrenheit (the higher the carbon the lower the heat). Care not to over-heat. Quench in good clean luke warm water. Draw to not over 350 degrees Fahrenheit.
| Carbon | . | 91 | % |
| Phosphorus | . | 016 | % |
| Sulphur | . | 019 | % |
| Manganese | 1. | 62 | % |
| Silicon | . | 31 | % |
| Iron (by deduction) | 97. | 125 | % |
Threading dies, chasers, taps, reamers, and all master tools. For gauges, plugs, etc. Especially adapted for stamping, punching, trimming dies and many other uses where it is necessary to overcome shrinking, warping or change of shape.
Heat very slowly to pre-heating temperature of 1200 degrees Fahrenheit, then to hardening temperature from 1360 degrees Fahrenheit to 1425 degrees Fahrenheit, depending upon size of piece being treated.
Harden in lard, linseed or cottonseed oil; preferably fish oil. Do not quench in water.
Draw cutting tools, taps and reamers at 250 degrees to 300 degrees Fahrenheit. Large tools such as blanking and stamping dies at 400 degrees to 450 degrees Fahrenheit.
| Carbon | . | 86 | % |
| Chromium | 3. | 71 | % |
| Phosphorus | . | 023 | % |
| Sulphur | . | 019 | % |
| Manganese | . | 381 | % |
| Silicon | . | 267 | % |
| Iron (by deduction) | 94. | 740 | % |
An excellent composition for hot work in service for grippers, headers, hot punches, hot shear blades and similar tools. Especially valuable in structural steel and boiler shop work. Rivet sets and bull dies made from a steel of this composition ought to resist breaking and battering.
Very flexible hardening in air, oil or water. If air is used heat to 1675 degrees to 1750 degrees Fahrenheit and place under dry air blast, or stand in cool place. To harden in oil, heat to 1500 degrees to 1550 degrees Fahrenheit and quench in thin oil. To harden in water, heat to 1475 degrees Fahrenheit to 1525 degrees Fahrenheit and quench in cool water. Draw from 250 degrees to 300 degrees Fahrenheit.