*** START OF THE PROJECT GUTENBERG EBOOK ENGINEERING REMINISCENCES CONTRIBUTED TO "POWER" AND "AMERICAN MACHINIST" ***

Please see the Transcriber’s Notes at the end of this text.

New original cover art included with this eBook is granted to the public domain.


Cover image

Portrait photograph Signature

Faithfully yours

Charles T. Porter


Engineering Reminiscences
CONTRIBUTED TO
“Power” and “American Machinist”

BY

CHARLES T. PORTER

Honorary Member of The American Society of Mechanical Engineers

Author of “A Treatise on the Richards Steam-engine Indicator
and the Development and Application of Force in the
Steam-engine,” 1874; “Mechanics and Faith,” 1885

REVISED AND ENLARGED

FIRST EDITION
FIRST THOUSAND

NEW YORK
JOHN WILEY & SONS
London: CHAPMAN & HALL, Limited
1908


Copyright 1908
BY
CHARLES T. PORTER


THIS BOOK IS DEDICATED
TO THE MEMORY OF

MY FATHER AND MOTHER

My Father

My Mother


[iii]

PREFACE

A word of explanation seems due to both the reader and myself.

The idea of writing these reminiscences did not originate with me. I was invited to write them by Mr. F. R. Low, the editor of Power. This invitation I declined, saying that I felt averse to writing a story in which I must be the central figure. Mr. Low replied that I should regard it as a duty I owed to the profession. Engineers demanded to know the origin and early development of the high speed system of steam engineering. I was the only person who could meet this demand; no one else possessed the necessary information.

I felt obliged to yield to this view, and can only ask the reader to imagine that I am writing about somebody else.

C. T. P.

Montclair, N. J.,
December, 1907.


[vii]

TABLE OF CONTENTS

CHAPTER I
PAGE
Birth, Parentage and Education. Experience in the Practice of Law. Introduction to Centrifugal Force. Invention and Operation of a Stone-dressing Machine 1
CHAPTER II
The Evolution and Manufacture of the Central Counterpoise Governor. Introduction of Mr. Richards 17
CHAPTER III
Invention and Application of my Marine Governor 34
CHAPTER IV
Engineering Conditions in 1860. I meet Mr. Allen. Mr. Allen’s Inventions. Analysis of the Allen Link 42
CHAPTER V
Invention of the Richards Indicator. My Purchase of the Patent. Plan my London Exhibition. Engine Design. Ship Engine Bed to London, and sail myself 58
CHAPTER VI
Arrival in London. Conditions I found there. Preparations and Start 65
CHAPTER VII
My London Exhibit, its Success, but what was the matter? Remarkable Sale of the Engine 71
CHAPTER VIII[viii]
Sale of Governors. Visit from Mr. Allen. Operation of the Engine Sold to Easton, Amos & Sons. Manufacture of the Indicator. Application on Locomotives 80
CHAPTER IX
Designs of Horizontal Engine Beds. Engine Details. Presentation of the Indicator at the Newcastle Meeting of the British Association for the Advancement of Science 93
CHAPTER X
Contract with Ormerod, Grierson & Co. Engine for Evan Leigh, Son & Co. Engine for the Oporto Exhibition. Getting Home from Portugal 101
CHAPTER XI
Trouble with the Evan Leigh Engine. Gear Patterns from the Whitworth Works. First Order for a Governor. Introduction of the Governor into Cotton Mills. Invention of my Condenser. Failure of Ormerod, Grierson & Co. 113
CHAPTER XII
Introduction to the Whitworth Works. Sketch of Mr. Whitworth. Experience in the Whitworth Works. Our Agreement Which was never Executed. First Engine in England Transmitting Power by a Belt 122
CHAPTER XIII
The French Exposition of 1867. Final Break with Mr. Whitworth 139
CHAPTER XIV
Study of the Action of Reciprocating Parts. Important Help from Mr. Frederick J. Slade. Paper before Institution of Mechanical Engineers. Appreciation of Zerah Colburn. The Steam Fire Engine in England 153
CHAPTER XV
Preparations for Returning to America. Bright Prospects 165
CHAPTER XVI
Return to America. Disappointment. My Shop. The Colt Armory Engine Designed by Mr. Richards. Appearance of Mr. Goodfellow. My Surface Plate Work. Formation of a Company 173
CHAPTER XVII[ix]
Mr. Allen’s Invention of his Boiler. Exhibition at the Fair of the American Institute in 1870 190
CHAPTER XVIII
Demonstration to the Judges of Action of Reciprocating Parts. Explanation of this Action. Mr. Williams’ Instrument for Exhibiting this Action 198
CHAPTER XIX
Boiler Tests in Exhibition of 1871. We Lose Mr. Allen. Importance of Having a Business Man as President. Devotion of Mr. Hope 208
CHAPTER XX
Close of the Engine Manufacture in Harlem. My Occupation During a Three Years’ Suspension 219
CHAPTER XXI
Production of an Original Surface Plate 233
CHAPTER XXII
Efforts to Resume the Manufacture. I Exhibit the Engine to Mr. Holley. Contract with Mr. Phillips. Sale of Engine to Mr. Peters 238
CHAPTER XXIII
Experience as Member of the Board of Judges at the Philadelphia Centennial Exhibition 245
CHAPTER XXIV
Engine Building in Newark. Introduction of Harris Tabor 259
CHAPTER XXV
Engine for the Cambria Iron and Steel Company 271
CHAPTER XXVI[x]
My Downward Progress 275
CHAPTER XXVII
My Last Connection with the Company 325
CHAPTER XXVIII
The Fall and Rise of the Southwark Foundry and Machine Company. Popular Appreciation of the High-speed Engine 331

[xi]

LIST OF ILLUSTRATIONS

PAGE
1. My First Mechanical Drawing. Longitudinal Section of my Stone-dressing Machine 7
2. The First Porter Governor 21
3. The Porter Marine Governor 37
4. Porter-Allen Engine. Diagram of Admission—Valve Movements 48
5. Vertical Adjustment of Sustaining Pin for Trunnions of the Allen Link 52
6. My Improvement in Cranks and Journal Boxes 54
7. My Improvement in Eccentrics 56
8. Diagram from the First Allen Engine taken with the First Richards Indicator 59
9. Mr. Porter’s Exhibit at the London International Exhibition, 1862 71
10. Diagram from Allen Engine in London Exhibition of 1862 73
11. Spring-testing Instrument Used in the Manufacture of the Richards Indicator 86
12. Plan of Spring-testing Instrument 89
13. Diagrams from English Locomotives, taken with the Richards Indicator 91
14. Engine Bed Designed by Mr. Porter 95
15. Cross-head Designed by Mr. Porter 96
16. Connecting-rod and Strap 99
17. Attaching a Steam-drum to a Lancashire Boiler 107
18. Diagrams from Engine of Evan Leigh, Son & Co. 114
19. Condenser and Air-pump Designed by Mr. Porter. (Cross-section) 118
20. Diagrams from Engine Built for Mr. Adams 138
21. Exposition Universelle, Paris, 1867. Diagrams from the “Allen” Engine Employed in Driving Machinery 142
22. Pair of Diagrams from 18×30 Allen Engine at South Tyne Paper Mill, 108 Revolutions, Vacuum 28 Inches. Only Half Intended Load on Engine 160
23. Cross-section of Machine Shop Proposed by Mr. Porter in 1868, after the Design of Smith & Coventry 168
24. Card from Allen Engine in Colt’s Armory 178
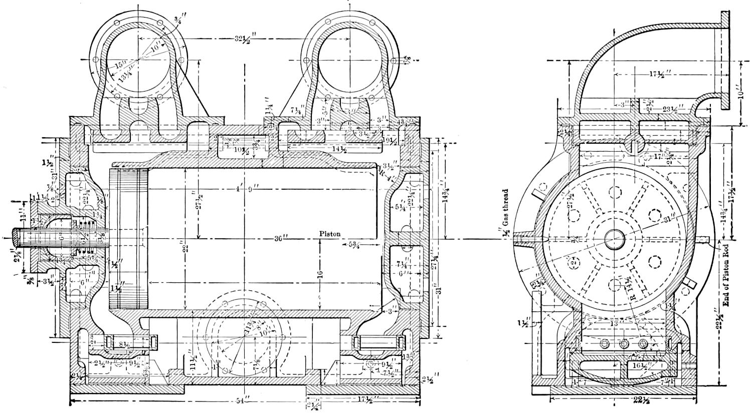
25. Sectional and Front Elevations of One of the Two Pairs of Porter-Allen Engines in the Colt Armory, Hartford, Conn. 180
26. Sectional and Side Elevations of One of the Two Pairs of Porter-Allen Engines in the Colt Armory, Hartford, Conn. 181
27. Porter-Allen Engines in the Colt Armory, Hartford, Conn. Front View 181
28. Porter-Allen Engines in the Colt Armory, Hartford, Conn. Rear View 181
29. Surface Plates Designed by Mr. Porter 182
30. Diagram from Allen Engine, Back End of Cylinder, at Fair of American Institute, 1870 194
31. Friction Diagram from Allen Engine at Fair of American Institute, 1870[xii] 196
32. Diagram from Allen Engine, Fair of American Institute, 1870, Cutting Off at ¹⁄₄ Stroke 196
33. Apparatus for Graphically Showing the Acceleration and Retardation of the Reciprocating Parts of an Engine 205
34. The Allen Boiler Facing 208
35. The Prototype of the Modern High-speed Engine, Fly-wheel Side 223
36. Prototype of the Modern High-speed Engine, Crank Side 224
37. Longitudinal Section of Cylinder and Valves 225
38. Cross-section of Cylinder and Valves 226
39. Connections of Admission Valves 226
40. First Arrangement of Exhaust Valves 228
41. Main Bearing 230
42. Eccentric and Cross-head and Crank-pin Lubricators 230
43. Surface Plate for Producing a True Plane 234
44. Mr. Porter’s Regulating Valve 244
45. The Corliss Engine Exhibited at the Centennial Exhibition 249
46. Porter-Allen Engine Equal in Power to the Exhibited Corliss Engine 250
47. Mr. Porter’s Fly-wheel 269
48. Connection of Arms and Rim in Mr. Fritz’ Fly-wheel 273
49. Mr. Allen’s Patent Pressure Plate 293
50. Diagrams from the Otis Engine 311
51. Otis Engine. Dash Pot for Governor 313
52. Diagrams from my First and Only Compound Engine 318

[xiii]

LIST OF FULL-PAGE HALF-TONE PORTRAITS

PAGE
1. Charles T. Porter Facing title page
2. My Father After dedication
3. My Mother After dedication
4. George T. Hope 6
5. Charles B. Richards, a.d. 1858 26
6. John F. Allen 48
7. Joseph E. Holmes 60
8. Alexander Gordon 62
9. Wellington Lee 66
10. Charles T. Porter, a.d. 1862 68
11. Frederick E. Sickels 78
12. W. H. Maw 92
13. William J. Hoyle 122
14. Sir Joseph Whitworth 124
15. Frederick J. Slade 154
16. Professor Charles B. Richards 178
17. President F. A. P. Barnard 198
18. Joseph Nason 204
19. Edwin F. Williams 206
20. Professor Robert H. Thurston 208
21. J. C. Hoadley 220
22. Alexander Lyman Holley 238
23. William R. Jones 244
24. Professor Francis Reuleaux 246
25. Colonel Alexis Petroff 252
26. James Moore 254
27. Emil Brugsch 256
28. Robert W. Hunt 262
29. Stephen W. Baldwin 264
30. Harris Tabor 266
31. Daniel N. Jones 272
32. John Fritz 274
33. E. D. Leavitt 308
34. Samuel T. Wellman 310
35. Charles A. Otis 312
36. Daniel J. Morrell 314
37. Benjamin F. Avery 324
38. James C. Brooks 332

[1]

ENGINEERING REMINISCENCES

CHAPTER I

Birth, Parentage and Education. Experience in the Practice of Law. Introduction to Centrifugal Force. Invention and Operation of a Stone-dressing Machine.

I

I was born in Auburn in the State of New York, January 18th, 1826. My parents were both of New England descent. My father, John Porter, was born in Hadley, Mass. His father, William Porter, was the son of Eleazer Porter and his wife Susannah, one of the daughters of Jonathan Edwards. My father’s mother was Lois Eastman. My mother was born in Middletown, Conn. Her maiden name was Abigail Phillips. Her ancestry in the maternal line is traced back to Governors Saltonstall, Dudley and the two Winthrops.

I graduated at Hamilton College, New York, in 1845, read law in my father’s office, and in the fall of 1847 was admitted to the bar. Practiced my profession for six or seven years, first in Rochester, N.Y., afterwards in New York City.

My knowledge of mechanics may be illustrated by a story I once heard in England of a man who had been prosecuted for selling adulterated tobacco. He got off by proving that there was no tobacco at all in the article that he sold. But this illustration hardly does the case justice.

I had some mechanical ideas, but they were exactly wrong. For example, I could not see any difficulty in perpetual motion. All one had to do was to pump up water, which by its fall would furnish power to run the pump. This, however, was no more absurd[2] than were two inventions which were brought out in England while I was there. One of these was corrugating the faces of the piston, so as to present more extended surfaces for the steam pressure to be exerted upon. The other was a device for utilizing that half of the force of the steam which had been wasted against the cylinder heads. Both of these were published with commendatory remarks in the Mechanics’ Magazine. The last, if I recollect rightly, was the original bottom feature of the Wells balance-engine. My error was that I made no account of friction, which must be overcome before motion can take place. We shall see before long the same disregard of friction by men who ought to have known better.

My utter ignorance of everything mechanical at that time is capable of proof. I stepped right into one of those “springes to catch woodcocks” which were being set in those days, and proved myself to be about as green a gosling mechanically as ever was plucked.

I had a client by the name of Searle, who was a “dead-beat.” He owed me about $100, which I could not collect. He finally called upon me and told me frankly that he could not pay me one red cent, because he had no money; but he could put me in the way of making a fortune, and he was anxious in that way to discharge the great obligation which he felt himself under to me.

A new invention had appeared, called the Gwynne & Sawyer static-pressure engine, that was bound to revolutionize all applications of power. It was, he told me, attracting great attention in engineering circles, and there had been a hot discussion over its theoretical principles, but its advocates had successfully vanquished all their antagonists and now the invention was established on a perfectly sound scientific basis. If I would give him a receipt in full for the money that he owed me and put another $100 into this enterprise, he was in a position to secure for me a number of rights to use the machine. He kindly offered to introduce me to Mr. Sawyer. Mr. Gwynne was unfortunately absent from home at the time. (I learned afterwards that he was in jail.) Mr. Sawyer received me most graciously. I think he had been told by Mr. Searle about how much taffy I might be expected to swallow, but he must have ventured far beyond his instructions.[3] He told me that he was delighted to make my acquaintance; he had frequently heard of me through our mutual friend, Mr. Searle, and of my triumphs at the bar, and had come to feel a great admiration for me, and was proud to show this great invention to a man so eminently capable of appreciating it. He told me that the invention was a practical method of utilizing that wonderful power known as centrifugal force. This force could be obtained in any amount. In fact, it was the force that kept the universe in motion. It had lain unutilized for so long a time because engineers had never been able to apply it practically. This difficulty had been completely overcome in this great invention, and this wonderful power was now to be made available for the world. He gave me quite an oration on the subject, saying, “We do not antagonize the forces of nature, we utilize them and apply them to beneficial purposes; consequently all nature co-operates with us,” and more to the same effect. He was able to show me a working model of this great invention; was very sorry that he could not put it in motion for me that day, as it happened to be a little out of order; but I would be able to see the principle of its operation very distinctly. I was flattered into believing that I saw the principle, with the result that Mr. Sawyer saw the principal, and with the further result that after that I never saw or heard of either principal or interest. Our mutual friend, Mr. Searle, also disappeared.

This was my first lesson in mechanics, given to me by a master of his art. I am not sure, on the whole, but that in one way and another it has been worth the trifle it cost me.

Had any one at that time told me that the expression “centrifugal force” is entirely misleading, that in reality there is no such force, that what goes by this name is not a force at all, nothing but a resistance, the resistance which a body revolving around an exterior point opposes to being continually deflected from a straight line of motion, and which ceases the instant the deflecting force ceases, when the body merely moves on in a straight line tangent to the circle, and in bodies revolving around their own axes or centers of gravity is the same resistance of their atoms, he would probably have had about the same success in making me see it that I long afterwards had with some engineering friends.

[4]

It is difficult at the present day to conceive the confusion of thought which then prevailed on this subject. The language of text-books was vague in the extreme.

The coincidence is not without interest, that my first mechanical experience, though in this ridiculous fashion, should have been with what was to become so prominent a feature of the high speed governors and engine.

I had for some time felt a growing disgust with the profession of the law. The contrast between the glorious science of human rights and the art of its practical application was very forcibly presented to my mind. I realized the fitness of the protest of Bryant, who described himself as being “forced to drudge for the dregs of men.” I was a regular reader of the Evening Post, in which an article appeared one day, written by John Bigelow, then the editor of the Post, laudatory of a certain judge whose term on the bench had lately closed, and who then retired from the profession. On this act Mr. Bigelow warmly congratulated him. Among a number of pungent expressions in the article I was particularly struck by this one: “The association of lawyers is mostly with knaves and fools.” My own experience bore witness to the truth of this statement. A few legal successes, which cost me incredible labor, interspersed of course with disappointments, weighed nothing compared with the daily association which I seemed compelled to endure. I formed a scheme for establishing a conciliation office for the amicable settlement of disputes, but found every man prepared to compromise on the extreme verge of his own position. So I gave that up.

I had another client, a Mr. Hastings, who had invented a stone-dressing machine, which he had patented, and the patent for which he wanted to dispose of. He had a working model of his invention, which was operated for visitors in the shop where it was built. He invited me to go and see it, which I did, and it certainly worked very well indeed. I recalled afterwards that the stone was carefully bedded on the table of the machine. I was quite fascinated with it and took some friends to see it, who were equally captivated, and the result was that we bought the patent. To make sure of its value, however, I first called with Mr. Hastings on Mr. Munn,[5] his patent solicitor, and received Mr. Munn’s assurance that he had a very high opinion of it.

I gradually abandoned my law business, and devoted myself to the exploitation of this invention. I put into it all the money I had and all that I could borrow. After a while a large working machine was completed for us, the drawings for which I had made by a German draftsman, and which was built under my direction at the works of Mott & Ayers, near the foot of West Twenty-sixth Street. When this machine was finished the parties in interest assembled at these works to see it tried.

One experiment was enough. I had put into the machine a stone that was quite a foot thick and which was supported at two points. At the first cut made across this stone it broke in two in the middle. I found myself, in the words of President Cleveland, “confronted not by a theory but by a condition.” The machine was absurd. The patent was worthless. The enterprise was a failure. Our money had all been thrown into the sea. Nothing could be done unless I did it; and I knew nothing of mechanics, of machine design or construction, or of mechanical drawing, except the little that I had picked up in the works of Mott & Ayers while this machine was in process of construction. I should say, however, that the head draftsman in that establishment had given me some instruction in mechanical drawing, so that I knew the use of the instruments and what kind of ink to use.

I cannot recollect that I was in the least cast down or discouraged. I cannot now account for my confidence. I believed that the fundamental features of this machine were correct. These were: cutting stone by a blow given by a hammer moving in an inclined direction, and which was thrown up by a cam and thrown down by springs. The more I reflected upon it the more I became convinced that a successful stone-dressing machine could be made on those general lines, and in no other way; and I also became impressed with what seems the almost absurd conviction that I could make it.

The machine that broke the stone had a broad hammer—a cast-iron plate with tongues on the sides running in grooves in a frame,[6] and to the end of which a long steel blade was bolted. My first idea was to divide the single broad hammer into several hammers working side by side and striking their blows successively; the second was to separate the hammers from the tool-holders, the third, to employ the same tools that were used by stone-cutters, namely, the point, tooth-chisel and drove, and to give them as nearly as possible the same blow that was given to them by the workman, and the fourth, to give to the tools only the blow necessary to do their work.

I infused my own enthusiasm into my associates to such a degree that they agreed to put up the money and let me try the experiment. That also is something that I now wonder at.

The most influential member of this devoted band was George T. Hope, President of the Continental Fire Insurance Co., a gentleman whom I shall have frequent occasion to mention, and who remained my steadfast friend till his death, which occurred soon after the close of my engineering career.

I set about my work in this manner. My house, on the south side of Twenty-second Street west of Seventh Avenue, had been arranged in its construction to use the extension room back of the parlor as a dining-room. That left the front basement available for me. This I equipped for a drawing-office, and set myself at work to learn mechanical drawing, and at the same time to design this machine. I bought a Scotch instruction book, and a sheet of “antiquarian” drawing-paper. In those days all drawings were made on white linen paper, and this was nearly the largest size that was made, and cost 75 cents a sheet. My principal drawing-implement was india-rubber. As my plans grew in my mind I had to rub out my preceding sketches. I spent a great deal of my time in visiting the large engineering works on the East River—the Allaire Works, the Morgan Works and the Novelty Works—and studying tools and machines and principles and methods of construction. I tried to get my mind saturated with mechanics. I finally succeeded in producing the design, this vertical section of which I have sketched from memory after fifty years.

It will be seen that this machine was massive in its construction. This was required on account of the speed—300 rotations of the shaft per minute—at which I had determined to run it. This was my first employment of high speed.

[7]

George T. Hope

The original model of the machine made 60 strokes per minute. In the machine that broke the stone I had increased the speed to 100 strokes per minute. In designing the successful machine I made the great jump to 300 revolutions of the cam-shaft per minute. This was done after much study of practical requirements. I observed carefully the speed of planing-machines. I had also the opportunity of witnessing the operation of the first wood-moulding machine, and was much impressed by the speed of the rotary cutters and the rapidity with which the work was turned out. I wanted a motion of 40 inches a minute for the stone table, which would make the output of the machine satisfactory; 300 revolutions would give this motion, the table advancing .133 of an inch at each blow.

Side frame not shown, except Channels
for Elevating Screws

My First Mechanical Drawing.
Longitudinal Section of my Stone-dressing Machine.

[8]

The machine contained six hammers, each 6 inches wide and weighing about 200 pounds, which ran in a suspended frame. The front member of this frame was a wrought-iron bar 6 inches square, with a projection on the lower side, as shown. At the ends this bar was first reduced to 5 inches square, the corners rounded to 1 inch radius, and mortised into cast-iron side-bars 4 inches thick, one of which is shown in the sectional view. Beyond these side-bars the wrought-iron bar was turned down to journals 3¹⁄₂ inches in diameter, which turned in the heads of large screws, one of which is represented. Beyond those journals it was further reduced to 2 inches diameter, and the ends threaded. These projections extended through slots in the main framing, and nuts on the outside provided with long handles enabled the whole to be bound fast in its position, when that had been determined.

The hammers had two faces; the upper faces struck on this 6-inch square bar, the lower faces struck the backs of the heavy tool-holders. These tool-holders were held in position in the manner shown. At the extreme back end they rocked downward upon a heavy cross-bar. At the front they rose against the 6-inch cross-bar. They were made with a heavy hook at the back, which prevented them from coming forward further than the projection at the bottom of this cross-bar permitted. A curved spring held them up to the cross-bar when the weight of the hammer was removed. Between the 6-inch cross-bar and the tool-holders and the hammer faces I introduced a sheet of heavy leather belting, which deadened the force of the blow. A stone-cutter uses a wooden mallet to drive the tooth-chisels and droves, because the impact of iron on iron has a disintegrating effect upon the stone, which the stone-cutters call “stunning the stone.” It produces a vibration in the body of the stone to a depth of perhaps ¹⁄₈ inch, and, however well the surface of the stone may appear when it is finished, after a while the outside will flake off to the depth to which these vibrations have extended. This leather buffer served the purpose of the wooden mallet, completely avoiding this difficulty. Incidentally also it made the building habitable, by transforming the blow into a dull thud, which at the rate of 1800 blows per minute from the six hammers was itself quite important to be done.

[9]

The large screws on each side of the machine at the front were provided at the top with long nuts resting on a cross-bar and combined with worm-wheels. A shaft carrying two worms engaging with these wheels extended across the top of the machine, so that the nuts were rotated identically, and the front of the suspended frame was raised or lowered as the thickness of the stone or depth of the cut required. The machine could cut stone from the thinnest ashlar up to a thickness of about 3 feet. The hammers ran on rollers as shown. At the back the frame and hammers were carried on similar rollers on the same shaft. The ends of this shaft also turned in square heads of screws, and by a mechanism similar to that already described the back of the frame could be elevated or depressed to the height required and be set at any desired angle.

The six tool-holders were made in the following manner: I got from England a bar of steel long enough to make them all. This was planed into the form shown in the section, and the sockets for the shanks of the tools were finished to an equal depth and perfectly in line. It was then parted, and the ends of each finished in a slotting-machine.

The blows struck by the hammers were very effective. The cams had a throw of 1¹⁄₄ inches, but they threw the hammers back against the springs 1¹⁄₄ inches further, making their fall 2¹⁄₂ inches. This I ascertained by holding a piece of thin board edgeways between the upper end of a hammer and the cross-bar at the back, when the hammer crushed it up to this height.

We never ran over the stone with the points but once. They made everything before them fly. On the other hand, the droves merely dusted the surface, to take out the marks of the tooth-chisels. All surplus force in the blow was received on the 6-inch cross-bar. The tools stood motionless unless pushed back by the stone, when they received a sufficient portion of the blow to drive them forward to their position.

The feed motion was powerful, being imparted by a worm engaging in a worm-wheel 24 inches in diameter, while the run back was swift, quite 100 feet in a minute.

The sides of the steel tool-holders, rubbing against each other, became after a while badly abraded. I was obliged to plane[10] them off and dovetail thin strips of hardened steel into them. These prevented any further trouble. The sides of the end tool-holders, however, which rubbed against the cast-iron side-bars, I observed, were polished without sensible wear.

This was a very important observation. These surfaces all rubbed together dry. The pressure was only the side thrust, which was very trifling. Under these conditions the molecules of the same material interlocked, while those of the different materials did not. These two materials were, however, extremely different in their constituent features. Perhaps this point of freedom of some different materials from interlocking was still better illustrated by the set-screws, where this difference of molecular structure did not exist in the same degree. These were made of Ulster iron, a superior quality of American iron then largely used in New York City for bolts. They were ⁵⁄₈-inch screws, and were also used dry, no oil being allowed anywhere over the stones. Each tool-holder contained three of these set-screws. The outside ones were tightened and loosened sixty times every day. The middle ones, where only the points were used, were tightened and loosened twenty times every day and at other times stood loose in their threads. The tool-holders being massive, and the blows of the hammers also coming on the leather cushion, there was no vibration. At the end of the two years’ running the outer bolts were all perfect fits. The middle ones were loose, but still held the tools perfectly.

The rollers on which the hammers ran were hardened and turned on hardened shafts. The hammers themselves had chilled faces, and their surfaces running on the rollers were also chilled. The surfaces of the tool-holders and of the bar on which these rocked were provided with hardened strips to the extent that they came in contact with each other. The cams and rollers and their pins were also hardened.

When built this machine was found to require only a single alteration. I had welded the cams onto the shaft, the welds being guaranteed by the smith to be perfectly sound. No appearance of unsoundness could be detected when the shaft was finished, but after running a week or two the cams became loose. This also gave me a useful lesson. I was obliged to send to England for[11] blocks of steel, which were bored, finished and keyed on the shaft in the manner shown, and the working surfaces of the cams were hardened. This required the substitution of new hammers, because the cams could not be threaded through the old ones. The hubs of these cams were 6 inches long, covering the shaft.

Our company, being satisfied from its design that the machine when finished would prove a success, rented from Mr. Astor a large lot on the south side of Fourteenth Street, west of Ninth Avenue, extending through to Thirteenth Street, and erected and equipped a building and established a stone-yard, where the machine ran successfully for two seasons, principally employed in facing ashlar, as the flat-faced stones of buildings are termed. It turned out with ease 600 square feet of finished surface per day, which was the work of thirty men, and it never broke a stone, however thin.

For facing in the machine the stones were set on bars 2 inches thick and 4 inches high, cast on the surface of sliding tables. These were both longitudinal and cross bars, and were provided with holes ³⁄₄ inch in diameter and about 3 inches apart. There were two tables, each 16 feet in length.

Several pieces of ashlar were set upon each table and held by dogs and wedges on these bars. They were wedged up very easily by skilled workmen, so that they would finish at the same level. At one side of the ways on which the tables moved, near each end, was placed a swing-crane, which was double- and triple-geared, so that by means of it any stone that the machine was adapted to cut could be lifted by two men. The operations of cutting the stones on one table and removing the stones and setting others on the other table went on simultaneously, so that the cutting was never interrupted, except to change the tools and the tables. This last was done as follows: Each table, when the work on it was completed, was run rapidly backward or forward to attach it to the other table. It was then connected with this by a couple of hooks, and, the motion being reversed, pulled it into place under the tools, and in doing this took its own place under a crane, so that the work of removing the finished stones and setting rough ones went on continuously at one end or the other of the ways.

In addition to the machine I designed the building and the[12] whole plant and the plan of its operation, which moved like clockwork. I made every drawing myself. The cranes I obtained in Rochester, N. Y., of a pattern which the builders made for railroads for handling heavy freight.

I bought from a stone-dressing company that had failed a rubbing machine called the Jenny Lind rubber, from the fact that it was started the same year in which that songstress was brought to the United States by Mr. Barnum. This rubbing-machine was quite a success. From a central vertical spindle a jointed arm extended in three lengths, each about 12 feet long. The sections of this arm were very deep, so that there was no sag at the end, where the rubbing-plate was driven by belting and could be moved from stone to stone around a circle of 36 feet radius. Half of this circle was sufficient for our use. I made only one change in this machine. The pulleys, two pairs on each joint, one at the top and one at the bottom, about two feet in diameter by three inches face, were of course horizontal. The makers were afraid the belts would fall off; so they made these pulleys with two square grooves, ¹⁄₂ inch wide by ¹⁄₄ inch deep, in their faces, and had corresponding strips of leather sewn on the belts to run in these grooves. I threw all these away and substituted ordinary pulleys with their faces slightly crowning. Never had the least trouble. Indeed, these pulleys did better than I expected. I supposed the belts would need to be taken up occasionally, on account of becoming stretched, but they did not. Perhaps they would have done so if the strain on them had been greater. This rubbing machine resembled the stone-dressing machine in one respect: everything about it was arranged for continuous operation and the largest output.

The business was carried on the first season under the management of Mr. John McClave, a master stone-cutter, and the second season under the management of the firm of Brown & Young, stone-cutters. Mr. Hugh Young, of this firm, has since been prominent in the stone-cutting business in New York.

The machine was found to possess a remarkable advantage over hand work. The sun was called by stone-cutters “the great revealer.” When its rays fell at a small angle on a surface finished[13] by hand they showed very considerable irregularities. The same test showed work in the machine to be true planes. It won a high reputation; stone-cutters were anxious to get their surfaces done in the machine, and we had more work offered us than we could do.

The following incident illustrates the favorable impression made by the machine upon everyone who witnessed its operation:

At a meeting of the Directors of the Company at which I was present Mr. Daniel S. Miller, a gentleman somewhat prominent in financial New York, was late. He made the following explanation. “I thought that before the meeting I would visit the stone yard and see how the work was going on. I stayed longer than I had intended, and I want five thousand dollars more of the stock of this company.”

We were much elated over our success, and plans were made for enlarging the business. I completed the drawings for an additional machine, wide enough to take in platforms, for which provision had been made by me in the plan of the building. The only change suggested by our two years’ experience was the use of air-cushions behind the hammers in place of steel springs.

But the best-laid schemes o’ mice an’ men, the poet tells us,

“Gang aft a-gley;
And leave us naught but grief and pain
For promised joy.”

Our plans were suddenly ruined. A change in the method of facing ashlar was introduced and soon became universally adopted. Instead of being faced by hand, it began to be sawn out of large blocks. I have since wondered why this had not been done long before. Blocks of marble had been sawn into slabs by gang-saws no one knows how long, and all that had to be done was to apply the same system to blocks of building-stone. It was found to cost no more to saw ashlar than it had done to split it out at the quarry. All the cost of facing and much stone were saved. Our stone-cutting machine became useless, and I learned that disappointments were not confined to the legal profession.

[14]

The speed of 300 revolutions per minute had proved to be admirably suited for the machine. Familiarity with this speed in the running of the stone-dressing machine made me alive to the value of high rotative speeds in all cases to which they are adapted.

In looking back over this period I see that the success of the stone-dressing machine was due to the following causes:

First, I went about the work of facing stone by machinery in the natural way.

Second, the machine was superabundantly strong and substantial in every part.

Third, it was made with absolute mechanical truth.

Fourth, the speed was splendid.

Fifth, the blow was peculiar. In the Hastings machine the cutting-tool was driven into the stone. In mine it rested on the stone and was moved back horizontally by the feed. This changed slightly the angular position of the tool-holder, so that the blow was received by it at the lower edge of its back. This gave to the tool a motion forward and upward, so that the vertical effect on the stone was trifling.

This was the vital feature of my improvement, and that in a double sense; for it was only by convincing my associates beforehand that a machine operating in this manner could not break the stone that I was able to obtain their financial support.

Sixth, the two-faced hammer saved the stone from all unnecessary force of the blow.

The final cause of its success was the two-table system. The two operations of setting and cutting occupied each about the same time, and twenty tables each averaging thirty square feet of surface, measured after being squared up, were easily finished in a day of ten hours.

A description of some of the constructive methods employed by me may be interesting:

The bar of steel which was to be made into six separate tool-holders had to have eighteen sockets mortised in it. These were 1 inch square. I had made the tools with square shanks so as to insure their proper position. These mortises must be absolutely in line and of equal depth. These objects were accomplished as follows: A cast-iron angle-bar with planed surfaces was first bolted[15] on the table of the drilling-machine, and for drilling the holes the bar of steel was kept in contact with this angle-bar. A uniform depth was insured by employing a bottoming-drill with a collar formed on the shank. The drilling was finished when this collar rubbed on the steel bar.

I had this work done by Mr. Joseph Banks, whose shop was in a large building at the corner of Second Avenue and Twenty-second Street. Mr. A. S. Cameron, the inventor and manufacturer of the celebrated Cameron steam-pumps, was then an apprentice in that shop. Mr. Banks was an excellent mechanic, and I was greatly indebted to him for the accuracy of the work that I procured. He devised an expanding-drill to cut a groove at the bottom of these sockets, in which the chips from the slotting-tool made in squaring the holes would come off. The finishing slotting-tool I designed myself. I had noticed in all slotting-machines that came under my observation at that time that the tool would spring off a little at the commencement of the cut, so that a full square angle was never obtained. To avoid this defect and to size the slots equally I made a slotting-tool to cut on opposite sides. The cutting edges were each about ¹⁄₈ inch long and the corners rounded. The bar for the tool-holders had to be set three times on account of its length. It was set in contact with the same angle-bar, which was bolted on this table parallel with its transverse feed. This finishing-tool being once set, the upper and lower faces of all the sockets were thus readily finished in perfect line and with square edges. The tool being then turned at right angles to its first position, for which purpose its shank had been planed square, finished the sides of the sockets. These were identical in every respect, and any tool could go anywhere.

The springs behind the hammers were prepared with great care. I had large bars of spring steel reduced under a tilt-hammer to a section ³⁄₈ inch square. These were coiled with only ¹⁄₄ inch space between the coils, so that in case a spring broke within the hammer it could not get out of place. These springs were exceptionally durable. We took off the back cross-bar occasionally—perhaps once a month—to examine for broken springs, and sometimes we found one, which was replaced with a new one because we assumed that it was fatigued, but the hammers[16] worked just as well with broken springs as they did with whole ones. The springs, having considerable initial compression, did not become loose.

It seems proper to add that, except the help from Mr. Banks, I did not in designing the machine or organizing the work receive assistance or suggestion from anyone.

With these details I bid a final good-by to you, my old schoolmaster. I have a warm place in my heart for you. You set me my first lessons in mechanics. Your life was short. You were not ordained to cut much of a figure in the world. But you were faithful. You always did your work and did it well.


[17]

CHAPTER II

The Evolution and Manufacture of the Central Counterpoise Governor. Introduction of Mr. Richards.

W

When the stone-dressing machine was started a difficulty presented itself. The governor was in constant motion a short distance up and down, causing the engine to oscillate, running alternately too fast and too slow. There was nothing that should have caused this action, so far as I could observe. The load on the engine was constant. However the work done on the stone may have varied, the work of the engine was to lift the hammers, and these, being lifted successively, presented a uniform resistance. The oscillation was not very great, as nearly as I can remember about 12 per cent. of the speed; which would give to each hammer a variation of thirty-six blows per minute. This, however, produced a waving surface on the stone. The more rapid the blow, the stronger it was and the deeper the cut. These waves were slight, only about ¹⁄₅₀ of an inch variation in depth, but yet it was not possible for our rubbing-machine to grind them off without great loss of time. So we had to employ three or four stone-cutters to chisel off these ridges, which were about 4 inches apart.

It was evident that this oscillation must be stopped. I tried to remedy it by changing the pressure of the steam, and then by changing the pulleys so as to run the engine faster, the speed of the governor, however, necessarily remaining the same. But these had no effect. Having exhausted my own stock of ignorance on the subject, I applied to professional experts for more, and I got it. Three persons, who I supposed ought to know, and who probably did know, all that was then known on the subject, gave me the same advice. It was that I should get a larger engine and a[18] great deal larger fly-wheel. This advice did not seem to me reasonable. I knew that the engine was large enough, because while the governor was in the lowest position, in which it did not open the throttle entirely by any means, the machine ran too fast. They then told me I must have a heavier fly-wheel at any rate, and they explained to me that the fly-wheel performed two offices—one to carry the crank over its dead centers with an approximately uniform motion, and the other to give the governor time to act. I replied that the engine passed its dead centers with absolute uniformity then, as nearly as I could see, and as was shown by the surface of the stone, and consequently for that purpose the fly-wheel I had must be sufficient. The oscillations were regular, occupying about 30 revolutions of the machine, or 6 seconds of time, and had no connection with the dead centers, and I did not see why the governor should require any time to act. They told me that all governors required time to act, of course.

I then examined the governor more critically, and made up my mind that its action was hindered by friction in the driving-joints at the top of the spindle. These joints were about 4 inches apart, on opposite sides of the spindle, and were of a character in which the force transmitted through them to drive the balls produced a pinch between the broad faces of the joints. The governor could not act until by change of its speed it had accumulated force enough to overcome this pinch, and then it moved too far. Again I applied to my authorities for some way of getting rid of this friction. They told me that was easy enough. All I had to do was to put a yoke on the governor spindle, through which the governor arms were threaded and by which the driving pressure was applied close to the balls. So for the first time I took their advice and had a yoke put on the governor. I could not discover that this helped the matter at all. The improvement was too trifling to be noticed. I also saw clearly enough why this was so. The pressure applied was lighter than that applied through the joints, but it was also applied at a correspondingly increased distance from the axis, so that the effect in retarding the action of the governor was substantially the same.

I saw that if I got any relief I must find a way to it myself. So I began studying the subject of governors. My engineering[19] library at that time consisted of Haswell’s Engineers’ Pocket Book. What little book-knowledge I had respecting mechanics I had learned from Haswell. I turned to Haswell and read what he had to say about governors. I learned that they were conical pendulums and made half as many revolutions in a minute as the vibrations of a pendulum whose length was equal to the height of the cone, the base of which was the plane in which the center of oscillation of the balls and arms revolved, and its apex the point of intersection of the axes of the arms, if produced upward, and that their revolutions varied inversely as the square root of the height of this cone. I did not see that this got me out of my difficulty at all. I then referred to the subject of centrifugal force, with which I had made some acquaintance before, and I read this champion mind-muddler: “All bodies moving around a center or fixed point have a tendency to fly off in a straight line. This is termed centrifugal force.” This did not help me any more, nor interest me much at that time.

But I read further that the centrifugal force of a body revolving in any given circle varies as the square of the speed. “Thus a body making 10 revolutions per minute will exert four times as much centrifugal force as will be exerted by the same body making 5 revolutions per minute.” The governor on my engine was making 50 revolutions per minute, and in thinking the matter over it occurred to me that if the governor could be run as fast as my machine, namely, at 300 revolutions per minute, the centrifugal force of one pound would be as great as that exerted by 36 pounds at 50 revolutions per minute. I cried, “Eureka! I have found it.” One-pound balls in place of 36-pound balls would be easily driven. I told my experts of the great find that I had made, and they laughed at me. They told me I ought to know that the momentum of the balls increased in the same ratio with their centrifugal force, MV² being the expression common to both, so, in the same circle, while the centrifugal force of the balls at 300 revolutions per minute would be 36 times greater than at 50 revolutions, it would require also 36 times the force to drive them, and that I would gain nothing by my proposed change, but instead I would have to rotate also the weight that I would need to use to hold the small balls down, and the last case[20] would be worse than the first. This staggered me, and I pondered awhile what I should do.

I had a friend living near by on Fourteenth Street, west of Seventh Avenue—a Mr. Thompson, a mathematician and the author of a series of mathematical books then largely used. So I called upon him and stated my trouble and asked his advice. He illuminated the subject to me as follows: “You seem to be a persevering young man; keep hard at it and you will solve the difficulty by and by.”

In my despair I just had before me this one thought: The friction must be cured at any rate. After a time I thought that if I made a long joint at the top embracing the center of gyration of the counterpoise, so that the pressure required to drive the balls and counterpoise would be applied at some distance from the axis of the spindle and for that reason would be much lighter, and also would be normal to the surface of the joint-pin instead of being a pinch between opposite faces, the difficulty would be cured, as the force to overcome the friction would be exerted at the ends of levers 50 or 100 times the radius of the pin. I felt so sure of this that I risked making a governor with a single joint at the apex of the cone, as originally employed by Watt, thus making the governor more sensitive, as the height of the cone would not be changed at both ends, still fortunately holding to my little balls and high speed, though I cannot tell why. The joint at the top I made 6 inches in length.

When this governor was started, the trouble absolutely vanished. The engine ran with perfect uniformity while the load was constant. I use the adjective “perfect” advisedly, for the governor slide was as motionless on the spindle as if it were screwed tight, and the governor proved to be the most sensitive possible index of the variations of speed. When the belt was thrown off to the loose pulley the engine ran idle. The counterpoise then rose promptly but gently to its fixed highest position, and stood there motionless until the belt was thrown on and the hammers were started, when it moved as gently but promptly down to its lower position and stood there again motionless so long as the hammers were running. We could not detect by the eye the variation in speed that caused this action of the governor. The heaviest load[21] on the engine, however, was dragging rapidly the two tables loaded with stone. This caused the governor to settle still further, but always the motion of the engine seemed to be the same so far as I could detect. The surface produced on the stone left nothing to be desired. The machine cut true planes, free from any windage, and the surfaces were left so smooth that the rubbing-machine had but little to do, and kept up with the cutting-machine very easily. The governor fascinated everybody who witnessed its operation.

The First Porter Governor.

I first made the drawing for the governor with the weight hanging to the slide. Mr. John McLaren, a machinist who had done[22] good work for me, when I showed it to him said, “Why don’t you turn your weight upside down and put it between the arms?” I was not long in acting upon this suggestion, and that made the Porter governor complete. I had it described and illustrated in the Scientific American. They took a photograph of it as photographs were taken in those days—that is, they sent their artist up to make a sketch of it, and this sketch (shown here) and description will be found in the Scientific American of October 9, 1858. This governor has never been changed by me except in the shape of the counterpoise.

I believed the mathematics of my advisers to be sound, and that the perfect action of the governor was obtained entirely by the long driving-joint, which I supposed would have enabled the 36-lb. balls at 50 revolutions per minute to do just as well as 1-lb. balls at 300 revolutions, but I never tried the experiment.

In that belief I remained for 50 years. Now, at the age of over 80 years, after long rest from business activities, in revising these reminiscences for publication, the idea has first occurred to me, and has grown into a conviction, that my advisers were wrong here as they had been in every other respect. They overlooked the fact that the angular velocity of the driving-joint increased equally with that of the balls, so that the ratio between them would remain constant. The law that the driving force required increases as the square of the speed imparted applies only to the original source of power, as, to the force of the steam exerted in the cylinder of an engine, the motion of the piston remaining the same, and to the transmitting belts or gears whose speed also remains the same. At all these points the force exerted must increase as the square of the speed imparted; but this does not apply to the pressure exerted in the governor joint. Its speed does not remain the same, but increases with that of the balls. So, while the centrifugal force of the balls, changes in which produce the vertical movements of the counterpoise, varies as the square of the speed, the force required to be exerted in this joint to drive the balls, and which produces the friction to retard these movements, does not increase at all, whatever the speed of revolution may be. This fact, unobserved by me or any one else so far as I ever heard, has all the time been the secret, a pretty open[23] secret when once seen, of the surprising combination of sensitiveness and stability in the action of this governor which has led to its general use, and at which I myself have never ceased to wonder because I was ignorant of its cause. This, however, was not the only time that I builded better than I knew.

I can imagine some persons, after having read the above explanation, to say, some of them perhaps flippantly, and some possibly sneeringly, “To a properly educated engineer this is obvious at a glance.” I think it will be so hereafter, but has it been so hitherto? If any one will produce the record of its observation I will cheerfully yield to him the priority and will congratulate him upon it.

Some things, however, make me doubt if this observation has ever been made. At the London Exhibition of 1862 this governor attracted much attention from its novel appearance, rapid rotation and remarkable action. Many engineers spoke to me about it. In their conversation I observed two things: first, no one ever asked me a question, but every one explained its action to me; and second, while each had an explanation of his own to make, they all agreed in a fundamental respect. Their minds ran in the same groove. They considered the governor only in its theoretical action. No one ever took notice of the incident of friction, which was the controlling factor. An improved governor was in their view one contrived in some way to free the governor from the limitation to its action, which is imposed by the law of the conical pendulum, and every one explained to me how my governor was adapted to do this.

The following illustrates this universal view among English engineers:

In the Appendix to the 10th edition of Rankine’s “Manual of the Steam-engine and other Prime Movers,” published in 1882, one reads as follows: “Isochronous governors. The ordinary governor is not isochronous; for when, in order to adapt the opening of the regulating-valve to different loads, it rotates with its revolving pendulums at different angles to the vertical axis, the altitude of the cone assumes different values, corresponding to different speeds. The following are expedients for diminishing or removing this defect.

[24]

1. Loaded Governor (Porter’s).—From the balls of the common governor, whose collective weight is (say) A, let there be hung by a pair of links of lengths equal to the pendulum arms, a load, B, capable of sliding up and down the spindle, and having its center of gravity on the axis of rotation. Then the centrifugal force is that due to A alone, and the effect of gravity that due to A + 2B; consequently the altitude for a given speed is increased in the ratio A + 2B : A, as compared with that of a simple revolving pendulum; and a given absolute variation of altitude in moving the regulating-valve produces a smaller proportionate variation of speed than in the common governor.”

That is the whole of it. Respecting this I have to say:

1st. The vertical motion of the counterpoise (variation of altitude), if the links had also a single joint at the bottom, could not be either more or less than twice that of the balls, which equal lengths of the arms and links give also in the common governor, so in this respect the governor is no improvement.

2d. No notice is taken of the small size of the balls or of the speed of rotation.

3d. Professor Rankine is not responsible for this absurd piece of reasoning.

4th. It only shows how far the English engineering mind has been from considering the subject of hindrance to the governor action from friction.

My governor works within the law of the conical pendulum. I never dreamed of attempting in this form of governor to avoid it. In fact it is this law which gives to the governor its action. A change of speed is necessary to produce a motion of the counterpoise. But as the governor was designed by me, this change of speed is very small, probably no more than is required for stability, and is not sensible in any way except in the motion of the counterpoise itself, which is simultaneous with the most minute changes of speed.

Quite a variety of modifications of this governor are being made in this country, but I think not elsewhere. The makers have been kind enough to invent the name “the central counterpoise governor.” For this I feel greatly obliged, as I should be mortified to find my name attached to any of them. Their action[25] is always more or less unsatisfactory, sometimes very much so. But I do not think it likely that the secret of the remarkable action of the Porter governor has been detected by any of these people.

I am glad that this was not explained to me at first; if it had been I might not have thought of the single long driving-joint, which is a valuable feature.

When the stone-dressing machine proved to be valueless, as already described, I found myself out of business; but the governor had attracted so much attention and had been so favorably received that I thought I could establish a business of manufacturing these governors, and I am proud to say that the gentlemen already associated with me and who had lost their money in the abandonment of the stone-dressing machine were so decidedly of the same opinion, and I had won their confidence to such an extent, that they furnished the money to enable me to establish this manufacture.

I rented a shop on the second floor of a triangular building on Thirteenth Street, at the junction of Hudson Street and Ninth Avenue, owned by Mr. Herring, the safe-manufacturer, the lower part of which was occupied by him for his own business. This was a large room and had light on three sides.

I proceeded to equip this shop with the necessary tools, some of which I purchased of Mr. Freeland, then considered the best toolmaker in the United States, and who had gone to England and worked for some years as a journeyman in the celebrated Whitworth Works, in Manchester, for the purpose of learning everything that was known there. Those which Mr. Freeland could not supply I obtained from Geo. S. Lincoln & Co., of Hartford, Conn.

During the time these tools were building I was waited upon by Mr. Chas. B. Richards, who was then removing from Hartford to New York to establish himself as a designer of machinery, and who brought me a letter from Geo. S. Lincoln & Co. I was at that time engaged in scheming as well as I could a machine for drilling the arms and balls and counterweight and spindle of my governor, and immediately employed Mr. Richards to assist me in getting out the drawings for this machine. This he did quite to my satisfaction,[26] and the machine was made by Geo. S. Lincoln & Co., Mr. Pratt, for so many years head of the firm of Pratt & Whitney, afterwards the Pratt & Whitney Company, being then their foreman; so that all my tools from that concern were made by Mr. Pratt. He also cut for me superb iron patterns for the governor gears.

This machine always interested me very much. It solved every problem which was involved in the perfect and rapid performance of these operations. It had two parallel spindles running horizontally in the same plane, one fixed and the other adjustable. Distance pieces laid between the spindle heads insured the equal length of the arms of all governors of the same size. The table was made with a back to it, so that, a parallel block being laid on the table behind the arms, these were always brought in position parallel with its back. The arms were supported on blocks of proper height. These provisions insured that the joint-holes, which were drilled simultaneously, should intersect the axes of the arms and of the balls and spindle at right angles. This machine fitted up all the governors that I ever made. I gradually built up an excellent business in their manufacture, on account of the extreme pains taken to produce perfect work, so that the governors always gave the highest satisfaction.

I think of only one instance to the contrary. I sold a governor to Mr. Winslow, of Troy, afterwards of the firm of Corning & Winslow, the first manufacturers of Bessemer steel rails in this country under the inspiration of Mr. Alexander L. Holley. Soon after this governor had been shipped I received a letter from Mr. Winslow telling me that the governor would not answer at all, and I should come and see about it. I found the governor had been placed on a second-hand Burden engine, which was a well-known type of horizontal engine at that time, made in Brooklyn. The engine had been built to make 50 revolutions per minute, but being a great deal too large for their use they had reduced the speed to 25 revolutions per minute, and the complaint was that every time the crank passed its centers the governor dropped to its seat. I told them what I thought the difficulty was; that any one could see that the engine very nearly stopped as the crank passed its centers, and the governor had to drop. To show them this action, I disconnected the governor from the valve and throttled the engine by hand, and showed them that the governor, when not connected with the throttle-valve, rose and dropped on every stroke, in the same way as when connected. They asked me what I was going to do about it. I told them I should do nothing about it; that I presumed they might possibly get a governor somewhere that would stand that alternation of speed without winking, but they had better send mine back, because it was not made for any such service.

Charles B. Richards
A.D. 1858

[27]

The following is an amusing illustration, doubtless an extreme one, of the degree in which the lay mind may be incapable of mechanical perception. My governors were usually set on the engine bed of horizontal engines near the shaft, and were connected with the throttle-valve over the cylinder by means of a bell-crank lever and a long rod. One day a gentleman called to make a personal examination of the governor and its manufacture, with a view to investing in the business. I showed him a governor in action on the testing platform, and a woodcut on my circular which represented the governor in its position, as above described, with a short piece of the connecting-rod attached to the lever. He looked at this cut intently for some time, and then, putting his finger on the broken-off end of the little rod, said, “Ah, I see; the steam enters there.” I made no reply, and he was so much pleased with his own penetration that he invested at once.

I know of only one case in which this governor needed the help of a dash-pot or controlling vessel. In the great plate-mill of the Otis Works, in Cleveland, when the enormous mass of steel struck the rolls, the governor dropped sharply to its seat, and jumped as sharply to the upper limit of its action when this mass was shot out. Mr. Wellman, their general manager, suggested to me an elegant arrangement of air-chambers at the top and bottom of a cylinder, which permitted free motion to the governor through its whole range of action, but cushioned it on confined air at the ends.

For several years I made the counterpoise of the governor in the form of a vase. The present form with hemispherical top was suggested by Mr. Whitworth in 1866, and shown by me in the Paris Exposition of 1867. It has three advantages. It is[28] more readily turned with a circular tool-rest, and it contains more metal and looks more mechanical.

I exhibited the governor in operation at a fair of the American Institute held on Fourteenth Street between Sixth and Seventh avenues, New York City (where the armory of the Twelfth Regiment now stands), making an arrangement with an exhibitor of an engine for that purpose. I remember that Mr. George H. Reynolds, then an engineer in the works of Mr. Delamater at the foot of West Thirteenth Street, as he passed it with a friend a day or two after it was started, remarked in my hearing, “It will take a horse-power to drive that governor.” It would not do to let any such nonsense get around as the opinion of an engineer, so the next morning the governor was driven by a belt ⁵⁄₈ of an inch wide, and continued to be so through the fair. I was sorry afterwards that I did not use a half-inch belt, which would have driven it just as well, and indeed I think even a narrower belt would have done, as the foot of the spindle was of hardened steel, a segment of a sphere, running in a puddle of oil in a hardened step cupped to a larger radius.

The funniest application of the governor I ever made was the following: The Civil War had just broken out, and every Yankee was making some warlike invention. The most ridiculous of all was a centrifugal gun. A company was formed for its manufacture. The shot, about an inch in diameter, was fed in at the center of a swiftly revolving wheel and thrown out through a barrel at the periphery, with a velocity that, it was estimated by the inventor, would carry it about two miles. This velocity was to be got up in about one second. The governor would not act quickly enough, and the engine was stopped. The parties heard of my governor, and ordered one, offering to pay for it in a tempting amount of their stock. I preferred the cash and got it. The governor filled the bill, the shot was delivered, the velocity of revolution not falling sensibly, but we judged by the sharp fall of the counterpoise that it required not less than twenty horse-powers to do it.

The gun was tried on the bank of the Hudson, the Palisades opposite being the target. The inventor declared that every shot hit the mark, but some evil-minded persons insisted that they[29] fell into the water within a quarter of a mile of the shore from which they were fired.

About the same time the absurdity of sending into the field a tank of water, a boiler, an engine and the gun, on separate wheels, connected by pipes or belting, which would be ruined by the least damage to anything, began to dawn on the enthusiasts, and the thing was abandoned.

I furnished one of my first governors to Mr. James Horner to regulate a rolling-mill near Boonton, N. J., a sale which is worth recording. This mill was employed in rolling steel pretty high in carbon into rods for making gimlets, and the three-high train had not yet issued from the brain of Mr. Fritz. The rolling was slow work. The resistance brought down the speed of the engine before the governor could act, and they could have only one pass in the rolls at a time. The workmen had to carry the end of the rod around and insert it in the next groove after it had run out of the former one. The rod would be black before it was finished, and often it was difficult to get it finished at all. I do not know of any change that so much impressed me at the time as did that which followed the putting of my governor on this engine. The full speed was kept up, the billets seemed to rush through the rolls, two and even three passes could be in them at the same time, and the rods were still at a dull red heat when finished.

This success induced me to make a raid on Pittsburg. I found there very different conditions. They then rolled nothing but iron, so far as I saw or heard. In the first mill I visited, after I had discussed the subject with one of the proprietors, an old man came up to me and said, “Do you see that chair? I have sat in that chair twenty-four years.” The chair corroborated his story. “I watch the rolls; when a bar enters them, I turn on more steam; when it goes out I shut it off. If you put in a governor that will do as well, I shall be discharged. I don’t know how to do anything else; I have a family dependent on me, and I don’t know what I should do.” I did not hesitate long about what I should do. I could not improve on the old man’s action. He regulated the speed perfectly. The only result of my success would be to beggar him. Superseding hand labor by machinery I did not in this particular case care to be responsible for. I concluded that[30] the Pittsburg way was good enough for them, and took the next train for home.

The first governor I sold was to Mr. William Moller for his sugar-refinery on Vandam Street. The engine to be regulated was an old-fashioned beam-engine. The governor was to be set on a bracket that we had to bolt to the wall, and a pulley some 3 feet or more in diameter had to be made in halves and put on the shaft. To make sure that no mistake would be made, I went down myself to make a gauge of that shaft. I took a ³⁄₈-inch steel rod bent to span the shaft, and made of this an outside gauge with great care. Now this was not what I wanted, but I did not know it. I wanted an inside gauge, representing the diameter of the shaft, and what I did make was useful only to compare the two.

I returned highly satisfied with my work, leaving the real gauge to be made in the shop, where it could not be compared with the shaft. What might reasonably have been expected to happen did happen. In some unaccountable way something happened to my gauge, and when we went to install the governor we found the pulley had been bored ¹⁄₄ inch too small. We had to work hard all night, and got through only just in time for the engine to start at its usual hour in the morning. If I had sent a man who knew his business to make this gauge I should have avoided a lot of trouble, but I should not have learned anything.

In preparing for the establishment of the governor manufacture I visited the works of Geo. S. Lincoln & Co., in Hartford, and saw twist-drills in use, cutting chips instead of scraping. They attracted my attention and I inquired about them, and was told that they made them themselves. They kindly took me into the smith-shop and had one made for me to witness the operation. The smith heated a round bar of steel and swaged channels in it on opposite sides. They had quite a set of top and bottom swages for different-sized channels. He then took another heat on the bar and twisted it by hand, giving a gradually increasing twist, which at the end was quite rapid. An increasing twist was obtained in this way. The drill was held in a vise, so that only the projecting end of it could receive the amount of twist then being imparted. The drill had to be moved in the vise of course a number[31] of times. The channels were smoothed out with files, and when the drill was turned in the lathe sharp cutting edges were developed, which needed only to be backed off by grinding. I took one of these drills home with me to serve as a pattern and equipped my shop with them. They were of the highest use to me. The small ones drilled the holes for the governor joints, and the large ones drilled the counterpoise and the column for the governor spindle. I suppose the twist-drill had its origin in these Hartford works.

I never saw any twist-drills in England except at Mr. Whitworth’s, and these I thought were the funniest things I ever did see. They were twisted by the blacksmith out of square bars and with a uniform quick twist, were left rough, and did not fill the hole, and the ends were flattened out in the form of the common drill to scrape, and not to cut.

When I returned from England in 1868 twist-drills were coming into general use in this country. After 1876 the firm of Smith & Coventry introduced them in England.

At that time almost everything in machine-shops was done in the old-fashioned way, and accuracy depended entirely on the skill of the workman. The tool work left much to be done by the fitter. Interchangeability was unknown, even in screw-threads. For example, when nuts were removed from a cylinder head, pains had always to be taken that each nut was replaced on its own bolt, as no two were exactly of a size. This condition developed a class of very skillful all-round workmen; but my earliest observation showed me that in manufacturing it was important that so far as possible the personal factor should be eliminated. I adopted the rule that in mechanical work there was only one way to insure that anything should always be done right, and that was to make it impossible that it should be done wrong. For example, in my governor gears their true running required that the bore should be absolutely correct, both in position and in direction. I had seen many gears bored. They were held in the jaws of a chuck and trued by marking their projecting side when running with a piece of chalk. It was evident that absolute truth could hardly ever be reached in this way, and the approximation to it depended wholly on the skill and pains of the workman.[32] Besides, much time was lost in setting each wheel. These objections were much aggravated in the case of bevel-gears.

I met these difficulties in this way. In standardizing my governors I found it necessary to make eight sizes, but managed to use only three different pairs of gears. I made a separate chuck for each of these six wheels, the faces of which were turned to fit the top and inner ends of the teeth, the same surfaces to which I had seen the chalk applied. When the castings were received from the foundry the first operation on them was to bed them to their chucks, which were covered with a thin coating of red lead for this purpose. The workman was careful to remove only projecting imperfections without touching the true surfaces of the teeth. After this the gears, being held firmly to their chucks by means of a yoke, were bored rapidly and always with absolute truth. Result: their running was practically noiseless.

Mr. Freeland taught me the secret of producing true cylindrical surfaces by grinding with a wheel. It was to let the swiftly revolving wheel traverse the surface as it rotated, touching only the highest points, and these very lightly. This avoided the danger of errors from the springing of either the piece or the wheel, which under strong pressure is sure to take place to some extent, even in the best grinding-machines. I have found this delicacy of touch to be a most difficult thing to teach the ordinary workmen. They often manage to produce by grinding a surface more imperfect than it was before.

I took extreme pains to insure that the axes of the joint pins should intersect the axis of the governor spindle and those of the governor balls, and should be equidistant from the center of the counterpoise, these parts of the joints having been turned to true spherical forms by means of a circular tool-rest. For this purpose I employed a feeling-gauge, consisting of a cylindrical stem fitting the hole as drilled, with a curved arm projecting from this stem and terminating in a point that would rub on the external surface of the balls. By this means we almost always detected some slight inaccuracy, which was remedied by the use of a round file. The joint holes were afterwards finished with long reamers, the cutting portion of which was in the middle of their length. The front end of the reamer fitted the drilled hole and extended[33] quite through the joint, so guiding the cutting edges as they entered, and the back end of the reamer filled the hole that had been reamed.

I finally tested their alignment by bringing the last of the five joints together after the others had been united, when the forked link should swing freely to the ball without the least tendency in either direction from its exact place. This it always did.

Some time afterwards I adopted the plan of dispensing with heads and washers on the joint pins, reaming the holes in the central portions of the joint slightly smaller than those in the arms and making the pin a hard fit in the former. There was never any tendency for a pin to get loose in the running of the governor. I also at a later date cut the counterpoise in two a short distance above the joints, so that the mass of its weight did not need to be started and stopped when the speed of the governor changed. I could not see, however, that this was of any advantage, although when the governor balls were pulled around by hand no motion was imparted to the mass of the counterpoise. The action was apparently quite perfect before.


[34]

CHAPTER III

Invention and Application of my Marine Governor.

I

I was anxious from the first to produce a governor capable of being used on marine engines—which the governor already described could not be, as it needed to stand in a vertical position—and also one that should be free from the limitations of the conical pendulum. I gave a great deal of study to the subject, and after worrying about it—I am ashamed to say how long, for the principle when once seen is found to be exceedingly simple, being merely maintaining a constant ratio between the compression of the spring and the radius of the circle of revolution of the balls—I finally perfected my marine governor and tried it in my shop, running it from a hand-driven pulley, and found it perfectly isochronous. It was capable of being adjusted to be as nearly isochronous as we thought expedient consistent with stability of position.

This governor is represented in the cut that follows. The motion imparted was small, from ³⁄₄ to 1¹⁄₂ inches in the different sizes, but the governor was very strong. The balls are shown half expanded. Before expansion their circle of revolution is 10 inches diameter; when fully expanded it is 15 inches diameter; increase in diameter, and so in centrifugal force, 50 per cent. The spring has an initial compression given by the nut of 2 inches; additional compression imparted by the expansion of the balls, 1 inch, giving an increase of 50 per cent. in the resistance. So in every position of the balls the two forces are in equilibrium, at a constant number of revolutions per minute.

My friend Mr. McLaren had the job of making repairs on the vessels of the newly started North German Lloyd Line, and feeling[35] confident that my governor was what that line needed very much, he obtained from the agents in New York an order for me to put one on the steamer “New York” on a guarantee of perfect performance. This was the first steamship of this line. The chief engineer of the vessel, an Englishman, Mr. Sparks, told me in conversation that I could have no idea how anxious they were in the engineering department for my governor to be a success, because they had to throttle the ship by hand, and it seemed sometimes as though their arms would drop off before the end of their watch; but he was sorry to say that I could not do it, and he would tell me why. “We know when the screw is coming out of the water by the rising of the stern of the vessel, and we shut the steam off beforehand, and so when the stern goes down we know that it is going down into the sea and admit the steam to the engine beforehand. Now, your governor cannot tell what is going to happen. It cannot act until a change of motion has taken place which will be too late, and so I am sorry to say that you cannot succeed.” But in spite of his want of faith I obtained authority to attach the governor.

On returning from his first voyage with it, Mr. Sparks said to me: “I have nothing to say, Mr. Porter, except that we have sat quietly in our chairs all the voyage, which has been a very stormy one, and watched the engine moving as regularly as a clock, while the governor has been in a state of incessant activity.”

The captain joined with him in giving me the following testimonials:

“Steamship ‘New York,’
“Pier 30, North River.

To Mr. Chas. T. Porter:

“Sir: It affords me sincere pleasure to acknowledge the perfect success of your patent marine governor, as applied to the engines of the above ship.

“On our passage from Southampton we had an excellent opportunity of testing its merits fully, and I can assure you it had complete control over the engines at all times. Not the slightest racing occurred, nor any of those sudden shocks that happen with the best hand-throttling. It closed the valve at the right moment, and as freely opened it again, thus maintaining a uniform speed throughout.

“To the proprietors of steamships, or engineers having charge of[36] marine engines, I can confidently recommend this most valuable invention, wishing it the success so perfect a governor deserves.

“I am
“Respectfully yours,
“H. Sparks,
“Chief Engineer.

“May 30, 1861.”

“I cordially concur in the approbation of Mr. Porter’s governor, contained in the foregoing letter of the chief engineer. We had several days of bad weather on the last passage, and the ship, being very lightly laden, pitched excessively, so as to throw the screw at times entirely out of the water.

“The motion of the engines and ship was at all times perfectly steady; scarcely a jar was felt in the ship more than in calm weather.

“I would strongly recommend to all masters and engineers of screw steamships to use this governor.

G. Wenke,
“Master of the S. S. ‘New York.’

“New York, June 1, 1861.”

It may be supposed that with such an unqualified endorsement we would have no difficulty in obtaining many orders. In fact, so long as simple engines were used a good business was done in the manufacture of these governors, but when compounding came into use it was found that they regulated no more. The intermediate receiver held steam enough when admitted to the low-pressure cylinder to run the engine away when the screw came out of the water, and the use of marine governors entirely ceased, and the engines have ever since been allowed to race without any attempt to control them.

This governor was not, however, to vanish like the stone-dressing machine. About the time when the patent on it expired, its principle came to be utilized in shaft governors. I do not know by whom this application of it, which afterwards became so extensive, was first made.

The Porter Marine Governor.

On the “New York” I made my first and only observation on the subject of electrolysis. I was required to put in a special valve to be operated by the governor. I put in a throttle valve of steam metal in a cast-iron chamber. The spindle was of steel, 2 inches diameter, and the valve was secured on it by three steel[37] taper pins ⁵⁄₈ inch diameter at one end and ¹⁄₂ inch at the other. For some reason, what it was I have now no idea, on the return of the ship I took this valve chamber out of the pipe, and found something I was not looking for. The projecting ends of these pins, fully ¹⁄₂[38] inch long, had been completely eaten away in one round trip. I had to replace them with composition pins, which I always used afterwards.

Directly after the success of my marine governor on the “New York” I went West to attempt its introduction on propellers running on the Great Lakes. This journey resulted in the same financial success that I had achieved at Pittsburg; but some incidents make it interesting to me.

On taking my seat in a car for Albany I found my companion to be Mr. Hiram Sibley, afterwards the founder of Sibley College of the Mechanic Arts in Cornell University. When I lived in Rochester Mr. Sibley was sheriff of Monroe County, of which Rochester is the capital or shire town, and as a lawyer I was occasionally brought into some relations with him. We had not met in eleven years, but we instantly recognized each other. He was then enjoying the triumphant outcome of his amazing foresight and boldness, and he loved to talk about his experience, especially with an old Rochester man who had known his associates there. In fact, he entertained me all the way to Albany.

On the first burst of enthusiasm over the invention of the telegraph, companies had been incorporated in many of the States for the establishment of lines. These companies, it was found directly, could not even pay their running expenses, because their operations were confined to their respective States. Mr. Sibley was the man for the hour. He conceived the plan of buying up the stock of all these companies, which could be got for very little, and after this had been secured incorporating a company to operate throughout the United States. It is difficult now to put ourselves back to that time, when the vastness of such a scheme would take men’s breath away. Mr. Sibley succeeded in interesting the financial men of Rochester in the enterprise, and the Western Union Telegraph Company was formed. The story of his struggles to hold his subscribers, resisting the appeals of some of them for the sake of their families to be released from their obligations, was very amusing. He was obdurate and enriched them all.

A few years later Mr. Sibley conceived a plan for a telegraph line to San Francisco, and at his request a meeting was held of[39] parties holding large interests in the Western Union Telegraph Company to consider the proposition. This was referred to a committee, who in their report pronounced the scheme utterly visionary, and indulged in considerable merriment over its absurdity, and the proposal was unanimously rejected. Mr. Sibley then got up and said, “Gentlemen, if I were not so old a man I would build the line myself.” This declaration was received with peals of laughter. Then he got mad and shouted over the din, “Damn it, gentlemen, I’ll bar the years and do it”; and now he had done it. “And this very day,” said he, “I have been solicited by merchants in New York to let them have shares in California telegraph stock at the rate of five dollars for one, men whom I had almost on my knees begged in vain for help to build the line; but they could not get the stock.” I asked him, “Don’t you have trouble from the Indians?” to which he replied: “The Indians are the best friends we have got. They believe the Great Spirit is in that wire; in fact, they know it, for they have seen him. The linemen had shown them the electric sparks. The only trouble we have had has been from the border ruffians of Missouri. We are now building a line through Iowa, around the State of Missouri.”

On arriving at Buffalo I called first upon the firm of Shepard & Company, who were the largest builders of engines for the lake steamers. I did not succeed in persuading them that it would be for their advantage to add to the cost of the engines they were building, but they were very courteous and advised me to apply to the companies owning the boats. I did not make much progress with them, but the matter was left open for further consideration on my return from Chicago. An official of one of the transportation companies showed me over a new boat. I saw a valve in the steam-pipe at some little distance from the engine, and asked him what it was. He told me that was the cut-off. I asked him, “Why not place it on the boiler?” He did not see the humor of the question, but replied to me quite seriously, “Because it is a part of the engine.”

At the Shepard Works I said to the gentleman who conducted me over the works, “I see you use the Corliss valve.” “Corliss valve, indeed!” said he. “Come with me.” He then showed me[40] their own engine driving the shop, and fitted with the same valve, cutting off, of course, at a fixed point. He said to me: “That engine has been running in that very spot more than twenty years. Mr. Corliss once visited these works, and I showed him around just as I am showing you around. He was very much interested in the valves we were making, and asked me a great many questions about them. It was not very long afterwards that we began to hear from Providence about the Corliss valve.”

I went on to Chicago, arriving on a Saturday afternoon. I went to the house of an uncle, the Rev. Jeremiah Porter, who was a man of some local prominence, having been the first missionary sent by the American Home Missionary Society to Fort Dearborn, which stood where Chicago is before Chicago was. I expected to set out Monday morning to look for customers, but I changed my mind, for that morning the telegraph brought the news of the battle of Bull Run, which had been fought the day before, while I was in church hearing my uncle preach. I did not think any one would have much heart for business for some time to come, so hurried back home as fast as steam could take me, not stopping in Buffalo.

Some years afterwards I had an amusing experience in attempting to introduce my governor into the British navy. I called upon Mr. John Penn, to whom I had sold one of my stationary governors for his own works and who had become very much interested in the Richards indicator, and I thought he would surely adopt my marine governor. He told me, however, that he must set his face against it like a flint, and explained as follows: “I do business entirely with governments, principally the English government, and I come in contact with the official mind, and I have to adapt myself to it. Should I put one of your governors on an engine, my competitors would say: ‘Mr. Penn is afraid to send his engines to sea without a governor, they are made so delicately. Our engines, gentlemen, do not require any governor,’ and they would take all the orders.”

Marine-engine builders generally did not seem to appreciate this governor. While in Manchester I had an inquiry from Caird & Co. of Greenock, the builders of the engines for the “New York,” and indeed of the entire ship. They asked the price of my[41] smallest marine governor. I inquired the size of the vessel for which it was wanted. Their reply was brief. “None of your business. We would like an answer to our question.”

Some months after I received a letter from my foreman in New York: “Mr. Porter, what in the name of common sense did you put such a little governor on the ‘America’ for?” Caird & Co. had performed their contract to supply a Porter governor, and had left a suitable one to be ordered from my shop in New York.

Soon after the first arrival of the steamer “Kaiser Wilhelm der Grosse,” about 1900 (I forget the year), I obtained a letter of introduction to the chief engineer of that vessel, and called upon him for the purpose of asking him to favor me with indicator diagrams from its engines. In the course of conversation I said to him: “I have rather a partiality for this line, for I put my first marine governor on its first vessel, the old ‘New York,’ in ’61.” He replied to me: “I remember that very well, Mr. Porter; I was an oiler on that ship.” He had risen from that position to be chief engineer of the line. At that time the Germans were commencing to form a steam marine. They had not only to procure their vessels abroad, but also engineers to run the machinery. They set in earnest about this development, and took out of their polytechnic schools the brightest young men to put them on foreign-built vessels and in foreign shops to learn the business, with the wonderful results we are now witnessing, and the chief engineer was one of those lads. He said to me: “I have an acquaintance in your town, Montclair—Mr. Clemens Herschel,” a prominent civil engineer. “He was an old friend and fellow student of mine in the polytechnic.” About the diagrams, he said he would take a set for me on their next voyage. He kept his promise. I have the diagrams now, and very instructive ones they are.


[42]

CHAPTER IV

Engineering conditions in 1860. I meet Mr. Allen. Mr. Allen’s inventions. Analysis of the Allen link.

B

Before resuming my narrative, it seems desirable to present a brief sketch of steam engineering conditions forty years ago.

The science of thermodynamics had been established on the foundation laid in the experiments of Joule, determining with precision the rate at which, through the medium of water, heat is converted into dynamical force. This science was, however, as yet without practical results. The condensation of steam in the cylinder from the conversion of its heat into mechanical energy was unregarded. The same was true also respecting the far greater loss from the changing temperatures of the surfaces with which the steam comes in contact in alternately entering and leaving the cylinder. The action of these surfaces in transmitting heat from the entering to the exhaust steam without its doing any work was imagined by very few.

In the United States economy of steam was sought only by mechanical means—by cutting off the admission of the steam at an early point of the stroke in a single cylinder and permitting the confined steam to complete the stroke by its expansion. By this means a large saving of steam over that consumed in earlier practice was effected, and with this gain the universal disposition was to rest content.

America was eminently the land of the cut-off system, an early application of which was on steamboats. The earliest device for this purpose was the elegant Stevens cut-off, which still keeps its position on the class of boats to which it was first applied, though commonly modified by the Sickles improvement. In this[43] system the exhaust and the admission valves are operated by separate eccentrics on opposite sides of the engine, and all the valves have the amount and rapidity of their opening and closing movements increased by the intervention of wiper cams, those for the admission valves being very long and giving a correspondingly greater enlargement of opening. The valves were double poppet valves, moving nearly in equilibrium in directions vertical to their seats. This cut-off was found to be capable of improvement in one important respect. The closing motion of the valve grew slower as the valve approached its seat, and while the piston was moving most rapidly much steam passed through the ports at a lower pressure, and so a great part of its expansive value was lost. This was technically termed “wire-drawing.” To remedy this defect Mr. Sickels invented his celebrated trip cut-off. The valve, lifted by the Stevens wiper, was liberated by tripping the mechanism, and fell quickly to its seat, which it was prevented from striking forcibly, being caught by water in a dash-pot. The steam was thus cut off sharply and the economy was much improved. The pressure used in this system was only about 25 pounds, the vacuum being relied upon for the larger portion of the power.

On the Great Lakes a pressure of 60 pounds was commonly employed, and the valves were the four cylindrical rotating slide valves afterwards adopted by Mr. Corliss. What was called the cut-off was made by a separate valve located in the steam-pipe somewhere between the engine and the boiler.

On the Mississippi and its tributaries, much higher pressures were carried, condensers were not used, and the admission and release of the steam were generally effected by four single poppet valves, lifted by cams against the pressure of the steam.

On land engines Mr. Sickels’ invention of the trip cut-off stimulated inventors to a multitude of devices for working steam expansively. Of these the one of enduring excellence proved to be that of Mr. Corliss. He applied the trip cut-off to the rotating slide valve, and arrested the motion of the liberated valve by an air-cushion. This proved a satisfactory method, as the valve, moving in directions parallel to its seat, did not need to be stopped at a determinate point. Mr. Corliss applied the governor to vary[44] the point of liberation of the valve, and so produced a variable cut-off, which effected a large saving of steam and regulated the motion of the engine more closely than could be done by a throttle valve outside the steam-chest. This was by far the most prominent of the numerous forms of automatic variable cut-offs, to all of which it was supposed that the liberating feature was essential.

In England, when the steam was worked expansively, it was cut off by a separately driven valve on the back of the main slide valve, the point of cut-off being fixed; and the regulation was effected by means of the throttle. This system was also largely employed in this country.

The compound engine was unknown in the United States. I once saw at some place in New York City, now forgotten, a Wolff engine—a small beam-engine, which had been imported from England. It was visited as a curiosity by several engineers, and I remember Mr. Horatio Allen, then president of the Novelty Iron Works, remarking, “It is only a cut-off.”

In the south of England the Wolff system was used to a limited extent. I was much interested in the McNaught system, devised, I think, by the same Scotchman who first applied a rotating paper drum to the Watt indicator. The cotton and woolen mills, as their business grew, felt the need of additional power, but dared not employ higher steam pressures in their cylinders, because the beam centers of their engines would not stand the additional stress. McNaught provided an additional cylinder to carry a higher pressure, and applied this pressure directly to the connecting-rod end of the beam. The exhaust from this cylinder was taken into the old cylinder at the old pressure. This latter cylinder then exerted the same power it always had done. The stresses on the beam centers were not increased, but the power of the engine was doubled, and only a little more steam was used than before. This method of compounding was known as McNaughting, and became common in the manufacturing districts of England and Scotland.

There was one feature which was common to all engines in America and Europe, both ashore and afloat, and of whatever make or name, except locomotives. That was the piston speed, which varied only from 200 to 300 feet per minute. This last was[45] the maximum speed, to which every new engine, however novel in other respects, was made to conform.

I come now to the turning-point in my career, and the reflection forces itself upon me, how often in the course of my life incidents trivial in themselves have proved afterwards to have been big with consequences; and how events, sometimes chains of events, beyond my control, of which indeed I had no knowledge, have determined my course. The same must be the case in the lives of many persons, and the thoughtful mind cannot look back on them without being impressed by the mysterious interrelations of our being.

One morning in the winter of 1860-61, Mr. Henry A. Hurlbut, of the firm of Swift, Hurlbut & Co., wholesale dealers in hats at No. 65 Broadway, and who was interested in my governor manufacture, called upon me to tell me that a friend of his, Mr. Henry A. Burr, manufacturer of felt hat bodies at the corner of Frankfort and Cliff streets in New York, had been having trouble with his engine. He thought my governor was just what he needed, and asked me to accompany him to Mr. Burr’s office, where he would give me the advantage of his personal introduction. In the interview with Mr. Burr which followed, I did not have an opportunity to say a word. After Mr. Hurlbut had explained the object of our visit, Mr. Burr replied that he had had a great deal of trouble with the regulation of his engine, and had thought seriously of getting a Corliss engine in the place of it; but two or three weeks before the builders of the engine had sent him a very skillful engineer, and since he came there had been no further trouble, so he should not need my governor. He invited us to see his engine, in which—since it had been taught to behave itself—he evidently took much pride. We found a pair of beam-engines of 5 feet stroke, running at 25 revolutions per minute, made by Thurston & Gardiner of Providence. They had the usual poppet valves and the Sickels cut-off. This was made adjustable, and was regulated by the governor. At the time of our entrance, Mr. Allen, the new engineer, was engaged on the scaffold. Mr. Burr called him and he came down, and at Mr. Burr’s request explained to us the variable liberating mechanism and what he had done to make it work satisfactorily. The regulation did not appear[46] to me to be very close, and I made a determined effort to induce Mr. Burr to substitute one of my governors. I showed him a cut of the governor, and pointed out its combination of power and sensitiveness, but all in vain. He was satisfied with things as they were, and I went away crestfallen, having lost not only the sale of a governor, but also an opportunity for a triumph in a very important place. But I did not know to whom I had in fact been talking.

As we were leaving, Mr. Allen asked me if I would call some time and see him—he had something he thought I would be interested in. I called soon after. He told me he had a plan for a variable cut-off with positive movements, which he thought would avoid defects in the liberating gear. He had had it in his mind a good while, but did not think it could be used, because the governor could not handle the block in his link so as to maintain uniform motion, and he had been inclined to abandon the idea; but when he heard me describing my governor to Mr. Burr, it occurred to him that that governor would do it, and he would like to explain his plan to me. He had no drawing, not a line; the design existed only in his mind. He put down his ideas, as he fitly expressed it, with chalk on the engine-room floor, and that rude sketch represented the perfect system.

When his plan came to be analyzed, it was found that everything had been thought out and provided for, with a single exception afterwards provided by Mr. Allen, as will be described. But the wonder did not stop there. Mr. Allen had remedied the defect in the link motion of making a narrow opening for admission when cutting off early, by employing a four-opening admission valve of unique design at each end of the cylinder, and also by greatly enlarging the opening movements.

The four-opening valve required four seats in one plane, and it was important that these should be as narrow as possible. For this purpose Mr. Allen employed the Corliss wrist-plate movement to reduce the lap of the valve, and, by an elegant improvement on this movement, he made it available also to enlarge the openings. This improvement consisted in the employment of two rockers having a common axis and separate driving-arms, as well as driven arms, for each valve. The driving-arms were made to[47] vibrate a long way towards their dead points, and the increased opening movement in arc thus obtained was imparted directly to the valve. This combination of an enlarged opening with a reduced lap was perhaps the most surprising feature of Mr. Allen’s system.

The four-opening equilibrium valve, afterwards invented by Mr. Allen and since 1876 always employed, requires but two seats in one plane. These could therefore be made wider. The division of the driving-arm was then dispensed with, and the enlarged openings were obtained by increasing the length of the driven arms.

That this remarkable system of ports and movements should have been elaborated in the mind of a man who had no knowledge of mechanics except what he had absorbed in engine-rooms must stand among the marvels of inventive power.

The accompanying diagram represents the lines put down by Mr. Allen on his engine-room floor and since retained, except that it is now adapted to the more simple movement, with a single driving-arm on the rocker, as previously described.

The eccentric is formed on the shaft coincident with the crank of the engine, so that the two arrive at their dead points simultaneously.

The angular vibration of the line connecting the center of the eccentric with the trunnions of the link is the same as that of the connecting-rod.

The connecting-rod of the length always used by me, namely, six cranks, makes the piston velocity at the head end of the cylinder 40 per cent. greater than at the crank end. By this construction the valve velocities were made to vary in the same ratio.

A connecting-rod five cranks in length would increase this difference in piston velocities to 50 per cent., and one four cranks in length would increase it to 66 per cent.

After Mr. Allen had explained his plan to me, I expressed my confidence that my governor would meet its requirements, and observed that it would enable a variable cut-off engine to be run as fast as a locomotive. Somewhat to my surprise, he replied that he wanted his cut-off compared with the liberating cut-off turn for turn; that it had an advantage which he thought would cause it to be generally preferred at the same speed.

[48]

  RELEASE AND COMPRESSION
¹⁵⁄₁₆ OF THE STROKE
  PORTER-ALLEN ENGINE.
DIAGRAM OF ADMISSION-VALVE MOVEMENTS.
 
TO VALVE AT
CRANK END
MEAN POSITION OF ROD ¹⁄₂ CUT OFF
³⁄₈ CUT OFF
¹⁄₄ CUT OFF
¹⁄₈ CUT OFF
¹⁄₂ CUT OFF
³⁄₈ CUT OFF
¹⁄₄ CUT OFF
¹⁄₈ CUT OFF
  RADIUS OF LINK  
TO VALVE AT
HEAD END
 
A. POINTS OF ADMISSION AND CUT-OFF.
FOR DISTINCTNESS OF REPRESENTATION, THE THROW
OF THE ECCENTRIC IS SHOWN ¹⁄₄ THAT OF THE CRANK.
IN PRACTICE IT IS ONLY ¹⁄₁₂ THAT OF THE CRANK.

The Diagram Drawn by Mr. Allen on his Engine-room Floor.

John F. Allen

[49]

I was then ignorant of his state of mind on that subject, or of what had produced it. I learned these afterwards, and will state them here. In one of our interviews, in reply to my question as to what had led him to make this invention, he told me it was his experience when he was engineer of the propeller “Curlew,” a freight-boat running on Long Island Sound, between New York and Providence, which had a Corliss engine. He became impressed with what he thought to be a serious defect in the liberating system. The governor did not control the point of cut-off, but the point of release; this point being at the beginning of the closing movement of the valve, while the cut-off took place near the end of that movement. When the engine was worked up to nearly its capacity, as was the case in a ship, the port was opened wide, and quite an appreciable time elapsed between the release and the cut-off. During this interval the piston advanced considerably, and if the engine ran fast enough it might get to the very end of the stroke before the cut-off took place. He said that in smooth water they had no trouble, but in the open ocean, going around Point Judith, it was always rough, and sometimes in stormy weather the screw would be thrown quite out of the water, and the engine, having no fly-wheel, would race most furiously. The faster it ran the further the steam would follow, and was pumped out of the boiler very rapidly. Springs were employed to accelerate the closing movement of the valves, but in these cases they seemed to be of little use, and were continually breaking. He saw that this difficulty could be avoided only by a positive motion gear which would enable the governor to control the point of cut-off itself; and, accordingly, he set himself to work to devise such a system. We know now that this judgment, formed from observations made under very exceptional conditions, was not well founded. The difficulty in question does not practically exist in engines having fly-wheels and the present improved liberating gear, and running at moderate speeds; but the experience naturally made a deep impression upon Mr. Allen’s mind, and led to the invention of the positive motion system.

[50]

This he did not tell me at the time, so that I was at a loss to understand his reluctance to admit what was really the great value of his invention. However, I told him I would be willing to attempt its introduction, provided he would allow me to apply it at once to a high-speed engine; that being a field into which the liberating system could not enter. We had quite an argument on this point. I told him his invention interested me only because it would enable two or three times the power to be obtained from a given engine without additional stress on any part, the fly-wheel to be reduced in size, and the means for getting up the speed of machinery to be largely dispensed with. I represented to him also that a high-speed engine ought to be more economical and to give a more nearly uniform motion.

He finally agreed to my condition, and I took him directly to the office of Mr. Richards and engaged him to make an analysis and drawing of Mr. Allen’s system under his direction, and soon afterwards gave him an order for the plans for an experimental engine, 6×15 inches, to make 160 revolutions per minute.

As the diagram of the link motion was at first drawn, the center of the trunnions vibrated in an arc which terminated at points on the line connecting the center of the engine shaft with the ends of the rocker arms, and which in the diagram on page 48 is named “radius of link.”

I determined to work out this link motion myself on a large scale. For this purpose I drew a diagram in which the throw of the eccentric was 4 inches, and the distance from the center of the shaft to that of the trunnions of the link in their mid-position was 12 inches. I made a three-point beam compass. Two of these points were secured permanently on the beam, 12 inches apart. As one of these points traversed the path of the center of the eccentric, the other could be made to traverse the arc of vibration of the trunnions of the link.

I divided the former into 40 equal divisions measured from its dead points, making needle-holes in the circle, in which the taper compass-points would center themselves accurately. The paper was firm and the points of division were fixed with extreme care; and they lasted through all my experiments. I then set out 20 corresponding divisions in the arc of vibration of the center[51] of the trunnions. These showed distinctly the modification of the motion at the opposite ends of this vibration as already described.

The third point was adjustable on a hinged beam which could be secured in any position. I drew two arcs representing the lead lines of the link, or the lines on which the link would stand when the eccentric was on its dead points. The third point was now secured on its beam at any point on one of the lead lines, when the other points stood, one on the dead point of the eccentric and the other at the end of the trunnion vibration.

The apparatus was now ready for use, the corresponding points on the circle and the arc being numbered alike. By setting the first two points in any corresponding holes, the third point would show the corresponding position of that point of the link at which it was set. I thus set out the movements of six different points of the link, the highest being 12 inches above the trunnions. These represented the movements of the valves of the engine when the block was at these points in the link. The apparatus being firm, it worked with entire precision. To my surprise, it showed much the larger valve opening at the crank end of the cylinder, where the movement of the piston was slowest. That would not do; we wanted just the reverse.

I called Mr. Allen in and showed him the defect. After considering it a few minutes, he said he thought it would be corrected by lowering the trunnions, so that their arc of vibration would coincide with the line of centers at its middle point, instead of terminating on it. This was done, and the result was most successful. The lead was now earlier and the opening wider at the back end of the cylinder, as the greater velocity of the piston at that point required, and the cut-offs on the opposite strokes more equal. The link has always been set in this way, as shown in the diagram.

From this description of the link motion, it will be seen that the correct vertical adjustment of the trunnions of the link was an important matter. To enable this adjustment to be made with precision, and to be corrected, if from wear of the shaft-bearings or other cause this became necessary, I secured the pin on which these trunnions were pivoted to the side of the engine bed in the manner shown in the following figure. To hold the wedge securely, the surface of the bed below was reduced, so that the wedge was[52] seized by the flange. The correct position of this pin was determined by the motions given to the valves.

VERTICAL ADJUSTMENT
OF SUSTAINING PIN
FOR TRUNNIONS
OF THE ALLEN LINK

I now took a more prominent part myself in steam-engine design. I had got an idea from Mr. Sparks that took full possession of my mind. This was the exceedingly unmechanical nature of the single or overhanging crank. The engines of the “New York,” built by Caird & Co., of Greenock, were among the first of the direct inverted-cylinder engines applied to screw propulsion. They were then known as the steam-hammer engines, their leading feature being taken from Mr. Nasmyth’s invention. I am not sure but Caird & Co. were the first to make this application. The forward engine had a single crank. The vital defect of this construction became especially apparent in these vertical engines of large power. The stress on the cap bolts during the upward strokes and the deflection of the shaft alternately in opposite directions over the pillow-block as a fulcrum were very serious. Mr. Sparks told me that on his very first voyage he had a great deal of trouble with this forward bearing, and it caused him continual anxiety. He got into such a state of worry and apprehension that as soon as he reached New York he wrote to the firm: “For God’s sake, never make another pair of engines without giving a double crank to the forward engine.” The reply he got was, to mind his own business: they employed him to run their engines; they would attend to the designing of them. He told me not long after that he had the satisfaction of seeing every ship they built except his own disabled,[53] either by a broken shaft or broken pillow-block bolts. He attributed the escape of the “New York” from a like disaster to his own extreme care. They did, however, adopt his suggestion on all future vessels, and, moreover, added a forward crank and pillow-block to the engines already built. This they evidently found themselves compelled to do. I saw this addition afterwards on the “Bremen,” sister ship to the “New York.” The added pillow-block was supported by a heavy casting bolted to the forward end of the bedplate.

I went everywhere visiting engines at work and in process of construction, to observe this particular feature of the overhanging crank, which was universal in horizontal engines. In this class of engines, running slowly, its defective nature was not productive of serious consequences, because no stress was exerted on the cap bolts and the shaft was made larger in proportion to the power of the engine, as it had to carry the fly-wheel. But I was astonished to see the extent to which the overhang of the single crank was allowed. Builders seemed to be perfectly regardless of its unmechanical nature. First, the crank-pin was made with a length of bearing surface equal to about twice its diameter; then a stout collar was formed on the pin between its bearing surface and the crank. The latter was made thick and a long hub was formed on the back of it. I was told that the long hub was necessary in order to give a proper depth of eye to receive the shaft. This being turned down smaller than the journal, so that the crank might be forced on up to a shoulder, the eye needed to be deep or the crank would not be held securely. Finally, the journal boxes were made with flanges on the ends, sometimes projecting a couple of inches. Altogether, the transverse distance from the center line of the engine to the solid support of the shaft in the pillow-block was about twice what it needed to be. I also saw in some cases the eccentric placed between the crank and the pillow-block. Fifteen years later I saw a large engine sent from Belgium to our 1876 Exhibition which was made in this manner.

I determined at once that such a construction would not do for high-speed engines, and proceeded to change every one of these features. The single crank could not be avoided, but its overhang could be much reduced.

[54]

OLD AND NEW CRANKS
AND JOURNAL BOXES.

THE CRANKS ARE SHOWN IN
THE VERTICAL POSITION.

CRANKS AND TOP AND BOTTOM
BOXES ARE SHOWN IN SECTION.

The following sketches show the changes which were then made, and all of which have been retained. The inside collar on the crank-pin was dispensed with and the diameter of the pin was made greater than its length, the projected area being[55] generally increased. The shank of the pin was made larger and shorter, and was riveted at the back. Instead of turning the shaft down smaller than the journal to receive the crank, I made it with a large head for this purpose. The keyway could then be planed out and the key fitted above the surface of the journal, and the joint was so much further from the axis that but little more than one half the depth was required in the crank-eye.

Mr. Corliss had already discarded the flanged boxes. He also first made this bearing in four parts. The wear in the horizontal direction, the direction of the thrust, could then be taken up. For this purpose he used two bolts behind the front side box only. I modified his construction by making the side boxes wider and taking up their wear by wedges behind both of them, thus preserving the alignment. One wedge could also be placed close to the crank. The dotted lines show the width of the side boxes and the location of the wedges. The shaft was made with a collar to hold the bearings in place, and was enlarged in its body. The substitution in place of the crank of the entire disk carrying a counterweight completed these changes. This was the fruit of my first lesson in high-speed engine designing, which had unconsciously been given to me by Mr. Sparks. The oil passage in the pin was added later, as will be described.

I had another piece of good luck. I happened one day to see in the Novelty Iron Works the hubs being bored for the paddle-wheels of the new ship for the Collins line—the “Adriatic.” These were perhaps the largest castings ever made for such a purpose. I observed that they were bored out only half-way around. The opposite side of the hole had been cored to about half an inch greater radius, and three key-seats were cored in it, which needed only to be finished in the key-seating machine. The idea struck me that this would be an excellent way to bore fly-wheels and pulleys. As commonly bored, so that they could be put on the shaft comfortably they were bored too large, their contact with the shaft could then be only on a line opposite the key, and the periphery could not run perfectly true.

I adopted the plan of first boring to the exact size of the shaft and then shifting the piece about an eighth of an inch, and boring out a slender crescent, the opposite points of which extended a[56] little more than half-way around. The keyway was cut in the middle of this enlargement. The wheel could then be readily put on to the shaft, and when the key was driven up contact was made over nearly one half the surface and the periphery ran dead true. I remember seeing this feature much admired in London, and several times heard the remark, “I should think the key would throw it some.”

To prevent fanning I made the fly-wheel and pulley with arms of oval cross-section. These have always been used by me. They have done even better than I expected. They are found to impart no motion to the air, however rapidly they may be run.

Flanges on the Eccentric.

Flanges on the Strap.

As already stated, the Allen valve-gear required the position of the eccentric to coincide with that of the crank, so that these should pass their dead points simultaneously. To insure this and to make it impossible for the engineer to advance his eccentric, which he would be pretty sure to do if he could, I made the eccentric solid on the shaft. This also enabled me to make it smaller, the low side being brought down nearly to the surface of the shaft. The construction, moreover, was substantial and saved some work.

All eccentrics that I had seen were flanged on each side to keep the strap in place. I observed the oil to work out freely between the flanges and the strap. This action would of course be increased[57] in high-speed engines. So I reversed the design, as shown in the above sections of these two bearings at the top of the eccentric, putting the flanges on the strap instead of on the eccentric.

It will be seen that the more rapid the speed the more difficult it becomes to keep the oil in the first bearing, and the more difficult it becomes for it to get out of the second one. I ought to have adopted the same construction for the main shaft journal, but in all the years I was making engines it never occurred to me. I contented myself with turning a groove in the hub of the crank, as shown to prevent the oil from getting on the disk.

The problem of crank-pin lubrication at high speed at once presented itself and had to be met. I finally solved it in the manner partially shown on page 54. A wiper was bolted on the back of the crank, and from it a tube entered the diagonal hole in the pin. This always worked perfectly. This wiper and the oil cup are shown on page 230. Other devices have been employed by various makers of high-speed engines, but I always adhered to this one. It has the advantage of being equally applicable to double-crank engines. Aside from the above features, the design for my exhibition engine was made by Mr. Richards.


[58]

CHAPTER V

Invention of the Richards Indicator. My Purchase of the Patent. Plan my London Exhibition. Engine Design. Ship Engine Bed to London, and sail myself.

T

The subject of an indicator directly presented itself. Mr. Allen invited Mr. Richards and myself to his engine-room, and took diagrams for us with a McNaught indicator. This was the first indicator that either of us had ever seen. Indicators were then but little known in this country. The Novelty Iron Works made a very few McNaught indicators, almost the only users of which were the Navy Department and a few men like Mr. Ericsson, Mr. Stevens, Mr. Sickels, and Mr. Corliss. I told Mr. Richards that we must have a high-speed indicator and he was just the man to get it up for us. He went to work at it, but soon became quite discouraged. He twice gave it up. He could not see his way. I told him I was not able to make any suggestion, but the indicator we must have, and he had to produce it. After some months he handed me a drawing of an indicator which has never been changed, except in a few details. This important invention, which has made high-speed engineering possible, came from the hands of Mr. Richards quite complete. Its main features, as is well known, are a short piston motion against a short, stiff spring; light multiplying levers, with a Watt parallel motion, giving to the pencil very nearly a straight line of movement; and a free rotative motion of the pencil connections around the axis of the piston, which itself is capable of only the slight rotation caused by the compression or elongation of the spring. Elegant improvements have since been made, adapting the indicator to still higher engine speeds; but these[59] have consisted only in advancing further on the lines struck out by Mr. Richards. In fact, this was all that could be done—giving to the piston a little less motion, lightening still further the pencil movement, and making the vertical line drawn by the pencil more nearly a straight line.

DIAGRAM TAKEN SEPTEMBER 13, 1861,
FROM THE FIRST ALLEN ENGINE
BY THE FIRST RICHARDS INDICATOR.
ENGINE, 6 INCHES BY 15 INCHES,
MAKING 160 REVOLUTIONS PER MINUTE.
THIS CARD WAS RUN OVER TWENTY TIMES.

I took Mr. Richards’ drawing to the Novelty Iron Works and had an indicator ready for use when the engine was completed. The engine was made by the firm of McLaren & Anderson, on Horatio Street, New York, for their own use. It was set up by the side of their throttle-valve engine, and was substituted for it to drive their machinery and that of a kindling-wood yard adjoining for which they furnished the power. It ran perfectly from the start, and saved fully one half of the fuel. In throttle-valve engines in those days the ports and pipes were generally so small that only a part of the boiler pressure was realized in the cylinder, and that part it was hard to get out, and nobody knew what either this pressure or the back pressure was. I have a diagram taken from that engine, which is here reproduced.

The indicator was quickly in demand. One day when I was in the shop of McLaren & Anderson, engaged in taking diagrams[60] from the engine, I had a call from the foreman of the Novelty Iron Works. He had come to see if the indicator were working satisfactorily, and if so to ask the loan of it for a few days. The Novelty Iron Works had just completed the engines for three gunboats. These engines were to make 75 revolutions per minute, and the contract required them to be run for 72 consecutive hours at the dock. They were ready to commence this run, and were anxious to indicate the engines with the new indicator.

I was glad to have it used, and he took it away. I got it back after two or three weeks, with the warmest praise; but none of us had the faintest idea of the importance of the invention.

I remember that I had to go to the Novelty Works for the indicator, and was asked by Mr. Everett, then president of the company, if we had patented it, for if we had they would be glad to make them for us. The idea had not occurred to me, but I answered him promptly that we had not, but intended to. I met Mr. Allen at Mr. Richards’ office, and told them Mr. Everett’s suggestion, and added, “The first question is, who is the inventor, and all I know is that I am not.” Mr. Allen added, “I am not.” “Then,” said Mr. Richards, “I suppose I shall have to be.” “Will you patent it?” said I. “No,” he replied; “if I patent everything I think of I shall soon be in the poorhouse.” “What will you sell it to me for if I will patent it?” I asked. “Will you employ me to obtain the patent?” he replied. “Yes.” “Well, I will sell it to you for a hundred dollars.” “I will take it, and if I make anything out of it will pay you ten per cent. of what I get.” This I did, so long as the patent remained in my hands.

The success of the stationary and the marine governors and of the engine and the indicator fired me, in the summer of 1861, with the idea of taking them all to the London International Exhibition the next year. The demonstration of the three latter seemed to have come in the very nick of time. For this purpose I fixed upon an engine 8 inches diameter of cylinder by 24 inches stroke, to make 150 revolutions per minute, and at once set Mr. Richards at work on the drawings for it. I thought some of speeding it at 200 revolutions per minute, but feared that speed would frighten people. That this would have been a foolish step to take became afterwards quite apparent.

Joseph E. Holmes

[61]

That summer I made application for space in the London Exhibition of 1862, and soon after was waited upon by the Assistant United States Commissioner, Mr. Joseph E. Holmes. So far as the engine to be exhibited was concerned, I had nothing to show Mr. Holmes. The drawings were scarcely commenced. I, however, took him to McLaren & Anderson’s shop and showed him the little engine at work there and took diagrams from it in his presence, and expatiated on the revolution in steam-engineering that was there inaugurated, but which has not yet been realized to the extent I then dreamed of. It was evident that Mr. Holmes was much impressed with the assurance of the success of the new system that the perfect running of this first little engine seemed to give. I told him that the engine for the exhibition would certainly be completed, and on that assurance he accepted my entire proposed exhibit. I did not see him again until we met the next spring in London, under the somewhat remarkable circumstances hereafter to be related.

In spite of all efforts it was found impossible to complete the engine and have it tested before shipment as I had intended. Indeed, as the time approached after which no further exhibits would be received, two things grew more and more doubtful. One was whether the engine could be got off at all, and the other whether I could obtain the means to make the exhibit. Finally I managed to get the engine bed finished and immediately shipped it by a mail steamer.

A small, slow steamer chartered by the United States Commission and loaded with exhibits had sailed previously, carrying the assistant commissioner and a number of exhibitors and their representatives, who, until they reached their destination, remained in blissful ignorance of what happened directly after their departure.

But to return to my own movements. Mr. Hope one day said to me: “I understand you shipped your engine bed last Saturday; what did you do that for? You don’t know yet whether you can go yourself.” I replied: “If I had not shipped it then, I should lose my space and would have to abandon the exhibition altogether. If I find that I can’t go, the bed can come back.” I redoubled my exertions to get the remaining parts of the engine completed[62] and to raise the necessary funds. The next Saturday I shipped everything that was ready. On the following Monday, by making a large sacrifice, I realized a sum that could be made to answer, and on Wednesday I sailed on the Cunard steamer “Africa,” leaving to my reliable clerk, Alexander Gordon, long President of the Niles Tool Works, and now Chairman of the Board of Directors of the Niles-Bement-Pond Company, the responsibility of seeing that everything still wanting should follow as rapidly as possible.

I left, not knowing an Englishman in the whole island, to have the parts of an engine, the first one from the drawings and the first engine I ever made, brought together for the first time by I had no idea whom, and assembled and put in motion before the eyes of the world. But I had no misgivings. The engine had been built in my own shop, under my constant supervision, and by workmen trained to the greatest accuracy. The crank-pin I had hardened and ground by my friend Mr. Freeland. I knew the parts would come together perfectly. The result justified my confidence.

One incident of the voyage is worth recording. As we were leaving port we passed the “China,” the first screw steamer of the Cunard fleet, coming in on her maiden voyage.

We had some rough weather, sometimes with a following sea. I was much interested at such times in watching the racing of the engines, when occasionally both paddle-wheels would be revolving in the air in the trough of the sea. The feature that especially attracted my notice was that the faster the engines ran the more smoothly they ran. It was certainly a fascinating sight to see these ponderous masses of metal, the parts of great side-lever engines, gliding with such velocity in absolute silence. The question what caused them to do so it did not occur to me to ask.

Alexander Gordon

[63]

Being anxious to reach London as quickly as possible, after a tedious voyage of twelve days, I left the steamer at Cork, to go through with the mail. The custom-house inspectors first interested me. On the little boat by which the mail is transferred from the ship to the shore, two of the representatives of Queen Victoria were anxious to know if I had any liquor or tobacco in my trunk, these being the only dutiable articles. They were quite satisfied with my reply in the negative. A personal examination they never thought of. Truthful themselves, I moralized, they do not suspect untruth in others. Their next question was, “Have you got the price of a glass of beer about you?” I made them happy with a half crown, several times their modest request, and they stamped me as an American free with his money. I purchased a first-class ticket to London, and received the assurance that I should go through with the mail. I was the only passenger on the train of two coaches, besides the mail-van. It was late at night. The regular passenger-train had gone some hours before. Not being up in the English ways, I did not know how I might make myself comfortable, but sat up all night, dozing as I could. I did not sleep after two o’clock. In that high latitude it was already light enough to see fairly well.

After that hour the railroad ran through a farming country all the way to Dublin. I was amused with the queer shapes of the fields. These were generally small, and running into sharp corners, regardless of convenience in cultivation. They were separated always by hedges and ditches. A ditch was dug some two feet deep and three or four feet wide, the dirt was thrown up into a bank to correspond on one side, and on this bank was planted a hedge of hawthorn—“quick-set” they commonly called it. These hedges were of all ages, from those young and well kept to those in all stages of growth and dilapidation. I could have passed everywhere from field to field through breaks in the hedges, sometimes wide ones. I could not see of what use they were except for hunters to jump over. Saw occasionally a laborer’s cabin, sometimes a group of them. When an Irishman came out to sun himself, he always stood higher than the eaves of his thatched roof. Occasionally a more pretentious house would appear. These were all alike, painted white, full of windows, very thin from front to back, and looked like waffles set on edge. Never did I see a tree or a bush about a house to relieve the appearance of barrenness, but there were often small trees in the hedge-rows.

The railway station on one side of Dublin was about four miles from the station on the opposite side, from which a short railway ran to Kingston, a point a little distance south of Dublin, from which the channel boats crossed to Holyhead. There being[64] no other means of conveyance, I rode through Dublin in an open van sitting on the mail-bags. At the Kingston station an empty train stood waiting for the mails. The regular passenger-train had gone some time before, but the boat at Kingston was also waiting for the mail. I got into a carriage, having ordered my trunk put into the baggage-van, but was ordered out by the guard. I showed him my ticket, and was told that I would have to see the superintendent. That official appeared, and told me this train was for the mails. It had an empty passenger-coach. I showed him my ticket and told him the assurance on which I had bought it, that I should go through with the mails. He replied that the passenger-train had gone, I should have been here to take it. Said he was very sorry, but it was impossible. I got mad. My trunk stood on the platform. As nobody would touch it, I took it up and put it into the open door of the baggage-van myself. The superintendent ordered two men to take it out, which they did. I told him of my great anxiety to reach London that afternoon. All the reply he made was to repeat that he was very sorry, but it was impossible, and I was compelled to stand there and see that train move off, and fool away the whole day in Dublin. Does the reader want to know what the matter was? If he does not know already, he is as green as I was. I had not given the superintendent two and sixpence. But I had more yet to learn about England and the English, and much more serious.


[65]

CHAPTER VI

Arrival in London. Conditions I found there. Preparations and Start.

I

I reached London very early next morning, and drove directly to the lodgings of my friend, Mr. Wellington Lee, the only American resident in London whom I knew. These were on a short street extending from the Strand down to the river, a short distance west of Temple Bar, the ancient city gate, which was then standing. Who was Mr. Lee and what was he doing in London? These were questions in which I had an interest of which I was as yet entirely ignorant. The firm of Lee & Larned were the first successful designers of steam fire-engines in this country. More than seventy of these steamers had been built from their plans and under their direction by the Novelty Iron Works in New York, and the fire department of that city was completely equipped with them. One of their engines had been sold to the city of Havre, and Mr. Lee had gone over with it to test it publicly on its guaranteed performance. Mr. Amos, one of the senior members of the great London engineering firm of Easton, Amos & Sons, went over to Havre to witness this trial, with a view to the manufacture of these steam fire-engines in London. He was so much pleased that he determined to make the fire-engines, and engaged Mr. Lee to take the direction of their manufacture. So it came to pass that at this particular time Mr. Lee was in London superintending the first manufacture of his steam fire-engines by this firm.

After our salutations Mr. Lee said: “First of all I have something to tell you.” Before relating this, I must mention something that I knew before I sailed. About the time when the cargo[66] of United States exhibits started, the well-known Mason and Slidell incident occurred. These gentlemen, commissioners sent by the Confederacy to represent their cause before European governments, had sailed on a British vessel flying the British flag. This vessel was overhauled on the high seas by one of our cruisers, and the commissioners were taken off and brought prisoners to New York. Mr. Lincoln made haste to disavow this illegal proceeding, so singularly inconsistent with our own principles of international law, and to make all the reparation in his power. But a bitter feeling towards England was then growing in the Northern States, and in a moment of resentment Congress hastily passed a resolution repealing the law creating the Exhibition Commission and making an appropriation for its expenses, and Secretary Seward issued a proclamation dissolving the commission. The vessel carrying the exhibits had been gone scarcely more than a day when this action of Congress and Mr. Seward surprised the country.

I now take up Mr. Lee’s narrative. The news of this action, carried by a mail steamer, had reached London several days before the arrival of the exhibits. Under the pressure of an urgent demand the Royal Commission confiscated the space allotted to the United States and parceled it out to British exhibitors. Mr. Holmes on his arrival found not a spot in the Exhibition buildings on which to set his foot. But he was a man of resources. He went before the commission with an eminent Queen’s counsel, who made the point that they had received no official notification of any such action by the United States Government, but had proceeded on a mere newspaper rumor, which they had no right to do; and there was the United States assistant commissioner with his credentials and a shipload of exhibits, and they must admit him.

The commissioners yielded most gracefully. They said: “Now, Mr. Holmes, the American space is gone; we cannot restore that to you, but there are unoccupied spots all over the Exhibition, and you may take up any of these, and we will undertake that your whole exhibit shall be well placed.” Upon this Mr. Holmes had gone to work and had been able to find locations for every exhibit, except my engine.

Wellington Lee

[67]

“But only yesterday,” said Mr. Lee, “Mr. Holmes learned that an engine ordered by the commission to drive the British exhibit of looms, of which there were thirty-three exhibitors, had been condemned by the superintendent of machinery, Mr. Daniel Kinnear Clark, and ordered out of the building.” He added that Mr. Holmes went directly to Mr. Clark and applied for the place for my engine, the bedplate of which, thanks to my precipitate action, had arrived and was then on a truck, in England called a lurry, waiting to be unloaded. In answer to Mr. Clark’s questions, Mr. Holmes had given him his personal assurance that I would be there, and the rest of the engine would be there in ample time, and it would be all that he could possibly desire; and on that assurance he had got the place for me.

I informed Mr. Lee that I also had something to tell him. I then gave him the situation as already related. He looked very grave. When I had finished he said: “Well, you are in a hole, sure enough; but come, let us get some breakfast, and then we will see what Easton & Amos can do for you.” After eating my first English mutton-chop in a chop-house on the Strand, I accompanied Mr. Lee to their works in the Borough, a long distance away, on the south or Surrey side of the Thames, to reach which we crossed the Southwark bridge.

None of the partners had yet reached the office. Very soon Mr. James Easton arrived. He was a young man about my own age. Mr. Lee introduced me and told my story. The instant he finished Mr. Easton came across the room and grasped my hand most cordially. “That’s the kind of pluck I like,” said he; “we will see you through, Mr. Porter; we will build this engine for you, whatever else may have to wait.” Directly he added: “We have a good deal of ‘red tape’ here, but it won’t do in this case. There will be no time to lose. Come with me.” He then took me through the shops and introduced me to every foreman, telling them what he had undertaken to do, and gave each of them the same instruction, as follows: “Mr. Porter will come directly to you with his orders. Whatever he wants done, you are to leave everything else so far as may be necessary, and do his work as rapidly as possible.”

As I listened to these orders, I could hardly believe my senses[68] or keep back the tears. Coming on top of the devotion of Mr. Holmes they nearly overcame me. The sudden relief from the pressure of anxiety was almost too much. It seemed to me to beat all the fairy stories I had ever heard. This whole-hearted cordiality of the first Englishman I had met gave me a high idea of the people as a whole, which, I am happy to say, a residence of over six years in England served only to increase.

Returning to the office, we found Mr. Lee, who said, “Now, Mr. Porter, I think Mr. Holmes would like to see you.” Getting the necessary directions, in due time I found myself in the Exhibition building on Cromwell Road and in the presence of Mr. Holmes, who received me joyfully and led me at once to Mr. Clark’s office. As he opened the door, Mr. Clark looked up from his desk and exclaimed, “Good morning, Mr. Holmes; where is that engine?” “Well,” replied Mr. Holmes, “here is Mr. Porter, and the engine is here or on the way.” Mr. Clark asked me a number of questions about the engine, and finally how many revolutions per minute it was intended to make. I replied, “One hundred and fifty.” I thought it would take his breath away. With an expression of the greatest amazement he exclaimed: “What! a hundred and fifty! B—b—b—but, Mr. Porter, have you had any experience with such a speed as that?” I told him my experience with the little engine, which did not seem to satisfy him at all. Finally he closed the matter, or supposed he had done so, by saying: “I cannot allow such a speed here; I consider it dangerous.” I decided instantly in my own mind not to throw away all that I had come for; but I made no sign, but humbly asked what speed I might employ. After a little consideration Mr. Clark replied: “One hundred and twenty revolutions; that must not be exceeded.” This he considered a great concession, the usual speed of stationary engines being from fifty to sixty revolutions. I meekly acquiesced, then made my plans for one hundred and fifty revolutions, and said nothing to anybody. I had no idea of the gravity of my offence. It was the first time since I was a child that I had been ordered to do or not to do anything, and I had no conception of orders except as given by myself. If there was any risk, I assumed it gaily, quite unconscious how such a daredevil defiance of authority would appear to an Englishman. Mr. Clark showed me my location, and gave me an order for my engine-bed to be brought in immediately, and also other parts of the engine as soon as they arrived. Trucks generally, I was told, had to wait in the crowd about ten days for their turn to be unloaded.

Charles T. Porter
A.D. 1862

[69]

I hurry over the time of erection. Everything arrived promptly and the whole came together without a hitch, as I knew it would. The fly-wheel and pulley and cylinder lagging I had left to be made in England. I was at the works of Easton, Amos & Sons every morning at 6 o’clock, and laid out the work for the day. I made the gauges for boring the fly-wheel and pulley, which I had now learned how to do, and adjusted everything about the engine myself, and knew it was right.

I had a talk with the foreman of the pattern-shop about the best thickness of felt on the cylinder to be covered by the mahogany lagging, in the course of which I remarked, “It is the air that is the real non-conductor.” “Yes,” he replied, “and felt, you know, is ‘air’.”

I learned several things I did not know before, among others how the English made a steam-pipe joint, using parallel threads and a backing-up nut, packed with long hemp which was filled with a putty made of red and white lead rubbed together dry.

I had great luck in the way of a driving-belt. An American exhibitor of india-rubber belting asked the privilege of exhibiting a belt in use on my engine, which I was glad enough to have him do. Otherwise I hardly know what I should have done. The widest English belts were 12 inches wide, double, and sewn together from end to end with five rows of sheepskin lacing. The belt ran on the knobs of this lacing. English machinists then knew nothing of the hold of belts by excluding the air. The ends of all belts were united by lapping them about two feet and sewing them through and through with this same lacing. Fine pounding these joints would have made on the pulleys. I got a governor belt from him also. Both belts were united by butt-joints laced in the American fashion. I did this job myself, and, indeed, I put the whole engine together mostly with my own hands, although Easton, Amos & Sons sent two of their best fitters to help[70] me. I learned afterwards that I should have had a sorry time driving my governor by a belt laced in the English way.

In spite of all efforts and all our good luck, we were not ready to start until a week after the opening day, May 1, and the exhibitors were in despair, for none of them believed that this new-fangled American trap would work when it did start at the frightful speed of a hundred and twenty revolutions per minute, which they had learned from Mr. Clark it was to make. Finally one day after our noon dinner I turned on the steam, and the governor rose at the speed of one hundred and fifty revolutions precisely. It was immediately surrounded by a dense crowd, every man of whom looked as if he expected the engine to fly in pieces any instant.

It was not more than two minutes after it started when I saw Mr. Clark coming with his watch in his hand. Some one had rushed to his office and told him the Yankee engine was running away. The crowd opened for him, and he came up to the engine and watched it for some time, walking leisurely around it and observing everything carefully from all points of view. He then counted it through a full minute. At its close he turned to me and exclaimed, “Ah, Porter—but,” slapping me cordially on the shoulder, “it’s all right. If you will run as smoothly as this you may run at any speed you like.”

And so the high-speed engine was born, but neither Mr. Clark, nor I, nor any human being then knew what it was that made it run so smoothly.

I have since realized more and more what a grand man Mr. Clark then showed himself to be. A small souled man might have regarded the matter entirely from a personal point of view, and been furious at my defiance of his authority. There are such men. I will show one to the reader by and by. Officialism is liable to produce them. I was quite unconscious of the risk in this respect that I was running. I have always felt that I could not be too thankful that at this critical point I fell into the hands of so noble a man as Daniel Kinnear Clark.

Mr. Porter’s Exhibit at the London International Exhibition, 1862


[71]

CHAPTER VII

My London Exhibit, its Success, but what was the matter? Remarkable Sale of the Engine.

T

Thus, as the result of a remarkable combination of circumstances, upon which I look back with feelings more of awe than of wonder, the high-speed system made its appearance in the London International Exhibition of 1862, installed in the midst of the British machinery exhibit, under conditions more advantageous than any which I could have imagined.

But the engine had a weak feature: it was wanting in an essential respect, of which I was, and remained to the end, quite unconscious, as will presently appear. Before entering on this subject I will give the reader an idea of what the exhibit was like. The accompanying half-tone from a photograph will, with the help of a little explanation, make this quite real.

The location was in a narrow space between a side aisle and the wall of the temporary wooden structure, 300 feet wide by nearly 1000 feet long, which formed the machinery hall. The engine was crowded closely by looms on both sides. Here were shown together the first high-speed engine, the first high-speed governor, and the first high-speed indicator. My marine governor could not be accommodated there, and had to be shown elsewhere. I was so much afraid of deflection or vibration of the shaft that I shortened up the length between the bearings and placed the driving-pulley on the overhanging end of the shaft, which for the light work to be done there answered sufficiently well. I showed also the largest and the smallest sizes of my stationary-engine governors. These were belted from the shaft to revolve so as to[72] stand always in positions coincident with those of the governor which regulated the engine.

On a table between the railing and the head of the engine I showed mahogany sectional models of the valves at one end of the cylinder in the engine exhibited, and of the now well-known Allen slide valve, with double opening for admission made by a passage over the exhaust-cup.

The Richards indicator is seen placed on the cylinder midway of its length, and connected by pipes with the ends over the clearances, so that in the familiar manner by means of a three-way cock the opposite diagrams could be taken on the same sheet. After a few days’ use I mistrusted that the lead lines were not correctly drawn, and I took away these pipes, placing the indicator on the cylinder itself, at the opposite ends alternately. The diagrams then taken showed that the error from transmission through these pipes had been even greater than I had feared. I have, of course, employed the close connection ever since.

This identifies the time when the photograph was taken. It must have been within a few days after starting.

The center of the eccentric coinciding with the crank, as already stated, and the center line of the link being in the same horizontal plane with that of the engine, I was able to take the motion of the paper drum from the sustaining arms of the link instead of from the cross-head. This was very convenient.

During the first two or three weeks the steam pressure was kept up to 75 pounds, as intended, and I was able to get diagrams cutting off quite early, which were then erroneously supposed to show superior economy. But when all the steam-eaters had got in their work the pressure could not be maintained much above 40 pounds, and for that exhibition the day of fancy diagrams was over. Gwynne & Co. showed a large centrifugal pump driven by a pair of engines which always brought the pressure down at the rate of a pound a minute. They were not allowed to run longer than fifteen minutes at a time, but it took a long time after they stopped before the pressure could be got up again even to 40 pounds. Whenever I took a diagram somebody was always standing ready to take it away, and so among my mementoes I have been able to find none cutting off earlier than the one here represented. On[73] the wall at the back I hung the largest United States flag I could find, with a portrait of President Lincoln. This seems all that needs to be said about the photograph and the diagram.

INTERNATIONAL EXHIBITION, UNITED STATES DEPARTMENT
1862 DIAGRAM TAKEN FROM 1862
THE ALLEN ENGINE BY THE RICHARDS INDICATOR.
ENGINE, 8 INCHES BY 24 INCHES, REVOLUTIONS PER MINUTE, 150.
SCALE, 40 LBS. TO THE INCH.

But what was the matter? I will clear the way to answering this question by relating the following incident: Six months later, with a feeling of bitter disappointment, I contemplated my engine standing alone where the place had been thronged with surging life. All the other exhibits had been removed. This was left in stillness and desolation, and I was making up my mind to the necessity of shipping it home again, its exhibition to all appearance absolutely fruitless—a failure, which I was utterly at a loss to comprehend, when I had a call from Mr. James Easton, the same man who had first welcomed me in England. His firm had perhaps the largest exhibit in the Machinery Hall, of a waterfall supplied by a centrifugal pump, and they had been frequent observers of the running of my engine, which was quite near them. Mr. Easton bluntly asked me if I thought my engine could be run 50 per cent. faster or at 225 revolutions per minute, because they had concluded that it could be, and if I agreed with them they had a use for it themselves. Under the circumstances I did not hesitate long about agreeing with them in respect to both ability and price, and the sale was quickly concluded. I noted an entire absence of any disposition to take an undue advantage. Mr. Easton then told me that they were troubled with lack of power every afternoon when the foundry blower was on, and had long wanted to drive this blower independently. It needed to make 2025 revolutions per minute to give the blast they required, and they had planned to drive it by a frictional gearing, nine to one, if my engine could run at the[74] necessary speed. So this most peculiar and exceptional opportunity for its application, absolutely the only chance for its sale that had appeared, and that at the very last moment, prevented my returning home in disappointment. It is hardly necessary to add that the engine proved completely successful. I shall refer to it again.

The point of the incident is this: It established the fact, the statement of which otherwise no one from the result would credit for an instant, that, from the afternoon when the black and averted looks of my loom exhibitors were changed to smiling congratulations down to the close of the exhibition, the engine never once had a warm bearing or was interrupted for a single moment. It was visited by every engineer in England, and by a multitude of engine users, was admired by every one, and won the entire confidence of all observers in its speed, its regulation, and the perfection of its diagrams; and yet in all that six months not a builder ever said a word about building it, nor a user said a word about using it; and, as week after week and month after month passed without a sign, I became almost stupefied with astonishment and distress.

The explanation of this phenomenon was entirely simple, but I did not know it, and there was no one to even hint it to me. I was among a people whose fundamental ideas respecting steam-engines were entirely different from those to which I had been accustomed, and I knew nothing about them, and so could not address myself to them. In the view of every Englishman a non-condensing engine was rubbish. Those which were made were small, cheap affairs, mostly for export. Neither a builder nor a user could regard a non-condensing engine with the slightest interest.

Now I do not think that in my limited sphere of observation at home I had ever seen a condensing stationary engine, except the engine which pumped out the dry-dock at the Brooklyn Navy Yard. In my mind condensing engines were associated with ships and steamboats. At this exhibition also there were shown only non-condensing engines. I did not think of the reason for this, that in this part of London, far away from the Thames, no water could be had for condensing purposes. I took it all as a matter of course,[75] though I was astonished at the queer lot of engines in the company of which I found myself.

I was, of course, familiar with the development of the stationary engine in England from the original type, in which the pressure of steam below that of the atmosphere, and sometimes the pressure of the atmosphere itself furnished the larger proportion of the power exerted; but after all I carried with me my American ideas, which were limited to non-condensing engines, and had no conception of the gulf that separated my thoughts from those of the men about me.

My visitors always wound up with the same question, “How do you drive your air-pump?” And in my innocence I uniformly replied, “The engine is a non-condensing engine; it has no air-pump”; all unconscious that every time I said that I was consigning the engine to the rubbish heap. This reply was taken necessarily as a frank admission that the high-speed engine was not adapted for condensing. Of course, then, it had no interest for them. No doubt many wondered why I should have troubled myself to show it there at all. If I had thought more deeply I must have been struck by the unvarying form of this question, always assuming the air-pump to be a part of the engine, but which, of course, could not be used there, and only inquiring how I worked it; and also by the fact that after getting my answer the questioner soon departed, and I scarcely ever saw the same visitor again. But I did not think deeply. Perhaps the conditions of excitement were not favorable to reflection. All I thought was that this same everlasting question, which at home I would never have heard, was getting awfully monotonous. After a while this annoying question came to be asked less and less frequently, and also the engine attracted less and less attention. The engine had failed in a vital respect, and I did not know it. That the fact of the engine being non-condensing should have been an objection to it never once entered my mind.

But I doubt if I could have bettered the matter, however alive to this difficulty I might have been. I showed all I had yet accomplished. In the minds of my visitors it no doubt appeared impossible to run an air-pump successfully at such a speed; the water and air would be churned into foam, and the valves would not close[76] in time. This objection I was not prepared to meet, for I had not thought on the subject at all. Moreover, it could not have been met in any way except by a practical demonstration. For that demonstration I had yet to wait five years.

There were many things connected with this season which were well worth remembering. One of these was the visit of the jury. It was the only time I ever met Professor Rankine. There were two or three Frenchmen on the jury, and they engaged in an animated discussion of the question whether the steam could follow the piston at so great a speed. I well remember the sharp exclamation with which Professor Rankine put an end to this nonsense, when he had got tired of it. “There is no limit to the speed at which steam will follow a piston.”

One day I had a call from Mr. John Penn, Mr. William Fairbairn, and Mr. Robert Napier, who came together on a visit of ceremony, and presented me their cards. In return I presented to them the cards of the engine. But their visit, like most others, closed with the same inevitable question.

It was a delightful hour that Mr. F. W. Webb spent with me. He was then assistant engineer of the London & Northwestern Railway under Mr. Ramsbottom, afterwards Mr. Ramsbottom’s successor, and the pioneer builder of compound-cylinder locomotives. He told me about the new form of traveling-crane invented by Mr. Ramsbottom for the shops at Crewe, which was driven by a flying-rope, a ³⁄₄-inch cotton cord, and also of other inventions of Mr. Ramsbottom—among these the automatic cylinder lubricator, in which the condensation of the steam was so rapid, from the locomotive rushing through the atmosphere, that only the water formed on the conical end of a bolt was permitted to drop into the oil, other condensation running into a circular trough and back through an external gooseneck pipe to the steam-chest; and of their experiments to observe the rate of this condensation. For this purpose they used soda-water bottles, which they found capable of resisting a pressure of 200 pounds on the square inch, and in which they could see the rapidity with which the condensed water displaced the oil, thus leading to the above device for limiting this action; also about the Ramsbottom piston rings, which came to be, and still are, so largely used. These consist, as is well known, of square[77] wrought-iron rods, say ¹⁄₂ inch square, two for each piston, sprung into grooves. What is not so generally known is the way in which these rings were originated, which Mr. Webb then described to me. As sold, these are not circular rings, but when compressed in the cylinder they become truly circular and exert the same pressure at every point. The original form was found for each size in this way: A circular iron table was prepared, provided with a large number of pulleys located radially and equidistant around its edge. A ring having the section of the proposed rings, turned to the size of the cylinder, and cut on one side, was laid on this table, and cords were attached to it at equal distances passing over these pulleys. Equal weights were hung on these cords, sufficient to expand this ring to the extent desired. The form of the expanded ring was then marked on the table, and to the lines thus obtained the rings were then rolled. He told me also of the trough and scoop invented by Mr. Ramsbottom, and now used the world over, for refilling locomotive tanks while running at full speed. Being a locomotive man, Mr. Webb did not ask about the way I drove my air-pump.

Mr. Clark formed a scheme to indicate all the engines in the exhibition, twenty-four in number, all English except mine, so far as I remember, and employed my indicator for the purpose, the diagrams being taken by myself. Only two exhibitors declined to have their engines indicated. As I afterwards learned, most of the engines were bought for use there, as exhibitors would not exhibit non-condensing engines.

One of those who refused permission were Gwynne & Co., the principal partner a nephew of my centrifugal-force friend of earlier days. They exhibited a centrifugal pump supplying a waterfall. They employed Mr. Zerah Colburn, then editor of The Engineer, to investigate their pair of non-condensing engines and find out why they used so much steam. He borrowed my indicator to make a private test. Of course, I never saw the diagrams, but Mr. Colburn informed me that by making some changes he had reduced the back pressure to 7 pounds above the atmosphere, which he claimed to be as good as could be expected. No material improvement in the engines was to be observed, however.

Some of the diagrams taken on these tests exhibited almost[78] incredible faults. The only really good ones were from a pair of engines made by Easton, Amos & Sons, also to drive a large centrifugal pump, built for drainage purposes in Demerara, and sustaining another waterfall. These showed the steam cut off sharply at one third of the stroke by separately driven valves on the back of the main slides. A mortifying feature of this work for myself was that on testing the indicator Mr. Clark found that the area of the piston, which was represented to be one quarter of a square inch, was really considerably less than this, showing lamentable inaccuracy on the part of the makers, as well as my own neglect to discover it. This rendered the instrument valueless for measuring power, but it showed the character of the diagrams all right.

The finest mechanical drawing I ever saw—or any one else, I think—was shown in this exhibition. It was a drawing of the steamship “Persia,” then the pride of the Cunard fleet, and was the only mechanical drawing ever admitted to the walls of the National Gallery, where it had appeared the year before. It represented side and end elevations and plan, as well as longitudinal and cross-sections, was painted and shaded in water-colors, and involved an almost incredible amount of work. It was made by Mr. Kirkaldy, then a draftsman in the employ of the Napiers, of Glasgow, the builders of the vessel. I am tempted to refer to this, as it forms a prominent datum point from which to measure the development of steam navigation in the brief space of forty years. The vessel did not possess a single feature, large or small, that now exists. It was of only about 3000 tons burden. It was an iron ship built in the days of the rapid transition from wood to steel. It was propelled by paddle-wheels. These were driven by a pair of side-lever engines. The engines had each a single cylinder. The steam pressure carried was nominally 25 pounds above the atmosphere, but practically only from 15 to 20 pounds. Full pressure was not pretended to be maintained. They had jet condensers. All forged work was of iron. The vessel was steered by hand. The rigging, standing as well as running, was of hemp. It was full bark-rigged.

Frederick E. Sickels

[79]

There I first met Mr. Frederick E. Sickels, the inventor of the trip cut-off; that immortal man who conceived the idea of tripping the valve mechanism of a steam-engine at any point in its opening movement, thus releasing the valve and permitting it to be suddenly closed. He had come over to exhibit his steam steering gear, which is now used throughout the world. It was astonishing how little attention it attracted. He had it connected and showed it in operation. While he turned the wheel precisely as the steersman did, the steam did all the work of moving the rudder and holding it in any position. Nobody seemed to take the slightest interest in it. I attributed this largely to his mistake in showing a very rough affair, the very thing which he thought would add to its effect. He had an apparatus that had been used on a coasting steamer which was captured by the Confederates and employed by them as a blockade-runner, and afterwards captured by our cruisers, taken into New York and condemned. He bought this gear out of it at auction and sent it to the exhibition just as it was. He believed that the more evidences of neglect and rough usage it showed, the greater admiration its perfect action would inspire. He learned better. Polished iron and brass and mahogany would have led people to believe that he himself thought it was worth showing properly.

The picture gallery in the second story of the main building of this exhibition was really wonderful. Its most prominent feature was a collection of paintings representing the progress of British art from the days of Hogarth. All Europe was represented. I was told that the entire wall surface was seven eighths of a mile long.

We also had a gallery of American art, consisting of a number of remarkable large photographs of the Yosemite Valley, California, and one painting. Mr. J. F. Cropsey, an American landscape artist of considerable celebrity at home, had formed a scheme for establishing himself in London. He took with him a number of his works. His pièce de résistance was “Autumn on the Hudson,” which was greatly admired and for which he was offered a large price, but he preferred to show it in London. He had sent it to the National Gallery, and, to his consternation, it was refused, the committee declaring that there were no such colors in nature. It also offended the English taste, by which our autumnal tints are regarded as “very gaudy,” so he hung it in Mr. Holmes’ office at the exhibition. He and I had each a lot to learn about the way things look to our cousins.


[80]

CHAPTER VIII

Sale of Governors. Visit from Mr. Allen. Operation of the Engine Sold to Easton, Amos & Sons. Manufacture of the Indicator. Application on Locomotives.

T

The governor seemed to please every one. In anticipation of a demand for them, I had shipped a number to London, which met a ready sale. The most appreciative persons as a class were the linen-manufacturers of Belfast. One of them early took a license to sell them there. The first one I sold in London was to my friends Easton, Amos & Sons. As soon as they saw it in operation it struck them as the very thing they needed. In connection with their engineering works they carried on the manufacture of lead pipe by hydraulic pressure. The engine which drove a large section of their machine tools also drove the hydraulic pumps for this manufacture. It was a very trying service. The resistance was very heavy and came on and off the engine instantly. The action of the common governor was not prompt enough to control it, and they had to employ a man handling a disk valve with a very short motion. He had to keep his eye fixed on a column of mercury. When this rose he must open the valve, and when it dropped he must shut it. It had been found that this was a poor reliance for the instantaneous action required. They got a governor from me at once. I received a message from them the next day. The governor would not answer at all; would I come down and see about it? I happened first to meet an old man, foreman of the turners. “What is the matter?” “Matter! The governor won’t work, that’s what’s the matter.” I was rather an impulsive young man and replied, “It will work, or I’ll eat it.” He sharply responded,[81] “If it does work I’ll eat it, and I haven’t a tooth in my head.” Foolish old man! he was more rash than I. I saw at a glance that the governor went through but half its action. There was evidently some resistance in the valve, a common fly-throttle. After they shut down at night I had the valve pulled out, and found that the chamber was larger than the pipe and that the wings of the valve were long and their points caught on the ends of the pipe. The wings of the valve were soon shortened and rebedded in the chamber, and when started again the governor controlled the motion of the engine perfectly, to the great gratification of everybody, and the delight of the boys, who had heard the old man promise to eat it. The valve had been put in for my governor to work, and the fitters had put up a job on me. The old man was not in the secret. So the laugh was on him instead of on me.

Directly after this triumph I received an order from Mr. John Penn for a governor to regulate the engine driving his marine-engine works at Greenwich. This was the first and only engine I ever saw of the grasshopper class, quite common, I learned, in earlier days. The superintendent of his works afterwards told me, laughingly, that he had a large account against me for loss of time; that he had become so fascinated with the governor action that he had stood watching it sometimes for twenty minutes. He knew by the position of the governor every large tool that was running and what it was doing, if light or heavy work, and especially every time a planer was reversed.

One day a gentleman asked me if I thought the governor could regulate his engine. He was a manufacturer of the metal thread used in making gold lace. A bar of silver, 2 inches in diameter and 2 or 3 feet long, was covered with three or four thicknesses of dentists’ gold leaf, and then drawn down to exceedingly fine threads, and the gold surface was never broken. I have often wondered how thick that gold covering finally was. The heavy drawing of the cold bars required a great deal of power, and when they shot out the engine would run away and the fine threads would be broken. No governor nor heavy fly-wheel would help the matter, and they had to do their heavy drawing in the night. My governor maintained the motion absolutely. Not only were the finest[82] threads not broken by the sudden changes in the heavy drawing, but the occasional breakages that they had been accustomed to nearly ceased.

In this connection I cannot refrain from telling a good story on Mr. Ramsbottom and Mr. Webb, although the incident happened the next year. I received an order for a governor for the engine driving the shops of the London & Northwestern Railway at Crewe. Soon after its shipment there came a line from the office there that the governor was behaving badly and I would have to go and see about it. I found that the engine consisted of a pair of locomotive cylinders set upright on the floor and directly connected above, the cranks at right angles with each other, to the line-shaft, a plan which I have always admired, as a capital way of avoiding belts or gearing. They were running at 120 revolutions per minute, and were connected in the middle of the shaft, which was about 400 feet long. The governor was flying up and down quite wildly. I had never seen such an action before, and was at a loss what to make of it. I saw no fly-wheel, but it did not seem that its absence could account for this irregularity. Indeed, with coupled engines running at this speed, and only trifling changes of load, and a governor requiring no time to act, a fly-wheel seemed superfluous. Pretty soon it came out that the want of fly-wheel could not cause the trouble, for they had two. Where were they? There was one at each end of the shaft, close to the end walls of the building, where wall boxes afforded excellent supports. Fly-wheels at the ends of 2-inch shafts and 200 feet from the engine! I fairly shouted with laughter, told them to take off their fly-wheels, and came home. The fly-wheels were taken off, and there was no further trouble. Well, what should railway engineers, absorbed in locomotive designs and everything pertaining to railroading, be expected to know about fly-wheel inertia and shaft torsion?

About midsummer I had the pleasant surprise of a visit from Mr. Allen, whose gratification at the show I had made was unbounded. We saw much of the exhibition together. Perhaps the most interesting exhibits in the machinery department, to us both, were the working models shown by the marine-engine builders. There were a large number of these, generally not much over one foot in any dimension, but complete to every bolt and nut, superbly[83] finished, and shown in motion. They had evidently been made regardless of cost. In the progress of engineering science, everything represented by these elegant toys has long since vanished. We were much impressed by a cylinder casting, 120 inches in diameter, shown by Mr. Penn, one of a pair made for a horizontal engine for a British warship, to work steam at 25 pounds pressure. Everything there shown pertaining to steam engineering, except our own engine, was about to disappear forever. How long before that also shall follow?

Soon after Mr. Allen’s return he sent me a drawing of his four-opening equilibrium valve with adjustable pressure-plate. I realized the great value of this most original invention, now so well known, but its adoption required a rescheming of the valve-gear, and that had to be postponed for some years.

In setting up the engine in the works of Easton, Amos & Sons, I had a curious example of English pertinacity. Old Mr. Amos said to me, “Porter, where is your pump?” “The engine has no pump.” “No pump!” “No, sir; we consider a feed-pump as an adjunct to the boiler, never put it on the engine, and generally employ independent feed-pumps which can be adjusted to the proper speed. Besides, a feed-pump could not be run satisfactorily at the speed of this engine.” He heard me through, and then, with a look of utter disgust, exclaimed: “If a man should sell me a musket and tell me it had no stock, lock, or barrel, these were all extra, I should think it just about as sensible.” Nothing would do but that this engine must have a pump. I had intended to cut off the projecting end of the shaft, but Mr. Amos ordered this to be left, and had an eccentric fitted on it, and set a vertical pump on the floor to be driven by this eccentric, at 225 double strokes per minute. Also the feed-pipe had to be over 50 feet long, with three elbows.

Of course, as the boys say, we had a circus. A mechanic had a daily job, mornings, when the engine was not running, securing that pump on its foundation. The trembling and pounding in the feed-pipe were fearful. I suggested an air-chamber. They sent word to me that they had put on an air-chamber, but it did no good. I went to look at it, and found a very small air-chamber in the middle of the length of the pipe, where it seemed to me more likely[84] to do harm. At my suggestion they got one of suitable size and attached it to the pump outlet, when the noise and trembling mostly disappeared, as well as the disposition of the pump to break loose. It did fairly well after that, and they made it answer, although I do not suppose it ever one quarter filled.

Mr. Amos was the consulting engineer of the Royal Agricultural Society. At this exhibition American reapers made an invasion of England. Mr. Amos set his face against them, and in reply to my question, what objection he made to them, he said, “We prefer to get our grain into the barn, instead of strewing it over the field.” And yet this man, the engineering head of this firm, was the only man in England, so far as I knew, advanced enough to take up the Wolff system of compounding, and who had bought my engine to run at 225 revolutions per minute, which it continued to do with complete satisfaction until some years later, when these works were removed to a location on the Thames, east of London, when I lost sight of them.

During the latter part of the exhibition I learned that the McNaught and the Hopkinson indicators were in common use in England; that one or both of these were to be found in the engine-rooms of most mills and manufacturing establishments, and that if the Richards indicator were properly put on the market there would probably be some demand for it, although at existing engine speeds the indicators in use appeared to be satisfactory. A special field for its employment would doubtless be found, however, in indicating locomotives. I felt sufficiently encouraged to set about the task of standardizing the indicator, and during the winter of 1862-3 made a contract with the firm of Elliott Brothers, the well-known manufacturers of philosophical apparatus and engineering and drawing instruments, to manufacture them according to my plans.

This was my first attempt to organize the manufacture of an instrument of any kind, and I set about it under a deep sense of responsibility for the production of an indicator that should command the confidence of engineers in its invariable truth. I found that the opportunity I had enjoyed for studying the subject had been most important. The daily use of the indicator which I had[85] brought to the exhibition was an invaluable preparation for this work.

I decided, first, to increase the multiplication of the piston motion, by means of the lever, from three times to four times, thus reducing by one quarter the movement of the piston required to give the same vertical movement to the pencil, and, second, to increase the cylinder area from one quarter to one half of a square inch. The latter was necessary in order to afford sufficient room for springs of proper size, and correct reliable strength in their connections.

The first problem that presented itself was how to produce cylinders of the exact diameter required, .7979 of an inch, and to make an error in this dimension impossible. This problem I solved in the following manner: At my request Elliott Brothers obtained from the Whitworth Company a hardened steel mandrel about 20 inches in length, ground parallel to this exact size and certified by them. Brass tubes of slightly larger size and carefully cleaned were drawn down on this mandrel. These when pressed off presented a perfect surface and needed only to be sawed up in lengths of about 2 inches for each cylinder. Through the whole history of the manufacture that removed all trouble or concern on this account.

The pistons were made as light as possible, and were turned to a gauge that permitted them to leak a little. The windage was not sufficient to affect their accuracy; a thickness of silk paper on one side would hold the pistons tight; but they had a frictionless action, and the cover of the spring case having two holes opening to the atmosphere, there could be no pressure above the piston except that of the atmosphere.

[86]

SPRING-TESTING INSTRUMENT.
USED IN THE MANUFACTURE OF THE RICHARDS INDICATOR.
Designed by Charles T. Porter.
LONGITUDINAL SECTION.
SCALE, HALF SIZE.

END VIEW

[87]

The second problem was to insure the accuracy of the springs. This was more serious than the first one. The brass heads of the springs were provided with three wings instead of two, which mine had. The spring, after being coiled and tempered, was brazed into the grooves in the first two wings, and the third wing was hammered firmly to it. This prevented the stress on the spring from reaching the brazed joints, and these heads never worked loose. One head was made fast at once; the other was left free to be screwed backward or forward until the proper length of the spring was found. To insure freedom from friction, I determined to adjust and test the springs in the open air, quite apart from the instrument. For this purpose I had a stout cast-iron plate made, with a bracket cast on it, in which the slides were held in a vertical groove, and bolted this plate on the bench, where it was carefully leveled. The surface of the plate had been planed, a small hole drilled through it at the proper point, and a corresponding hole was bored through the bench. A seating for the scales also was planed in the bracket, normal to the surface of the block. The spring to be tested, in its heads as above described, was set on the block, and a rod which was a sliding fit in the hole was put up through the bench, block, and spring. This rod had a head at the lower end, and was threaded at the upper end. Under the bench a sealed weight, equal to one half the extreme pressure on the square inch to be indicated by the spring, was placed on the rod.

Between the spring and the scale I employed a lever, representing that used in the indicator, but differing from it in two respects. It was of twice its length, for greater convenience of observation, and it was a lever of the first order, so that the weight acting downward should represent the steam pressure in the indicator acting upward.

The weight was carried by a steel nut screwed on the end of the rod and resting on the upper head of the spring to be tested. This nut carried above it a hardened stirrup, with a sharp inner edge, which intersected the axis of the rod, produced. A delicate steel lever was pivoted to turn about a point at one fifth of the distance from the axis of the rod to the farther side of the scale seat. The upper edge of this lever was a straight line intersecting the axis of its trunnions. The short arm of the lever passed through the stirrup, in which it slid as the spring was compressed, while the long arm swung upward in front of the scale. The latter was graduated on its farther side, and the reading was taken at the point of intersection of the upper edge of the lever with this edge of the scale.

The free head on the spring was turned until the reading showed it to be a trifle too strong. It was then secured, and afterwards brought to the exact strength required by running it rapidly in a[88] lathe and rubbing its surface over its entire length with fine emery cloth. This reduced the strength of each coil equally. This was a delicate operation, requiring great care to reduce the strength enough and not too much. A great many springs had to be made, several being generally required, often a full set of ten, with each indicator. This testing apparatus was convenient and reliable, and the workmen became very expert in its use.

The spring when in use was always exposed to steam of atmospheric pressure. At this temperature of 212° we found by careful experiment that all the springs were weakened equally, namely, one pound in forty pounds. So the springs were made to show, when cold, 39 pounds instead of 40 pounds, and in this ratio for all strengths.

This system of manufacture and testing was examined in operation by every engineer who ordered an indicator, the shop on St. Martin’s Lane being very convenient. They generally required that the indicator should be tested by the mercurial column. The Elliotts, being large makers of barometers, had plenty of pure mercury, so this requirement was readily complied with, and the springs were invariably found to be absolutely correct. We never used the mercurial column in manufacturing, but were glad to apply it for the satisfaction of customers.

I employed the following test for friction. The indicator when finished was set on a firm bracket in the shop. The spring was pressed down as far as it could be, and then allowed to return to its position of rest very slowly, the motion at the end becoming almost insensible. Then a fine line was drawn with a sharp-pointed brass wire on metallic paper placed on the drum. The spring was then pulled up as far as possible and allowed to return to its position of rest in the same careful manner. The point must then absolutely retrace this line. No indicator was allowed to go out without satisfying this test. The workmanship was so excellent that they always did so as a matter of course.

Mr. Henry R. Worthington once told me, long after, that on the test of an installation of his pump in Philadelphia, after he had indicated it at both steam and water ends, the examining board asked him to permit them to make a test with their own indicator, which they did the next day. They brought another[89] indicator, of Elliott’s make like his own, but the number showed it to have been made some years later. “Would you believe it,” said he, “the diagrams were every one of them absolutely identical with my own!” I replied that the system of manufacture was such that this could not have been otherwise.

Plan of Spring-testing Instrument.

I wish to acknowledge my obligation to Elliott Brothers for[90] their cordial co-operation, their excellent system of manufacture, and the intelligent skill of their workmen, by one of whom the swiveling connection of the levers with the piston-rod was devised.

The indicator was improved in other important respects, but I here confine myself to the above, which most directly affected its accuracy. This soon became established in the public confidence. During my stay in England, about five years longer, the sale of indicators averaged some three hundred a year, with but little variation. The Elliotts then told me that they considered the market to have been about supplied, and looked for a considerable falling off in the demand, and had already reduced their orders for material. Eight years after my return I ordered from them two indicators for use in indicating engines exhibited at our Centennial Exhibition at Philadelphia. The indicators had from the first been numbered in the order of their manufacture. These came numbered over 10,000.

The indicators were put on the market in the spring of 1863, and I sought opportunity to apply them on locomotives. In this I had the efficient co-operation of Zerah Colburn, then editor of The Engineer. The first application of them was on a locomotive of the London and Southwestern Railway, and our trips, two in number, were from London to Southampton and return. The revelations made by the indicator were far from agreeable to Mr. Beattie, the chief engineer of the line. Mr. Beattie had filled his boilers with tubes ⁷⁄₈ of an inch in diameter. The diagrams showed the pressure of blast necessary to draw the gases through these tubes to average about ten pounds above the atmosphere, the reduction of the nozzles producing this amount of back pressure throughout the stroke. Another revelation was equally disagreeable. The steam showed very wet. We learned that Mr. Beattie surrounded his cylinders with a jacket. This was a large corrugated casting in which the cylinder was inserted as a liner. To keep the cylinder hot the exhaust was passed through this jacket. Mr. Colburn made both of these features the subjects of editorials in The Engineer, written in his usual trenchant style. The last one was entitled “Mr. Beattie’s Refrigerators,” and produced a decided sensation.

[91]

Our next trips were made on the Great Eastern Road, one from London to Norwich and one from London to Great Yarmouth. On these trips we were accompanied by Mr. W. H. Maw, then head draftsman of the Great Eastern Locomotive Drawing Office, under Mr. Sinclair, the chief engineer, and by Mr. Pendred. These gentlemen were afterwards, respectively, the editors of Engineering and The Engineer.

Diagrams from English Locomotives taken with Richards Indicator.

The diagrams from the Great Eastern engines were, on the whole, the best which were taken by us. On one of these trips I was able to get the accompanying most interesting pair of diagrams, which were published by me in the appendix to my treatise on the Indicator. One of them was taken at the speed of 50 revolutions per minute, and the other at the speed of 260 revolutions per minute, running in the same notch with wide-open throttle. The steam pressure was higher at the rapid speed. They afford many subjects of study, and show the perfect action of the indicator as at first turned out, at this great speed. I learned afterwards that the almost entire freedom from vibration at the most rapid speed was due to the gradual manner in which the pressure fell[92] from the beginning of the stroke. This fall of pressure before the cut-off I fancy was caused largely by a small steam-pipe.

Our last diagrams were taken from a locomotive on the London and Northwestern, by the same four operators as on the Great Eastern trips. We ran from London to Manchester. On our return trip Mr. Webb joined us at Crewe, and accompanied us to London. I am sorry to say that in one respect the revelation of the indicator here was almost inconceivably bad. Mr. Ramsbottom did not protect his cylinders, but painted these and the steam-chests black, and in this condition sent them rushing through the moist air of England. If the steam cooled by “Mr. Beattie’s refrigerators” was wet, that in Mr. Ramsbottom’s cylinders seemed to be all water. A jet of hot water was always sent up from each of the holes in the cover of the spring case to a height of between one and two feet. We had much trouble to protect ourselves from it, and it nearly always drenched the diagram. I never saw this phenomenon before or since. I have seen the steam blow from the indicator cocks white with water when the indicators were removed. But I never saw water spurt through the spring-case cover, except in this instance. Truly, we said to each other, Mr. Ramsbottom has abundant use for his trough and scoop to keep water in his tanks. It was on this trip that I observed how enormously the motion of a black surface increased the power of the surrounding air to abstract heat from it. While we were running at speed I many times laid my hand on the smoke-box door without experiencing any sensation of warmth. I wondered at this, for I knew that a torrent of fire issuing from the tubes was impinging against the opposite surface of this quarter-inch iron plate. In approaching Rugby Junction I observed that the speed had not slackened very much when I could not touch this door, and when we stopped, although the draft had mostly ceased, I could not come near it for the heat. At the full velocity with which the air blew against this door the capacity of the air to absorb heat evidently exceeded the conducting power of the metal.

W. H. Maw


[93]

CHAPTER IX

Designs of Horizontal Engine Beds. Engine Details. Presentation of the Indicator at the Newcastle Meeting of the British Association for the Advancement of Science.

M

Much of my time was now devoted to working out improvements in the design of the engine, some of which had occurred to me during the exhibition, and which I was anxious to have completed before bringing the engine to the notice of builders. The first point which claimed my attention was the bed. The horizontal engine bed had already passed through three stages of development. The old form, in common use in the United States, was a long and narrow box, open at top and bottom. The sides and ends of this box were all alike, and their section resembled the letter H laid on its side, thus ⌶. This on some accounts was a very convenient form. The surface of the bed was planed, and everything was easily lined from this surface. The cylinder was made with two flanges on each side, which rested on the opposite surfaces of the bed, permitting the cylinder to sink between them as desired. The pillow-block rested on one or the other of these surfaces, according as the engine was to be right or left hand. The guide-bars were bolted on these opposite surfaces.

The first break in this monotony was made by Mr. Corliss, and was remarkable for the number and the radical nature of its new ideas. The cylinder was provided with broad feet near its ends, and was planted on the foundation. The pillow-block was provided with similar supports and was also secured to the foundation. The bed, so called, was a tie-beam uniting the cylinder and pillow-block, and not otherwise supported. It was of T section. The horizontal member was behind the center line of the[94] engine, and was made very deep in the middle of its length to prevent deflection. The vertical member extended equally above and below the former and carried the guides, which were top and bottom V-grooves, between which the cross-head ran and the connecting-rod vibrated. The cross-head was provided with shoes fitting these V’s, and was adjustable vertically between them. The connection with the cylinders was made by a circular head supported by curved brackets. This connection was firm on one side only. The bed was reversible to suit right- or left-hand engines by merely turning it over.

In the bed for my engine, Mr. Richards struck out another design, which avoided some objections to the Corliss bed. The guides were supported from the foundation, and the connection with the cylinder was more substantial, but the reversible feature had to be sacrificed.

Mr. Richards’ bed, shown in the illustration facing page 70, was designed in the box form, the superior rigidity of which had been established by Mr. Whitworth. It was a box closed at the top and flanged internally at the bottom. It rested on the foundation through its entire length. The main pillow-block was formed in the bed, as were also the lower guide-bars. The cylinder was secured on its surface in the old-fashioned way.

[95]

Engine Bed Designed by Mr. Porter. Engraving made from an Old Print.

[96]

It occurred to me that the best features of the Corliss and the Richards designs might be combined to advantage. This idea I worked out in the bed shown in the accompanying illustration, taken from a circular issued by Ormerod, Grierson & Co., of Manchester, and which was made from a photograph of an engine sent by that firm to the Oporto International Exhibition in 1865. It will be seen that this is Mr. Richards’ bed with the cylinder bolted to the end after Mr. Corliss’ plan. The great strength of the bed enabled the supports under the cylinder to be dispensed with. This left the cylinder free to expand by heat, and made it convenient to attach the steam or exhaust connections or both underneath. This bed has remained without change, except in one important respect. I made the first cylinders with a bracket which was keyed up from the base of the bed. In the illustration a corner of this bracket appears. At the Paris Exposition in 1867 Mr. Beyer, of the firm of Beyer & Peacock, the Manchester locomotive-builders, when he saw it, told me I did not need that bracket. I then left it off, but found the cylinder to wink a little on every stroke when the heavy piston was at the back end. To find the weak place, I tried the following experiment on an engine built for the India Mills in Manchester. I filed two notches in the edges of the brackets on the bed, opposite each other and about ten inches forward of the head, and fitted a piece of wire between them. This wire buckled very decidedly on every revolution of the engine, when the piston was at the back end of its stroke. I then united these brackets into a hood, and lengthened the connection with the surface of the bed, as it is now made. This affords a perfect support for the cylinder. Experiments tried at the Cambria Iron Works on a cylinder of 40-inch bore and 48-inch stroke, with a piston weighing 3600 pounds and running at 100 double strokes per minute, showed the back end of the cylinder standing absolutely motionless. This experiment will be described hereafter.

Cross-head Designed by Mr. Porter.

The cross-head which I designed at this time has always interested me, not only on account of its success, but also for the important lesson which it teaches. I abolished all means of adjustment. The cross-head was a solid block, running on the lower guide-bars if the engine were running forward, as was[97] almost always the case, and these guide-bars were formed on the bed. The pin was of steel, with the surface hardened and ground truly cylindrical, set in the middle of the cross-head, and formed with square ends larger than the cylindrical portion. These were mortised parallel into the cross-head, and a central pin was forced through the whole. The flats on the pin I afterwards copied from a print. These prevent the formation of shoulders at the ends of the vibration of the boxes. I would like to know to whom we are indebted for this valuable feature. Every surface was scraped to absolute truth. The lubrication was internal, as shown. There are many of these cross-heads which have been running at rapid speeds in clean engine-rooms from twenty to thirty years, where the scraping marks on the lower bars are still to be seen.

The lesson is a most important one for the future of steam engineering. It is this. Two flat cast-iron surfaces, perfectly true and incapable of deflection, with the pressure equally distributed over a sufficient area, protected from dirt and properly lubricated, will never have the clean film of oil between them broken or even varied in thickness, and will run together without wear perpetually and at any speed whatever. The conclusion is also abundantly warranted that a tendency to heat need not exist anywhere in even the least degree, in engines running at the greatest speeds. This can always be prevented by truth of design and construction, and the selection of suitable material. This fact is abundantly established by varied experience with cylindrical as well as with flat surfaces, and for other materials, though not for all, as well as for cast iron.

The solid end connecting-rod appears in this engine. This was shown to me by Mr. James Gulland, a Scotch draftsman at Ormerod, Grierson & Co.’s. He did not claim to have originated it, but only told me that it was designed in Scotland. I saw at once its peculiar value for high-speed engines. Every locomotive designer knows the pains that must be taken to prevent the straps on the crank-pins from spreading at high speeds, under the pressure exerted by the transverse fling of the connecting-rod. This solid end renders the connecting-rod safe in this respect, even at thousands of revolutions per minute. For single-crank engines,[98] on which only it can be applied, it is invaluable. This solid rod-end possesses also another advantage. The wear of the crank-pin boxes and that of the cross-head-pin boxes are both taken up in the same direction, so the position of the piston in the cylinder will be varied only by the difference, if any, between the two. With a strap on both ends, the connecting-rod is always shortened by the sum of the wear in the two boxes. The solid rod-end enabled me to reduce the clearance in the cylinder to one eighth of an inch with entire safety. The piston never touched the head.

As this construction was shown to me, the wedge was tapered on both sides. It seemed that this would be difficult to fit up truly, and it also involved the necessity of elongating the bolt-holes in the rod, so that the wedge might slide along in taking up the wear. I changed it by putting all the taper of the wedge on the side next to the brass, making the other side parallel with the bolt-holes. This enabled the opening in the rod-end to be slotted out in a rectangular form, and made it easy for the wedge-block to be truly fitted.

While on this subject I may as well dispose of the connecting-rod, although the other changes were made subsequently, and I do not recollect exactly when. The following shows the rod and strap as they have been made for a long time. The taper of the rod, giving to it a great strength at the crank-pin neck to resist the transverse fling, was, I presume, copied by me from a locomotive rod. The rounded end of the strap originated in this way. I had often heard of the tendency of the cross-head-pin straps to spread. This was in the old days, when these pins were not hardened, indeed were always part of the iron casting. The brasses, always used without babbitt lining, would wear these pins on the opposite acting sides only. Brass, I learned afterwards, will wear away any pin, even hardened steel, and not be worn itself. When this wear would be taken up, the brasses would bind at the ends of their vibration, coming in contact there with the unworn sides of the pin. To relieve this binding it was common for engineers to file these sides away. All I knew at that time was that the straps would yield and spread. It occurred to me to observe this deflection in a spring brass wire bent to the form of a strap. The pressure being applied on the line of the pin center,[99] the deflection appeared to take place mostly at the back, and so I stiffened it. Since the introduction of the flats on the pin, which prevent the exertion of any force to spread the strap, this form seems to be rather ornamental than useful.

Connecting-rod and Strap.

To this strap I added a wiper for lubricating the cross-head pin automatically. The drop of oil hung from the center of a convex surface provided above the wiper. The latter was inclined forward, and its edge partook of the vibration of the connecting-rod. On the backward stroke this edge cleared the drop. At the commencement of the forward stroke it rose to take it off.

A note of the change then made by me in stop-valves will conclude the record of these changes. The valve and its seat had always been made of brass. The latter was fitted in a cast-iron chamber, and, expanding more than the iron, was apt to work loose. I disused brass entirely, employing a cast-iron valve in the cast-iron seat. These always remained perfectly tight, showing the additional cost and trouble of brass to be unnecessary.

At the meeting of the British Association for the Advancement of Science in 1863, held in Newcastle, I read before the Mechanical Section a paper on the Richards indicator, illustrated by one of the instruments and diagrams taken by it from locomotives. The paper was very favorably received. The description of the action of the arms, in preventing by their elasticity in combination with a stop any more than a light pressure being applied to the paper, called out especial applause. The president[100] of the Mechanical Section that year was Professor Willis, of Cambridge, the designer of the odontograph form of tooth, which enables gear-wheels of the same pitch to run together equally well, whatever may be the difference in their diameters. I felt very deeply impressed at standing before a large assembly of the leading mechanical engineers of Great Britain, and where so many important things had first been presented to the world, where Sir William Armstrong had described his accumulator, by which enormous power is supplied occasionally from small pumps running continuously, and where Joule had explained his practical demonstration of the mechanical equivalent of heat.

On my journeys to Newcastle and back to London I met two strangers, each of whom gave me something to think about. It happened that each time we were the only occupants of the compartment. Englishmen, I observed, were always ready to converse with Americans. Soon after leaving London, my fellow-passenger, a young gentleman, said to me, “Did you observe that young fellow and young woman who bade me good-by at the carriage door? He is my brother, and they are engaged. He is first mate on a ship, and sails to-morrow for Calcutta. He hopes on his next voyage to have command of a ship himself, and then they expect to be married.” I did not learn who he was, but he said they were making large preparations to welcome the scientists, and added that he owned about six hundred houses in Newcastle. Evidently he was the eldest son.

On my return my companion was an elderly gentleman, a typical Tory. He waxed eloquent on the inhumanity of educating the laboring classes, saying that its only effect must be to make them discontented with the position which they must always occupy.

I told him I had thought of a motto for the Social Science Congress, which was just then in session. It was a parody on Nelson’s celebrated order, “England expects every man to do his duty.” My proposed motto was, “England expects every man to know his place.” He did not see the humor, but took me seriously, and thought it excellent.


[101]

CHAPTER X

Contract with Ormerod, Grierson & Co. Engine for Evan Leigh, Son & Co. Engine for the Oporto Exhibition. Getting Home from Portugal.

I

I could do nothing with the engine in England unless it was put on the market as a condensing engine. This fact was finally revealed to me, and I applied myself to meet the requirement. The question as it addressed itself to me was, not “How do you work your air-pump?” but “How are you going to work your air-pump?” My friends Easton, Amos & Sons told me frankly that in their judgment I could not do it at all. Their opinion was expressed very decidedly, that as a condensing engine the high-speed engine was not to be thought of. This was not surprising, seeing that the beam Wolff engines made by them ran at only 25 revolutions per minute, which was the speed of beam-engines generally, and all stationary engines were beam-engines; but it was discouraging. I made up my mind that they did not know everything, and I would show them a thing or two as soon as I got a chance. This I found easier to get than I expected, when I had matured a satisfactory system of condensation. My first plan was to use an independent air-pump running at the usual slow speed and driven by a belt, the speed being reduced by intermediate gearing.

I was able very readily to make an agreement on this basis with the firm of Ormerod, Grierson & Co., of Manchester, for the manufacture of the engines and governors, and we started on our first order on the first day of January, 1864.

The ground occupied by these works bordered on the Duke of Bridgewater’s canal from Liverpool to Manchester, where I one day saw a cow and a woman towing a boat, a man steering.

[102]

A railway ran through these works, parallel with the canal, at about 300 feet distance, but it was not at all in the way. It was built on brick arches, and the construction was such that the passing of trains was scarcely heard. The arches were utilized for the millwright shop, pattern shop, gear-cutting shop, and the storage of lumber and gear-wheel patterns, the number and size of which latter astonished me.

On a previous visit Mr. Grierson had shown me several things of much interest. The one most worthy of being related was a multiple drill, capable of drilling ninety holes, ³⁄₄ inch diameter, simultaneously. This had been designed and made by themselves for use in building a lattice-girder bridge, for erection over the river Jumna, near Delhi, to carry a roadway below and a railway above. The English engineers then made all bridge constructions on this system, having no faith in the American truss. One length of this bridge still stood in their yard, where it had been completely riveted up for testing, after which all the rivets would have to be cut out. The other lengths had been shipped in pieces. The advantage of this multiple drill was twofold—the ability to drill many holes simultaneously and the necessary accuracy of their pitch.

I was especially interested in the massiveness of this tool and impressed with the importance of this feature. The drills rotated in place, and the table carrying the work was fed upward by two hydraulic presses. The superintendent told me that they never broke a drill, and that to exhibit its safety in this respect they had successfully drilled a single hole ¹⁄₁₆ of an inch in diameter through one inch of steel. He attributed this success partly to the steady feed, but chiefly to absolute freedom from vibration. He said a toolmaker had had an order for a similar drill, and on visiting this one pronounced its great weight to be absurd. He made one weighing about half as much, which proved a failure, from the liability of the drills to break. This gave me one of the most valuable lessons that I ever received.

We soon had our first engine running successfully, in spite of some annoyances. I insisted on having the joints on the steam-chest and cylinder heads made scraped joints, but the foreman put them together with the white and red lead putty just the[103] same, so that work was thrown away, and when we wanted to open a joint we had to resort to the familiar wedges. The pipes were of cast iron, with square holes in the flanges. The ends were left rough. They were put together with the same putty. The joints were encircled by clips, which prevented the putty from being forced outward to any great extent in screwing the flanges together. What went inside had to work its way through as it was broken off by the rush of steam and hot water. When the engine was started we could not get much vacuum. On taking the pipes apart to find what the matter was, we discovered that the workmen had left a wooden plug in the condenser-nozzle, where it had been put to prevent anything from getting in during its transportation. The proper mode of protection would of course have been to bolt a board on the flange.

The worst trouble was from a blunder of my own. My exhibition engine had cast-iron valves running on cast-iron seats, and the friction between these surfaces under the steam pressure was so little that it did not injure the governor action appreciably. But I could not let well enough alone. Mr. Lee had told me that in the steam fire-engines they used gun-metal valves on steel seats, which I thought must have some wonderful advantages, so at considerable additional expense I fitted up my first engine in the same way. The governor worked very badly. I had the pleasure of demonstrating the fact that brass on steel is the very best combination possible for producing friction. I went back to cast-iron valves, when the trouble disappeared.

We had an order for an engine to drive the works of Evan Leigh, Son & Co. Mr. Leigh was quite a famous man, the inventor of Leigh’s top roller, used universally in drawing-machines. I was told he was the only man then living who had invented an essential feature in spinning machinery. I struck out a new design, which proved quite successful. They wished to give 100 revolutions per minute to their main line of shafting running overhead through the center of their shop. I planned a vertical engine, standing on a bed-plate, which carried also an A frame.

The engine-room was located at the end of the shop. The line of shaft passed through a wall-box and then 3 feet further to its main bearing at the top of this upright frame. The latter[104] was stayed from the wall by two ample cast-iron stays. The fly-wheel was outside this frame and carried the crank-pin. The shaft was continued quite stiff through the wall-box, with long bearings. By this plan I got rid of gears. Belts for taking power from a prime mover were then unknown in England. The fly-wheel was only 10 feet in diameter, with rim 8×10 inches, and was of course cast in one piece. It proved to be ample. The engine was the largest I had yet made, 22 inches diameter of cylinder by 36 inches stroke, making 100 revolutions. I was still tied to 600 feet piston travel per minute. I did not venture to suggest any greater speed than that; could not have sold an engine in Lancashire if I had.

I introduced in this engine a feature which I afterwards sincerely wished I had not done, though not on my own account. This was a surface condenser. It worked well, always maintaining a good vacuum. I shall have more to say respecting this engine later, which will explain my regret about the condenser. I had about this time the pleasure of a visit from two American engineers, Robert Briggs and Henry R. Towne, who were traveling together in England, and were at the trouble to look me up. I took them to see this engine, and I am sorry to say they were not so much carried away with the novel design as I was. But if I had the same to do again I do not think I could do better.

The last time I saw that engine I found no one in the engine-room. I inquired of some one where the engineer was, and was told I would find him in the pipe-shop. I found him there at work. He told me he had not been staying in the engine-room for a long time, he had “nowt to do,” and so they gave him a job there.

When I went with Ormerod, Grierson & Co., they were deep in the execution of a large order known as the Oporto Crystal Palace. Portugal was behind every other country in Europe in its arts and manufactures. In fact, it had none at all. At Oporto there was a large colony of English merchants, by whom all the trade of the port was carried on. These had conceived the idea of holding at Oporto an international exposition, which idea was put into execution. Our firm had secured the contract for all the iron-work for a pretty large iron and glass building, and for the power and shafting for the Machinery Hall.

[105]

I was soon called on for the plans for an Allen engine to be shown there. This was to be a non-condensing engine, 14×24, to make 150 revolutions per minute, and which accordingly was made and sent, with two Lancashire boilers. I went on to attend the opening of the exposition on the first of May, 1865, and see that the engine was started in good shape.

I sailed from London on a trading-steamer for Oporto, and on the voyage learned various things that I did not know before. One of these was how to make port wine. I asked the captain what his cargo consisted of. He replied: “Nine hundred pipes of brandy.” “What are you taking brandy to Portugal for?” “To make wine.” “But what kind of brandy is it that you take from England?” “British brandy.” “What is it made from?” “Corn.” By this word he meant wheat. In England Indian corn is called maize. I do not know whether “corn” included barley and rye or not.

We had the pleasure in Oporto of meeting a Portuguese inventor. In England there then existed the rude method of announcing at each principal seaport the instant of noon by firing a cannon by an electric current from the Greenwich Observatory. The more accurate method now in use substitutes sight for sound. This inventor proposed planting a cannon for this purpose in an opening in a church tower, of which there were plenty. The hammer, by the fall of which a pill of fulminate was to be exploded and the cannon fired, was to be held up by a string. The rays of the sun were focused by a burning-glass on a point, which at the instant that the sun reached the meridian would reach this string. The string would be burned off, and the cannon would go off. In the rare case for Oporto of a cloudy day, or if for any reason the automatic action failed, it would be the duty of a priest, after waiting a few minutes to be sure of the failure, to go up and fire the gun. The enthusiastic inventor urged it on the English. It was thought, however, that the more feeble power of the sun’s rays in the higher latitude of England would not warrant the application of this ingenious invention there, and besides neither perforated church towers nor idle priests were available for the purpose.

In order to get the full point of the following story it must[106] be remembered that at that time there was not a stationary steam-engine in Portugal. English enterprise and capital had recently built a line of railway between Lisbon and Oporto, and the locomotives on that line furnished the only exhibition of steam power in the country. To the educated classes of the Portuguese, therefore, the steam-engine to be shown at the Oporto Crystal Palace was the object of supreme interest.

In one respect they used to have on the Continent a way of managing these things which was better than ours. The exhibitions were completely ready on the opening day. For example, in the French Exposition of 1867, which was the last one I attended, the jurors commenced their work of examination on the day after the opening, and completed it in three weeks. The only exception, I think, was in the class of agricultural machinery, the examination of which had to wait for the grain to grow. No imperial decree could hasten that. So the Oporto Exposition was to be complete in all its departments when the King of Portugal should declare it to be open.

I arrived in Oporto a week before the day fixed for the opening, and found a funny state of affairs existing in the engineering department. A very capable and efficient young man had been placed by our firm in charge of their exhibit. I found his work finished. The engine and shafting were in running order. Only the boilers were not ready, in explanation of which I heard this statement: Some time previously an Englishman had presented himself, bearing a commission, duly signed by the executive officials, constituting him “Chief Engineer of the Oporto Exposition,” and demanded charge of our engine and boilers, which were all there was for him to be chief engineer of. Our man very properly refused to recognize him, telling him that he had been placed in charge of this exhibit by its owners, and he should surrender it to nobody. But the new man had a pull. The managers were furious at this defiance of their authority. On the other hand, the guardian of our interests was firm. Finally, after much altercation and correspondence with Manchester, a compromise had been arranged, by which our representative retained charge of the engine and shafting, and the boilers were handed over to the “chief engineer.”

[107]

I was introduced to this functionary, and received his assurance that the boilers would be “in readiness to-morrow.” This promise was repeated every day. Finally the morning of the opening day arrived. The city put on its gala attire. Flags and banners waved everywhere. The people were awakened to a holiday by the booming of cannon and the noise of rockets, which the Portuguese sent up by daylight to explode in the air. The King and Queen and court came up from Lisbon, and there was a grand opening ceremonial, after which a royal procession made the circuit of the building.

At the hour fixed for the opening the “chief engineer” was just having a fire started under the boilers for the first time. I was, of course, pretty nervous, but our man said to me: “You go and witness the opening ceremonies. They will last fully two hours, and we shall doubtless be running when you get back.” When at their conclusion I hurried through the crowds back to Machinery Hall, there stood the engine motionless. The door to the boiler-room was shut as tightly as possible, but steam was coming through every crevice. I could not speak, but looked at our man for an explanation. “The fool,” said he, “did not know enough to pack the heads of his drum-bolts; he can get only two pounds of steam, and it blows out around all the bolts, so as to drive the firemen out of the boiler-room.” There was no help for it. The boilers had to be emptied and cooled before a man could go inside and pack those bolt-heads.

Attaching a Steam-drum to a Lancashire Boiler.

I must stop here and explain how a steam-drum is attached to a Lancashire boiler, or, at least, how it was in those days. The accompanying section will enable the reader to understand the description. The “drum” was of cast iron. The upper part, not shown, was provided with three raised faces on its sides, to two[108] of which branch pipes were bolted, each carrying a safety-valve, while the steam-pipe was connected to the third. The manhole was in the top. A cast-iron saddle was riveted on the boiler, and was provided at the top with a broad flange turning inward. This flange and the flange at the base of the drum had their surfaces planed, and a steam-joint was made between them with the putty. Square bolt-holes were cored in the flange of the saddle, and corresponding round holes were bored in the flange of the drum. The bolts were forged square for a short distance under the heads, so that they would be held from turning in the square holes. These bolts were inserted from the inside of the saddle, and were packed by winding them, under the heads, with long hemp well filled with this putty. As the nut on the outside was tightened the putty was squeezed into the square hole around the bolt, and soon became hard. This packing was what the “chief engineer” had omitted. The reader is now prepared to appreciate the situation.

It was not long before the royal procession appeared at the extreme end of the hall, the King and Queen in advance, and a long line of the dignitaries of state and church, with a sprinkling of ladies, following at a respectful distance. Slowly, but inevitably, the procession advanced, between the rows of silent machinery and mad exhibitors, until, arriving near us, the King stopped. An official immediately appeared, of whom the King inquired who was present to represent the engine, or at least I suppose he did, for in reply I was pointed out to him. He stepped briskly over to me, and what do you think he said? I defy any living Yankee to guess. With a manner of the utmost cordiality, and speaking in English as if it were his native tongue, he said: “I am extremely sorry that the neglect of some one has caused you to be disappointed to-day.” Me disappointed! It almost took my breath away. Without waiting for me to frame a reply (I think he would have had to wait some time), His Majesty continued cheerily: “No doubt the defect will be remedied directly, and your engine will be enabled to run to-morrow.” Then, looking the engine over quite leisurely, he observed: “It certainly presents a fine appearance. I expect to visit the exposition again after a few days, when I shall have more leisure,[109] and will then ask you to explain its operation to me.” He then turned and rejoined the Queen, and the procession moved on, leaving me with food for reflection for many a day. I had met a gentleman, a man who under the most sudden and extreme test had acted with a courtesy which showed that in his heart he had only kind feelings towards every one. An outside imitation must have been thrown off its guard by such a provocation as that. In reflecting on the incident, I saw clearly that in stopping and speaking to me the King had only one thought, and that was to say what he could to relieve my feelings of disappointment and mortification. He had evidently been informed that I could not get any steam, and took pains and went out of his way to do this; showing a kindly and sympathetic feeling that must express itself in act and conduct even towards a stranger. I left the next day for England with some new ideas about the “effete monarchies,” and with regret that I should see His Majesty no more.

One or two observations on the Portuguese peasantry may be interesting. They did not impress me so favorably as did their King. On my first arrival I wished to have the engine turned over, that I might see if the valve motions were all right. The engineer ordered some men standing around to do this. Six of them laid hold of the flywheel, three on each side, and tugged away apparently in earnest. It did not move. I looked at the engineer in surprise. He said, “I will show you what is the matter,” ordered them all away, and himself pulled the wheel around with one hand. Then he explained: “I only wanted you to see for yourself what they are good for. We have had to bring every laborer from England. These men are on the pay-roll, and spend their time in lounging about, but no Portuguese man will work. Women do all the work in this country.”

The exposition buildings were located on a level spot on a hilltop overlooking the river Douro, at an elevation, I judged, of about 200 feet. They wished to surround them with a greensward. Between the heat and the light soil, the grass could be made to grow only by continual watering, and this is the way they did it. About 400 women and children brought up water from the river in vessels on their heads. All day long this procession was moving[110] up and down the hill, pouring the water on the ground, performing the work of a steam-pump and a 2-inch pipe.

I went to Portugal without a passport. Our financial partner told me it would be quite unnecessary. He himself had just returned from Oporto, where he went without a passport, and found that half a crown given the custom-house inspector on his arrival and departure was all he needed. I understood the intimation that if I got a passport, the fee of, I believe, a guinea would not be allowed me. So, although I went from London and could very conveniently have obtained a passport at the United States legation, I omitted to do it.

On landing at Oporto the two-and-sixpenny piece opened the kingdom of Portugal to me quite readily. Getting out, the process was different. I found that the steamer on which I had come from London would not return for a week or more after the opening of the exposition, and I was impatient to get back. A line between Liverpool and Buenos Ayres made Lisbon a port of call, and a steamer was expected en route to Liverpool in the course of three or four days after the opening; so I determined to come by that. The morning after the opening I was awakened early by a telegram informing me that the steamer had arrived at Lisbon during the preceding night, having made an unexpectedly quick run across the South Atlantic, and would sail for Liverpool that evening. The railroad ran only two trains a day, and my only way to get to Lisbon in time was to take the nine-o’clock train from Oporto. The station was on a hill on the opposite side of the Douro. There was only one bridge across the river, and that was half a mile up the stream from the hotel and from the station. Oporto boasted no public conveyance. So I hired a couple of boys to take my trunk down to the river, row me and it across, and carry it up the hill to the station. I got off with two minutes to spare.

On applying at the steamship office in Lisbon for a passage ticket, I was informed by the very gentlemanly English clerk that they were forbidden to sell a ticket to any one without a passport. “However,” he added, “this will cause you no inconvenience. The United States legation is on the second block below here. I will direct you to it, and you can obtain a passport without any trouble.” By the way, how did he recognize me as an American, and how was[111] it that I was always recognized as an American? I never could explain that puzzle.

On knocking at the door of the legation, it was opened by a colored man, who informed me that this was a fête day, and that the minister was attending a reception at the palace (this was the first time I ever heard of a royal reception in the forenoon), but if I would call again at three o’clock the passport would be ready for me. So, leaving with him my address, I left, to amuse myself as best I could till three o’clock.

On presenting myself at that hour I was informed by the same darkey that the minister would not give me a passport; that he had bidden him tell me he knew nothing about me; I might be an American or I might not: at any rate, he was not going to certify that I was. I had got into the country without a passport, and I would have to get out without one for all him. I inquired if the minister were at home. “Yes, sir,” replied the darkey, “he is at home, but he will not see you; he told me to tell you so,” and with that he bowed me out and shut the door.

I went back to the steamship office and reported my failure to my friend the clerk. He drew a long whistle. “Not see you! What’s he here for? He must be drunk; that’s it, he’s drunk.” After a minute’s reflection he added: “We must see the Secretary of State; I am well acquainted with him, and he will get you out of this mess directly. If you will kindly wait till I have finished my correspondence, which will occupy me for about half an hour, I will take you to his office. You can amuse yourself with this copy of the Times,” handing it to me.

When we reached the office of the Secretary of State we found the door locked. “Oh,” said he, “I had forgotten, this is a saint’s day, and the public offices are closed. We must go to his house.” We found the Secretary at home. I was introduced, and the Englishman told my case, of course in Portuguese. As he proceeded I saw the official brow darken. I woke up to the enormity of my offense. Little kingdom, big dignity. I had defied their laws and corrupted their official. The case looked serious. The Secretary, in fact, found it so serious that he did not feel like taking the sole responsibility of its decision, but sent out for two others of His Majesty’s advisers to consult with him. The assembling of this[112] court caused a delay of half an hour, during which I had time to conjure up all sorts of visions, including an indefinite immurement in a castle and a diplomatic correspondence, while the deuce would be to pay with my business at home.

Finally the officials sent for arrived. The instant they entered the room I was recognized by one of them. He had accompanied the King to the opening of the exposition the day before, which the pressure of public business or some game or other had prevented the Secretary of State from doing. In fact, he had headed the procession behind their Majesties and so had seen the graciousness of the King’s favor to me.

He spoke a few words to the Secretary of State, when, presto, everything was changed. The court did not convene, but instead cordial handshaking with the man on whom the beams of royal favor had shone.

I left my smiling friends with a passport or something just as good, added my twelve pounds sterling to the account of the ship, and had time before it sailed to eat a sumptuous dinner at the hotel. I was in the land of olives, and ate freely of the unaccustomed delicacy, in consequence of which I lost my dinner before the ship was well out of the Tagus and have never cared much for olives since.

I was full of wrath against the United States minister, and determined to send a protest to the State Department as soon as I reached Manchester. But there I found something else to attend to and dropped the matter. I read, however, with satisfaction, a few months after, that the item of the salary of the minister to Portugal had been cut out of the appropriation bill by the House of Representatives.


[113]

CHAPTER XI

Trouble with the Evan Leigh Engine. Gear Patterns from the Whitworth Works. First Order for a Governor. Introduction of the Governor into Cotton Mills. Invention of my Condenser. Failure of Ormerod, Grierson & Co.

T

The Evan Leigh engine was not quite ready to be started when I left England. On my return I found an unexpected trouble and quite an excitement. The engine had been started during my absence, and ran all right, but it was found almost impossible to supply the boilers with water. Two injectors were required, and two men feeding the furnaces, and everybody was agreed that the fault lay with the engine. The boilers were a pair of Harrison boilers, from which great results had been expected. These were formed of cast-iron globes, 8 inches internal diameter, with 3-inch necks, held together by bolts running through a string of these globes. They were an American invention, and naturally Mr. Luders (who was introducing them in England) and I fraternized. I felt greatly disappointed. I did not then see Mr. Leigh, but had the pleasure of an interview with his son. This young gentleman denounced me in good Saxon terms as a fraud and an impostor, and assured me that he would see to it that I never sold another engine in England. He knew that the boilers were all right. His friend Mr. Hetherington, an extensive manufacturer of spinning and weaving machinery, and who had taken the agency to sell these boilers, had had one working for a long time in company with a Lancashire boiler, and there was no difference in their performance. He finished by informing me that the engine would be put out as quickly as they could get another.

[114]

I put an indicator on the engine, and show here the diagrams it took. I could not see that much fault was to be found with those diagrams. Old Mr. Leigh, after looking at them, said nothing, but he did something. He went to an old boiler-yard and bought a second-hand Lancashire boiler, had it carted into his yard and set under an improvised shed alongside his boiler-house, and in two or three days it was supplying the steam for my engine, and all difficulties had vanished. The consumption of steam and coal fell to just what it had been calculated that it should be, and everybody felt happy, except my friend Mr. Luders, who, notwithstanding his grievous disappointment, had never gone back on me, and young Mr. Leigh, who owed me an apology which he was not manly enough to render. Repeated efforts were tried to make the Harrison boilers answer, but the result was always the same, and they were abandoned.

Diagrams from Engine of Evan Leigh, Son & Co. Sixteen Pounds to the Inch.

And, after all, the fault was largely mine. I did not think of it till long afterwards, and it did not occur to anybody else, not even to those most deeply interested in the boiler. My surface condenser was the cause of all the trouble, and that was why I have to this day deeply regretted having put it in. The oil used[115] in the cylinder was all sent into the boilers, and accumulated there. It saponified and formed a foam which filled the whole boiler and caused the water to be worked over with the steam as fast as it could be fed in. I have always wondered why the engine, being vertical, should not have exhibited any sign of the water working through it at the upper end of the cylinder. The explanation after all appears simple. The water on entering the steam chest mostly fell to the bottom and little passed through the upper ports. The trouble from oil was not felt at all in the Lancashire boiler. This, I suppose, was due to three causes. The latter held a far greater body of water, had a much larger extent of evaporating surface, and far greater steam capacity. I was always sorry that I did not give the Harrison boiler the better chance it would have had with a jet condenser.

In this pair of diagrams, which are copied from the catalogue of Ormerod, Grierson & Co., the low steam pressure, 29 pounds above the atmosphere, will be observed. This was about the pressure commonly carried. The pressure in the exhibition boilers, 75 pounds, was exhibited by Mr. John Hick, of Bolton, as a marked advance on the existing practice.

In preparing for the governor manufacture I had my first revelation of the utter emptiness of the Whitworth Works. Iron gear patterns were required, duplicates of those which had been cut for me at home by Mr. Pratt. The blanks for these gears were turned as soon as possible after I reached Manchester, and sent to the Whitworth Works to be cut. It seemed as though we should never get them. Finally, after repeated urging, the patterns came. I was sent for to come into the shop and see them. They were in the hands of the best fitter we had, who, by the way, was a Swedenborgian preacher and preached every Sunday. The foreman told me he had given them to this man to see if it was possible to do anything with them, and he thought I ought to see them before he set about it. I could hardly believe my eyes. There was no truth about them. The spaces and the teeth differed so much that the same tooth would be too small for some spaces and could not be wedged into others; some would be too thick or too thin at one end. They were all alike bad, and presented all kinds of badness. It was finally concluded to make[116] the best of them, and this careful man worked on them more than two days to make them passable.

The first governor order that was booked was the only case that ever beat me. I went to see the engine. It was a condensing beam-engine of good size, made by Ormerod, Grierson & Co. to maintain the vacuum in a tube connecting two telegraph offices in Manchester, and had been built to the plans and specifications of the telegraph company’s engineer. The engine had literally nothing to do. A little steam air-pump that two men could have lifted and set on a bench would have been just suitable for the work. They could not carry low enough pressure nor run slowly enough. On inspection I reported that we should have nothing to do with it.

The custom of making whatever customers order and taking no responsibility was first illustrated to me in this curious way. I saw a queer-looking boiler being finished in the boiler-shop. In reply to my question the foreman told me they were making it for a cotton-spinner, according to a plan of his own. It consisted of two boilers, one within the other. The owner’s purpose was to carry the ordinary steam pressure in the outer boiler, and a pressure twice as great in the inner one, when the inner boiler would have to suffer the stress of only one half the pressure it was carrying.

I asked the superintendent afterwards why they did not tell that man that he could not maintain steam at two different temperatures on the opposite sides of the same sheets. He replied: “Because we do not find it profitable to quarrel with our customers. That is his idea. If we had told him there was nothing in it, he would not have believed us, but would have got his boiler made somewhere else.”

Perhaps the most curious experience I ever had was that of getting the governor into cotton-mills. There was a vast field all around us, and we looked for plenty of orders. This was the reception I met with every time. After listening to the winning story I had to tell, the cotton lord would wind up with this question: “Well, sir, have you got a governor in a large cotton-mill?” After my answer in the negative I was bowed out. I early got an order from Titus Salt & Son, of Saltaire, for two large governors[117] but these did not weigh at all with a cotton-spinner; they made alpaca goods.

The way the governor was finally got into cotton-mills, where afterwards its use became general, was the most curious part. A mill in the city of Manchester was troubled by having its governor fly in pieces once in a while. After one of these experiences the owners thought that they might cure the difficulty by getting one of my governors. That flew in pieces in a week. I went to see the engine. The cause of all the trouble appeared at a glance. The fly-wheel was on the second-motion shaft which ran at twice the speed of the main shaft, and the gearing between them was roaring away enough to deafen one. The governor was driven by gearing. The vibrations transmitted to the governor soon tired the arms out. I saw the son of the principal owner, and explained the cause of the failure of every governor they had tried, and told him the only remedy, which would be a complete one, would be to drive the governor by a belt. That, he replied, was not to be thought of for an instant. I told him he knew himself that a governor could not endure if driven in any other way, and that I had hundreds of governors driven by belts, which were entirely reliable in all cases. “But,” said he, “supposing the belt runs off the pulley.” “The consequence,” I replied, “cannot be worse than when the governor flies in pieces.” After wasting considerable time in talk, he said, “Well, leave it till my father comes home; he is absent for a few days.” “No,” said I, “if I can’t convince a young man, I shall not try to convince an old man.” Finally, with every possible stipulation to make it impossible for the belt to come off, he yielded his assent, and I had the governor on in short order, lacing the belt myself, to make sure that it was butt-jointed and laced in the American fashion.

More than three years afterwards, two days before I was to sail for home, I met this man on High Street, in Manchester. It was during the Whitsuntide holidays, and the street was almost deserted. He came up to me, holding out both hands and grasping mine most cordially. “Do you know,” said he, “that we have increased our product 10 per cent., and don’t have half as many broken threads as we had before, and it’s all that belt.”

[118]

Condenser and Air-pump designed by Mr. Porter. (Cross-section)

The tendency towards the horizontal type of engine, in place of the beam-engine, began to be quite marked in England about that time. This was favorable to the use of the Allen engine. The only thing that seemed wanting to its success was a directly connected jet condenser. No one believed that an air-pump could be made to run successfully at the speed of 150 double strokes per minute. Yet this had to be done, or I could not look for any considerable adoption of the high-speed engine. This[119] subject occupied my mind continually. When I returned from Oporto, I had thought out the plan of this condenser, and at once set about the drawings for it. No alteration was ever made from the first design of the condenser, which I intended to show with the engine at the coming Paris Exposition in 1867, and which I finally did succeed in showing there, but under very different and unexpected relations.

The philosophy of this condenser is sufficiently shown in the accompanying vertical cross-section. A hollow ram, only equal in weight to the water which it displaced, ran through a stuffing-box at the front end of the chamber, and was connected with an extension of the piston-rod of the engine. So the center line of the engine extended through this single-acting ram, which had the full motion of the piston. It ran through the middle of a body of water, the surface of which fell as the ram was withdrawn, and rose as it returned. A quiet movement of the water was assured by three means: First, the motion of the ram was controlled by the crank of the engine, and so began and ceased insensibly. Second, the motion of the ram, of two feet, produced a rise or fall of the surface of the water of only about one inch. Third, the end of the ram was pointed, a construction which does not appear in this sectional view, permitting it to enter and leave the water at every point gradually. Both the condenser and the hot-well were located above the chamber in which the ram worked.

The problem was to obtain complete displacement by means of solid water without any admixture of free air, the expansion of which as the plunger was withdrawn would reduce the efficiency of the air-pump. To effect this object the air must be prevented from mingling with the water, and must be delivered into the hot-well first. This was accomplished by two means: First, placing the condenser as well as the hot-well above the air-pump chamber, as already stated, and secondly, inclining the bottom of the condenser, so that the water would pass through the inlet valves at the side farthest from, and the air at the side nearest to, the hot-well. Thus the air remained above the water, and as the latter rose it sent the air before it quite to the delivery valves. Pains were taken to avoid any place where air could be[120] trapped, so it was certain that on every stroke the air would be sent through the delivery valves first, mingled air and water, if there were any, next, and the solid water last, insuring perfect displacement.

I have a friend who has often asked me, with a manner showing his conviction that the question could not be answered, “How can you know that anything will work until you have tried it?” In this case I did know that this condenser would work at rapid speed before I tried it. The event proved it, and any engineer could have seen that it must have worked. The only question in my mind was as to the necessity of the springs behind the delivery valves. Experiment was needed to settle that question, which it did in short order. At the speed at which the engine ran, the light springs improved the vacuum a full pound, showing that without them these valves did not close promptly.

The following important detail must not be overlooked. The rubber disk valves were backed by cast-iron plates, which effectually preserved them from being cut or even marked by the brass gratings. These plates were made with tubes standing in the middle of them, as shown. These tubes afforded long guides on the stems, and a projection of them on the under side held the valves in place without any wear. They also determined the rise of the valves. The chambers, being long and narrow, accommodated three inlet and three outlet valves. The jet of water struck the opposite wall with sufficient force to fill the chamber with spray.

When the plans for this condenser were completed, and the Evan Leigh engine had been vindicated, I felt that the success of the high-speed system was assured, and looked forward to a rapidly growing demand for the engines. We got out an illustrated catalogue of sizes, in which I would have put the condenser, but the firm decided that it would be better to wait for that until it should be on the same footing with the engine, as an accomplished fact.

Suddenly, like thunder from a clear sky, I received notice that Ormerod, Grierson & Co. were in difficulties, had stopped payment, placed their books in the hands of a firm of accountants, and called a meeting of their creditors, and the works were closed.[121] Some of their enormous contracts had proved losing ones. I had made such provision in my contract with them that on their failure my license to them became void. Otherwise it would have been classed among their assets.


[122]

CHAPTER XII

Introduction to the Whitworth Works. Sketch of Mr. Whitworth. Experience in the Whitworth Works. Our Agreement which was never Executed. First Engine in England Transmitting Power by a Belt.

I

I was still debating with myself what course to take, when I received a note from Mr. W. J. Hoyle, secretary of the Whitworth Company, inquiring if I were free from any entanglement with the affairs of Ormerod, Grierson & Co., to which I was able to make a satisfactory reply. Mr. Hoyle was then a stranger to me. It appeared that he was an accomplished steam engineer, and had been employed as an expert to test one of my engines in operation, an engine which we had made for a mill-owner in Bradford. He had been very favorably impressed by the engine, so much so as to form this scheme. He had been with the Whitworth Company only a short time, and was struck with the small amount of work they were doing in their tool department; and after his observation of the engine at Bradford, learning of the stoppage of Ormerod, Grierson & Co., it occurred to him that it would be a good thing for his company to undertake the manufacture of these engines. After receiving my answer to his preliminary inquiry, having Mr. Whitworth, as he afterwards told me, where he could not get away, on a trip from London to Manchester, he laid the plan before him and talked him into it. I directly after received an invitation to meet Mr. Whitworth at his office, and here commenced what I verily believed was one of the most remarkable experiences that any man ever had.

William J. Hoyle

[123]

In the course of our pretty long interview, which terminated with the conclusion of a verbal agreement, Mr. Whitworth talked with me quite freely, and told me several things that surprised me. One was the frank statement that he divided all other toolmakers in the world into two classes, one class who copied him without giving him any credit, and the other class who had the presumption to imagine that they could improve on him. His feelings towards both these classes evidently did not tend to make him happy. Another thing, which I heard without any sign of my amazement, was that he had long entertained the purpose of giving to the world the perfect steam-engine. “That is,” he explained, “an engine embodying all those essential principles to which steam-engine builders must sooner or later come.” This, he stated, had been necessarily postponed while he was engaged in developing his system of artillery, but he was nearing the completion of that work and should then be able to devote himself to it.

I cannot perhaps do better than stop here and give my impressions of Mr. Whitworth. He was in all respects a phenomenal man. As an engineer, or rather a toolmaker, he addressed himself to all fundamental constructive requirements and problems, and comprehended everything in his range and grasp of thought, continually seeking new fields to conquer. Long after the period here referred to he closed his long and wonderful career by giving to the world the hollow engine shaft and the system of hydraulic forging. At that time he was confidently anticipating the adoption by all nations of his system of artillery. He had made an immense advance, from spherical shot, incapable of accurate aim and having a high trajectory, to elongated shot, swiftly rotating in its flight and having a comparatively flat trajectory, and which could hit the mark and penetrate with destructive effect at distances of several miles. These fundamental features of modern artillery thus originated with Mr. Whitworth. All his other features have been superseded, but his elongated pointed rotating projectile will remain until nations shall learn war no more; a time which in the gradual development of humanity cannot be far away. Before I left England, however, he had abandoned his artillery plans in most bitter disappointment. He had met the English official mind. By the authorities of the war and navy departments it had been unanimously decided that what England wanted was, not accuracy of[124] aim and penetration at long range, but smashing effects at close quarters. The record of that is to be found in the proceedings of the House of Commons in 1868, only thirty-nine years ago. Think of that!

Mr. Whitworth was not only the most original engineering genius that ever lived. He was also a monumental egotist. His fundamental idea was always prominent, that he had taught the world not only all that it knew mechanically, but all it ever could know. His fury against tool-builders who improved on his plans was most ludicrous. He drew no distinction between principles and details. He must not be departed from even in a single line. No one in his works dared to think. This disposition had a striking illustration only a short time—less than a year—before I went there. He had no children. His nearest relatives were two nephews, W. W. and J. E. Hulse. The latter was a tool-manufacturer in Salford. W. W. Hulse was Mr. Whitworth’s superintendent, and had been associated with him for twenty-four years, for a long time as his partner, the firm being Joseph Whitworth & Company. Lately the business had been taken over by a corporation formed under the style of the Whitworth Company, and Mr. Hulse became the general superintendent.

Mr. Whitworth was taken sick, and for a while was not expected to live, and no one thought, even if he did get better, that he would ever be able to visit his works again. Mr. Hulse had been chafing under his restraint, and during Mr. Whitworth’s absence proceeded to make a few obvious improvements in their tools, such, for example, as supporting the table of their shaper, so that it would not yield under the cut. To the surprise of every one, Mr. Whitworth got well, and after more than six months’ absence, he appeared again at the works. Walking through, he noted the changes that had been made, sent for Mr. Hulse, discharged him on the spot, and ordered everything restored to its original form.

To return now to my own experience. Since Mr. Whitworth had been absorbed in his artillery development he had given only a cursory oversight to the tool manufacture. Mr. Hulse had been succeeded as superintendent by a man named Widdowson, whose only qualification for his position was entire subserviency to Mr. Whitworth.

Sir Joseph Whitworth

[125]

My drawings and patterns were purchased by the Whitworth Company, and I was installed with one draftsman in a separate office, and prepared to put the work in hand at once for a 12×24-inch engine for the Paris Exposition, where Ormerod, Grierson & Co. had secured the space, and the drawings for which I had completed. If I remember rightly, the patterns were finished also. While I was getting things in order, Mr. Widdowson came into my office, and in a very important manner said to me: “You must understand, sir, that we work here to the decimal system and all drawings must be conformed to it.” I received this order meekly, and we went to work to make our drawings all over, for the single purpose of changing their dimensions from binary to decimal divisions of the inch. There was of course quite a body of detail drawings, and to make these over, with the pains required to make these changes to an unaccustomed system, and make and mount the tracings, took us nearly three weeks. When finished I took the roll of tracings to Mr. Widdowson’s office. He was not in, and I left them for him. An hour or so later he came puffing and blowing into my office with the drawings. He was a heavy man, and climbing upstairs exhausted him. When he got his breath, he broke out: “We can’t do anything with these. Haven’t got a decimal gauge in the shop.” “You gave me express orders to make my drawings to the decimal system.” “Damn it, I meant in halves and quarters and all that, and write them decimals.” So all that work and time were thrown away, and we had to make a new set of tracings from the drawings I had brought, in order to figure the dimensions in decimals. He told me afterwards that when Mr. Whitworth commenced the manufacture of cylindrical gauges he made them to the decimal divisions of the inch, imagining that was a better mode of division than that by continual bisection, and supposing that he had influence enough to effect the change. But nobody would buy his gauges. He had to call them in and make what people wanted. “And now,” said Mr. Widdowson, “there is not a decimal gauge in the world.” He knew, too, for up to that time they made them all. So Mr. Whitworth could make a mistake, and I found that this was not the worst one that he had made.

[126]

While time was being wasted in this manner, the subject of manufacturing the governors came up. Mr. Whitworth concluded that he would first try one on his own shop engine, so one was bought from Ormerod, Grierson & Co. I had a message from Mr. Widdowson to come to the shop and see my governor. It was acting in a manner that I had seen before, the counterpoise rising and dropping to its seat twice every time the belt lap came around. “Total failure, you see,” said Mr. Widdowson, “and I got a new belt for it, too.” I saw a chance to make an interesting observation, and asked him if he would get an old belt and try that. This he did, lapping the ends as before about 18 inches, according to the universal English custom, which I had long before found it necessary carefully to avoid. As I knew would be the case, the action was not improved at all. I then cut off the lap, butted the ends of the belt, and laced them in the American style, and lo! the trouble vanished. The governor stood motionless, only floating up and down slightly with the more important changes of load. Mr. Whitworth was greatly pleased, and at once set about their manufacture, in a full line of sizes.

He made the change, to which I have referred already, from the urn shape to the semi-spherical form of the counterpoise. In this connection he laid the law down to me in this dogmatic fashion: “Let no man show me a mechanical form for which he cannot give me a mechanical reason.” But Jove sometimes nods. They were to exhibit in Paris a large slotting-machine. The form of the upright did not suit Mr. Whitworth exactly. He had the pattern set up in the erecting-shop, and a board tacked on the side, cut to an outline that he directed. He came to look at it every day for a week, and ordered some change or other. Finally it was gotten to his mind, the pattern was altered accordingly, and a new casting made. This was set up in the shop, and I happened to be present when he came to see it. “Looks like a horse that has been taught to hold his head up,” said he. “Mechanical reason,” thought I, fresh from my lesson. When finished the slotting-machine was tried in the shop, and found to yield in the back. The tool sprang away from its work and rounded the corner. Mr. Whitworth had whittled the pattern away and ruined it. Instead of being sent to Paris, it was broken up.

[127]

My experiment with the governor proved the defect in the English system of lacing belts. Every machine in the land, of whatever kind, tool or loom or spinning or drawing frame, or whatever it was, driven by a belt, halted in its motion every time the lap in the belt passed over a pulley, sufficiently to drop my governor, when the same motion was given to it, and no one had ever observed this irregularity.

I thought they would never be ready to set about work on the engine. First, Mr. Widdowson ordered that every casting and forging, large and small, must be in the shop before one of them was put in hand. After this was done I found a number of men at work making sheet-iron templets of everything. I saw one man filing the threads in the edges of a templet for a ³⁄₈-inch bolt. When these were all finished and stamped, an operation that took quite a week, a great fuss was made about commencing work on everything simultaneously.

I went into the shop to see what was going on. The first thing to attract my attention was the steam-chest, then made separate from the cylinder. A workman—their best fitter, as I afterwards learned—was engaged in planing out the cavities in which the exhaust valves worked. I saw no center line, and asked him where it was. He had never heard of such a thing. “What do you measure from?” “From the side of the casting.” I called his attention to the center line on the drawing, from which all the measurements were taken, and told him all about it. He seemed very intelligent, and under my direction set the chest up on a plane table and made a center line around it and another across it, and set out everything from these lines, and I left him going on finely. An hour later I looked in again. He was about his job in the old way. To my question he explained that his foreman had come around and told him I had no business in the shop, that he gave him his directions, and he must finish his job just as he began it.

I made no reply but went to Mr. Hoyle’s office, and asked him if he knew what they were doing in the shop. He smiled and said, “I suppose they are finally making an engine for you.” “No, they are not.” “What are they doing?” “Making scrap iron.” “What do you mean?” I told him the situation. He took his hat and went out, saying, “I must see this myself.”

[128]

A couple of hours later he sent for me, and told me this. “I have been all around the works and seen all that is doing. It is all of the same piece. I have had a long interview with Mr. Widdowson, and am sorry to tell you that we can’t make your engine; we don’t know how. It seems to be entirely out of our line. The intelligence does not exist in these works to make a steam-engine. Nobody knows how to set about anything. I have stopped the work, and want to know what you think had better be done about it?” I asked him to let me think the matter over till the next morning. I then went to him and suggested to him to let me find a skilled locomotive-erecter who was also a trained draftsman, and to organize a separate department for the engine and governor manufacture, and put this man at the head of it, to direct it without interference. This was gladly agreed to. I found a young man, Mr. John Watts, who proved to be the very man for the place. In a week we were running under Mr. Watts’ direction, and the engine was saved. But what a time the poor man had! Everything seemed to be done wrong. It is hardly to be believed. He could not get a rod turned round, or a hole bored round.

In their toolmaking they relied entirely on grinding with “Turkey dust.” I once saw a gang of a dozen laborers working a long grinding-bar, in the bore, 10 inches diameter by 8 feet long, in the tailstock of an enormous lathe. I peered through this hole when the bar was withdrawn. It looked like a ploughed field. Scattered over it here and there were projections which had been ground off by these laborers. On the other hand, the planing done in these works was magnificent. I never saw anything to equal it. But circular work beat them entirely. I found that the lathe hands never thought of such a thing as getting any truth by the sliding cut. After that they went for the surface with coarse files, and relied for such approximate truth as they did get upon grinding with the everlasting Turkey dust.

Mr. Whitworth invented the duplex lathe tool, but I observed that they never used it. I asked Mr. Widdowson why this was. “Because,” said he, “the duplex tool will not turn round.” After a while I found out why. When our engine was finished, Mr. Widdowson set it upon two lathe beds and ran it. Lucky that[129] he did. The bottom of the engine bed was planed, and it could be leveled nicely on the flat surfaces of their lathe beds. The fly-wheel ran nearly a quarter of an inch out of truth. He set up some tool-boxes on one of the lathe beds, and turned the rim off in place, both sides and face being out. That, of course, made it run perfectly true. I asked the lathe hand how he could turn out such a job. He replied, “Come and see my lathe.” I found the spindle quite an eighth of an inch loose in the main bearing, the wear of twenty or thirty years. He told me all of the lathes in the works were in a similar condition. That explained many things. The mystery of those gear patterns was solved. Every spindle in the gear-cutting machine was wabbling loose in its holes. I can’t call them bearings. Now it appeared why they could not use the duplex tools. With a tool cutting on one side, they relied on the pressure of the cut to keep the lathe spindle in contact with the opposite side of its main bearing, and a poor reliance that was, but with a tool cutting on each side, fancy the situation. Then boring a true hole was obviously impossible. The workmen became indifferent; they had no reamers, relied entirely on grinding. I asked, Why do you not renew these worn-out bushings? but could never get an answer to the question. Some power evidently forbade it, and the fact is that no man about the place dared to think of such a thing as intimating to Mr. Whitworth that one of his lathe bearings required any fixing up, or that it was or could be anything short of perfect. He (Mr. Whitworth) had designed it as a perfect thing; ergo, it was perfect, and no man dared say otherwise.

Our engine work was finally, as a last resort, done by Mr. Watts on new lathes, made for customers and used for a month or two before they were sent out. Not only in England, but on the Continent and in America, the Whitworth Works were regarded as the perfect machine-shop. I remember a visit I had at the Paris Exposition from Mr. Elwell, of the firm of Varrell, Elwell & Poulot, proprietors of the largest mechanical establishment in Paris. After expressing his unbounded admiration of the running of the engine, he said, “I warrant your fly-wheel runs true.” After observing it critically, he exclaimed, “Ah, they do those things at Whitworth’s!”

[130]

The fact was Mr. Whitworth had cursed the British nation with the solid conical lathe-spindle bearing, a perfect bearing for ordinary-sized lathes and a most captivating thing—when new. These hardened steel cones, in hardened steel seats, ran in the most charming manner. But they wore more loose in the main bearing every day they ran, and there were no means for taking up the wear. It came on insensibly, and no one paid any attention to it. The cream of the joke was that people were so fascinated with this bearing that at that time no other could be sold in England, except for very large lathes. All toolmakers had to make it. I remember afterwards that Mr. Freeland, our best American toolmaker, who, as I have already mentioned, went to England and worked for some years as a journeyman in the Whitworth Works for the purpose of learning everything there that he could, did not bring back to America the conical bearing.

The firm of Smith & Coventry were the first to fit their lathes with the means for taking up this wear, which took place only in the main bearing, where both the force of the cut and the weight of the piece were received. They made the conical seat for the back end of the spindle adjustable in the headstock and secured it by a thin nut on each end. This then could be moved backward sufficiently to let the forward cone up to its seat. This made it possible to use the solid bearing, but it involved this error, that after this adjustment the axis of the spindle did not coincide with the line connecting the lathe centers; but the two lines formed an angle with each other, which grew more decided every time the wear was taken up. This, however, was infinitely better than not to take up the wear at all.

At that time the Whitworth Works were divided into four departments. These were screwing machinery, gauges, guns and machine tools. The first three of these were locked. I never entered either of them. The latter also, like most works in England, was closed to outsiders. No customer could see his work in progress. This department was without a head or a drawing-office. It seemed to be running it on its traditions. I once said to Mr. Hoyle, “There must at some time have been here mechanical intelligence of the highest order, but where is it?” They had occasionally an order for something out of their ancient[131] styles, and their attempts to fill such orders were always ruinous. The following is a fair illustration. They had an order for a radial drill to be back-geared and strong enough to bore an 8-inch hole. Mr. Widdowson had the pattern for the upright fitted with the necessary brackets, and thought it was such a good thing that he would make two. The first one finished was tried in the shop, and all the gears in the arm were stripped. He woke up to the fact that he had forgotten to strengthen the transmitting parts, and moreover that the construction would not admit anything stronger. There was nothing to be done but to decline the order, chip off the brackets, and make these into single-speed drills. This I saw being done.

Mr. Widdowson told me the following amusing story. The London Times had heard of the wonderful performance of Mr. Hoe’s multiple-cylinder press, and concluded to have one of them of the largest size, ten cylinders. But, of course, Mr. Hoe did not know how to make his own presses. His work would do well enough for ignorant Americans, but not for an English Journal. The press must be made in England in the world-renowned Whitworth Works.

Mr. Hoe sent over one of his experts to give them the information they might need, but they would not let him in the shop. Mr. Hulse told him they had the drawings and specifications and that was all they needed. When the press was finished they set it up in the shop and attempted to run it. The instant it started every tape ran off its pulleys, and an investigation showed that not a spindle or shaft was parallel with any other. They had no idea of the method that must be employed to ensure this universal alignment. After enormous labor they got these so that they were encouraged to make another trial, when after a few revolutions every spindle stuck fast in its bearings.

Mr. Whitworth, absorbed in his artillery and spending most of his time in London, of course had no knowledge of how things were going on in his shop, of the utter want of ordinary intelligence.

I formed a scheme for an application of Mr. Whitworth’s system of end measurement to the production of an ideally perfect dividing-wheel. In this system Mr. Whitworth employed what he termed “the gravity piece.” This was a small steel plate about[132] ¹⁄₈ of an inch in thickness, the opposite sides of which were parallel and had the most perfectly true and smooth surfaces that could be produced by scraping. The ends of the piece to be tested were perfectly squared, by a method which I will not stop here to describe, and were finished in the same manner. The gravity piece was held fast between two such surfaces. None of the pieces were permitted to be touched by hand while an observation was being made. If now one of these pieces were loosened the millionth of an inch, the gravity piece would slide slowly down. If loosened two millionths of an inch, the gravity piece would descend twice as fast, and so on. I made a design for the application of this system to the correction of the dividing-wheel, so that a difference of pitch of one millionth of an inch could be shown and removed, the gravity piece being made to descend at the same rate of motion to whatever tooth it might be applied. I thought Mr. Whitworth would be interested in this novel and important application of his method, and I showed it to him. This was the encouraging and patronizing reply I received: “You had better inform yourself, sir, about what already exists. You will find a perfect dividing-wheel in my shop. What do you want better than that?” This wheel had divided my governor gear patterns, but spindles wabbling loose in their holes accounted for most of their defects.

The above recital is sufficient to show the conditions by which I found myself surrounded and the kind of man I had to deal with.

It may be supposed that when my agreement with Mr. Whitworth was concluded, the disappointment I had experienced on the stoppage of Ormerod, Grierson & Co. was quite relieved. But that does not express it. In fact, my revulsion of feeling could hardly be described. I believed that I had met a piece of good fortune that was unparalleled. I had got into the most famous machine-shop in the world, a shop in which in years gone by had been originated almost everything then regarded as most essential in machine construction. No one had ever before introduced anything into that shop. Its business, in its various departments, was confined to the manufacture of Mr. Whitworth’s own creations. I should never have dreamed of such a thing as getting into it. That I was there, and had been received so cordially, bewildered me. I could scarcely believe it.

[133]

I knew also that Mr. Whitworth’s name was a tower of strength. His influence with the public at large respecting everything mechanical seemed really that of a magician. I felt that the fact that the manufacture of my engine and governor had been taken up by Mr. Whitworth placed them on an eminence at once.

I was conscious also that I was quite prepared to improve this opportunity, grand as it seemed to be. The engine had been abundantly proved. The success of the condenser I felt sure of, a confidence that was found to have been fully justified. Everything on my part was in readiness. The drawings and patterns for several sizes of the engines were complete. I was certainly excusable for anticipating that I should enter at once upon a rapidly growing and prosperous business.

With my rude awakening from this “dream of bliss” the reader has already been made acquainted. The causes which had brought these works, so far as their machine-tool department was concerned, down from such a height of excellence as they must for a long time have occupied, to such a depth of ignorance and helplessness as existed on my entrance into them, I never fully knew. I heard that some years before there had been an extensive strike in the works, and that Mr. Whitworth had discharged a large body of skilled workmen and had filled their places with laborers. They had a pretty large drawing-office—empty. I was told that until a short time before my coming they had kept one draftsman employed, but no one paid any attention to his drawings. Mr. Widdowson regarded them merely as suggestions, and he and the foreman pattern-maker altered them as they liked, and finally the farce of having drawings made at all was abandoned. It was not found difficult to run these closely shut works for a long time on their reputation.

The state of affairs was distressing enough. The few engines that we could manage to finish we could only build, in many of their parts, on new lathes, which were used by them as long as they dared to, before sending them to their owners. But I kept up a brave heart. At any rate the personal influence of Mr. Whitworth remained. Indeed I already saw its value in many ways. Then the pattern-shop, foundry and smith-shop were equal to our requirements, and I felt confident that Mr. Hoyle[134] could induce Mr. Whitworth to have the improvements and changes made, especially in the lathes and boring-machines, which would make it possible for us to do the work. Mr. Hoyle had become famous in the shop as the only man who had ever been able to influence Mr. Whitworth. He had lately given a striking example of his power. Mr. Whitworth was, years before, the designer of the box frame, which gave to many machine tools a rigidity incomparably superior to that which could be got by any method of ribbing. This box system was then established in universal use, both in England and on the Continent. Not long before my coming Mr. Whitworth had been looking into the cost of the cores that these box forms required, and concluded that he could not allow such an expense any longer, and ordered a return to the method of ribbing. The superintendent and foremen, to whom this order was communicated, were amazed at so ruinous and indeed insane a step. No one else dared to open his mouth; but Mr. Hoyle undertook the task of dissuading him from it, and after a long struggle finally succeeded in inducing him to rescind his order. So I confidently looked to him for the salvation of the engine.

Then suddenly a new trouble arose. After a delay of some months, the agreement between Mr. Whitworth and myself, reduced to writing by his solicitor, was put into my hands for signature. I found that it corresponded with our verbal agreement, except that Mr. Whitworth reserved to himself the right to make alterations in the engine, in any respect whatever, in his discretion. To say that I hesitated about signing such an abandonment would not be true; I never thought of such a thing as signing it. Mr. Whitworth was probably the only man in the world who would have thought of making such a demand, and was certainly the last man in the world to whom it should be granted.

The first thing he would probably have done would have been to make the crank and cross-head pins run in solid bearings. I had regarded his talk about “the perfect steam-engine” at our first interview as idle words; but here was the provision for giving these words effect. Indeed, he now assured me that the opening to his scheme afforded by my engine formed his inducement for[135] taking it up, and that he expected me to understand that from what he then said. Here was a situation! I knew that in the multifarious excursions of his restless mind the steam-engine had never been included. These excursions seemed to have led in all directions except that. About the steam-engine and its “fundamental principles,” except those constructive principles that it had in common with all machines, I was sure he had not the least idea. The scheme was childish. I could only think of the little boy who wanted a penny to go down-town. “What are you going to buy?” said his amused father. “I don’t know; shall see something I want when I get there.” This seemed to me, and correctly as I afterwards became satisfied, to represent Mr. Whitworth’s “open-mindedness” on this subject.

Now, Mr. Whitworth was the most dangerous man possible to be entrusted with such a power. He could not work with anybody else. His disposition was despotic. He looked only for servile obedience to his orders. Besides this, he had no conception of the law of growth. In his own mind he had anchored both tool construction and gunnery where they were to remain forever, and he purposed to do the same thing with the steam-engine, as soon as he should have time to attend to it.

So our agreement never was executed. I confidently expected him to yield on this point, which I was settled that I would never do, and I found in the end that he as confidently expected me to yield, which he was settled that he would never do. Meanwhile we got along on a modus vivendi plan, which could only last through an emergency, and during which, of course, nothing could be done towards settling the business on a substantial foundation. The emergency in this case was getting through the Paris Exposition. Before coming to that, however, I have something else to relate.

We received an order from Pooley & Son, proprietors of the India Mills, Manchester, for a horizontal condensing engine to drive the machinery of their blowing-room, that in which the cotton is opened and cleaned and receives its first carding operations. The growth of their business had made it necessary for them to increase their power, which they planned to do by driving this portion of their machinery separately. This engine was interesting[136] for two reasons. It was the first engine ordered in England to which my horizontal condenser was applied, and it was the first mill engine in England from which the power was transmitted by a belt.

My business was transacted entirely with the younger Mr. Pooley, who seemed to be the practical head of the concern. Our first meeting has remained vivid in my recollection, as illustrating the English brusqueness of manner.

Calling at his office in response to an invitation by post, I was met on opening the door after the call “come in” by the abrupt question, “What do you want?” I was not wholly unused to this kind of greeting and so told him who I was and what I wanted, when of course his manner changed at once. We became very good friends, and should he be living and this meet his eye, I send him my salutation.

We had quite a discussion on the question of a belt. I urged it, and he would not listen to it. My statement that belts were used exclusively in cotton-mills in America had no influence. I discovered that it makes all the difference in the world who tells a thing. After he had, as we both supposed, made his final decision to follow the universal custom and employ gearing, he happened to meet his friend Mr. Hetherington, the same man already mentioned in connection with the Harrison boiler. Mr. Hetherington had just returned from a trip to “the States,” and had visited the Lowell and Lawrence cotton-mills, and this was part of their conversation:

“Did you see anywhere power taken from a prime mover by a belt?”

“I did not see anything else.”

“Is that so? This is just what Porter told me, but I could not credit it. Did they seem to give satisfaction?”

“That is what every one assured me. They would not use anything else.”

And so I received an order for a belt, 24 inches wide, to be imported from America, with the clamps, rivets, and cement needed to put it on endless, an operation of which no workman in England had any idea, so I had to do it myself. I sent the order to Mr. Allen to be placed, and received quite promptly a[137] carefully selected belt, of hides of uniform thickness, which gave the highest satisfaction.

The following is a copy of the bill for the first American belt ever sent to England. I included an order for a side of lace leather, to enable them to try the American style of lacing belts. This leather is horse hide, their sheep-skin lacing would not be strong enough.

New York, December 15, 1866.

Mr. Chas. Pooley.

Bought of STEPHEN BALLARD,
(Successor to Stearns & Ballard),
Manufacturer of Every Description of Leather Belting,
Also, Dealer in Vulcanized Rubber Belting, Hose and Packing, Belt Rivets,
Belt Hooks, etc.,
Extra Quality Lacing Leather,
No. 333 Pearl Street, Franklin Square (Harpers’ Building).

51 ft. 24-inch Donb Belt 692 352.91  
2 lbs. Rivets 80 1.60  
1  „  Cement   1.00  
1 Side Lacing   5.00  
  Cartage   .50  
1 Cask   1.25  
  Insurance   4.15 366.52
  Collection 2¹⁄₂%     9.16
        375.68

I put this belt on quite loose. The bottom side was the tight one, and the upper side hung in a loop nearly three feet deep. This exhibited the uniform running of the engine in a striking manner. As is well known, variations of speed produce waves in such a loop, the height of which waves indicates the amount of these variations. This belt hung motionless. The most careful observations on the loop did not indicate that it was running at all. The engine had no fly-wheel; the belt drum, 10 feet in diameter, served this purpose also. This showed the value in this respect of high speed, 150 turns per minute. This absolute uniformity of motion surprised me, I knew nothing about the equalizing action of the reciprocating parts of the engine, to which this remarkable result was largely due. I was then absorbed[138] in balancing, which was as far as I had advanced, and in this case, as previously in the governor, I “had builded better than I knew.”

The accompanying diagrams are from a duplicate of the Pooley engine built at the same time for a Mr. Adams, a paper-maker in the north of England. This engine was directly connected to the line of shaft. I was called home from Paris to go to Mr. Adams’ mill and start that engine. Mr. Adams’ mill was not yet connected, and I was obliged to return to Paris after taking friction diagrams, of which the following are examples.

ATMOSPHERE
SCALE, 16 LBS. TO 1 INCH

ATMOSPHERE
SCALE, 16 LBS. TO 1 INCH

Diagrams from Engine Built for Mr. Adams.


[139]

CHAPTER XIII

The French Exposition of 1867. Final Break with Mr. Whitworth.

T

The French Exposition of 1867 was the second in the series of expositions held in Paris at intervals of eleven years, from the first in 1856 to the last, thus far, in 1900. In this exposition the Emperor Napoleon planned to celebrate his entrance uninvited into the select circle of crowned heads by bringing all his new cousins to visit him in his capital. He succeeded pretty well. Asia was represented by the Sultan of Turkey and the Shah of Persia. All the sovereigns of Europe were there (but not all at the same time) with the exceptions of Victor Emmanuel, who said he was too poor to go, and Queen Victoria, who could not be induced to leave her retirement. The sovereign people of the United States were also pretty well represented. One other “emperor” was not there. With the zeal of a new convert, Louis Napoleon had attempted to take advantage of the circumstance that the United States had business enough of their own to attend to, and improve the opportunity to plant monarchical institutions on this continent. Maximilian, a brother of the Emperor of Austria, the first and last Emperor of Mexico, was installed under the protection of French bayonets. Affairs in the United States did not take the turn that Napoleon had hoped for, and in compliance with a courteous request from the President that he would withdraw his troops from Mexico and save him the disagreeable necessity of driving them out, the French withdrew, leaving the unfortunate Maximilian a prisoner in the hands of the Mexicans.

On a day in the summer of 1867, a grand function was celebrated in the Palais de l’Industrie, the building on the Avenue[140] des Champs Elysées in which the exposition of 1856 had been held, for the distribution of gold medals to the successful exhibitors in this exposition of 1867. The Emperor presided, surrounded by sovereigns and their suites, and an assembly of 20,000 invited guests and holders of season tickets. In the midst of the ceremonies, an official entered and handed to the Emperor an envelope. After reading its contents he crossed over to the seat of the Austrian ambassador and placed it in his hands. After reading it the ambassador withdrew with his suite, and the proceedings were continued to their close. That evening the public learned what this envelope contained. It was a cablegram announcing the execution of the quondam emperor, Maximillian, by the Mexican government. From this point the fall of Napoleon proceeded steadily until he became “the man of Sedan.” This dramatic scene, marking the culminating point in his career, has, I believe, escaped the notice of historians.

The main building of the exposition of 1867, the first one held on the Champ de Mars, was designed on a plan that has not been repeated. It was a long building with semicircular ends, built around a narrow open court, the length of which was equal to that of its parallel sides. It was divided among the nations as a Yankee would divide a pie if baked in a dish of similar form, while the various classes of exhibits occupied, in the several nations, spaces equally distant from the central court. Thus, as assumed in the plan, the visitor passing through any radial avenue would see all the exhibits from one country, and passing through an avenue laid out around the central court would see all the exhibits of one class. The fine arts were at the center, much of the statuary in the open court, then decorative art, and so on, class after class, until that of machinery which surrounded the whole, except that outside of this were the restaurants of all nations.

The plan was practically on many accounts a failure, first, from the exceedingly unequal lengths of floor spaces allotted to the different departments, the mean length of the machinery court, for example, being between two and three times that devoted to the fine arts, and, second, that it was utterly inadequate to accommodate the exhibits in many departments. There was no adaptability in the system. The consequence was the erection, in the[141] ample outside area of the Champ de Mars, of an enormous number of separate buildings, by all nations, for particular classes of exhibits, some of which buildings were quite large.

Although I exhibited in the British section, I sympathized deeply with the American exhibitors, who were having lots of trouble. Mr. Seward had appointed as the United States commissioner an American gentleman who had lived in France for twenty years, who was ignorant of America and Americans in a phenomenal degree, and was indifferent and despotic in his treatment of the helpless exhibitors, until their exasperation reached such a pitch that I heard it said every one of them would be glad to pull on a rope to hang him. I will give two illustrations.

Mr. Corliss had been persuaded by Mr. Pickering to send over an engine to drive the United States machinery exhibit. When the engine arrived, it was found that the commissioner, although he had been advised of this arrangement, had paid no attention to it, but had purchased a French engine and installed it already for this purpose. The Corliss engine was set by the side of this one, and ran idle through the exhibition; never had a belt on. To make the matter worse, the French engine was run every Sunday, although the entire United States exhibit was covered up, and, as it could not run longer than a week without stopping for repairs, it was idle for this purpose every Monday, and this arrangement was sustained by the commissioner.

As other nations were putting up separate buildings for the overflow of their exhibits, the commissioner thought the United States should do the same. So in the winter previous he had got a special appropriation for this purpose through Congress, and erected his building. When finished he found it was all a blunder: he had absolutely nothing to put in it. The United States exhibitors were fully accommodated in the main building. What does he do but order enough of them into the side building to fill it, leaving unoccupied spaces in the main building. A number of our most eminent firms were driven there, being refused space in the main building. In the machinery court an enormous empty space was rented by the commissioner to a concern manufacturing collars and cuffs.

So far as space was concerned, the machinery department[142] seemed to have the place of honor. It surrounded all the other classes of exhibits, and was much wider and higher than any other. It had a central gallery which I was told was seven eighths of a mile around. This gallery carried the shafting. The exterior location of this department was necessary, in order to have proper connection with the boilers and systems of piping for both steam and water. Except the American section, which was only one half occupied, it was crowded with exhibits. The engines exhibited in motion in the main building, of which there were a large number, were all condensing engines, water from the Seine being quite convenient.

EXPOSITION UNIVERSELLE, PARIS, 1867.
DIAGRAM FROM THE “ALLEN” ENGINE, EMPLOYED IN DRIVING MACHINERY
IN THE BRITISH SECTION, AND MANUFACTURED BY
THE WHITWORTH COMPANY, LIMITED, MANCHESTER.
ENGINE, 12 INCHES BY 24 INCHES, REVOLUTIONS PER MINUTE, 200.
SCALE, 16 LBS. TO THE INCH.

I took to this exposition five engines. One of them was 12×24 inches, making 200 revolutions per minute. I advanced the speed from 600 feet to 800 feet per minute, to show what both the engine and the condenser could do. After all, however, I did not show one half of what with proper port areas the high-speed system was capable of. The ports were insufficient, having been adapted to a speed of 150 revolutions per minute. I took great satisfaction in showing the condenser to my old friends, Easton, Amos & Sons, who were all there, at one time or another, during the exposition. Before the exposition opened we had on hand at the works four condensers, one for an engine the Whitworth Company were building for themselves, two for the parties already mentioned, and the one for the exposition engine. As this was the[143] first one required to be running, I had to make the first test of the condenser in this public way, which I immensely enjoyed doing.

Through the influence of Mr. Whitworth, we received an order from Trinity House, which is the British lighthouse board, for two engines to drive the machinery of an electric light. The English and the French governments each made an exhibit of such a light, at the summit of a high tower. The current was produced by rapidly revolving magnets, a large number of which were set in a wheel.

Everything in this English exhibit was in duplicate. The requirement was that either engine should drive either or both electric machines. This involved the use of four clutches and a lot of gearing. I measured the power required by one machine, at the works in London where they were made, indicating their shop engine with the light on and with the light off. To make sure I repeated this three times. I found that one of my engines, 6×12 inches, non-condensing, at 300 revolutions per minute, would drive the two machines, with the steam pressure we were to have, I think 70 pounds, and cut off at one quarter of the stroke, while it was capable of following five eighths of the stroke. So two of these engines were furnished. The exposition was well advanced before this machinery was ready for its trial. A large crowd had assembled to witness it. With both machines on, the engines could only crawl along. The superintendent of the British mechanical section ordered one machine taken off. There was very little improvement. Then this royal engineer, detailed from the army, and whose qualifications for his position consisted in absolute ignorance of anything mechanical, declared the trial finished, and strutted off with the remark, “There has been a great blunder made here in providing the power.” The men in charge of the machinery looked at me quite speechless. I asked them to throw off the other machine also. This was done, when it appeared that both engines, with steam following five eighths of the stroke—for I had indicators on both of them to show it—could not drive the gearing, except at a snail’s pace. They were then driven to examine the gearing for resistances, and found the teeth wedged in the spaces throughout. This gearing[144] was removed and proper running gears substituted for it, and after ten days’ delay away went the engines at full speed. On this second trial one engine could drive both machines, cutting off at one-quarter stroke, precisely as my measurement of the power had shown. They then ran perfectly through the exposition and were accepted by Trinity House. Did the superintendent apologize to me for his hasty judgment or congratulate me on my success? He never made the slightest allusion to it.

My fourth engine, of the same size, had been spoiled for practical use by having the upper half of the cylinder and steam-chest planed off, to show the cylinder and valves in section. It was belted from the large engine to run very slowly, and thus exhibited the valves and gear in motion to the end of the exposition. Mr. Whitworth wanted his friend Mr. Owen to purchase this model for the South Kensington Museum, but it appeared to Mr. Owen that Mr. Whitworth ought to present it to the museum. This I learned from Mr. Hoyle. What was finally done with it I have forgotten, if, indeed, I ever knew.

My fifth engine, of the same size, 6×12 inches, I got up to show what the capabilities of high speed really were, so far as smooth and safe running were concerned. The reciprocating parts, which weighed altogether only 40 pounds, were exactly balanced. I did this by rolling the crank-disk on a boring-table, with 40 pounds hung on the crank-pin, and cutting out the lead from the hollow disk opposite the pin, where I had purposely put it in somewhat in excess, until the pin came down to the horizontal position. This brought the inertia of the reciprocating parts of the engine, at every point in the revolution, into equilibrium with the horizontal component of the centrifugal force of the revolving counterweight. The vertical component of this force, or rather its upward stress, for downward it would be resisted by the whole mass of the earth, remained to be dealt with. To prevent the whole engine from being lifted at the crank end by this stress at every revolution might have been accomplished by putting on a heavy fly-wheel; but for my use I wanted a very small one. The fly-wheel I put on the shaft was a solid disk, 18 inches in diameter and ¹⁄₂ inch thick, with a rim 1 inch square. The bed of the engine I filled with lead, and set it on a block of[145] Caen stone 3 feet thick and wide and 5 feet long. To this stone it was firmly bolted, and I was ready for business. The governor was speeded to hold the engine at 500 turns per minute. As it might be difficult for some persons to count this speed, I put a little pinion on the end of the shaft, engaging with a larger wheel, one to ten. Fifty revolutions per minute could be accurately counted, and the speed was put beyond dispute. I was guilty of one oversight: I did not protect this gear. A French gentleman had the skirt of his frock-coat caught in it, and I thought it never would be got out. The engine had been running only two or three days, but the speed being then well established, I took off the gear. I ought to have protected it instead, and have had it to substantiate the big story I am going to tell, but it never occurred to me.

The engine running idle, I commenced very soon the exhibition for which I had made all this preparation. That was to hold the governor down by pulling the end of the lever up and letting the engine fly; which it did without a jar or a sound, only phantoms of the cross-head and connecting-rod being visible. That was my daily amusement and must have been repeated many hundred times in the course of the exposition, and of course always attracted a crowd.

We had no means of counting the speed, but I judged it to be more than 2000 turns per minute. When I released the governor and the speed fell gradually to 500 turns, it appeared to every one as if the engine were going to stop. But the governor never reacted, and soon the eye became accustomed to the slower speed. This presented quite a curious phenomenon. The connecting-rod was especially adapted to this enormous speed, by being made of the form already shown, and which I afterwards adopted for all my engines. This engine never gave any trouble, and was sold, I think to Ducommen & Co., the purchasers of the large engine. The electric light with its engines was installed at the South Foreland Lighthouse, on the Shakespeare Cliff, east of Dover, if I remember rightly. We brought nothing back to England with us.

I went to Paris a few days before the opening of the exposition, and found my main engine already in running order, installed[146] next to the Whitworth exhibit of tools, and selected by the imperial commission as one of the engines employed to give motion to the machinery exhibited.

By an imperial decree, the opening ceremonial of the exhibition was to take place on Monday, April 2, at 2 P.M., and everything was to be absolutely completed before that hour. The engines were to have been tested the previous Saturday. Every engine in the building was ready, but the imperial commission itself was behind. There was no steam. The first interview I had with the superintendent of the British machinery department was on this Saturday, when he came around to notify the several English engine exhibitors to be in readiness to run their engines the next day, Sunday, in order to make sure that there should be no hitch on Monday, I told him I should not run my engine on Sunday. “Very well,” said he, “we will run it for you,” and stalked off. Before going away I took out the pin at the end of the governor lever connecting the governor with the valve motion and put it in my pocket. Never heard any reproof, put the pin back on Monday, and when they gave us steam the engine started off as if it had always been running, and continued to do so until the signal for shutting down at 5 o’clock. I had my hand on the wheel of the stop-valve to close it, when suddenly all the valve-rods of the engine bent and tangled up, and the exclamation was heard on all sides, “The high-speed engine has come to grief the very first day.”

On examination it was found that the cast-iron stuffing-box gland on one of the valve-stems had fired, and was fast on the stem. One of our troubles at the Whitworth works was the habit of the workmen, which may have been common to all toolmakers, of making close fits. We had no standard reamers nor any system whatever, and Mr. Watts, finding on his inspection everything too tight to run, had to have holes enlarged and stems reduced by grinding with Turkey dust. Sometimes this had to be done over and over. He was very thorough, but this once he missed it, with the above result. The case looked pretty bad, but luckily nothing was broken, and when the exposition opened at 9 o’clock the next morning every trace of the accident had disappeared and the engine ran as if nothing had happened, and continued to do so for several months, till the close of the[147] exposition. We took pains that night, while we were about it, to make sure against any repetition of that performance.

I had nearly forgotten to mention a little surprise that I had: The day after my arrival a friend who had preceded me a few days said to me, “Come with me; I want to show you something.” He led me through the entire circuit of the machinery hall, and showed me engines with my central counterweight governor brought to that exposition from every country in Europe. I learned afterwards in conversation that, following its exhibition in London, five years before, the use of this governor on the Continent had become quite general.

The day after the opening I asked the superintendent when I ought to expect a visit from the jury of award. I told him it was necessary that I should return to Manchester to bring over my family, and I was anxious not to miss the jury. “I would advise you,” said he, “to go at once. The jury will not be organized for a week or more.” I left that night, leaving the engine in charge of a young Frenchman to run it, and was back in five days. The first thing this man had to tell me was: “The jury were here yesterday. They did not stay but a few minutes. All their remarks that I heard were in French, so I think they must all have been Frenchmen. I heard them say, ‘An engine running at that speed (200 revolutions per minute) will knock itself to pieces before the exposition is over.” This although it was running in absolute silence before their eyes. “They did not ask me any questions.” “What did they say about the condenser?” (The Bourdon gauge showed more than 28 inches vacuum all the time.) “They laughed at that; said no engine ever maintained such a vacuum,” which was quite true. I hurriedly sought out the superintendent. In answer to my complaint he said flippantly, “Oh, that visit was only preliminary. They will be around again in a few days.” I have waited for that visit ever since. Never saw or heard of the jury any more, but when the list of gold medal awards was published my name was not on it.

I learned afterwards that the order to all the juries was to commence their labors the morning after the opening of the exposition, and have their reports in within three weeks. The superintendent must have been officially informed of this order, and[148] he deliberately misled me. I have always wondered if this was his revenge on me for not having run on Sunday as he ordered.

So far as concerns their judgment on the engine, “before the exposition was over” it had won the admiration of every engineer in Europe. Mr. John Hick of Bolton, then the leading builder of stationary engines in England, and afterwards the head of the great engineering firm of Hick, Hargreaves & Co., made a visit to the engine every afternoon during his stay, sometimes watching it for a long time. It had a fascination for him. He told me that no amount of testimony would have made him believe that an engine could have been made to run so smoothly and silently at such a speed, or to maintain such a vacuum. He said that if my engine shown in London had made anything like so favorable an impression on his mind, he would have made me a proposition for its manufacture; but it did not. The reason for this I had learned long before, the reason why it did not impress any one favorably, it was non-condensing. He added that he had since made other arrangements which made such proposition now impossible. I knew what those arrangements were. He had two years before taken up the manufacture of the Corliss engine, under the management of Mr. William Inglis, a Canadian engineer, by whom this engine had been successfully introduced into England. I knew Mr. Inglis well, and rejoiced in his success, as every one who knew him must have done. As for any rivalry between us such a thing was never thought of, there was room for both of us ten times over.

I was very courteously waited upon by a French engineer, who asked me if I were acquainted with the Deluel vacuum-gauge. I told him that I was not. He said that he was happy to introduce it to my notice. The vacuum shown by the Bourdon gauge on my condenser was so remarkable, especially with an air-pump running so swiftly, that it could not be accepted with confidence by engineers, unless actually shown by the mercurial column. The Deluel gauge was the only one in which this was employed. With many apologies for what was indeed the greatest kindness to me, he ventured to suggest that the Deluel gauge be placed on the condenser. He kindly gave me the address of the firm in Paris. A sharp Yankee will probably recognize him as an accomplished[149] drummer for the house. This did not occur to me, but I am under obligation to him all the same.

I lost no time in getting a Deluel gauge, and the same night had the condenser drilled to put it on. To my disgust no tap could be found to fit its thread. So I had to drive a wooden plug in the hole. The next day I called again at their store, nearly three miles from the Champ de Mars, and told them of my predicament. With a profusion of regrets for the inconvenience I had been put to, which he must have known that I would be, the gentleman produced a set of taps, and kindly loaned them to me, observing with evident pride that this was “a thread peculiar to their house.” The Deluel gauge was put on that night, and next morning I had the great satisfaction of seeing that its reading agreed with that of the Bourdon gauge precisely.

I neglected to patent this condenser, so there was nothing to connect me with it, and the next year coming home, where I had no occasion for it, I quite lost sight of it. But at our Centennial Exhibition, nine years after, I saw a large horizontal engine sent from Belgium with the old familiar box behind the cylinder, and about twenty years after that I had the pleasure of having the condenser described to me, as if I were a stranger to it, by Mr. F. M. Wheeler, who mentioned particularly the inclined bottom of the condensing chamber, the feature by which the air was prevented from mingling with the water. He informed me that it was a condenser then commonly used in Europe, and was seen in all illustrations of horizontal condensing engines. I have forgotten whether or not I told him what I knew about the origin of this condenser.

At this exposition only the English had a building devoted to the show of artillery. The principal features that I remember were the Whitworth and the Armstrong systems, which were elaborately represented. I used to say that the British lion here invited the other beasts to examine his teeth.

The French and the English had each a large building on the bank of the Seine devoted to naval exhibits. In the former I happened to be present at a reception held by the young Prince Imperial, at which he received the congratulations of, among others, many prominent Englishmen, some of whom I recognized.[150] How bright, then, seemed his prospects! How sad his end! But how grand for France, her return to a free republic; long may it live!

In the English naval exhibit three men made an exhibition of their childish extravagance. Models were shown of a fleet of eight vessels, each quite 10 feet long, completely and superbly finished inside and out, and entitled “England’s Fleet of the Future.” The vessels, full rigged, were built by Robert Napier. They were provided with engines made by John Penn, and carried broadsides of Whitworth guns. Recalled in the light of to-day, this costly show appears supremely ridiculous. It did not present a single feature that has not long since vanished and become almost forgotten. Both the prince and the toys furnish a lesson to the moralist. How swiftly, as by a cyclone, has all that each represented been swept away forever! What is there, in governments or in mechanism, that shall endure?

It was my good fortune one day in the latter building to meet Admiral Farragut. I heard him say, respecting this proud fleet, “When it is built, some Yankee will come with a torpedo and blow it out of the water.” One other terse reply of the old hero which I then heard is worthy to be recorded. He was asked his opinion of the monitor. “A machine to drown a man in like a rat, sir,” was his answer.

About midsummer I received an application from the firm of Ducommen et Cie. of Mulhouse, a city in the southern part of Alsace, and an important manufacturing center, whose people also had no foreboding of what was so soon to befall them, for a concession to manufacture my engines in France. They had a large exhibit at the exposition, and impressed me quite favorably. I consulted with Mr. Hoyle and replied, deferring action until a later period of the exposition. Some time in September, not having received any other application, I accepted this one. There I made a mistake. Just before the close of the exposition I received a very flattering letter from the firm of Farcot et Cie., the most eminent stationary engine-builders in France, and who showed the largest engine at the exposition. Their works were near Paris, and on their invitation, in company with Mr. Hoyle, I had visited them. They stated that, having observed closely the performance of the[151] engine through all these months, they had become convinced of its excellent and durable qualities, and solicited the right to manufacture the engine in France. I had to pay the penalty for my premature action in explaining to them with deep regret that this right was already disposed of. My regret was deepened when, in the course of the following winter, I received in Manchester copies of drawings according to which Ducommen et Cie. proposed to construct the engines. The changes they had made, all in the direction of complication, amazed me. It seemed to have rained bolts and nuts. Every constructive requirement of a successful high-speed engine was ignorantly sacrificed. After full consultation Mr. Hoyle and I agreed that the case was hopeless, that they would never do anything; and they never did. I have no photographs of the Paris Exposition. It was a very singular thing that none were taken there, so far as I ever heard.

Near the close of the exposition I had another visit from Mr. Allen. He had been sent over by our associates to see for himself and to report to them what I had really accomplished. He stayed with me a little while after our return to Manchester. Mr. Whitworth treated us with the greatest civility. On his invitation we rode out to his country home and spent the day with him. This visit is worth recording. His estate lay in Derbyshire, adjacent to Chatsworth, the well-known seat of the Duke of Devonshire. It occupied a rather broad valley, extending to the sky-line of high ranges of hills on each side, and comprised three thousand acres. He told me that three adjoining estates fell into the market, one after another, and he succeeded in getting the whole of them. In the middle of this valley was a lower isolated hill, containing stone quarries that had been worked from time immemorial, and which, when he bought, were surrounded by unsightly heaps of débris. Mr. Whitworth had closed the quarries, covered these heaps with earth on which trees were then growing, and transformed the whole into most picturesque ornamental grounds. After lunch Mr. Whitworth took his cane and, with a step as sprightly as a schoolboy’s, led us a tramp over this region. In the quarries he had formed galleries at different elevations. Finally, at the top of the hill, commanding views of his whole estate, he had leveled a space about 100 by 200 feet and surrounded it with[152] a rustic battlement of rocks. Here a grassy sward smooth and level as a billiard table was used as a croquet ground, this being at that time a universal outdoor game in England. He had a democratic park. It had no wall, and wire fences were as yet unknown, so he could not keep deer. But on his fields we saw many cattle grazing. He told us he was raising blooded stock, and expected the next year to commence annual sales. We observed the very pleasant house beautifully located in the valley, but he told us he was planning to remove it and build a baronial hall in its place. I learned afterwards from Mr. Hoyle that he had for some time kept two London architects employed on designs for this hall, which designs he then employed another draftsman to combine into a plan to suit himself, but had not as yet determined on anything. As he was an old man, and had no one in the world to leave this estate to, I could account for his devotion to it only by his restless temperament, that must always find some new outlet for his energy.

I, however, did not want him to expend any of this energy in getting a steam-engine to suit him, and so the passing months brought us no nearer to an agreement. My experience with Ducommen et Cie. confirmed me in my decision not to let the mechanical control of the engine in England pass out of my hands, and Mr. Hoyle told me that he could not advise me to do so. Mr. Whitworth was at that time in the death agonies of his artillery system, and I did not meet him, but I learned through Mr. Hoyle that he was highly indignant at me for presuming to take the position I had done, and was immovably fixed in his own.


[153]

CHAPTER XIV

Study of the Action of Reciprocating Parts. Important Help from Mr. Frederick J. Slade. Paper before Institution of Mechanical Engineers. Appreciation of Zerah Colburn. The Steam Fire Engine in England.

A

After the close of the Paris Exposition I devoted myself in earnest to the study of the action of the reciprocating parts of the engine, and will here give a sketch of its development. In the high-speed steam-engine the reciprocating parts were found to be a most essential feature. Besides transmitting the pressure of the steam to the crank they perform quite another office. It is their inertia, relieving the crank from shocks on the dead centers, and equalizing the distribution of the pressure on it through the stroke, that makes the high-speed engine possible. I employed this inertia before I knew anything about it. I had been occupied with the subject of balancing. I had demonstrated practically that the centrifugal force of a weight equal to that of the reciprocating parts, opposite the crank and at the same distance from the center as the crank-pin, perfectly balanced a horizontal engine, and had shown this fact conclusively at this exposition.

The problem before me was, “What is it that makes my engine run so smoothly?” I am not a mathematician, and so could not use his methods. I got along by graphic methods and study of the motion of the piston controlled by the crank. My recollection of the several steps of my progress is quite indistinct. One thing I do remember distinctly, and that is the help that I got from my friend Frederick J. Slade, who was younger than I, but who died several years ago. Mr. Slade was a mathematical genius. The firm of Cooper, Hewitt & Co. were at a later date the pioneer makers in the United States of wrought-iron beams[154] and other structural shapes; and all their designs and computations were the work of Mr. Slade. I had formed his acquaintance in London in ’63. I met him again in Paris in ’67. He was then in France in the employ of Abram S. Hewitt, investigating the Siemens-Martin process of steel manufacture. He took much interest in the engine. One day he brought to me a diagram representing the two now famous triangles, and a demonstration of them which he had made, showing that the ordinates, representing the acceleration or retardation of the piston motion at every point, if erected on the center line of the engine, terminate in a diagonal line, which, with a connecting-rod of infinite length, would cross this center line at its middle point.

This exhibited at once the equalizing action of the reciprocating parts in a cut-off engine, absorbing the excessive force of the steam at the commencement and imparting it to the crank at the end of the stroke. I feel myself more indebted to Mr. Slade than to any one else, and would here record the tribute of my grateful acknowledgment.

On January 30, 1868, I had the honor of reading a paper on the Allen engine before the Institution of Mechanical Engineers. The discussion of the paper was postponed until the next meeting, April 30, and the paper was ordered meantime to be printed and sent to the members. The result was that on the latter date we had a very interesting discussion. I may mention two things which occurred at the first meeting, but do not appear in the report of the transactions. When the secretary reached the statement that the acceleration of the piston was greatest at the commencement of the stroke, the president of the meeting, Sampson Lloyd, Esq., one of the vice-presidents of the Institution, stopped the reading and said to me, “You do not mean, Mr. Porter, that this is on the commencement of the stroke, but at a point near its commencement.” I was obliged to answer him that I intended to say that precisely on the dead center, at the point where motion in one direction had ceased and that in the opposite direction had not yet commenced, at that precise point the stress on the crank was at its maximum, the crank having brought the reciprocating parts to rest, and then by a continuance of the same effort putting them in motion in the reverse direction.

Frederick J. Slade

[155]

After the reading was concluded, Mr. E. A. Cowper took the floor, and stated that I was entirely mistaken in my explanation of this action, that this had been investigated by a gentleman whose name he gave but which I have forgotten, and who had demonstrated that this retarding and accelerating action was represented by a curve, which approximately he drew on the blackboard, but which he excused himself from demonstrating there, as it would require the use of the calculus and would take considerable time. For this reason the discussion was postponed. At the next meeting Mr. Cowper did not present this demonstration, and long afterwards he wrote a letter to the editors of Engineering, stating that on full investigation he had found the retardation and acceleration of the piston to be represented by triangles and not by a curve. At the discussion of the paper my view was supported by all the speakers who addressed themselves to this point, except Mr. Cowper. An especially careful and valuable exposition of the action of the reciprocating parts was given Mr. Edwin Reynolds, then of the Don Steel Works, Sheffield.

Zerah Colburn, the editor of Engineering, had always taken a warm interest in my engine, and in the winter following the Paris Exposition he invited me to furnish him the drawings and material for its description in his paper. This I did, and from these he prepared a series of articles written in his usual clear and trenchant style. These will be found in Volume V of Engineering, the cuts following page 92, and the articles on pages 119, 143, 158, 184, and 200.

Mr. Colburn’s articles in Engineering are so interesting in themselves that I think I need make no apology for quoting from them his remarks on this subject of the inertia of the reciprocating parts, and those in which is depicted the revolutionary nature of the high-speed engine, as viewed at that time.

After a prelude, with most of which the reader is already acquainted, Mr. Colburn says:

“When a steam-engine is brought from abroad to the very spot where the steam-engine originated, and where it has received, so far at least as numbers are concerned, its greatest development, and is claimed to be superior to those produced here, and to be able to run advantageously at a speed hitherto deemed impracticable,[156] its promoters must not expect to have much attention paid to its claims until such attention has been actually compelled, and then they must be prepared for an ordeal of severest criticism....

“In employing a high grade of expansion, especially with the considerable pressure of steam now usually carried in stationary boilers, two serious practical difficulties are met with. The first arises from the injurious effect of the sudden application of so great a force on the centers, which the beam-engine, indeed, cannot be made to endure, and the second is found in the extreme difference between the pressures at the opposite ends of the stroke, which is such that the crank, instead of being acted upon by a tolerably uniform force, is rotated by a succession of violent punches, and these applied when it is in its most unfavorable position....

“In the Allen engine the action of high speed causes all the practical difficulties which lie in the way of the successful employment of high grades of expansion combined with high pressure of steam completely to disappear. The crank receives as little pressure on the centers as we please; none at all if we like; the force is applied to it as it advances, in a manner more gradual than the advocates of graduated openings and late admission ever dreamed of, and a fair approximation is made to a uniform rotative force through the stroke. So that, in a properly constructed engine, the higher the speed the smoother and more uniform and more silent the running will be.”

After a page or more devoted to a demonstration of this action, Mr. Colburn sums up the advantage of high speed in the following illustration:

“Let us suppose that, in an engine making 75 revolutions per minute, the reciprocating parts are of such a weight that the force required at the commencement of the stroke to put them in motion is equal to a pressure of 20 pounds on the square inch of piston. This will not modify the diagram of pressure sufficiently to produce much practical effect. But let the number of revolutions be increased to 150 per minute, the centrifugal force of these parts as the crank passes the centers is now equal to 80 pounds on the square inch of piston, and any pressure of steam below this amount acts only as a relieving force, taking the strain of these parts partly off from the crank. It makes no matter how suddenly it is admitted[157] to the cylinder, not an ounce can reach the crank; but as the latter advances, and the acceleration of the reciprocating parts becomes less, the excess of force not required to produce this becomes, in the most gradual manner, effective on the crank.

“It will be observed how completely the designer has this action of the reciprocating parts under control. He can proportion their speed and weight to the pressure of steam in such a manner as to relieve the crank from the blow on the center to whatever extent he may wish. The notion that the reciprocating parts of high-speed engines should be very light is therefore entirely wrong. They should be as heavy as they can be made, and the heavier the better.

“The advantages of more rapid rotation are largely felt in the transmission of power. Engineers understand very well that, theoretically, the prime mover should overrun the resistance. Motion should be not multiplied but reduced in transmission. This can seldom be attained in practice, but high speed gives the great advantage of an approximation to this theoretical excellence. On the other hand, slow-speed engines work against every disadvantage. Coupled engines and enormous fly-wheels have to be employed to give a tolerably uniform motion; often great irregularities are endured, or the abominable expedient is resorted to of placing the fly-wheel on the second-motion shaft. Then comes the task of getting up the speed, with the ponderous gearing and the enormous strains. Slow motion also prevents the use of the belt, immeasurably the preferable means of communicating power from a prime mover.

“But how about the wear and tear? The question comes from friends and foes alike. The only difference is in the expression of countenance, sympathetic or triumphant. The thought of high speed brings before every eye visions of hot and torn bearings, cylinders and pistons cut up, thumps and breakdowns, and engines shaking themselves to pieces. It is really difficult to understand how so much ignorance and prejudice on this subject can exist in this day of general intelligence. The fact is, high speed is the great searcher and revealer of everything that is bad in design and construction. The injurious effect of all unbalanced action, of all overhanging strains, of all weakness of parts, of all[158] untruth in form or construction, of all insufficiency of surface, increases as the square of the speed. Put an engine to speed and its faults bristle all over. The shaking drum cries, ‘Balance me, balance me!’ the writhing shaft and quivering frame cry, ‘See how weak we are!’ the blazing bearing screams, ‘Make me round!’ and the maker says, ‘Ah, sir, you see high speed will never do!’

“Now, nothing is more certain than that we can make engines, and that with all ease, in which there shall be no unbalanced action, no overhanging strains, no weakness of parts, no untruth of form or construction, no insufficiency of surface; in which, in short, there shall be no defect to increase as the square of the speed, and then we may employ whatever speed we like. ‘But that,’ interposes a friend, ‘requires perfection, which you know is unattainable.’ No, we reply, nothing unattainable, nothing even difficult, is required, but only freedom from palpable defects, which, if we only confess their existence, and are disposed to get rid of, may be easily avoided. It is necessary to throw all conceit about our own work to the dogs, to lay down the axiom that whatever goes wrong, it is not high speed, but ourselves who are to blame, and to go to high speed as to our schoolmaster.

“Among the many objections to high speed, we are often told that the beam-engine will not bear it, and the beam-engine, sir, was designed by Watt. In reverence for that great name, we yield to no one. The beam-engine, in its adaptation to the conditions under which it was designed to work—namely, a piston speed of 220 feet per minute and a pressure of one or two atmospheres—was as nearly perfect as any work of human skill ever was or will be; but we wonder why the outraged ghost does not haunt the men who cling to the material form they have inherited, when the conditions which it was designed to meet have been all outgrown, who have used up his factor of safety, and now stand among their trembling and breaking structures, deprecating everything which these will not endure.

“A journal and its bearings ought not only never to become warm, but never even to wear, and, if properly made, never will do so with ordinary care to any appreciable extent, no matter how great speed is employed. It is well known that there exists a very wide difference in bearings in this respect, some outlasting[159] dozens of others. Now, there need be no mystery about this: the conditions of perfect action are so few and simple that it seems almost idle to state them. The first is rigidity of a shaft or spindle between its bearings; but everybody knows that if this is flexible, just in the degree in which it springs, the journals must be cast in their bearings, though in actual practice this perfect rigidity is not once in a thousand times even approximated to. The point of excellence in the celebrated Sellers bearing for shafting is that it turns universally to accommodate itself to this flexure of the shaft, and the result is a durability almost perfect.

“The second requirement, when we have a shaft capable of maintaining perfect rigidity under all the strains it may be subjected to, is abundant extent of bearing surface both in length and circumference, a requirement, it will be seen, entirely consistent with the first. It is a mistake to use journals of small diameter with the idea that their enlargement will occasion loss of power on account of the increased surface velocity, as, in fact, the coefficient of friction will diminish in a greater ratio than that in which the velocity is increased. In the Allen engine it is intended to make all shafts and journals too large.

“But all is of little use unless the journal is round. High speed under heavy pressure has a peculiar way of making it known when a journal is not round, which, we suppose, is one of its faults. Now the difference between a true cylindrical form and such an approximation to it as a good lathe will produce in turning ordinarily homogeneous metal is simply amazing; but when we compare with this the forms of journals as commonly finished, the wonder is how many of them run at all at any speed. When ground with a traversing wheel in dead centers, which have themselves been ground to true cones, the only known method by which a parallel cylindrical form can be produced, their inequalities stand disclosed, and these are usually found to be greater, often many times greater, than the thickness of the film of oil that can be maintained in running. Then under pressure this film is readily broken, the metal surfaces come into contact and abrasion begins. But a true cylindrical journal swims in an oil-bath, separated from its bearing at every point by a film of oil of uniform thickness, and sustaining a uniform pressure, which cannot[160] be anywhere broken, and which has very little inclination to work out; and if it revolves without deflection and the pressure per square inch of surface is not sufficient to press out the lubricant, the speed is absolutely immaterial and wear is impossible, except that due to the attrition of the oil itself, which on hardened surfaces has no appreciable effect.”

From the illustrations contained in these articles, I copy only the following pair of diagrams with the accompanying note.

Pair of Diagrams from 18×30 Allen Engine at South Tyne Paper Mill, 108 Revolutions, Vacuum 28 Inches. Only Half Intended Load on Engine.

The winter of 1867-8 was devoted by me partly to watching the dissolving view of my engineering prospects in England. It grew more and more evident that through my difference with Mr. Whitworth all my efforts and successes there would come to naught, as they did.

But my friend, Mr. Lee, had even worse luck than I had. It will be some relief from the monotony of my reverses if I go back a little and tell of a reverse that befell another man. Curiously enough, Mr. Lee’s reverse came from the overwhelming character of his success. The English engineers had their breath quite taken away and lost their heads, with the result that Mr. Lee lost his position. He was ambitious to show his steam fire-engine doing its utmost. If he had been wiser and had realized the limit of what his judges could stand, he would have shown about one half its capacity and all parties would have been happy.

To understand how naturally this most unexpected dénouement came about, we must recall what the English people had[161] been accustomed to. In London fires were rare and trifling. Buildings were low, built of brick with tile roofs. Open grates afforded the means of cooking and of warming sufficiently for their climate. Every tenant of a building who called in the fire department was fined five pounds, which encouraged careful habits. The apparatus itself was something quite ridiculous. It consisted of little hand-engines, worked by about a dozen men. On the side of a corner building occasionally one saw painted a distance in feet and inches. This meant that by measuring this distance from this corner out into the street and digging a little into the macadam pavement, a connection would be found with the water-main. From this the water was permitted to flow gently into an india-rubber saucer some 6 feet in diameter spread on the ground. Out of this saucer the engine drew its water for a feeble little stream.

Mr. Lee’s engine, with Worthington duplex pump, was, on its completion, exhibited before a large company of invited guests, principally officials of the fire department and prominent engineers. The engine maintained a vertical column of water, delivered from a much larger nozzle than had ever before been used in England, and considerably over 100 feet high. There was also a corresponding column of sparks from the chimney of the steam-pump. The exhibition was made late in the afternoon of a short winter day, and before it was over the coming darkness showed the column of incandescent cinders to the best advantage. The few Americans there enjoyed this miniature Vesuvius hugely. The Englishmen were frightened out of their wits. Their unanimous verdict was that the engine would evidently put out a fire, half a dozen of them for that matter, but it would kindle twenty. And this where the engine had been pushed to its utmost, and had not kindled one fire. Easton, Amos & Sons instantly decided that they could never sell a steam fire-engine under Mr. Lee’s management, and they discharged him the next morning.

During the following season we had quite a steam-fire-engine excitement. Some one, I have forgotten who, but think it was the Duke of Sutherland, made a public offer of a thousand pounds sterling for the best steam fire-engine, competition to be open to all the world, the engines to be tested for six days in the park of[162] the Crystal Palace at Sydenham, in the month of July following. There were a number of amusing incidents connected with that exhibition. One was the following: The common council of New York City determined that the city must have that prize, so they sent over engine No. 7, a favorite engine, one of Mr. Lee’s make, and which had been three or four years in service. A junket committee of the city fathers accompanied it. The London Fire Department received this delegation with great enthusiasm, and devoted itself to making them happy. They took entire charge of their machine and exhibited it in London to admiring crowds. A few days before the time fixed for the opening of the trial they took the engine to Sydenham, where on the way to its station it accidentally rolled down a hillside and was pretty well broken up. Mr. Lee being in London was hurriedly sent for to see if it could be repaired in time for the trial. He found that the injuries were of so serious a nature that the repairs could not be completed in less than three weeks. So that competitor was out of the way. Their sympathizing friends were full of condolence, and assumed all the cost of the repairs. They also proposed that when the engine was put in proper order they should have an excursion down the Thames to Greenwich and have there an exhibition of its powers. So a steamboat was chartered and a large party accompanied the machine to Greenwich. On arrival there it was found that the two nozzles, a large one and a smaller one for long-distance streams, which had been taken especial charge of by the members of a fire company, had been accidentally dropped into the Thames. The New York delegation were glad to get their engine back to New York without further accident.

Easton, Amos & Sons also concluded that they would like that prize. After they had taken the engine into their own hands, they found a number of features which seemed to them to need amendment, so they made some quite important changes. On the second day of the trial this engine broke down and had to be withdrawn.

I have forgotten how many competitors remained in the field, but the prize was awarded to a London firm, builders of hand fire-engines, who had only lately taken up this new branch of manufacture. This successful firm applied to the government for an order[163] to supply steam fire-engines for the protection of the public buildings. This application was referred to Easton, Amos & Sons, the consulting engineers of the government. This firm concluded if possible to have this order given to themselves, and applied to Mr. Lee to recommend the changes in his engine necessary to put it in proper working order. Mr. Lee replied that it was only necessary to put the engine back in the precise condition in which he left it. They finally agreed to do this, and employed Mr. Lee to direct the work. When completed the engine was tried in the gardens of Buckingham Palace, in competition with the prize winner, before a large body of government officials. The Easton, Amos & Sons engine proved its superiority on every point so completely that the government immediately purchased it.

Some time before this, however, Mr. Lee had associated himself with a capitalist for the manufacture of steam fire-engines in England, and was then engaged on plans for them. His financial associate was Judge Winter, by which title only he was known to us. He was an American, and before the war was the proprietor of the Winter Iron Works in Georgia (the precise location I have forgotten), the most prominent engineering establishment in the Southern States, in which business he had become wealthy. He will be remembered by some gray heads as having been an exhibitor in the New York Crystal Palace in 1853. He sent to it a steam-engine bearing the name of “The Southern Belle.” This stood in the machinery department, close to a Corliss engine, the two being the only engines of any size which were exhibited there. This engine was beautifully finished, polished pretty much all over, but its working features were of the most ordinary character. Mechanically it was valueless.

Judge Winter was a determined opponent of secession, and on the adoption of that ordinance by the State of Georgia, was compelled to fly from the country. He then took up his residence in London, to which he had transferred such portion of his wealth as he was able to convert into money.

He took a deep interest in the new steam fire-engine, and spent part of nearly every day in the office where Mr. Lee and Mr. Taylor, an American engineer whom Mr. Lee had associated with himself, were engaged on their plans.

[164]

The point of interest to myself in this story lies here. The old judge had no sound mechanical education, but was very fertile minded. He came almost every morning with a new idea that he wanted embodied. It was always absurd. He generally protested vigorously against being overruled. When he was furnishing all the money he could not see why he should not be allowed to have something to say about it. I happened to be present in their office one morning when he got particularly excited over their opposition. He was a stout party, and on this occasion I had the fun of joining in the shout of laughter that greeted him, when, after pacing the floor in silence for a few minutes, he exclaimed, with his hand on the fabled seat of his sympathies, “I thank my God that if there is one thing I am free from, it is pride of opinion.”

My recollection of the above action of Easton, Amos & Sons and of Judge Winter contributed materially to form my imagination of the predicament in which I would certainly find myself, should I yield to Mr. Whitworth the power to make whatever changes might occur to him in my engine.


[165]

CHAPTER XV

Preparations for Returning to America. Bright Prospects.

H

Having but little practical work to occupy me that winter, I devoted myself to getting out for Elliott Bros. a second edition of my instruction book to accompany the Richards indicator, and my paper for the Institution of Mechanical Engineers and the illustrations and material for Mr. Colburn’s articles on the Allen engine published in Engineering.

I found in the library of the Manchester Philosophical Society a copy of the twentieth volume of the “Memoirs of the French Academy of Sciences,” containing the report of the experiments of M. Regnault to determine the properties of steam, with the leaves uncut, of which I was then able to make some use. I was anxious to obtain a copy of this volume for myself, and also of Volume 21, containing other memoirs by M. Regnault. This object I succeeded in accomplishing when in Paris that winter through the kind interest of M. Tresca, the well-known Sous-Directeur of the Ecole des Arts et Métiers. This was a matter of so much difficulty, that a letter from M. Tresca to the publisher was found not to be sufficient. It was necessary that M. Tresca should personally identify me as the “savant” to whom he had given the letter. I was then able to obtain both the volumes, which I brought home with me on my return to America.

Now was the winter of my discontent made glorious summer, and all the clouds that lowered about my enterprise in the deep bosom of the ocean buried, by the receipt of a letter from Mr. Hope, telling me that Mr. Allen’s report after his visit of inspection was of so entirely satisfactory a character that, after full[166] consideration, it had been concluded to write me to leave everything in England in whatever condition I might be obliged to, and return home and join with Mr. Allen in the manufacture of the engines, for which ample capital would be furnished. So in my ecstasy I went about quoting to myself Shakespeare’s lines and applying them to my reviving fortunes. Mr. Hoyle congratulated me warmly on this favorable turn in my affairs, seeing clearly that I would never do anything with Mr. Whitworth, unless on his own inadmissible terms.

After I had sobered down from my excitement, I began to consider the matter carefully, and to determine upon the preparations that ought to be made as a foundation for what, by judicious management, should grow to be a great and profitable business. I fully realized the responsibility that was devolved upon me, and determined that both in foresight and prudence I would prove myself equal to its requirements.

I wrote a glad acceptance of the proposition and expatiated on the advantage we should enjoy from what I had learned in England. I told them that the selection of a suitable location was of the first importance, and suggested that a plot of twenty or thirty acres should be purchased in the environs of a large manufacturing town, affording a good labor market and having good railway facilities, and where the land could be got at farm prices. I would plan shops on a scale large enough for a great business and of a form adapted for enlargement from time to time, and build at first a small part, which as the business grew could be added to without alteration. I asked them to look about for the best place, but do nothing further until I got home, when I would have carefully studied plans, embodying the most recent improvements in building and tools to lay before them.

I then entered with enthusiasm into the preparation of my plans. The model shop, now in common use, had then lately been designed by the firm of Smith & Coventry, tool makers of Salford, which is a suburb of Manchester, separated from it only by a narrow stream, the river Irwell, and their plan had been at once followed by the firm of Craven Brothers of Manchester, also tool makers. It was, of course, still unknown in the United States.

The general idea of this shop was taken from the nave and side[167] aisles of Gothic cathedrals. The central and wider portion, which we may call the nave, was one story in height and was commanded by the travelers, and its floor was occupied by the largest tools only, and for erection. The side aisles were two stories in height. The smallest work, of course, was on the upper story, and tools and work of medium size on the floors below, the latter being transported by carriages suspended from the floor above. No rails were laid or gangways kept open on any floor. All transportation of heavy objects was through the air. The great value of this improvement, made by this firm in shop design, and which has brought this design into general use, lay in its natural classification of the work. Travelers were already quite common in England, but under them large and small tools, often very small ones, were found mingled quite promiscuously. Their shop had an entire glass roof, made on the ridge and furrow plan, first used in the Crystal Palace in Hyde Park for the International Exhibition of 1851. That roof would not answer, however, in this climate, on account of our snow in winter, so I had to plan a different one. But in every other respect their plan was perfect. The columns, of course, at that time were of cast iron. These were cast in pairs connected by a web, the longer columns in each pair supporting the roof, the short ones the rails for the travelers.

In Smith & Coventry’s shop the traveler was operated from the floor by means of a loop hanging from a wheel on the crab. The arrangement was exceedingly convenient in every respect.

I obtained full detail drawings of Smith & Coventry’s shop. The accompanying outline presents a cross-section of this shop, and is figured to the dimensions I proposed to adopt. I proposed to build a length of only 75 feet, which by successive additions could be extended to 500 feet if required. Moreover, at first the office, drawing-office, pattern shop, and storeroom, besides the machine shop, in short everything, except only the engine and boiler, smith shop and foundry, were to be accommodated in this one building. I was greatly pleased with my plan, and felt sure that it would commend itself to my associates, as no shop possessing these conveniences then existed in the United States. I, however, introduced one modification of the English shops, or rather one addition. I had observed that reliance on the traveler[168] for local work involved a serious loss of time. I had seen in various shops men standing idle, sometimes from fifteen to thirty minutes, waiting for the traveler to be at liberty to come and give them a lift. It appeared evident to me that the province of the traveler was to fetch and carry; not to perform local work, unless of the heaviest class. So for the latter purpose I provided swing cranes, which could be operated by the workman himself without assistance. This also enabled one traveler to cover a much longer extent of floor.

Cross-section of Machine Shop Proposed by Mr. Porter in 1868, after the Design of Smith & Coventry.

Smith & Coventry had made numerous improvements on Mr. Whitworth’s tools. I have already mentioned their arrangement which made it possible to take up the wear of the lathe spindle bearings. In the radial drill, an invention of Mr. Whitworth’s, as made by him, in order to bring the drill to the right position longitudinally, the workman was obliged to go to the end of the arm and turn the screw. From this point he could not see his work, and had to guess at the proper adjustment. I have seen him in the Whitworth works go back and forth for this purpose three or four times, and have always doubted if he got it exactly right after all. Smith & Coventry introduced an elegant device by which the workman was able to make this adjustment without moving from his place. They also first made the arm of the radial drill adjustable vertically by power. By simply reversing[169] the curve of the brackets under Mr. Whitworth’s shaper tables, they made these unyielding under the pressure of the cut. This firm also first employed small cutting tools set in an arm which was secured in the tool-post, and put an end to tool-dressing by the blacksmith, which had caused a fearful waste of time, and also encouraged idle habits among the workmen. This improvement has since come into common use. Their system of grinding these small tools interested me very much. The workman never left his machine. He was provided with a number of tools, set in compartments in a box. When a tool became dull he took it out, set it in the box upside down, and substituted another. A boy went regularly through the shop, took up all the upside-down tools, ground them, and brought them back. The grindstones were provided with tool-holders and a compound screw feed, by which the tools were always presented to the stone at the same desired angle, and were prevented from wearing out the stone by running into grooves or following soft spots. The whole surface of the stone was used uniformly and kept in perfect condition.

I picked up in that shop the solid wrench made with the elegant improvement of inclining the handle at the angle of 15 degrees from the line of the jaws; enabling it, by turning the wrench over, to be worked within a radial angle of 30 degrees. This adapted it for use in tight places. I brought the idea home with me and always supplied my engines with wrenches made in that way. I offered the plan to Billings & Spencer for nothing, but they did not think it worth making the dies for. Mr. Williams was more appreciative. I believe it is now in quite common use.

At that time toolmaking in this country, which has since become so magnificently developed, was in many important respects in a primitive condition, and I proposed to introduce into my shop every best tool and method, adapted to my requirements, that I could find in England. For this purpose I visited and carefully studied all the tool works of good standing, and my final conclusion was that the best tools for design, strength, solidity, facility of operation and truth of work were those made by Smith & Coventry. This may be guessed from the few examples I have given of their fertile mindedness and advanced ideas. So I prepared a careful list of tools that I proposed[170] to order from them in time to be ready for use as soon as my shop should be completed. I found also the remarkable fact that I could obtain these tools, duty and freight paid, decidedly cheaper than corresponding inferior tools could then be got from American makers.

Before bidding good-by to England, I must tell the luck I had in endeavoring to introduce Mr. Allen’s double-opening slide valve, shown in the general view of my London exhibit, now in common use the world over. No locomotive engineer would even look at it. Finally I got an order from Mr. Thomas Aveling for one of these valves with single eccentric valve-gear, to be tried on one of his road locomotives or traction engines. Mr. Aveling is known to fame as the inventor of the road locomotive and steam road roller. He once told me how he came to make this invention. He was a maker of portable engines in Rochester, which was the center of a wheat-growing district. These engines were employed universally to drive threshing machines. Horses were used to draw both the machine and the engine from farm to farm. The idea occurred to him that this was almost as foolish as was the practice of the Spanish muleteers, in putting the goods they transported on one side of the animal and employing a bag of stones on the other side to balance them. Why not make the engine capable of moving itself and drawing the threshing machine, and dispense with the horses altogether? So he applied himself to the job and did it. Then it was found that the self-propelling threshing-machine engines could draw a great many other things besides threshing machines, and the business grew to large proportions.

Mr. Aveling made an engine with valve and valve-gear from my drawings, and I took a ride with him on it from Rochester to London, the engine drawing two trucks loaded with the two halves of a fly-wheel. The performance was entirely satisfactory. He said the engine was handled more easily than any other he ever made, and it maintained its speed in going up hill in a manner to astonish him, which was accounted for by the double valve opening. The little engine ran very rapidly, about 300 revolutions per minute, being geared down to a slow motion of the machine, about 4 miles travel per hour. With a single opening for admission it had[171] admitted only a partial pressure of the steam, but the double opening valve admitted very nearly the whole pressure and made a sharp cut-off, all which I showed by the indicator. He told me that he was then filling a large order for traction engines for Australia, and this valve and valve-gear were the very thing for them. I went back to Manchester happy in the satisfaction of having accomplished one thing in the engine line at any rate.

A few weeks after, being in London, I went to Rochester to see how the new valve-gear was progressing. The first thing I saw was my valve and valve-gear hanging up in the storeroom. Mr. Aveling explained to me that he had been advised by engineers, whose advice by his contract with his financial partner he was obliged to follow, that the narrow faces on my valve would wear away faster than the wider faces, and the valve would come to leak, and if he put it on his engine it would ruin his business. He did not believe it; it seemed to him absurd, but he was powerless.

This was the nearest approach I ever made myself towards the introduction of this valve. In 1875 I seemed to have a promising opening. I received a note from Mr. M. N. Forney, then editor of the Railway Gazette, calling my attention to this valve and its description in his “Catechism of the Locomotive,” just published, and stating that this was the only patented invention in the book.

He added that he had had conferences with Mr. Buchanan, foreman of the New York Central and Hudson River Railroad repair shops in New York City, about trying this valve on their locomotives, and Mr. Buchanan would like to see me.

On my calling, Mr. Buchanan asked me what arrangement I was willing to make. I replied that they might put the valve on six locomotives free of royalty. If these valves worked well I would give them a license on liberal terms. He said he had an express locomotive then in the shop for which he was making new cylinders; these were already bored and the valve seats planed, but not yet trimmed, and in this state there was room to put in these valves, which he would do; they would be ready in about a fortnight, when he would send me word, and would be glad to have me go up to Albany and back on the locomotive and indicate[172] the engines. I have been waiting for that “word” ever since.

A few days after I met in the street an acquaintance, who asked me if Mr. Buchanan had agreed to put the Allen valve on an engine. I replied that he had. Why, said he, Buchanan will no more dare put that valve on unless Commodore Vanderbilt orders him to, than he would to cut his head off. He will never persuade the old man to give that order, and you will never hear of it again; and I never did.

The recollection of another experience with Mr. Aveling has often amused me. He had an order from the Chatham Dock Yard for a stationary engine of perhaps 100 horse-power. It was to be inspected in operation before its acceptance by the government. He wrote me to come down and bring my indicator and assist him in exhibiting it running under a friction brake in his shop.

At the hour appointed the inspector appeared, accompanied by half-a-dozen young officers. He spoke to no one, observed the engine in operation, took the diagrams from my hand, asked no question, but proceeded to discourse to his followers on the engine. I could hardly believe my senses as I listened to the absurdities that he gravely got off; not a sentence was intelligible. I can see Mr. Aveling now quietly winking at me, as we stood with respectful gravity till he had finished, when he turned and marched off without noticing anybody. This was my only personal encounter with the English official mind.


[173]

CHAPTER XVI

Return to America. Disappointment. My Shop. The Colt Armory Engine designed by Mr. Richards. Appearance of Mr. Goodfellow. My Surface Plate Work. Formation of a Company.

I

In June, 1868, having completed my preparations, I bade what has proven to be a long good-by to England, and buoyant with anticipations turned my face homeward. During the voyage my mind dwelt constantly on the bright career for which it clearly appeared that my experience in England was the fit preparation, and on my projected work, every detail of which I revolved over and over in imagination.

The first thing after I got home I made an important discovery, one of that kind which generally men have to make for themselves. My discovery was this: Put not your trust in riches, especially when they belong to another man. Mr. Hope had made the blunder of relying on a single capitalist. I had expected to find at least half-a-dozen subscribers to a capital of not less than $100,000. His single financial associate and reliance was a gentleman of wealth, retired from active business, and whom I introduce to the reader as Mr. Smith. Under his direction Mr. Hope had written to me the invitation and promise to which I have already referred. The wealth and the ideas of Mr. Smith seemed to be in inverse proportion to each other. The greatness of the former was represented by the smallness of the latter. He entered with earnestness and energy into our work—according to his own plans. He paid no regard to my suggestions, and instead of heeding my request to postpone definite action until my return he hurried his scheme to completion so that I would find everything settled beyond the possibility of my interference.

[174]

In Harlem, then a somewhat remote and quite dead suburb of New York, on Fourth Avenue between 130th and 131st streets, within a block or two of the termination of the avenue on the Harlem River, he found a little abandoned foundry, about 40 feet square, with a lean-to in the rear, used for cleaning castings. It had been dismantled and idle for several years, never, of course, had a floor, and the windows were broken. This he hailed as the very place he wanted, and at once leased it for five years at a small rent, with the ground belonging to it, extending from 130th to 131st Street, 200 feet front by 100 feet deep, and vacant, except this building and a little office, 10×15 feet, on the upper corner.

He then turned his attention to providing the “ample capital.” My governor shop on West Thirteenth Street had during my long absence been run quite successfully by my faithful foreman, Nelson Aldrich. Mr. Smith planned to remove this shop to Harlem, and to furnish Mr. Allen money enough to enable him to enter into an equal partnership with me, adding the engine business to my governor manufacture. Everything in my shop was appraised at the round sum of $10,000, and this magnificent amount, as he regarded it, he advanced to Mr. Allen as a loan. Mr. Allen had put his savings of several years into a little home in Tremont, a village on the line of the railroad, some three or four miles above the Harlem River. This place had cost him $2500. Mr. Smith told Mr. Allen that he must secure him the repayment of this loan, so far as he could do so, by the mortgage of his house and lot. This demand caused Mr. Allen great distress and half killed his wife. Mr. Smith was inexorable—no mortgage, no money. Mr. Allen thought of a scheme for outwitting him, and the mortgage was executed and the money paid over. He applied this first to making the premises habitable, laying a floor and putting a floor above, which would give a story under the roof, and the beams of which would carry the shafting for driving the tools. He repaired the broken windows and put windows in the front gable to light the new upper story, put on a new roof, installed a portable engine and boiler, and equipped a little smith shop in the lean-to. My tools, etc., were then moved into their new quarters. These tools were all small. In order to make engines some larger ones would[175] be needed. Mr. Allen procured from the firm of Hewes & Phillips, Newark, N. J., a very good planer, large enough to pass work 4 feet wide and high, and a 20-inch lathe. When this installation was completed, Mr. Allen had expended $7500. Then he stopped making purchases and said nothing. The work of my governor manufacture was resumed, and nothing more attempted. This was the state of affairs that stared me in the face on my return. The shop had been running about a fortnight. Mr. Smith told me he had supplied all the money he expected to. Mr. Allen said he had not obliged himself to put all the money loaned him into the business, and the amount for which he had mortgaged his house was in a safe place, where it could be got when wanted to pay off that mortgage.

I was stupefied. As I began to realize my utter helplessness, I broke down entirely. What rational motive could any man have had in getting me home and leaving me powerless to do anything? Had I imagined the character of his plans I should have remained in England, signed anything that Mr. Whitworth wanted me to, and trusted Providence and Mr. Hoyle for the result. The absurdity of the case presented itself to me sometimes in its humiliating and sometimes in its ludicrous aspect, according to my mood. After a while I saw that I must reconcile myself to the situation, and see what could be done under the circumstances. We could only do a little business in making small non-condensing engines. Not more than from 15 to 20 men could work in the shop. As for facilities for handling machinery, there were none. We yet needed several expensive tools. We had to make patterns; we must have money to run the place until returns came in. I laid the matter before Mr. Smith. First of all, that mortgage must be discharged; I would not stir till that was done. He had overreached himself. I rejoiced that Mr. Allen had got the better of him. It would be idle to set about the business without at least $10,000 additional capital; this I finally got, and, with the advance to Mr. Allen, made free from interest, by assigning the entire indicator patents to Mr. Smith and Mr. Hope. As it turned out, we bought that money at an enormous price; but we did not know this at the time. We must have money and this was the only way to get it. We congratulated ourselves that by any sacrifice[176] we had secured the sum of $20,000 and without the burden of interest.

Now I took heart and set at work in earnest, feeling sure that I could soon bring the engine into a position that would command the means required to do it justice. I ordered from Smith & Coventry a stationary drilling machine, a 6-inch slotting machine, a bolt-threading machine, and a set of cylindrical gauges, and had them all in place by the time we were ready to use them. This bolt-threading machine was a wonder, and has not been surpassed since. The rod was fed through a hollow spindle, seized in the jaws of a self-centering chuck, and the projecting end finished. The threading dies were backed by eccentric wedges in a solid ring, which was turned out of the way during the sliding operation. These were closed or opened by a lever which carried a stud moving in a circular slot. This stud was brought up to a stop, which could be set to cut threads of any depth. The threads were finished in a single motion. For standing bolts, we threaded one end, so that it screwed hard into its seat, and by moving the stop a trifle the threads on the other end were cut deeper, so that the nuts turned on it more easily. The rapidity, uniformity and precision with which this was done could not be surpassed.

Smith & Coventry had lately commenced the manufacture of cylindrical gauges, of which up to that time Mr. Whitworth had had the monopoly. Flat gauges did not then exist. The above tools were almost incredibly superior to those then made in this country. I was anxious for one of their radial drills, but had no place to set it. I adopted the Franklin Institute screw-thread, and obtained a set of hobs from William Sellers & Co. I equipped our little office to accommodate one draftsman besides myself, and soon had a good man at work, engaged mostly in preparing drawings from the tracings I had brought from England. The story over the shop, in the middle half of which a man could stand upright, was made a pattern shop, and two patternmakers were soon at work there. They found the shop very hot. The roof was covered with paper and tar. I could not bear my hand on the under side of the roof boards. I whitewashed the roof, making the whitewash rainproof, and this heat entirely disappeared.

[177]

I have borne in mind this interesting result, the complete prevention of heat absorption by changing the color of the surface to one absolutely white; and am now proposing a similar change in brick boiler settings and chimneys, using white enameled tiles, which also prevent percolation of the external air.

I will improve the time while we are waiting for this preparatory work to be finished by telling of two Allen engines already running and made in the United States. The first one had been made by my old friend Mr. Richards, the inventor of the indicator. He was at that time the engineer of the Colt Armory in Hartford. They built a new shop four stories in height and 500 feet long. Mr. Richards designed and arranged the power in this shop and its transmission. He adopted the Allen engine, with which he alone in this country was familiar. I have written to Professor Richards for a description of these engines and received the following reply:

“227 Edwards St., New Haven, Ct.
“October 9, 1903.

Dear Mr. Porter:

“In a sort of way you rather stole a march on me, by writing me before I had written to you, for it had been my intention for a number of weeks to write, thanking you for the frequent mention of my name in your ‘Reminiscences’ and for the kindly way in which you have spoken of me. Your papers have interested me greatly and bring back recollections of times which were for me very happy, when I first made your acquaintance and afterwards enjoyed the intimacy which grew up.

“My neglect to write came from my almost unsurmountable repugnance to letter writing, which, if anything, grows yearly.

“I am as nervous as usual, but in excellent strength, and by putting sulphur in my boots (and wearing the boots) am apparently pretty much cured of rheumatism. My students and I get along together very well; there are, however, so many of them now that I feel quite overwhelmed at times. About fifty men come to my classes, and in my department there are in all about one hundred and forty.

“Now for the Colt’s Armory engines. There are two pairs in line with each other, vertical engines, Porter-Allen type, in the second story and in the middle of the building, which is 500 feet long. The line shaft, stretching 250 feet each way from the engines, forms an extension of the engine crank-shaft. Between[178] the engines are pulleys driving the first-story line shaft beneath them and the third-story line above. All 500 feet long. Cylinder bore, 12¹⁄₂ inches; stroke, 24 inches; speed, 130 revolutions per minute.

“The dimensions and general form of the running gear were made from drawings sent to me by you. The valve-gear differs only in divorcing the exhaust valves from the steam valves by placing them on the opposite side of the cylinder and driving them from a separate eccentric on that side, and not from the link.

“The framing for each engine of a pair is like a Porter bed standing on end with two posts forming what would be the lower part of the bed if it were lying down. There are therefore eight posts in the two pairs of engines, which form the second-story columns of the framing of the building, and the whole framing of the engines makes an integral part of the building construction, being rigidly connected with the beams of the fireproof flooring of all three floors. The building is four stories high.

“The engines were started in 1867. They have been in continuous service ever since. Ten or twelve years ago I had an opportunity to measure the thickness of the crowns of the crank-pin boxes. They did not differ perceptibly from the thickness marked on the drawing from which they were made. Knowing the accuracy with which the work was made to correspond with the drawings (gun-shop work), I am confident that the wear of the box after twenty-six years of service had not amounted to five one-thousandths of an inch. All the parts give evidence of an almost indefinite durability.

“All the work except that on the governors was done in the shops of the Colt company. The beds were cast in the foundry of one of the distinguished old engine-builders of Hartford, who felt it his duty to call on General Franklin, the general manager of the company, to warn him that if Richards were permitted to put a number of 75 horse-power engines running at 100 revolutions per minute, in the second story of a great building like the armory, disaster was certain. The building would be shaken so terribly. The fact is that any one standing on the third floor directly over the cranks would not know, from the movement of the floor or from sound, that the engines were running. The usual steam pressure carried when I was in the armory was from 50 to 60 pounds. The boilers then were large, of the drop-flue type.

Scale 32

April 13 1878. 130 R.P.M.

Card from Allen Engine in Colt’s Armory.

“Enclosed is a card taken in 1878 with the ‘pantographic’ indicator, for which a silver medal was awarded me at Paris in that year. The particular indicator with which this card was taken is in the Museum of the Conservatoire des Arts et Métiers.

“Very sincerely yours,
C. B. Richards.”

This bold and successful piece of engineering would have made easy the introduction of these engines in New England.

Professor Charles B. Richards

[179]

The second engine had been built by a prominent iron works in New York, from Mr. Allen’s drawings, for a paint mill in South Brooklyn. Both names I have forgotten. Mr. Allen took me to see this engine soon after I came home. It had then been running for a year or more, and had given high satisfaction. Its local influence was found quite valuable to us. This engine is memorable for the following reason: Ten years afterwards, while building engines in Newark, I received from Mr. Mathieson, manager of the National Tube Works in McKeesport, Pa., a letter containing an invitation to make him a tender for two large Allen engines, the largest I had yet attempted, and which resulted in my building these engines for him. After they were successfully running, Mr. Mathieson told me how he came to write me. He said he was the superintendent of the iron works in New York in which Mr. Allen had this engine built, and was very much impressed by its advantages, especially after he saw it in operation; and in planning this mill these engines seemed to be just what he wanted.

[180]

Sectional and Front Elevations of One of the Two Pairs of Porter-Allen Engines in the Colt Armory, Hartford, Conn.

Porter-Allen Engines in the Colt Armory, Hartford, Conn. Front View

Porter-Allen Engines in the Colt Armory, Hartford, Conn. Rear View

[181]

STARTING VALVE

Sectional and Side Elevations of One of the Two Pairs of Porter-Allen Engines in the Colt Armory, Hartford, Conn.

[182]

In preparing for the engine manufacture one of my first aims was the production of true surface plates for finishing my guide-bars, cross-heads, valves, and seats, and cylinder and steam-chest joints, all of which I made steam-tight scraped joints requiring no packing. This was a new departure in steam-engine work in this country. I fancied myself an expert in the art, but found out that there was one degree at least that I had not taken. I designed several sizes of surface plates, intended primarily to fit the guide-bars of the engines, and also straight edges 6 feet in length by 2¹⁄₂ inches wide. These are represented in the accompanying cuts.

  A STRAIGHT EDGE  
  B   SECTION ON THE LINE A-B
RIGHT-ANGLE PLATE  
  SURFACE PLATE  
  SIDE VIEW   END VIEW

Surface Plates Designed by Mr. Porter.

I found still working in my governor shop a man named Meyers. He was the best fitter I ever had; had fitted every governor made in my shop, the little engine or the parts of it that I took to England, and long before had fitted my stone-cutting machine in Mr. Banks’ shop. This man I taught all I knew about the art of producing true planes by the system of scraping, and he produced surface plates and straight edges that seemed to me quite perfect.

The following incident illustrates the general intelligence on this subject at that time among skilled workmen in this country. As I was inspecting Mr. Meyers’ first work in scraping, my foreman came along, and after observing it quite a while remarked, “It is my opinion you will never make a proper job of that, till you put it on the planer and take a light cut over it.”

One day, not long after we started, George Goodfellow walked into my shop. He had come from the Whitworth works, had been[183] foreman there of the upstairs room in which most of the fine scraping on their tools was done. I had a slight acquaintance with him, but could not remember having been in his room but once, and then only for a minute or two. He had become disgusted with Mr. Widdowson and the way things were going on under his management, and had resigned his position and emigrated to the United States; found out where I was hiding, I never learned how, and applied to me for a job, which I was glad to give him. I cannot imagine any greater contrast than between Mr. Goodfellow and every other man I met in the Whitworth shops.

I had then on hand two orders for standard surface plates and straight edges, one from the Colt Armory and one from Pratt & Whitney. Mr. Meyers had just finished work on these when Mr. Goodfellow appeared. He had not been at work in the shop but a day or two when he asked me if I had got the cross-wind out of those straight edges.

I made him the ignorant answer that they were so narrow the matter of cross-wind had not occurred to me as important, as our planer did very true work. He said nothing, but pulled a hair out of his head and laid it across a straight edge at its middle point. He then inverted another straight edge on it and swung this on the hair as a pivot. It swung in one direction freely, but in the other direction the corners caught and it was revealed that the surfaces were spirals. I gave him the job of taking out this twist. He was occupied about two days in making the three interchangeable straight edges quite true. When finished I tried them with great satisfaction, the test showing also their absolute freedom from flexure. The first swing on the hair pivot was in each direction as if the upper straight edge were hanging in the air. As this was repeated back and forth, I felt the surfaces gradually approaching each other, the same increasing resistance being felt in each direction of the swing, and finally they were in complete contact. What became of the hair I could not find out. This refinement of truth, so easily attained and demonstrated when we know how, was of course a necessity. I made the engines at that time with the steam-chest separate from the cylinder; so two long steam joints had to be made between cylinder, chest, and cover.

I fitted up these standards, both surface plates and straight[184] edges, with their edges scraped also to true planes and all their angles absolute right angles. For this and other purposes I made two angle plates, each face 8 inches square, with diagonal ribs. These were scraped so that when the two were set on a surface plate, either surface of one would come in complete contact with either surface of the other, and also when one or the other was set on its edges. This angle plate also is shown.

For our screw-thread work I made a pair of steel 60-degree standards, the truth of which was demonstrated as follows: The outside gauge being set up on a surface plate, the inside triangular block set on the surface plate passed through the former in exact contact, whichever angle was up and whichever side was presented. From the cylindrical gauges of Smith & Coventry I made flat inside and outside gauges of steel with faces hardened, reserving the former for reference only. I had wondered why this was not done in England. Presume they have learned the importance of it long ago.

We could not advertise—the fact is I was ashamed to; but we had as many orders as we could take with our very limited means of production. Indeed, we had frequent applications which called for engines too large for us to consider them. We had some applications from parties who were short of power, and on measuring their engines with the indicator always found that we could supply their requirements by putting in smaller engines. In one case I remember we put in an engine of just one half the size, and requiring but one quarter the weight of fly-wheel, of the one taken out, and gave them all the additional power they wanted, and more uniform motion. This would seem an extravagant statement were not its reasonableness proved by the experience of makers of high-speed engines generally. Sometimes the indicator showed ludicrous losses of pressure between boiler and engine.

On account of his familiarity with the requirements of more exact construction, I made Mr. Goodfellow my foreman after he had been with me a short time, and he proved to be the very man for the position. He made all my engines in Harlem and afterwards in Newark, and I was largely indebted to him for my success.

[185]

Before the close of our first year Mr. Smith proposed that our business be transferred to a company, to which he would pay in a little additional money, in consideration of which, and of his previous advances to the business, he demanded a controlling interest in the stock. I did not like the idea, but Mr. Hope and Mr. Allen favored it, and I consented. So the company was incorporated. Mr. Smith was made its president, and one of his sons was made secretary and treasurer. He transferred to this son and also to another one qualifying shares of his stock, and both were added to the board of directors, that making six of us. The admirable way in which this machinery worked will appear by and by.

Mr. Smith proceeded at once to get out a catalogue and build on the vacant lot a new business office, of quite respectable size and two stories high, finishing the second story for Mr. Goodfellow with his family to live in. When this building was ready Mr. Smith installed himself in the office and busied himself in meddling and dictating about the business, impressing me with the great advantage of having a thorough business man at the head of it. If I ventured any word on this subject, I always received the sneering reply, “What do you know about business?” The following incident in this connection may amuse the reader as much as it did me. I may mention in the first place that when, as already stated, he with Mr. Hope acquired the entire indicator patents, of which he assumed the individual management and so I always supposed had secured the larger part, the first thing he did was to repudiate my agreement with Mr. Richards to pay to him 10 per cent. of the receipts from the patents, this being a verbal agreement (as all the transaction was), and so Mr. Richards never received another penny.

One morning Mr. Smith came into my office and said, “Do you know that the license to Elliott Brothers to manufacture the indicators has expired?” I had licensed them only for seven years, not knowing whether or not they would prove satisfactory licensees. “Well,” said I, “suppose it has?” “Would you let them go on without a license?” he demanded; “that shows how much you know about business.” “If it were my affair,” I replied, “I should not stir it up. I see every reason for letting it alone. It is the business of the licensee, if he feels unsafe, to apply for the extension[186] of his license.” With a contemptuous sneer Mr. Smith left me and immediately wrote Elliott Brothers, reminding them that their license had expired and requesting an answer by return mail to say if they wanted to renew it.

He received the answer that I knew he would, for what good business man ever lets such an opening go by him? They said they were just on the point of writing him that they did not wish to renew unless on very different terms. By the contract they made with me they paid a royalty of £2 on each indicator sold at retail, and £1 10 shillings on each one sold at wholesale. The selling price was £8 10 shillings. They made a large profit on extra springs, of which they sold a great number at 10 shillings each, and which cost them about 2 shillings. They wrote at length on the difficulty of holding the market against the competition of cheap indicators selling at £4 (which was just the competition against which the indicator was at first introduced but which had long before ceased to be serious) and closed by saying that if Mr. Smith would agree to accept one half the former royalty, they would themselves make a corresponding reduction in their profits and would be able to put the indicators at a price that would probably make the business satisfactory. Otherwise they would find themselves compelled to discontinue the manufacture altogether, which they should do unless they received an affirmative reply at once. Of course they got the affirmative reply. Mr. Smith had no alternative. They never reduced the selling price one penny. They had no competition during the life time of the patent, and their sales were enormous. The amount of royalties lost during the remaining seven years of the patent was certainly not less than $35,000.

The following is a story with a moral. The moral is, working to gauges is an excellent plan, providing the gauges are mixed with brains. No manufacturing system is perfect that is not fool-proof. If a mistake is possible it is generally made.

A company of English capitalists were spending a good deal of money on the west coast of South America in building railroads into and over the Andes. One of these roads was intended to reach a famous silver mine, from which the Spaniards, two or three hundred years before, had taken large quantities of the precious metal,[187] but which had long ago been drowned out and abandoned. The railroad was to take up pumping machinery by which the mine could be cleared of water and to bring down the ore in car-load lots. For some purpose or other they wanted a stationary engine in those high altitudes, and their agent in this country ordered one from me. I was having my fly-wheels and belt drums cast by Mr. Ferguson, whose foundry was on 13th Street, west of Ninth Avenue, some seven miles distant from my shop in Harlem. He had a wheel-lathe in which I could have them turned and bored, and they were bored to gauges and shipped direct to their destinations. This time I had two wheels to be finished, so I sent the gauges with a tag attached to each describing the wheel it was for, but neglected to go and make a personal inspection of the work. Some months after I received a bitter letter from South America, complaining that they found the wheel had been bored half an inch smaller than the shaft, and that they had to chip off a quarter of an inch all around the hole where the barometer stood at 17 inches, and physical exertion was something to be avoided. The case was somewhat relieved by the fact that I always cored out a larger chamber in the middle of the hub for the purpose of getting rid of a mass of metal which would cause the hub to cool too slowly, finishing only a length of two inches at each end of the hub, which was 10 or 12 inches long. As the engine had been paid for on shipment and ran well when put together, there was no great harm done, but I was sorry for the poor fellows who had to do the work. Except the one already mentioned in my first governor pulley, ten or twelve years before, this was the only misfit I can recall in my whole experience.

Mr. Ferguson told me the best piece-work story I ever heard. He said he had a contract for making a large number of the bases for the columns of the elevated railroad; these castings were quite large and complicated. He gave the job to his best molder, but the man could turn out only one a day. He thought it was slow work and spoke to him about it, but he protested that was all he could make. Mr. Ferguson found he could never complete his contract at that rate, and as he was paying the man three dollars a day, he told him he would pay him three dollars for each perfect casting and asked him to do his best and see how many[188] he could turn out. The man employed a boy to help him, and by systematizing his work he turned out six perfect castings every day and drew his eighteen dollars with supreme indifference. This is a big story to swallow, but the incident was then recent. I had the story from Mr. Ferguson himself, and he was a sterling, reliable man, so that there could be no doubt as to its absolute truth.


[189]

CHAPTER XVII

Mr. Allen’s Invention of his Boiler. Exhibition at the Fair of the American Institute in 1870.

A

At that time the “Field boiler tubes” were attracting considerable attention in London. These were designed to prevent the water from being lifted from the closed bottom of vertical tubes over the fire, which would cause them to be burned out. The Field tubes were smaller internal tubes, provided at the upper end with three wings which centered them in the middle of the external tubes, in which they reached nearly to the bottom. They were made slightly bell-mouthed at the top. The circulation was down the internal tube and upwards, through the annular space. The bell mouth prevented these currents from interfering with each other. One morning Mr. Allen said to me that he had an idea that by inclining the tubes at a small angle from the vertical a better circulation would be got than in the Field tubes. He thought the steam as fast as formed would all go to the upper side of the inclined tubes, and would rush up along that surface without driving the water before it, and so the water would always be at the bottom of the tube, no matter how hard the boiler was fired. I was struck with the idea and determined to test it. I got the largest test-tube I could find, 1¹⁄₄ inches in diameter and 15 inches long, and set it in an adjustable support, and applied the flame of four Bunsen burners, bunched together, at the bottom. In a vertical position the water was instantly thrown clean out of the tube. At about the angle of 20 degrees Mr. Allen’s idea was completely realized. The bubbles of steam united in a continuous stream on the upper side and rushed up with no water before them.[190] With the most rapid generation of steam the water remained solid at the bottom of the tube. The sight was a very interesting one. I reasoned that if this satisfactory result was got under a short column of water, and only the pressure of the atmosphere and in a small tube, it could certainly be relied upon under a column of water several times longer, under a pressure of several atmospheres and in a much larger tube. The greater the pressure the smaller the bubbles of steam would be. Those formed under one atmosphere were about as large as kidney beans.

Mr. Smith was anxious to have us exhibit the engine at the Fair of the American Institute in New York in the fall of 1870. This Institute was then at the height of its usefulness, and its annual fairs were crowded with exhibits and attracted wide attention. Mr. Allen and I consulted about it, and on account of the liability of getting more hot water than steam from the queer boilers that might be exhibited, we agreed that, as the engine would have to be tested for economy, it would not be safe to exhibit unless we could make a boiler according to Mr. Allen’s plan to supply the steam. With this boiler we could certainly get dry steam, and felt confident of getting it superheated.

Our recommendation to that effect was adopted, and we prepared to exhibit two engines, one of them 16 inches diameter of cylinder by 30 inches stroke to make 150 revolutions per minute, and the other 6 inches in diameter by 12 inches stroke to make 300 revolutions per minute, and a boiler. We also made to drive our own shop, to take the place of the portable engine and boiler, an engine of the smaller size above named, except that the cylinder was, by thickening its walls, made 5 inches in diameter only. This was because this size would be ample for the power we required, and I would be able to show the effect of inertia of the heavy reciprocating parts in producing smooth and silent running, much better than with a 6-inch cylinder, which would have about 50 per cent. larger area with no greater weight in the reciprocating parts, except only in the piston. This exhibition, as we shall see, became of great importance. We made also an Allen boiler for ourselves, of four sections; really, as it proved, three or four times as large as we needed, but we could not well make it smaller.

This exhibition at the American Institute was in every respect[191] a great success, not a drawback of any kind about it. The little engine was used by Merrill & Sons to drive their exhibit of forging machinery, hammers and drops. The large engine gave motion to a miscellaneous exhibit of machinery in motion. The exhibition of machinery in motion closed each day for an hour from 12 to 1, and again from 6 to 7, but I ran these engines continuously from 9 A.M. to 10 P.M., to show that high speed asked no favors. There were five boilers, including our own, from the start. The other four were smaller than ours. Another boiler, the largest of all except ours, was started later, as will be told. Ours had a brick flue and chimney, but only 30 feet high. Those of the others were iron. There were a number of other engines and pumps and pulsometers, all steam eaters.

It was found impossible to keep up steam. It fell to half pressure every day before stopping time came.

One morning, about a week after the opening, on my arrival my friend Mr. Lee, who was superintendent of the machinery department, came to me and said, “Do you know what they are all saying about here?” “No,” I replied. “Well,” said he, “you ought to know. It is that your engines use all the steam, and your boiler does not make any, and that is where all the trouble is.” I replied: “I am ready for them. You see that valve up there. I put it in expressly to meet whatever questions might arise. By closing it I can shut my system off from the general steam connections and run my two engines from my own boiler, and will try to get on without their assistance.” So a ladder was brought and I went up and shut the valve. Directly my pressure rose to 70 pounds, the pressure allowed; my automatic damper closed as nearly as it was permitted to do, and the steam began to blow off. To prevent this, the fireman had to set his door a little way open, and in this condition we ran all day. In the rest of the show the steam ran down until at noon there was barely 15 pounds pressure, but the wrath of the exhibitors of machinery driven by other engines was blowing off. After the noon hour the additional boiler was started and helped them a good deal, so that, starting with 70 pounds at 1 o’clock, at 5 o’clock they still had 25 pounds pressure.

Mr. Lee asked me several times during the day to open the[192] valve and I refused to do it. Finally, at about 5 o’clock, he said to me, “If you don’t open that valve, I shall.” “Well,” said I, “there will be a number of the managers of the Institute here at this hour, I presume, and if you will send for them and have them come here and see the state of the case for themselves then I will open the valve.” So this was done. Half a dozen of these gentlemen came and made an inspection of the boilers and said to me: “We are quite satisfied. It is evident that you have been supplying most of the steam and using very little.” So I opened the valve and there was no further trouble. The assistance of the large boiler added that day prevented any serious fall of pressure afterwards.

A few days after the above incident a committee of the managers waited on me and said: “We have heretofore had a good deal of trouble with our steam supply, and would like next year to have a boiler that we can rely upon. What will you ask to leave this boiler here for our use next season?” I agreed with them for three hundred dollars, and so the boiler remained for the next exhibition, when there will be something more to be said about it and views of it will be shown. That winter Barnum wintered his animals in that building, and paid me three hundred dollars more for the use of the boiler to warm it. In my ignorance of business these items of good luck came in very handy. Mr. Allen said he never heard of a new thing so successful from the start.

The remark respecting my exhibit of engines and boiler at the fair of the American Institute in 1870, that there was not a drawback of any kind about it, must, however, be qualified in one respect. I was not able to run my 16×30 engine at the speed of 150 revolutions per minute, as I had intended.

A blunder had been made in the size of the driven pulley on the line of shafting. It was smaller than specified, because the contractor for the shafting put on a pulley he had, and this was not observed till we were running, when it was too late to change it. The exhibitors of machinery in motion all complained that their machines were running too fast, and after two or three days the directors ordered me to reduce the speed of my engine to 125 revolutions per minute, at which speed it was run through the[193] rest of the fair. I was much disappointed, but consoled myself with thinking that perhaps this speed would please the general public better than the higher one, the engine even then being three or four times too large for its work.

The boiler gave me at the engine steam superheated 23 degrees all the time. This I proved by transposing the thermometers. I had two thermometers, duplicates, one on the steam-chest and the other on the first boiler drum, in which the steam was not superheated. The former indicated 23 degrees higher temperature. When these were exchanged the same difference continued to be shown.

I was greatly interested in observing in my own and other engines the relative amounts of initial cylinder condensation, as this was shown in the steam blown from the indicator stop-cocks. I had one of these on my steam-chest, and the steam blown from this was not visible until three or four inches above it. That blown from the stop-cocks on my cylinder had a very little tinge of white, showing the superheating to have been lost and a slight initial condensation to take place. As the piston advanced, the blowing steam became invisible, showing re-evaporation, through the falling of the boiling-point on the expansion.

On other engines, of which several were exhibited, the observation showed large amounts of initial condensation. From one of them I remember the blowing steam looked like a white painted stick.

I observed that the steam only lost three degrees of its superheat in passing through 25 feet of 6-inch pipe from the boiler to the engine. For this comparison I placed a thermometer on the second steam drum, in which the steam was superheated, where it showed about 26 degrees of superheat. This measured the rate at which the heat was lost through the felt covering of the pipe, and suggested an excellent method of comparing the protective value of different coverings under absolutely the same conditions.

The superheating of the steam for our own engine was not affected by the connection of our steam-pipe with those of the other engines. The explanation of this phenomenon seemed to be that as our boiler generated far more steam than our own[194] engines required, the current was always from our pipe into the connected pipes.

Scale 20

Diagram from Allen Engine, back end of cylinder, at Fair of American Institute, 1870.

I was here first made alive to the enormous waste of steam in the feed-pumps, a separate one for every boiler, including our own. In these the steam has to follow full stroke, at a pressure sufficient, on the larger area of the steam piston, to overcome the pressure in the boiler. Moreover, the extreme heat interval between the temperatures of the entering and the exhaust steam and the slow motion, permitting the walls of cylinder, heads and piston to be cooled very deeply by the exhaust, produces the condensation of probably from five to ten times as much steam as is usefully employed, differing according to the rate of piston motion. I began to rather admire the practice of the English, who knew nothing about boiler feed-pumps, except those on the engine, and I certainly wonder that the genius did not arise long before he did, who first thought of exhausting the feed-pump into the feed-water[195] under atmospheric pressure only, so returning to the boiler all the heat received in the pump that is not converted into the work of overcoming the boiler pressure and the atmospheric resistance or lost in external radiation.

The above diagram represents the performance of this engine in its regular work. It shows distinctly the compression curve, the points of cut-off and release, and the back pressure required to expel the exhaust. It will be seen that the expansion fell to 5 pounds below the atmosphere. I have added to it a line representing the waste room in ports and clearance, and the theoretical expansion curve plotted according to the law of Mariotte, showing the expansion terminating 2.5 pounds above this curve, from the re-evaporation already noted and the heat abandoned by the steam as the pressure fell.

After the close of the fair this engine was run on several days, under a variety of loads applied by a Prony brake, in the presence of a number of engineers and others who had been invited to witness the trials. Of the diagrams taken on these trials, I find that I have preserved only the two here shown, namely, a single friction diagram from the back end of the cylinder, on a scale of 20 pounds to the inch, and a diagram showing large power, taken from the front or crank end, on a scale of 24 pounds to the inch. The former shows the trifling loss from friction in this engine. I have measured this card, and find the mean effective pressure, or difference between the areas showing the excess of the forward over the back pressure, to be 1.1 pounds on the square inch, which, assuming the opposite card to be equal with it, was the friction of the engine. The exhaust line shows the power required to reverse the direction of motion of the exhaust, which at the end of the stroke was rushing back into the cylinder.

The latter is especially interesting as showing the identity of the expansion curve with the theoretical, three points on which are marked by the crosses. The sharp reaction of the indicator while the crank was passing the dead center will also be observed.

After this trial I made a careful comparison of the diagrams taken under the different loads with the friction diagrams, and found the uniform results to be that the friction diagrams subtracted from the diagrams taken under the load left in each[196] case, of six different loads, exactly the same effective work done that was shown by the brake.

Scale 20

Friction Diagram from Allen Engine at Fair of American Institute, 1870.

Scale 24
Gage Pressure 60

Diagram from Allen Engine, Fair of American Institute, 1870, cutting off at ¹⁄₄ stroke.

From this I concluded that in these engines the use of the friction brake is unnecessary; the friction is sensibly the same under all loads, and the friction diagram only needs to be subtracted[197] to learn from the diagram the amount of effective work done.

The verdict of the judges, President Barnard of Columbia College, Thomas J. Sloane, the proposer of the gimlet-pointed wood screw, now in universal use, in place of the flat-ended screws formerly used, and inventor of the special machinery required for their manufacture, and Robert Weir, engineer in the Croton Aqueduct department, may be summed up in the single expression from their report, “The performance of this engine is without precedent.” For its success I was largely indebted, first, to the remarkable circulation and steam-generating power of the boiler, and, second, to the superheating of the steam in the second drum.


[198]

CHAPTER XVIII

Demonstration to the Judges of Action of Reciprocating Parts. Explanation of this Action. Mr. Williams’ Instrument for Exhibiting this Action.

T

The subject of the equalizing action of the reciprocating parts of the engine was not considered in the report of the judges. Indeed, the speed of that engine, 125 revolutions per minute, was not sufficient to develop this action to any important extent. But there was another reason behind that. I invited the judges directly after the close of the fair, but before making their report, to witness a demonstration of this action in my little shop engine, which invitation was accepted by them, and the following exhibition was made, but this was not alluded to in their report, the reason of which will be given on a later page.

The engine had a 5-inch cylinder by 12 inches stroke, and its regular speed was 300 revolutions per minute. I kept Saturday afternoon holiday, one of the good things I had brought from England, and so on Saturday afternoon I had a clear field for this exhibition.

I had previously prepared two governor pulleys to speed the engine up to the increased speeds required, which speeds had been ascertained by calculation. I was so certain of the correctness of this calculation that I did not make any preliminary trial, did not think of such a thing.

President F. A. P. Barnard

[199]

After running the engine for a short time at its usual speed, I changed the governor pulley for the smaller one of the two I had prepared, by which the speed would be increased to about 400 revolutions per minute, and loosened the crank-pin brasses so that they were slack fully a thirty-second of an inch. On starting the engine in this condition, of course, it pounded violently on the crank-pin. As the speed was gradually permitted to increase the knock softened, and just before the governor rose it disappeared entirely, and at the calculated speed the engine ran in entire silence.

After running in this manner for a while I prepared for the second part of my show. I put the crank-pin brasses back to their usual running adjustment, loosened the brasses of the cross-head pin fully a thirty-second of an inch, and put on a larger governor pulley, which, if I remember rightly, ran the engine at about 550 revolutions per minute. Under these conditions we utilized only the inertia of piston, rod and cross-head, without that of the connecting-rod.

On starting, the engine of course pounded heavily on the cross-head pin. As the speed increased the same decrease in the noise was observed as on the first trial, only later in the course of the acceleration, and again just before the governor rose the pounding had completely died away, and at the calculated speed the engine ran again in entire silence.

Like everything else, this action seems mysterious until it comes to be understood, when it is seen to be quite simple, as the following explanation will show.

EXPLANATION OF THE ACTION OF THE RECIPROCATING PARTS OF A HORIZONTAL STEAM ENGINE

Let us take a horizontal engine of 2 feet stroke, making 200 revolutions per minute, so having a piston travel or average velocity of 800 feet per minute, which was my engine in the Paris Exposition of 1867.

We will suppose the piston to be driven through the crank, by which its motion is controlled, the power being got from some other motor, and that the cylinder heads have been removed so that the piston meets no resistance. We will also disregard the effect of the angular vibration of the connecting-rod, and assume the motion of the piston to be the same at each end of the cylinder.

On each stroke the crank does two things: First, it increases the motion of the piston from a state of rest to a velocity equal to the uniform velocity of the crank-pin in its circular path: and,[200] second, it brings the piston to rest again, ready to have the same operation repeated in the reverse direction during the return stroke.

At the mid-stroke the crank is at right angles with the line of centers, and the velocity of the piston is 800 × ¹⁄₂π = 1256.64 feet per minute, or 20.944 feet per second, and no pressure is being exerted on the piston either to accelerate or retard its motion.

Graphical representation of piston stroke

The pressure of the crank during a stroke, first to impart motion to the piston and second to arrest this motion, is represented by two opposite and equal triangles. Let the line AB, in the above figure, be the center line of a cylinder and its length represent the length of the stroke. Let the line AC, normal to the line AB, represent the force required to start the piston from a state of rest. Then the triangle AOC will represent the accelerating force that must be exerted on the piston at every point in the half stroke to bring up its velocity, until at O this equals that of the crank-pin in its circle of revolution, and the accelerating force, diminishing uniformly, has ceased. The opposite equal triangle BOD shows the resistance of the crank required to bring the piston to rest again.

How do we know this?

I will answer this question by the graphical method, the only one I know, and which I think will be understood by readers generally.

First, we observe that the distance the piston must move from the commencement to any point in the first half of its stroke, in order that it shall keep up with the crank, is the versed sine of the angle which the crank then forms with the line of[201] centers. So the table of versed sines tells us where the piston is when the crank is at any point in its revolution, from 0 to 90°.

Graphical representation of crank path

For example, let the quadrant AB in the following figure represent the path of the crank, and the line AO that of the piston. Let OF be the position reached by the crank. AOF is the angle formed by the crank with line of centers, and supposed to be 60°. FE normal to AO is the sine of this angle, and AE the versed sine. The latter is the distance traveled by the piston from the point A, and is .5, the length of the crank being 1.

Secondly, we ascertain how far the piston must advance for every degree or minute or second of the revolution of the crank in its quadrant by merely subtracting from its versed sine that of the preceding one. Thus the versed sine of 60° being .5, and that of 59° being .4849619251, the difference .0150380749 is the motion of the piston, or its mean velocity while the crank is traversing the 60th degree of its revolution.

Thirdly, we want to know the rate at which the motion of the piston is accelerated during any interval.

This acceleration is found by subtracting from the motion during each interval that during the preceding one. For example, the motion of the piston during the 60th degree being, as already seen, .0150380749, and that during the 59th degree being .0148811893, the difference between them, .0001568856, is the acceleration or amount of motion added during the 60th degree.

By this simple process we find the acceleration of the piston during the first degree of the revolution of the crank to be .0003046096, and that during the 90th degree to be .0000053161. But this latter is the amount by which the acceleration was reduced during the preceding degree. Therefore at the end of this degree the acceleration has ceased entirely.

Now, by erecting on the center line AC, at the end of each degree, ordinates which are extensions of the sine of the angle, and the lengths of which represent the acceleration during that degree we find that these all terminate on the diagonal line CO. Thus, when the crank has reached the 60th degree, and the piston[202] has advanced half the distance to the mid-stroke or to E, Fig. 32, the acceleration during the 60th degree has been .0001523049, or one half of that during the first degree.

But how do we know the amount of the accelerating force exerted by the crank at the beginning of the stroke? This question is answered as follows:

We find that for the first three degrees the accelerating force is, for the purpose of our computations, constant, the diminution not appearing until we have passed the sixth place of decimals.

Let us now suppose the crank 1 foot in length to make 1 revolution per minute, so moving through 6° of arc in 1 second. At this uniform rate of acceleration the piston would be moved in 1 second the versed sine of 1° .0001523048 × 6² = .0054829728 of a foot.

A falling body uniformly accelerated by a force equal to its own weight moves in 1 second 16.083 feet. Therefore this uniform stress on the crank is .0054829728 16.083 = .000341, which is the well-established coefficient of centrifugal force—the centrifugal force of one pound making one revolution per minute in a circle of one foot radius.

So we find that the height AC of this triangle represents the centrifugal force of the reciprocating parts which, in any case, we can ascertain by the formula

WRr²C,

W being the weight of the body;
R being the length of the crank;
r being the number of revolutions per minute, and
C being the coefficient .000341.

This accounts for the fact that the reciprocating parts are perfectly balanced by an equal weight revolving opposite the crank.

In my treatise on the Richards Indicator and the Development and Application of Force in the Steam-engine, I have given a full exposition of this action here briefly outlined, and to that the reader is referred.

I have only to add that this computation is for horizontal engines. In vertical engines the effect of gravity must be considered, adding on the upward stroke and deducting on the downward[203] stroke. Also the counterbalance in the crank-disk of vertical engines must be limited to the horizontal fling of the crank end of the connecting-rod, and all balancing must be as nearly as possible in the same plane.

In this respect double-crank engines have this advantage, that one half of the counterweight can be put on each side of the center line.

It is evident that the heavier the reciprocating parts and the more rapid the speed the greater the security for smooth and silent running. However loose the brasses and however sudden the impact of the steam on the piston, and however early or late the admission, there can be no sound or jar, if the inertia of the reciprocating parts is sufficient to equal the force of the entering steam, and if this is in excess it can do no harm. It is also evident that under these conditions at any point in the stroke the change of pressure to the opposite side of the crank-pin is made insensibly.

Some two or three weeks after this exhibition I received a note from President Barnard asking me to call upon him. On my responding to this invitation, he said to me that he had listened to my exposition of this action before the Polytechnic Club of the Institute, but he did not understand it; he had witnessed the experiments with my shop engine, but while he could not question the action in silencing all knock on the centers, still he did not understand it, and not until he investigated the problem in his own way by the method of the calculus did it become plain to him, and he could not see how I had ever been able to arrive at the exposition of the action without employing that method. This explains why the subject had not been considered in the report of the judges. President Barnard afterward kindly gave me a copy of his demonstration, to insert in my book on the Richards Indicator.

It seems appropriate to insert here the following letter received long after from a very prominent engineer of that day.

Long Branch, N. J., Aug. 7th, 1872.

“Mr. Chas. T. Porter:

My dear Sir: Since I had the pleasure of reading the paper which you read before the Polytechnic Club last winter, I have[204] regarded your demonstration as not less original than subversive. It is, for the first time I believe, apprehended and asserted, not merely that the vis inertia of the reciprocating masses is not primarily an adverse element in the economy of the crank-engine, but that a certain amount of weight in the piston and its connections, and in high-speed engines a very considerable amount, is an absolute theoretical necessity.

“As this will be deemed rank heresy by folks who have been making skeleton pistons of wrought iron, it is well perhaps that you are entrenched at the outset behind the experimentum crucis of loose brasses. “Very truly yours,
Joseph Nason.”

 

The following figures represent an elegant invention of Mr. Edwin F. Williams, which exhibits graphically the acceleration and retardation of the reciprocating parts of an engine.

In these views, A is the cross-head in its mid-position; B is the lath by which the paper drum of an indicator is actuated through the cord n. The lower end of this lath is fixed in its position on the cross-head by the stud j, on which it turns freely. y is the end of a vibrating arm, which permits the point of suspension of the lath B to fall below the position shown, as required in the motion of the cross-head on account of the lower end of the lath being so fixed. d is a cylindrical box, partly open, which is secured on the side of the cross-head, in a position parallel with motion, by the arm P. The end of this arm is on the stud j, inside the lath B. It is prevented from turning on this stud by the set-screw K, and its fixed position is further assured by the stud r.

In the box d is the cylindrical weight h, running freely on rollers, not shown, and bored to receive a spring e, of known strength. This spring is secured in two heads, one of which is screwed into the box and the other into the weight. The force required to move the weight h is thus applied to it through the spring.

The operation of this instrument is as follows: The cross-head being at its mid-stroke, as represented, has acquired its full velocity. At this point no force is being exerted, either to impart or to arrest its motion. The same is the case with the free weight h. No pressure is here being exerted, either to compress or to elongate the spring e.

Joseph Nason

[205]

Fig. 1 Fig. 5
SCALE 40
265 REVS. PER MIN.
11¹⁄₄″ × 16″ PORTER-ALLEN.
Fig. 4
SCALE 40
 265   REVS. PER MIN.
4.416 SEC.
Fig. 2 Fig. 3

Apparatus for Graphically Showing the Acceleration and Retardation of the Reciprocating Parts of an Engine.

[206]

Let the motion be in the direction from the crank. The crank now begins insensibly, by pulling through the spring e, to arrest the motion of the weight h. This pull will increase in intensity to the end of the stroke, when the weight is brought to rest, and the spring will become correspondingly elongated. Then, by a continuance of the same pull, the crank puts the cross-head and this free weight in motion in the reverse direction. This pull gradually relaxes, until at the mid-stroke it has ceased. The weight h has acquired its full velocity again; all stress is off the spring, and the spring and weight are back in the positions in the box d from which they started. This action is repeated during the opposite half of the revolution, but in the reverse direction, the pull being changed to a push, and the spring being compressed instead of elongated. Thus at every point the position of this free weight shows the amount of the accelerating or retarding force that is being exerted upon it at that point, elongating or compressing the spring.

This varying accelerating or retarding force is recorded as follows: A paper b, Fig. 2, is stretched on the surface ff. This surface is the arc of a circle described about the center j, and is secured on the lath B, so that as this lath vibrates by the motion of the cross-head the different points in the length of the paper pass successively under the pencil. This is set in the end of the long arm a of the right-angled lever-arms 4 to 1 seen in Fig. 2, which is actuated by the rod e passing centrally through the spring and secured in the head c. This pencil has thus imparted to it a transverse motion four times as great as the longitudinal motion of the weight h in the box d. The pencil is kept lifted from the paper (as permitted by the elasticity of the arm a) by the cord m. By letting the pencil down and turning the engine by hand, the neutral line x, Fig. 2, is drawn. Then when the engine is running, on letting the pencil come in contact with the paper, the diagonal lines are drawn as shown on Fig. 2.

Edwin F. Williams

[207]

If the rotation of the shaft were uniform and there were no lost motion in the shaft or connecting-rod, this diagonal line would repeat itself precisely, and would be a straight line modified by the angular vibration of the connecting-rod. On the other hand, these lost motions and the variations in the rotative speed must be exactly recorded, the latter being exhibited with a degree of accuracy not attainable by computation and plotting, and their correctness would be self-demonstrated. For this purpose this instrument must be found highly valuable, if it is really desired to have these variations revealed rather than concealed. Fig. 5 represents the inertia diagram drawn by this instrument applied to a Porter-Allen engine running in the Boston Post Office at the speed of 265 revolutions per minute. Fig. 4 shows the same diagram with the transverse motion of the pencil enlarged to correspond with the scale of the indicator, so exhibiting the force actually exerted on the crank-pin at every point, which is represented by the shaded area, and from which the rotative effect on the crank can be computed. The steam pressure absorbed at the commencement of the stroke by the inertia of these parts is represented by the blank area above the atmospheric line xx. This is not all imparted to the crank at the end on account of the compression.

I have myself had no experience in the use of this instrument, but I do not see why it might not be so made that the diagonal line or lines in Fig. 4 would be drawn at once. The variations of motion would thus be shown much more accurately than they can be by the enlargement of these small indications. This would require the spring e to bear the same relation to the inertia of the weight h that the spring of the indicator bears to the steam pressure on its piston area. The steam diagram and the inertia diagram would then be drawn to the same scale. A separate instrument would be required for each scale. It would seem desirable that this instrument, which is not expensive, should be brought before the public in this practical shape.

The 16″×30″ engine exhibited at this fair of the American Institute was sold from the exhibition to the Arlington Mills, at Lawrence, Mass. For a reason that will appear later, I have always regarded this sale as the most important one that I ever made.


[208]

CHAPTER XIX

Boiler Tests in Exhibition of 1871. We Lose Mr. Allen. Importance of Having a Business Man as President. Devotion of Mr. Hope.

T

The next year we were not exhibitors at the Institute fair, but our boiler remained in its place and was run by the Institute. This boiler and its setting are shown correctly in the accompanying reproduction of a drawing made about that time, except that it consisted of nine sections instead of six. At the close of the exhibition a boiler test was made by the Institute, through a committee of which Professor Thurston, at that time Professor of Mechanical Engineering in the Stevens Institute, afterwards until his death Director of the Sibley College of Mechanic Arts, in Cornell University, was the chairman. Five boilers, including the Allen boiler, were tested, one on each day, in a continuous run of twelve hours. The four besides our own were all different from the boilers exhibited the year before.

A week was spent in preparation for this test. A large wooden tank was constructed, in which was built a surface condenser, consisting of a pile of sections of the Root boiler, laid horizontally, having a total of 1100 square feet of cooling surface. The steam was exhausted into the pipes which were surrounded by the cooling water, thus reversing the construction of surface condensers.

Professor Robert H. Thurston

ALLEN BOILER.
OF
80 HORSE POWERS.

Area of Effective Heating Surface 810-Square Feet.
Area of Grate 24-Square Feet.

scale-1 inch-1 foot. Allen Engine Works.
July-1872.

Each boiler was tested by setting its damper and its steam-valve wide open, so burning all the coal that could be burned by it under its draft, and delivering freely all the steam that it made. This latter entered the condenser at the top, and the water formed by condensation was drawn off at the bottom, while the condensing water entered the tank at the bottom and was drawn off[209] at the top, the currents of steam and water being thus opposite to each other, which was an ideal construction. The condensing water at a temperature of 45.5 degrees flowed in under the pressure in the city main and was measured in a Worthington meter, and the temperature of the overflow taken. The condensed steam was drawn off into a barrel and weighed, 300 pounds at a time, and its temperature taken. This method was an excellent one.

Not having high chimneys, no boiler had a strong draft, as shown by the coal burned per square foot of grate. Our draft was the strongest of all. Only the Allen boiler and the Root boiler gave superheated steam, and the competition between them was very close. The valve being wide open, giving a free current into the condenser, the superheat of our steam fell to 13.23 degrees Fahrenheit. Root’s superheat was 16.08 degrees.

Root’s boiler, the trial of which occupied the first day, blew steam from the open try-cock, from water at 46 degrees Fahrenheit, in sixteen minutes from lighting the fire. Next morning our boiler blew steam from water at the same temperature, in twelve minutes, and Mr. Root holding his watch could not resist the ejaculation, “Wonderful boiler!” The Allen boiler, burning 13.88 pounds of coal per square foot of grate per hour, evaporated one cubic foot of water per hour from each 17.41 square feet of heating surface. Root’s boiler, burning 11.73 pounds of coal per square foot of grate per hour, required 23.59 square feet of heating surface to evaporate one cubic foot of water per hour.

Our stronger draft, 13.88 against 11.73, accounted for 3.2 pounds of the above superior evaporative efficiency, leaving 3 pounds to be accounted for by the more rapid circulation in the Allen boiler. The great value of the inclination of the tubes was thus established. The report contains this sentence: “The Committee desire to express their appreciation of the excellent general arrangement and proportions which gave to the Allen boiler its remarkably high steaming capacity.”

The reader will observe in the plan of this boiler the pains taken to maintain as far as possible parallel currents of the heated gases through the boiler, and taking the flues off at the bottom, thus bringing all the heating surfaces at the same distance from the furnace into approximately equal efficiency.

[210]

RESULTS OF THE COMPETITIVE TRIAL OF STEAM BOILERS AT THE FAIR OF THE AMERICAN INSTITUTE, NOVEMBER, 1871.

Name. Square Feet. Ratio of
heating
surface
to grate
surface.
Total Weights. Ratio of
water
primed
to water
evapo-
rated.
Mean Temperatures. Total
British
thermal
units.
Total
units
per
pound
of
com-
bustible.
Apparent
Evaporation.
Actual
Evaporation.
Equivalent
evaporation
of water at
212° Fahr. and
atmospheric
pressure.
Square feet of
heating surface
required to
evaporate
one cubic foot
of water
per hour.
Coal,
lbs. per
square foot
grate
surface
per hour.
Efficiency;
actual
evaporation
of fuel
divided by
theoretical.
Grate
surface.
Heating
surface.
Coal. Com-
bustible.
Feed. Steam. Primed
water.
Injection. Feed. Water of
conden-
sation.
Discharge. Steam. Super
heat.
Flues. Per
pound
of coal.
Per
pound of
com-
bustible.
Per
square
foot of
grate
surface
per hour.
Per
square
foot of
heating
surface
per hour.
Per
pound
of coal.
Per
pound
of com-
bustible.
  A. B. C. D. E. F. G. H. I. J. K. L. M. N. O. P. Q. R. S. T. U. V. W. X. Y. Z. Z. 1 Z. 2
Root 27   876 ¹⁄₂ 32 .5 3800 3185 .5 27896   27896   0 0 45° .94 45° .94 58° .31 143° .1 334° .6 16° .08 416° .6 32,751,834 .34 10,281 .53 7 .34 8 .76 86 .09 2 .65 7 .34 8 .76 10 .64 23 .59 11 .73 0 .709
Allen 32 ¹⁄₄ 920   28 .5 5375 4527   39670   39670   0 0 45° .5 45° .5 63° .48 154° .76 330° .63 13° .23 345° .87 46,387,827 .1 10,246 .92 7 .38 8 .76 102 .51 3 .59 7 .38 8 .76 10 .60 17 .41 13 .88 0 .707
Phleger 23   600   26 .1 2800 2274   20428   19782 .94 645 .06 3 .26 45° .65 45° .65 54° .38 120° .83 321° .06 503° .76 23,066,685 .39 10,143 .66 7 .26 8 .95 73 .70 2 .83 7 .07 8 .70 10 .49 22 .74 10 .13 0 .699
Lowe 37 ³⁄₄ 913   24 .2 4400 3705   34000   31663 .35 2336 .65 6 .9 45° .0 45° .0 54° .8 131° .5 319° .48 389° .6 37,228,739 .072 10,048 .24 7 .68 9 .12 75 .06 3 .10 7 .20 8 .55 10 .40 21 .63 9 .71 0 .693
Blanchard 8 ¹⁄₂ 440   51 .8 1232 1047 .5 10152 .5 9855 .6 296 .9 3 44° .4 44° .4 49° .49 106° .14 323° .75 221° .67 11,485,777 .35 10,964 .94 8 .24 9 .69 99 .53 1 .92 8 .00 9 .41 11 .34 33 .48 12 .10 0 .756

[211]

The boiler had one defect, seen in the front view, cross-section. A straight passage 2 inches wide was given to the gases between each pair of tubes.

The boilers having all had a preliminary trial during the first week, I observed the vapor arising from the exposed surface of the water in the tank, and that this unmeasured loss of heat differed considerably in the different boilers, and was enormously greatest on the trial of the Allen boiler. I said nothing, but went down early on next Monday morning and on my way bought a common tin cup about 3 inches deep and 4 inches in diameter, and secured it in one corner of the tank, immersed to a quarter of an inch below its rim, and filled even full of water. This was completed before the arrival of the Committee, and was at once approved by them. I made it my business every day to note the fall of the water level by evaporation from this cup. On the trial of the Allen boiler only the water in the cup was all evaporated, and I had to fill it again. The temperature of the water in the cup was always 8 degrees below that of the surrounding water. It was thus obvious that the evaporation from the tank was greater than the fall of the level in the cup would indicate. The Committee considered that this should be increased as the tension of the vapors. The result was that the report contained the following item: Units of heat carried away by evaporation at the surface of the tank:

Root boiler 721,390.8 units
Allen boiler 1,178,404.5
Phleger boiler 378,371
Lowe boiler 692,055
Blanchard boiler 268,707

The same Bulkley pyrometer was used in all the furnaces to indicate the temperature of the escaping gases. On Tuesday morning, when my boiler was to be tried, I saw that before my arrival the pyrometer had been set in the brick chimney, where the readings could be conveniently taken by a person standing[212] on the brick surface of the boiler chamber. Its readings averaged 260 degrees Fahrenheit. I did not believe this to be true. At about half-past two o’clock, when seven readings had been taken, one each half hour, having got ready some bricks and mortar and tools, I pulled the pyrometer out and filled up the hole. I then knocked a hole in the side of the brickwork at the bottom, in front of the flue, and set the pyrometer there. The reading rose to 405 degrees, which was the temperature at which the gases then entered the flue, and averaged about 385 degrees during the remainder of the sixteen readings. Root’s average was 416 degrees, and Phleger’s (also tubular) averaged 503. Obviously the readings taken before the pyrometer was moved should have been rejected; but the boys who did this kind of work added them all together, and our average temperature is printed 345.87 degrees, giving the boiler more credit than it was entitled to by about 40 degrees. I lost a little by this operation. While I was bricking up the hole the fireman came around and told me I was spoiling his fire. When I got the figures of water evaporated and coal burned, I found that in that half hour I had only 900 pounds (three barrels) credited to the boiler, instead of 1800 pounds (six barrels) during every other half hour, being a loss of about .023 in water weighed in the barrel, 38,400 pounds, instead of 39,300 pounds, while, curiously enough, the coal burned was rather increased.

The point of interest in this incident was the fact that the gases had lost 125 degrees of heat in traversing a distance in flues and chimney of less than 20 feet. This seems difficult to believe, but they did. There was no leakage as the excellent draft clearly proved, nor any other way of accounting for the discrepancy. The length of the pyrometer tube exposed to the heated gases was the same in both positions. The heat had been lost by radiation through the brickwork. I have been waiting ever since for a chance to turn this knowledge to useful account, but it has not come yet. I will content myself with suggesting to somebody else the idea of facing the boiler setting, flues and chimney, not only outside but inside also after leaving the furnace, with white encaustic tiles, which will neither absorb nor radiate heat appreciably. This will pay in maintaining the temperature in a large degree to the top of the chimney, so increasing, perhaps doubling,[213] the strength of the draft. An enormous amount of heat must be lost through the extended surface of the brick boiler setting. It is always observed that the hotter a boiler-room is kept the greater the efficiency of the boiler becomes. This is a slight indication of the great gain which might be effected by the plan I propose.

Before this boiler trial we had lost Mr. Allen. He had conceived the idea of the pneumatic riveter and the high-speed air-compressor to furnish this riveter with power. In the latter he utilized the inertia of the reciprocating parts, including two pistons, the steam and the air piston. This he did with my cordial consent, and indeed there was nothing patentable about that feature anyway. Mr. Allen thus became the originator of the important system of pneumatic riveting, in its two methods, by percussion and by pressure. Mr. Allen sold out his stock in the engine company to Mr. Hope and Mr. Smith, and built a shop in Mott Haven for the manufacture of the riveters and compressors. He took the boiler in the fair in part payment, and sold it directly to a party who had erected a wood-working shop at some point on the Harlem River.

The Croton water which had been fed to the boiler contained no lime, but some sediment. Mr. Allen had the boiler taken down and brought to our shop for inspection and cleaning. I determined to improve the opportunity to observe the effect of the circulation on the deposit of sediment, and the result of the examination proved most interesting. Each inclined tube had been provided at the end with a brass plug, by removing which it could be cleaned by the running out of the water which it contained. This had not yet been done.

I took out the tubes on one side of one section, ten in all, five over the furnace and five behind the bridge wall, and planed them in two longitudinally, and had the following revelation: The tubes over the furnace were entirely empty. In those back of the bridge wall a deposit of sediment appeared, only about an inch deep in the first one, and increasing regularly to a depth of 18 inches in the last one, which was not the tube receiving the feed-water. So the water fed into the last tube of each section deposited its sediment most largely in the first tube it reached,[214] in which the circulation was least active, and had deposited it all before reaching the tubes over the furnace. The remaining long tubes were then cleaned, the tubes cut in two were replaced by new ones, and the boiler delivered to Mr. Allen. The next stage in its history was very funny. The purchaser, to save the cost of Croton water, fed his boiler from the Harlem River, and within a month it was found to be filled solid with salt. What was done about it I never heard.

I thought I could sell the boilers where, as in New York City, they could be fed with water free from lime, and I made a few such sales, but the inspiration which led me to employ the second drum for superheating the steam had deserted me.

I came to the conclusion that by making the first drum a large one, and not extending the nipples into the drum to trap a puddle of water, as I had done, I could superheat the steam in one drum. That was a blunder. I had underestimated the furious circulation, which carried a large amount of spray into the drum. I was misled by the quiet position of the water-level, as always shown in the glass gauge. Instead of superheated steam, I found the boiler to give very wet steam. That fault, of course, I could have remedied by returning to my first design. But I was discouraged by other things. The first, of course, was the impossibility of removing scale by any mechanical means. The most serious discouragement was a cracked header. The inclined tubes, on any plan for their use that I could then design, made cast-iron headers necessary. I had taken great pains to obtain perfect castings, making them of the best iron in baked molds in iron flasks, of uniform thickness, ⁵⁄₈ in., and ³⁄₄ in. where threaded, with cores held perfectly central and remarkably well vented, and felt that I could rely on their soundness; but this defect showed that I could not. So reluctantly I abandoned the manufacture of the boiler.

I believe, however, that there is yet a future for the inclined boiler tube, with independent circulation in each tube, the whole made entirely from forged steel; and that better results will be obtained from it than any other form of boiler has as yet given. I have been told by Chief Engineer Melville that all water admitted to the boilers in the United States Navy is made pure[215] enough for pharmaceutical purposes. If this can be done in the navy, where sea water and the mud of harbors have to be used, it can be done anywhere. Cooling towers make it practicable to return all water to the boiler even from non-condensing engines. Then only the waste needs to be made good, and any water can be purified for this purpose. Oil or grease with the feed-water is readily avoided. Only electrolysis remains to be provided against, which can be done by avoiding the use of any alloy of copper in contact with the water. We may then have boilers of the most durable character and safe to carry any desired pressure.

The following incident near the close of my experience in Harlem would be too ridiculous to print except for its consequence. One day Mr. Smith sent me word that he would like to see me in his office. When I entered he asked me, “What do you pay for the castings of your governor arms and balls?” Of course he knew perfectly well, as he had the bills and the books, but that was his way of introducing the subject. I replied, “Forty cents a pound.” He held up both hands in affected amazement, and exclaimed, “Forty cents a pound! Well, sir, I can assure you of one thing, no more of this company’s money is going to be squandered in that way.” I overlooked his insulting language and manner, and said quietly, “Are you sure, Mr. Smith, that you have all the information you need to form a correct judgment in this matter?” “I am sure,” he replied, “what the market price is of copper and tin, and that I can get castings made from our own metal at a price that will bring the cost to not more than 25 cents a pound.”

“This, then, I presume, is all you know about the subject,” I said, “and you ought to know a great deal more, which I will tell you. It is necessary that I can rely upon getting a pure copper and tin alloy, in the proportion known as gun-metal, on account of its strength, its rigidity, and its wearing qualities. The latter is of especial importance, because the governor joints are in continual motion under the weight of the heavy counterpoise. Experience shows that this purity cannot be relied upon where it is possible that any inferior metal can become mixed with this alloy in even the smallest proportion. This for us, not[216] making our own castings, must be wholly a matter of confidence.

“Another risk must be avoided, that is, of getting bad castings. The castings must not have the least imperfection. The time lost, through finding defects that make it necessary to reject arms after more or less work has been put on them, would soon wipe out all the little gain you look for; as these castings, at 40 cents a pound, only cost about five dollars a set, as an average of all the sizes.

“I made a careful study of this subject when I commenced the governor manufacture about fifteen years ago, and found David Francis, who had a small gun-metal foundry on Vestry Street, to be just the man I wanted. No inferior metal ever goes into his place. He enjoyed the entire confidence of manufacturers. He has made my governor arms and balls ever since. I have never had a bad casting from him, and always got the pure metal, and have paid him the same price that everybody pays him for small castings. I consider the security that I have had respecting this metal to have been fundamental to the great success of my governors, and that I would be crazy to make any such change as you propose.”

He made no reply, and I left him, supposing my statement to have been perfectly satisfactory. What was my amazement when, a few days after, he informed me that he had made a contract with a brass molder on Rose Street for casting our governor arms, “subject to your approval, sir,” and he asked me to visit the place and see what its facilities were.

I told him I would go, but that my position on the subject was already well known to him. I found the place on a little lane, and that the business done in it was making brass castings for plumbers. The proprietor told me he had never made gun-metal castings, but he could make any kind of composition, and I could rely on getting them of just the metal I furnished him.

I reported to Mr. Smith that such an arrangement would be ruinous, that his plan of furnishing the metal was most unbusinesslike. “What do you know about business?” he shouted with a sneer. “I know,” said I, “that if you should propose this plan to any well-informed, practical man, he would laugh in your[217] face, and tell you if you wanted to ruin your business this would be as good a way as any to do it.” He replied, “That is not the question, sir; the only question is, will you, or will you not, approve the contract I have made?” “I will not,” I replied, and walked out of his office.

A few days after I received a note from Mr. Hope, asking me to call on him. I called next day, and he told me that Mr. Smith had been to see him, with a bitter complaint of my insubordination and defiance of his authority, which he would not endure, and he asked me to tell him what the trouble was about. I told him substantially as above related. “Is that all?” said he. I assured him that it was all the trouble that I knew of. Mr. Hope replied, “I cannot express my amazement at his interference with your management. That must be absolutely entrusted to you, and he ought to see it. He is a rational man and I can easily show him his error, and that you must take the stand you have done. I don’t think you will have any more trouble.”

I did not hear again from Mr. Hope for a fortnight, during which time I had no occasion to meet Mr. Smith. Finally a letter came from him, telling me that I must prepare for the worst; he had exhausted all his efforts on Mr. Smith, and found him absolutely immovable, declaring that I must go, I was of no use there, anyway. Mr. Hope said he told him his conduct was outrageous and suicidal. If I went, that I would be the end of the business. He snapped his fingers at that, saying, “Mr. Goodfellow can make the engines, and I can sell them; what more do you want?” He declared that no business could succeed unless the will of the president was law. They had several very disagreeable conferences, which Mr. Smith always closed by saying, “Repay me my investment in this company,” which he figured at $24,000, “and I’ll give you my stock.” He had announced to Mr. Hope his determination to call a meeting of the directors to discharge me, and as he had a majority of votes, having some time before given to each of his two sons qualifying shares and had them elected members of the board of directors, he held the power in his hands to do it.

Directly after, I received a copy of a notice of a regular meeting of the board, convened strictly according to law. I could see no[218] ray of light. The night before the meeting I walked the Third Avenue bridge half the night. The meeting was called to order by Mr. Smith at the appointed hour. Mr. Hope was absent. Mr. Smith said Mr. Hope had sent word to him the day before that he might be detained, but if so would come up on the next boat, which ran hourly, and asked Mr. Smith to wait that time for him.

So the meeting was adjourned for an hour, when Mr. Hope arrived.

Mr. Smith prefaced the resolutions discharging me from my position as superintendent and electing Mr. Goodfellow in my place, by quite an oration, setting forth the solemn sense of his Christian duty which left him no alternative, and the necessity of proper subordination in any business, if it was to be successful, and the especially aggravated character of my offense, and the demoralizing nature of my example.

He was about to put the question on the adoption of the resolutions, when Mr. Hope said, “Before you put this question to vote, Mr. Smith, I would like to say a word. I have concluded to accept your offer. Here is my certified check for $24,000 to your order, and I demand from you the transfer to me of the stock in this company standing in your name and the names of your sons.”

When the Smiths were gone (they left by the next boat) Mr. Hope and I sat down to confer on the business of the company. When these matters were concluded, I said to him, “Mr. Hope, if you had determined to make this grand proof of your confidence in the engine and in myself, why did you not tell me sooner, and save my wife and myself a great deal of distress?”

“My dear fellow,” he replied, “I did not know till this morning that I should be able to do it. That is why I was late.”


[219]

CHAPTER XX

Close of the Engine Manufacture in Harlem. My Occupation During a Three Years’ Suspension.

I

In the autumn of ’72, following the above incident, we had a proof of the sagacity of Mr. Smith in rejecting my plan for the establishment of works for the manufacture of the engines, and taking a five years’ lease of an abandoned shanty. The property had changed hands, and we received a note from the new owner, saying that he had purchased the property with a view to its improvement. He should therefore be unable to renew our lease, and he gave us six months’ notice, that we might have time in which to make other arrangements before its expiration.

Here was a situation. To move and establish the business in a new locality would require a large expenditure, and we had no money. The natural thing to do would be to enlarge our capital. On consultation with several parties, Mr. Hope found the financial situation at that time would not warrant this attempt. The Civil War had ended between seven and eight years before. Hard times had been generally anticipated after its close, but to the surprise of capitalists these did not come. The country continued to be apparently prosperous. The best observers were, however, convinced that a financial reaction was inevitable, and the longer it was delayed the more serious it was likely to be; an anticipation that was more than realized in Black Friday in September, 1873, and the collapse of values and years of absolute stagnation that followed.

For some time before that eventful day capitalists had felt anxious and there had been a growing timidity and indisposition[220] to invest in any enterprise, however substantial it might be, so there was nothing for us to do but to wind up our business and wait for more propitious times, when we might attempt its revival.

In the winter of ’72-3 I had a call from my friend, J. C. Hoadley, accompanied by Mr. Charles H. Waters, manager of the Clinton Wire Cloth Company. Mr. Waters wished to obtain one of our engines. I told him I was very sorry, but we should not be able to make one for him. I then explained our situation. Our lease would expire in a month or two, and could not be renewed, and we had made arrangements then to close our business, had sold all our tools deliverable before that date, were rushing two engines to completion, but absolutely could not undertake another order.

“Never mind,” said he, “one of your engines I must have.” He then told me that he was about to introduce a new feature in weaving wire cloth. This was then woven in various narrow widths, according to customers’ orders, having a selvage on each side. He had satisfied himself that this latter was unnecessary. The wire, being bent in weaving, had no tendency to ravel, and he had planned a loom to weave the cloth seven feet in width, and slit it up into narrow widths as required. In this loom the shuttle alone would weigh a hundred and fifty pounds, besides the great weight of wire it would carry; it had to be thrown nearly twelve feet, and he wanted to make as many picks per minute as any narrow loom could do. In order to make these throws uniformly, he required absolutely uniform motion. From a careful study of slow-moving variable cut-off engines, he had satisfied himself that none of them could give him the uniformity of motion he needed. They were driven by a succession of violent punches, these excessive amounts of force at the commencement of each stroke were absorbed by the fly-wheel, the velocity of which had to be increased to do it, and at the end of the stroke its velocity had to be reduced in the same degree, to supply the total failure of the force of the steam. This involved a variation of speed which in ordinary business would not be regarded, but which would ruin the action of this new loom. In the high speed of my engine, and the action of the reciprocating fly-wheel, which compensated the inequalities of the steam pressure without affecting the uniformity of the speed, he found just what he needed, and that engine he must have. I was astonished at the man’s penetration.

J. C. Hoadley

[221]

I was able to get from our landlord and purchasers of our tools the necessary extension of time, and made the engine for him. It and the loom were each a complete success. Mr. Waters told me long after that he never observed a single variation from exact uniformity of motion, without which his loom would have had to be abandoned.

I had one day the pleasure of meeting there the president of the Lancaster mills, the only other great industry of Clinton, who had come over expressly to examine the running of our engine. Before he left he said to me that the engine certainly presented a remarkable advance in steam engineering.

I saw there one thing that interested me greatly. That was, the method of painting wire cloth. This was carried on in a large tower high enough to enable a twenty-yard length of the “cloth” to be suspended in it. This was taken through a tub of paint, and drawn slowly upward between three successive pairs of rollers, the last pair of india-rubber, held firmly together. By these the paint was squeezed into every corner, both sides were thoroughly painted, and the surplus paint removed, so that every mesh was clear, a uniform perfection unattainable by hand painting, and two boys would paint in ten minutes as much as a painter could paint in a day. I think this was an invention by Mr. Waters.

With the completion of the engine for the Clinton Wire Cloth Company, the manufacture of the high-speed engine was closed for three years, from the spring of 1873 to the spring of 1876.

This long rest proved to be most valuable. Looking back upon it, I have always been impressed with its importance at that very time to the development of the high-speed system.

The design of the engine needed to be revised, and this revision involved study, to which time and leisure were essential.

I had also an order from Elliott Brothers of London, to prepare a new and enlarged edition of the pamphlet descriptive of the Richards Indicator. I determined to make this a comprehensive book, embracing new information required by the steam engineer, so far as I knew it. This was published simultaneously in London and New York in the summer of 1874.

[222]

I was enabled also to turn to account the report of the experiments of M. Regnault, which I had been at so much trouble to get, and with the help of English authorities to prepare and embody in this book Tables of the Properties of Saturated Steam, which the American Society of Mechanical Engineers honored me by adopting as its standard.

I felt warranted in giving to this edition an amended title, as follows: “A treatise on the Richards Steam Engine Indicator, and the Development and Application of Force in the Steam Engine.”

This also was a job requiring much time and undivided application. It is needless to say that without this long and entire rest from business neither of these tasks could have been undertaken.

I found in the Astor Library a remarkable old book, entitled “Canon triangulorum,” published at Frankfurt in 1612, containing a Table of Natural Trigonometrical Functions, computed for every minute of arc, and extended to the fifteenth place of decimals. The column of versed sines enabled me to prepare tables exhibiting the rates of acceleration and retardation of the motion of a piston controlled by a crank, neglecting the effect of the angular vibration of the connecting-rod. This effect was afterwards shown separately. For my treatment of this subject, I must refer the reader to the book itself.

A little incident in connection with this work, which made a deep impression on my mind, and has since afforded me some food for reflection, seems worth relating. The printing was done in London, and I did not see the proof, so I had to take especial pains with the copy, having no opportunity to revise it. I was living in Harlem, and at one time having no suitable envelope for mailing, and none being obtainable there, I took a Third Avenue horse-car for an eight-mile ride down to the New York post office, intending to get some envelopes at a stationery store on Beekman Street, and mail the portion of the copy which I then had ready at the general post office. I had hardly taken my seat when Mr. Allen got into the car. He was living in Mott Haven, and I had not seen him for a long time. Besides ourselves the car was nearly if not quite empty. He came and sat down by me, and I opened my copy and read to him something in which I knew he would be interested. He said to me, in his gentle way, “You would not express it exactly that way, would you?” On the instant it flashed on my mind that I had made a stupid blunder, and I replied, “I guess I wouldn’t,” and, thanking him for calling my attention to it, I left the car, and returned home and corrected it. I have quite forgotten what the point was, and if I remembered it, I would not tell. But I have often asked myself who sent Mr. Allen there, saving me from publishing a mortifying blunder. I expect some sweet spirit will tell me before long.

[223]

The Prototype of the Modern High-speed Engine, Fly-wheel Side.

[224]

The Prototype of the Modern High-speed Engine, Crank Side.

[225]

As soon as this book was off my hands, I devoted myself to the revision and standardizing of the engine.

As made up to that time, it was not reversible, and the valves could not be handled. It could not therefore be used in rolling-mills, the field to which I felt already that it was especially adapted. Moreover, every engine should be capable of being backed in starting, as otherwise whenever it had stopped with the piston at a point later than the latest point of cut-off, or say in the last[226] half of the stroke, which it would do half the time, it would need to be pulled around by hand to a position in which one of the admission ports would be open. This in a large engine, or one connected with extensive lines of shafting, would be a serious matter, so much so that in some engines little starting cylinders are required.

Longitudinal Section of Cylinder and Valves.

Cross-section of Cylinder and Valves.

Elevation and Plan of Valve Connections.

[227]

I had also determined to use the equilibrium admission valves with adjustable pressure plates, according to the drawings sent to me by Mr. Allen in 1863, and to abandon the separate steam chest, and put the exhaust valves on the opposite side of the cylinder.

Then the engine needed to be standardized, so as to cover the field with the fewest number of sizes, symmetrically distributed. The existing practice with all makers of engines had been to let the purchaser dictate the size and speed of the engine he wanted, a practice which resulted in a lot of patterns and drawings not adapted to other people’s requirements, and not properly distributed. For an organized manufacturing business, this habit must be entirely broken up.

Mr. Allen had in his shop in Mott Haven an unoccupied second story, in which I had stored our patterns and drawings and drawing implements. Here I established my quarters, and spent my working hours until this second job was finished.

The two perspective views of opposite sides of the engine, show these changes as they appear externally, and the remaining views show some constructive details.

These latter show the exhaust valves transferred to the front side of the engine, and located so as to drain the cylinder, and the admission valves set at different elevations, to accommodate the differential connection, the abandonment of the separate steam-chest, and this chest with the exhaust chambers cast with the cylinder, with openings over the valves; the levers by which the differential movements are given to the admission valves; and the single-link rod, and the gab by which this rod is unhooked, with the method of moving the admission valves by hand.

In place of the levers on the steam rock shaft, I at that time drew cast-iron disks, which being polished and vibrating in place I thought very handsome. They gave me lots of trouble, till I learned enough to get rid of them, the story of which I will tell by and by. The front view shows the admission valve stems balanced by being extended through at the back end, a feature which helped the governor action when high steam pressures were employed, but which was abandoned as unnecessary after I abandoned the disks on the rocker shaft.

[228]

First Arrangement of Exhaust Valves.

[229]

The first two figures show the valves in section and the adjustable pressure plate and mode of its adjustment. The closeness of the piston to the head may be observed. I never allowed more than one-eighth inch clearance, and never had a piston touch the head. This was because the connecting-rod maintained a constant length, the wear of the boxes being taken up in the same direction.

These illustrations show the exhaust valves after alteration made several years later in Philadelphia. As first designed by me, these are shown in the foregoing sectional views. As will be seen, the exhaust valves lay with their backs towards the cylinder, worked under the pressure of the steam in the cylinder, made four openings for release and exhausted through the cover.

I consented to the change in Philadelphia because this arrangement involved too much waste room, but the change was not satisfactory after all. I had become possessed with the idea that the engine running at high speed needed 50 per cent. more room for exhausting than for admission. This was not the case. I have always regretted that I did not retain this design, and content myself with reducing the exhaust area.

The lightness of the piston in this view will be observed. This was a special design for adapting the engine to be run at 200 revolutions, giving 1200 feet piston travel per minute. The stuffing-box was a freak which was abandoned.

The next figures show the valve-stem guides, rocking-levers, coupling-rods and gab, which latter when thrown over unhooks the link-rod, as is done on steamboat engines.

The following figures show the construction of the main bearing with adjustments on opposite sides, by which the shaft is kept in exact line, and shows also the solid support of the shaft quite out to the hub of the crank. This view contains one error. The cap is not made a binder. I relied on the strength of the thick continuous web of the bed under the boxes in addition to the depth of the bed. But we once had a bed break right here under enormous strain, and since then the caps have been made binders. It will be observed that the wedges are drawn upward to tighten the boxes. It is not necessary to explain why.

[230]

Main Bearing.

 

Front View of Wiper

Section on the Line a-b

Center Line of Shaft

 

Eccentric and Crosshead Pin Lubricator.

Crank-pin Lubricator.

 

[231]

The above left-hand cut shows the automatic lubricator of the eccentric and the cross-head pin. The stud A, on the eccentric strap and on the strap of the connecting-rod, carries a curved blade, a, which at the beginning of each forward stroke rises to take the drop of oil from the stem of the sight-feed lubricator. This is set on an arm fixed on the cap of the main-bearing and on a bridge between the upper guide-bars. The drop is made sure to come to this central point by a wire B filling the brass tube, grooved on opposite sides and terminating in a point.

The automatic lubrication of the crank-pin presented a still more serious problem. It was solved by the construction shown, in the right hand view, which will be understood without further description. It will be seen that here the oil tube is inclined, and the drop follows it to a point on its lower side. Both these lubricators proved absolutely reliable. The last one is equally applicable on double-crank engines.

Dimensions
of
Cylinders.
Revolutions
of Crank
per Minute.
Travel
of Piston
in Feet
per Minute.
Indicated Powers. Fly-wheels.
Made
when Practicable
to Serve also
as Belt-Drums.
Driving Belts.
Bore. Stroke. Without
Conden-
sation.
With
Conden-
sation.
Diameter. Weight
of Rim.
Velocity. Width.
Inches. Inches.     Horse
Powers.
Horse
Powers.
Feet. Inches. Lbs. Feet
per
minute.
Inches.
6   12 350   700   25    3    350 3300  9 single.
7 12 350 700   35    3 6  400 3850 10
8 16 280 746   45   60  4    650 3520 12 double.
9 16 280 746   60   75  4 6  700 3960 12
10 20 230 766   75  100  5   1300 3610 14
11 .5 20 230 766  100  125  5 6 1450 3970 14
13   24 200 800  130  160  6 6 2100 4084 18
14 .5 24 200 800  160  200  7   2350 4400 20
16 30 165 825  200  260  8   4000 4150 26
18 30 165 825  250  330  9   4000 4670 30
20 36 140 840  320  400 10   6000 4400 38
22 36 140 840  400  500 11   6000 4840 42
24 42 125 875  480  620 12        
26 42 125 875  560  730 13
28 48 112 .5 900  670  870 16
32 48 112 .5 900  870 1140  
36 48 112 .5 900 1100 1430
40 48 112 .5 900 1360 1750
44 48 112 .5 900 1600 2100

The powers are those given by an initial pressure of 85 lbs. on the square inch, cut off at about one quarter of the stroke. For the best economy steam should not be cut off earlier than this, unless a higher pressure is carried. At the latest point of cut off, the powers developed are double those given in the above Table. The engines can be worked under locomotive pressures, with corresponding increase of power.

After considerable study I finally adopted the above table of standard sizes and speeds, covering the ground from 25 horse-power up with nineteen sizes.

As the bed could not be reversed, I needed both a right-hand and a left-hand bed for each size. I avoided half of this expense[232] in patterns by planning two diameters of cylinders with the same stroke, and making one bed answer for both.

Until I found something else to do, I employed myself in preparing complete drawings for three or four smaller sizes of engines; a work which afterwards proved exceedingly useful.


[233]

CHAPTER XXI

Production of an Original Surface Plate.

I

I will introduce here a description of the method of producing an original surface plate.

The production of mechanically true planes by the method of scraping was first suggested by Mr. Whitworth, and was brought to perfection in his works. Having had and having improved the opportunity there to study this system, and having employed it largely in the manufacture of high-speed engines, it seems to me that an account of it should find a place in these reminiscences, especially as the importance of mechanical truth is coming to be more and more realized in this country. I will therefore describe the process of producing an original standard surface plate.

The first point, of course, is the design. The square form, 30 inches square, has been found most suitable. I could not, however, use this form myself, a long surface plate being required for the guide-bars and steam-chest joints of my engine.

The plate must be incapable of deflection. To insure this it is ribbed on the under side with ribs seven inches deep, and is supported at three points, equidistant from each other and from the center, so that its equal support cannot vary, whatever may be the surface on which it stands. It is provided on two opposite sides with handles, by which it can be lifted and rotated. The arrangement of the ribs and feet is here shown.

It must be cast of hard and close-grained iron, which will possess the most durable qualities, in a baked mold without a cope, so that the gas shall escape most freely. As cast, the plate should be one inch thick. About three eighths of an inch is planed off,[234] removing all dirt, and leaving a perfectly sound surface, with a thickness of about five eighths of an inch. Three of these plates are made. After these have been planed, their edges squared and steel handles put in they are delivered to the fitter.

Surface Plate for Producing a True Plane.

I will first describe the tool used in scraping. Originally this was a hooked tool, and the scraping was done by a drawing motion. Two of these tools were employed, one for the roughing work, in[235] which the hook projected downward about three quarters of an inch, and the other for fine scraping. In the latter the hook projected downward only about one quarter of an inch, and absolute freedom from vibration was aimed at. These tools were used for a number of years, but afterwards a radical change was made. The modern method is to employ a single straight tool, like a carpenter’s chisel, about an inch and a quarter wide and an eighth of an inch thick, with a square end. This end is slightly curved, and its corners are rounded to avoid scratching the plate. The scraping is done by a pushing motion.

This tool has been found preferable on all accounts. Projections needing to be removed are in front of the tool, instead of being covered by it. The tool is perfectly rigid, and can be inclined to the surface at any desired angle. The cutting edge is a square angle, and being well supported keeps sharp for a considerably longer time than when it is an acute angle, and when ground or honed two edges are formed. Moreover, the pushing motion is preferred.

Two of the plates only are first brought together. For disclosing the high points, one of these is covered with a raddle made of finely sifted red lead and oil. This is made quite stiff, and all of it that can be removed by the palm of the hand is rubbed off, leaving only a very thin uniform film on the surface. Any dust having been carefully removed from both surfaces by a soft brush, one of these plates is inverted on the other, and at one corner each plate is marked in the edge with a prick-punch. The upper plate is then rubbed about on the lower one for, say, half a minute. When lifted off, the high portions of the surfaces are shown on one plate by the raddle put on, and on the other by that rubbed off. The workman then gives to these parts of the surfaces a general scraping, giving to his tool a long sweep, say from four to six inches. This is repeated two or three times, the stroke being shortened each time, and the upper plate being placed in a position at right angles with its last one, which can be determined by the prick-punch marks. This change of position is necessary to avoid a cross-wind or spiral form. The scraping should now extend over the entire surfaces, and these should have a general uniform bearing on each other, with the points of contact uniformly[236] distributed and equally distinct. The work should be continued in the same way until all these requirements are fulfilled.

Now appears the use of the third plate. The two surfaces thus formed are sure to be, one of them convex and the other concave, in some corresponding degree. The workman now numbers the plates, by numbers stamped in the edges, these being marked Nos. 1 and 2, and the third plate No. 3. No. 2 is now set aside, and No. 3 is scraped to fit No. 1. It is thus made a duplicate of No. 2. Next, No. 1 is set aside and Nos. 2 and 3 are brought together. Supposing these to be convex, they will bear together at the middle point, on which the upper plate will rock, and the degree of their convexity will thus be shown. The workman then in the same manner scrapes these plates equally to the best of his judgment, until their entire surfaces are brought together, with equal distribution of the points of contact. These two surfaces will now again be, one convex and the other concave, though in a much less degree. The next step is to apply No. 1, which is concave, to either No. 2 or No. 3, and scrape it to fit. It is then applied to the other, of which it has now been made a duplicate, and the same process is repeated, until the three plates can be interchanged in any way, and will have a uniform general bearing on each other, with equal distribution and distinctness of the points of contact. We have thus, in a general way, produced three demonstrated true planes, but the surfaces are yet far from the desired approximation to absolute truth.

Now follows the fine scraping, which is not attempted until general truth has thus been established. The object of this is to multiply the points of contact and perfect their equal distribution and prominence. For this operation no raddle is used, but the surfaces are rubbed together dry. When the plates are separated, the points of contact shine like stars. Here skill and care are pre-eminently required. The scraping takes off only a dust. If too strong depressions may be made deeper than before, and requiring the reduction of the entire surface. The superiority of the modern tool is now especially shown. By lowering the angle of the tool, the workman presents the slightly curved edge to the surface in a position as nearly parallel with it as he desires. Interchanges similar to the former ones are now repeated, until[237] the bright points are brought as close together as is desired, with uniform distribution and distinctness. The tedious operation is now finished, and these bright points remain as witnesses.

The three plates were necessary to the production of one. They have also a permanent use. They are indispensable to the preservation of the true plane, which it has cost so much patient labor to produce. The date of their completion is stamped on their edges. Then plates 1 and 2 are put away in the store-room, their surfaces carefully protected from rust or injury, which last is best avoided by inverting one on the other, and No. 3 is put into use. A prominent use is for the production of smaller plates or straight-edges adapted to special purposes. After a while, perhaps in a little while, this plate loses its truth by unequal wear. Indeed, speaking with absolute truth, it may be said that the first time this plate is used it is ruined. But by taking pains to use different parts of its surface as equally as possible, it may be kept in fair condition for some time. It can at any time be restored to its original condition by scraping it to No. 2, taking the same pains to turn it one quarter way around at every rub. In the course of time No. 2 will itself become worn unequally, when its truth can be restored by rubbing it on No. 1. Finally the three plates can all be restored to their original condition by rubbing them together interchangeably as at first. Thus the true plane can be absolutely perpetuated.

The importance of this work can only be realized when we consider that the true plane affords the only means by which true cylindrical work also can be either produced or verified. It is thus seen to be fundamental to all mechanical truth.


[238]

CHAPTER XXII

Efforts to Resume the Manufacture. I Exhibit the Engine to Mr. Holley. Contract with Mr. Phillips. Sale of Engine to Mr. Peters.

I

In the years ’74 and ’75 I was filled with eagerness to get the engine on its legs again, and tried a number of schemes in vain. One morning I read in the paper that Alexander L. Holley had just returned from Europe, where he had been making a tour of the steel-making establishments, studying both the Bessemer and the open hearth or Siemens-Martin processes, on a scheme of interchanging improvements in manufacture between American and foreign licensees under both these systems.

It occurred to me that Mr. Holley might be the very man I wanted. If he could be got to recommend the engine to the steel-makers, they might take it up for their own use. I had not applied the engine in rolling-mill work, but felt sure that it would prove especially adapted to that service. So I called on Mr. Holley at his home in Brooklyn. I had never before met him, but I found that he knew something about the engine from its exhibition in Paris, and from his brother-in-law, Frederick J. Slade, then an officer of the New Jersey Steel Company, and who was one of the engine’s warm admirers. I have already mentioned Mr. Slade and the help he gave me while in Paris in solving the problem of piston acceleration.

Alexander Lyman Holley

[239]

So I found no difficulty in arranging with Mr. Holley to take a trip with me, and visit some of my engines in operation, for the purpose of forming a judgment as to its suitability for the use of his clients. This he agreed to do as soon as he had finished the report of his trip, on which he was then engaged. Our inspection took in the engines running in New York and Brooklyn and vicinity and in New England, finishing with the engine at the Arlington Mills in Lawrence. They were all found to be on their best behavior, but Mr. Holley told me that the engine at Lawrence, which was running there at its intended speed of 150 revolutions per minute, impressed him more than all the rest put together; not that it was doing any better, for they all ran equally well, but solely because it was larger. It made him awake to the great possibilities of the engine.

On his return Mr. Holley prepared a report on the performance of the engine, and cordially endorsed it as sure of ultimate general adoption. But he found capitalists to be absolutely dead. Not even his great influence could awaken in them the least interest. The time for the promoter had not yet come. And still my success in winning Mr. Holley’s support proved to be vital to my subsequent progress.

As a last possible resort I finally thought of Mr. Phillips of Newark. The firm of Hewes & Phillips had become dissolved by the death of Mr. Hewes, and so, by purchase of Mr. Hewes’ interest from his heirs, Mr. Phillips was the sole proprietor of the largest engineering works in New Jersey. That concern had some time before the death of Mr. Hewes given up the manufacture of steam-engines, a style made by them having proved unsuccessful, and confined themselves to making machine tools. In this line their business was exceedingly dull, being disastrously affected by the depressed and stagnant condition of the times.

I found Mr. Phillips ready to listen to me. He said that what he knew about the engine was favorable, although he had not heard of it for the last two or three years, but he was willing to consider a proposition to take up its manufacture. I told him frankly that I had no proposition of that kind to make. I wished to get the manufacture of the engine revived, but to retain the business in my own hands, to carry it on myself in my own name, with the view of gaining for the engine a reputation that would enable me to command the capital necessary to establish its manufacture in works that I had long before planned for that purpose, and in which I could devote myself to the development and building up of the business; that I hoped to be able to reach this point in the[240] course of two or three years, when probably the anticipated financial revival would fill his works with business in his own line of toolmaking.

He said that my proposal was entirely inadmissible, that he could not permit any independent business to be carried on in his establishment, and stated firmly the impossibility of any arrangement of the kind I suggested, which would be something quite unheard of. I stood firmly on my own position, but was obliged to leave him without any sign of yielding on his part. The negotiation was, however, renewed, exactly how I cannot now recall, but it ended in my carrying my point. We finally concluded a bargain, in which I held onto the business, but, of course, had to insure to him pretty much all the profits. This I did not mind, my object was to obtain a position, which it will be seen I fully accomplished, but did not know what to do with it. I was conscious that I could never have made this arrangement but for the extreme stagnation of the times; but was not aware of an additional reason which impelled Mr. Phillips to agree to my terms, when he found he could not do any better. What this reason was will appear pretty soon.

The arrangement was to go into effect as soon as I got an order. This was my next job. I learned that Mr. Peters, a manufacturer of high-grade knit fabrics in Newark, all which, by the way, were sold by him to importers in New York, was carrying on also a manufacture of light oilcloths in Newark in temporary quarters, and was building a large structure for this purpose in East Newark, the building now and for many years past occupied by the Edison lamp manufactory, and was in the market for an engine. I called on Mr. Peters, and got from him the privilege of submitting an estimate for this engine. For this purpose I went to his then present works, and measured the amount of power he was using, and found that one of my 8×16 engines would give him that power with the additional amount he wished to provide for.

On calling with my estimate early one morning, I found Mr. Peters ready to bow me out. He told me that he had been informed that the high-speed engines had proved a failure, and the manufacture of them had been abandoned three or four years ago. I said[241] to him, “Mr. Peters, I would like to make you a proposition.” He replied that he would hear it.

I then said, “Your engineer, Mr. Green, I suppose never saw a high-speed engine, but he strikes me as a fair-minded, cool-headed man. I have three engines made by me in Harlem, and which have been running from four to six years, two in New York and one at the J. L. Mott Iron Works at Mott Haven. These can all be visited in one trip. I propose that you send Mr. Green to see them in operation, and talk with the engineers and owners and learn all about them, and that you suspend your decision until you get his report.” “That is a fair offer,” said he. “I will send him to-day.” I called again the next day, and found Mr. Peters ready to throw the order into my hands. Mr. Green told me afterwards what his impressions were. In the most cool manner, entirely free from any excitement, he said: “My only wonder is that everybody does not use this engine and that all builders don’t make it. I got the same report everywhere. Would not have anything else. Costs less money, occupies less space, burns less coal, needs less attention, never cost a cent for repairs, never anything the matter, never varies its speed.”

And so I began business in Mr. Phillips’ shop, where I continued for four years, the most delightful period in my active life. I had Mr. Goodfellow in his old place as my foreman, and three or four of my best men back again at the work they loved. Everything went smoothly and harmoniously, and the business grew steadily until the orders thrust upon me became larger than I could have filled if I had had the whole works to myself. In re-introducing the engine to the public, I determined to change its name. I had been asked occasionally what I had to do with the Allen engine. It struck me that I had a good deal to do with it. Starting from Mr. Allen’s single eccentric link motion, and four-opening equilibrium valve and my own governor, I had, with the help which I have been happy to acknowledge, created the high-speed engine, had solved every problem, theoretical and practical, which it involved, and designed every part of it. So I felt it to be proper that it should thereafter be known as the Porter-Allen engine.

The following incident illustrates the ease with which everything[242] down to the smallest detail may unconsciously be prepared to insure a disaster at some time.

Mr. Peters’ engine-room was a long, narrow room on one side of the boiler-room, from which was the only entrance to it directly opposite the guide-bars of the engine. The door opened inward, and the latch was not very secure. They burned soft coal, which was wheeled in on an elevated plank and dumped into a heap in front of the furnace.

One day, about a year after the engine was put in, there was a great wind blowing. A gust of unusual force blew the engine-room door open at the instant when a barrowful of coal was being dumped, and carried a cloud of its dust over the guide-bars. The engine was soon brought to a standstill. All the faces of cross-head and guide-bars were deeply scored. It was found, however, that when these were cleaned up and scraped over to remove all projections that they ran as well as ever, the grooves proving good oil distributors, but they were not so pretty to look at.

One day, two or three weeks after we commenced work on this engine, Mr. Phillips’ bookkeeper came to me and said: “Mr. Peters’ engine is contracted to be running on the first of May, is it not?” “Yes.” “Do you think it will be ready?” I replied that the work was in a good state of forwardness, and I thought most likely it would be running before that time. I should say that was a size for which I had made the revised drawings already, and the old cylinder pattern had been readily altered to the new style. “Well,” said he, “Mr. Phillips is a little short to-day, and he would be much obliged if you would give him your note for a thousand dollars to come due, say, the fifteenth of May.” So I gave him the note, the engine was ready on time, accepted and paid for, and the note met at maturity.

This was the beginning of a uniform process, which continued for four years. It was disclosed that Mr. Phillips’ financial position was the same as my own, neither of us had a cent of money. The way we managed was this. I always afterwards required payments in instalments, one quarter with the order, one quarter when the engine was ready for shipment, and the balance when running satisfactorily. Thus with my notes we got along famously. My orders were always from first-class parties, engines always ready[243] on time, always gave satisfaction, and promptly paid for. I had many thousands in notes out all the time, and never had to renew a note. Mr. James Moore of Philadelphia, the celebrated builder of rolling mill machinery, once long after remarked to me, “I keep my bank account in the shop.” It occurred to me that I had always done the same thing.

Directly after we got running I received a letter from William R. Jones, superintendent of the Edgar Thompson Steel Company, running a rail mill recently started at Braddocks by Carnegie Brothers, saying that they were in need of an engine to drive a circular saw at a very high rate of speed to cut off steel rails cold. They had been recommended by Mr. Holley to get one of mine, and if I could furnish a suitable engine immediately he would order it. Fortunately I could. While I was building engines in Harlem, the city of Washington, D. C., went into the system of wooden pavements, and the contractor obtained an engine from me for sawing up the blocks. About the very time I received Mr. Jones’ letter I had learned that the wooden pavement system was being abandoned in Washington for asphalt and the sawing-mill was closed. I at once wrote to the contractor making him an offer for the engine. I received by return mail a reply accepting my offer, and adding most complimentary words concerning the engine. These I remember closed by saying that his admiration of it was such that if he were able he would put the engine in a glass case and keep it there as long as he lived.

The engine proved just right for Mr. Jones’ use. I went myself to Braddocks to see it started. All were much interested in the governor action, I as much as any one, for I had never before seen this particular application of it. In sawing through the head and web and bottom flange of the rail, the width of section being cut varied continually, and the gentle rising and falling of the counterpoise, adjusting the power to the resistance, while the engine kept, so far as the eye could detect, a uniform motion, had about it a continual fascination. The success of this engine brought me several orders for governors, the most important of which was one from Mr. Jones himself for governors and throttle valves for his blooming mill and rail-mill engines. I got up for him balanced piston valves which operated perfectly. In iron valves and seats of this[244] character it had been found, where the steam contained primed water, that their edges wore rounded, and their action in regulating the motion became less and less satisfactory. I knew that these boilers primed badly, and avoided this defect by setting brass rings in the edges.

The following illustrations show this regulating valve which I designed and made in two sizes.

Mr. Porter’s Regulating Valve.

The brass liner for the lower seat was passed through the upper seat by being made thinner than the upper liner. Those for the valve were made ¹⁄₈ inch too long, and guttered in the lower edge. They were then driven down by a set and sledge on an anvil. By going around them three times the lower edges were spread out to fill the chamfer, and the flanges brought down to their seats. Those for the lower valve were put in in halves.

William R. Jones


[245]

CHAPTER XXIII

Experience as Member of the Board of Judges At the Philadelphia Centennial Exhibition.

O

One day in April I was surprised to receive by mail a commission as a member of the Board of Judges in Group Twenty of the Philadelphia International Exhibition. I was at a loss to know how I got it, but learned afterwards that I had been appointed on the recommendation of Mr. Holley, who was consulted by the commissioners about the judges in several groups. The exhibition was opened on May 1, but the judges were not to assemble until the 24th, and on that day we had quite a ceremony in the judges’ hall. The American judges were seated at one side of the hall and rose to receive the foreign judges who filed in from some place where they had been corralled, while a fine band played the national airs of all nations that had any airs. After a time spent in welcoming and responsive addresses, we were marched to a large café and given luncheon, after which the different groups were organized. There I had the pleasure of first meeting Mr. James Moore, also Professor Reuleaux of Berlin and Colonel Petroff of St. Petersburg; and Emil Brugsch the interesting Egyptian commissioner, also serving as a judge in our group. I observed that these foreigners used the English language more accurately than I did. We organized by the election as president of Horatio Allen, formerly president of the Novelty Iron Works (then extinct), he being the oldest and the biggest man among us. Under Mr. Allen’s administration we had a fine illustration of how not to do anything—of endless preparation and never getting to work. He had an interminable series of subjects for discussion and was accustomed[246] to say: “These questions must be all settled before we can enter upon the discharge of our duties, gentlemen.” This had the effect upon our foreign judges that they absented themselves from our meetings. I remember Mr. Moore saying to me: “Porter, if you and I had had this work to do we would have had it half done by this time.” Directly after that Mr. Moore resigned, ostensibly pleading want of time to attend to it, but really disgusted at the waste of time. Our work was in a state of chaos. The field was very extensive, as it embraced all exhibits pertaining to steam and water except locomotives. One morning I came to the meeting with a copy of the catalogue on which I had divided the exhibits into three classes, lettered A, B, and C: class A embraced steam-engines and their accessories, class B boilers and their accessories and class C pumps and their accessories; I had prefixed these letters to the names of all our exhibits according to their class. At this meeting, at which I had procured the attendance of the foreign judges, this classification was unanimously adopted, and the judges formed themselves into these classes accordingly. Our work was then undertaken in earnest; it was found to be really too extensive to be accomplished otherwise.

Mr. Charles E. Emery was appointed a judge to fill the vacant place made by Mr. Moore’s resignation, and he proved most efficient. As is well known, medals were not awarded, but brief written reports were made on those exhibits which were deemed most deserving; these reports were signed by all the judges.

Professor Francis Reuleaux

[247]

The firm of E. P. Allis & Co. of Milwaukee, exhibited a sawmill. This exhibit consisted of two large circular saws, each driven by a horizontal engine. The two engines were united by a common shaft on the ends of which the cranks were set at right angles with each other. The center lines of these engines were nearly 20 feet apart; the shaft carried two belt drums 8 or 10 feet in diameter, one of them near to the bed of each engine; at the middle of the shaft was a fly-wheel about 16 feet in diameter. The rim of this fly-wheel was in eight or ten segments, with an arm attached to the middle of each segment; the segments were bolted together and the arms were bolted to a hub on the shaft. The saws were set behind the cylinders, and the belts were carried from the drums on the shaft past the cylinders to smaller drums on the saw arbors. On starting these engines the two bearings of the main shaft heated so badly that the engines had to be stopped. The gentleman in charge of the exhibit applied to me for advice. I told him that although his shaft was large it was long, and the weight of the fly-wheel bent it so much that the two journals ran on the inner edges of their bottom boxes, which caused the heating. I told him he did not need the fly-wheel at all; the cranks being quartering, the momentum of the belt-drums was amply sufficient to maintain uniform motion, and I advised him to take off the fly-wheel. This he did at once, leaving only the hub on the shaft; the engines then ran with cold bearings and uniform motion throughout the exhibition. They had made a cut-off gear for these engines, but it was found not to suit the purpose and was taken off. This firm then did a great stroke of business: they came to the sensible conclusion that they could do a great deal better than to attempt to work out a new system of engineering for themselves, so they offered to Mr. Edwin Reynolds, the manager of Mr. Corliss’ works, and to his head draftsman, inducements sufficient for them to leave Mr. Corliss’ employment and take the same positions in the Allis works at Milwaukee for the manufacture of the Corliss engine there. With the magnificent result of this action the engineering world is familiar.

We had all sorts of queer experiences. One day I was demanded by Mr. Jerome Wheelock to tell him why the engine exhibited by him was not a perfect engine. I glanced over the long slender bed, a copy of the Corliss bed without its rigidity, and declined to answer his question. Mr. Emery was more compliant; on receiving the same demand, he kindly pointed out to Mr. Wheelock one respect in which his engine could hardly be considered perfect; the steam was exhausted into a large chamber embracing the lower half of the cylinder from end to end. This comparatively cold bath produced the condensation of a large quantity of the entering steam. From the middle of this chamber a pipe took away the exhaust from the opposite ends of the cylinder alternately. Mr. Wheelock admitted the defect, and said in future he would avoid it, so, as I learned, having two exhaust pipes instead of one, he gave to each pipe one half the area of the single one.

[248]

I had the pleasure of renewing my acquaintance with Professor Sweet, who was superintending the exhibit of the mechanical work of his boys at Cornell; this was very creditable and included quite a show of surface plates.

The Corliss engine in this exhibition was far the most imposing, and to the multitude the most attractive single exhibit ever shown anywhere. It consisted of two distinct engines, each having a cylinder 40 inches in diameter, with 10 feet stroke of piston, the motion of which was transmitted through cast-iron walking beams to cranks set at right angles with each other on the opposite ends of a common shaft. This shaft made 36 revolutions per minute and carried a gear-wheel 30 feet in diameter; this wheel engaged with a pinion 10 feet in diameter on the line of shaft under the floor, giving to this shaft a speed of 108 revolutions per minute.

One day I said to Professor Sweet: “Do you know, Professor, that an engine with a single cylinder of the same bore as these and 5 feet stroke directly connected with a line shaft and making 150 revolutions per minute, with a fly-wheel 10 or 12 feet in diameter, would exert more power than is afforded by this monster and would run with far greater economy, because the internal surfaces to be heated by the condensation of the entering steam would be one piston instead of two, two heads instead of four, and 5 feet length of exposed cylinder instead of 20 feet?” He replied: “That is all very true, but how would you get the steam in and out of the cylinder properly with a piston travel of 1500 feet per minute?” I was not prepared to answer that question on the instant, but I afterwards found no difficulty about it.

The accompanying figures illustrate this engine and my high-speed equivalent drawn to the same scale; it will be seen that the small engine occupies about one tenth of the floor space needed for the large one, and would cost less than ten per cent. of the money. It would also have a more nearly uniform motion, the impulses received by the crank being 300 per minute, against only 144 per minute received by both cranks of the large engine, besides which in the latter the full force of the steam is exerted at the commencement of each stroke and falls to nothing at the end, while in the smaller engine, by the inertia of the reciprocating parts, the forces exerted at the opposite ends of the stroke would be practically equalized. The reader will doubtless inquire, as Mr. Green did why, with these enormous advantages, does not everybody use the high-speed engines and every builder make them?

[249]

The Corliss Engine Exhibited at the Centennial Exhibition.

[250]

Porter-Allen Engine Equal in Power to the Exhibited Corliss Engine.

At this exhibition the Bell telephone was first shown to a select company, among which were President Grant and Dom Pedro, the last emperor of Brazil. This exhibition was given on Sunday, that being the only day when silence could be had. Human speech, both in talking and singing, was transmitted through the whole length of the main building, about 1800 feet; it has since been transmitted somewhat further.

The exhibitors of hand pumps all talked about the ease with which their own pumps could be worked; one man touched bottom in this respect. He had set his pump so that the spout was nearly on a level with the surface of the pool from which it drew its water; he boldly claimed that his pumps required no power at all. I was invited, as I suppose multitudes were, to take hold of the handle and see for myself that his claim was true. I never heard of but one man who I think would be satisfied with this demonstration; that was the engineering editor of the New York Tribune. Shortly before this he had published an account of a wonderful pump invented by a Mr. George, which he concluded by saying that the superiority of Mr. George’s pump lay in the[251] fact that at each stroke not the whole column of water had to be lifted, but only that which was to be discharged. We had a waterfall maintained by a centrifugal pump, which received its water on one side only; the maker evidently knowing nothing about the method of balancing these pumps by admitting the water equally on the opposite sides.

The boiler-makers abounded. My old acquaintance, the Harrison boiler, turned up. Mr. Allen urged a favorable award to Mr. Harrison because of the motives of humanity by which he knew Mr. Harrison was actuated in designing that boiler. A Mr. Pierce invited all the judges to visit his boiler and hear him explain it. He informed us that this boiler had been the subject of three scientific tests by Professor Thurston, but he did not tell us the results of those tests.

As we were coming away Professor Reuleaux said to me: “That is foolishness, isn’t it?”

An inventor named Smith came several times to our judges’ room to urge upon us the merits of his boiler. He had two on exhibition, one in use in the boiler-house and the other in Machinery Hall; these were quite different from each other. One day not long after the close of the exhibition I received a note from a stranger requesting me to call upon him at the Astor House. I thought, “This man doubtless wants an engine, but his time is too precious to come out to Newark,” so at the hour appointed I was there. When I entered the room the first object I saw was a sectional model of this Smith boiler, and I found that the gentleman wanted to know our reasons for overlooking that boiler. I replied to him that I had a question to which I would like an answer at his earliest convenience; we observed that the two boilers exhibited by Mr. Smith were quite different from each other, and I saw that this model differed in essential details from both of them, and I would like to know which one he wished us to approve of and bade him good afternoon.

One day afterwards I happened to be in Mr. Holley’s office in New York when a man came in with a drawing of a boiler which he wished Mr. Holley to recommend. Mr. Holley turned him over to me, and he explained to me that the great novel feature of his boiler was that the feed-water was admitted by spraying it into[252] the steam space, thus avoiding the cooling of any part of the boiler by its admission at one point; so I found one freak boiler that was not at the exhibition.

We had a fine exhibit of steam fire-engines. I think every maker in this country was represented, and we had a trial of these engines lasting three or four days. The committee desired to make a thorough comparative test of their performance, but the man (a lieutenant in the navy) appointed to keep the record put down so few items that we found we had no record at all. We could only guess how he came to do this.

An exhibitor from Canada brought an engine that presented a very fine appearance; it was made up of a collection of what he believed to be the best features of every steam-engine made in the United States. The experts looked his machine over and saw where he had got every one of them, but his different appropriations did not work well together; his engine broke down every day and he worked all night to be ready for the next day’s trial. It afforded a good commentary on the narrow-minded laws of Canada, which forbade a citizen of the United States from taking out a patent there.

The show of steam-engines was not large, and the indicator was not applied to any engines, so I had no use for the indicators I had imported from England. If I remember rightly, we had only two engines from abroad, one of these sent by the Government of Brazil. This was what was called a “table” engine, in which the cylinder stands on a table in a vertical position and two connecting-rods extend down from the cross-head and connect with the crank under the table. It was copied from a Scotch elementary drawing-book from which I learned mechanical drawing. One of these engines had been made by Mr. Hoe to drive the press of the New York Daily Times when that paper was started in 1851 or 1852. The other foreign engine was made by a Brussels manufacturer with the assistance of the Belgian Government. It had an American cut-off which was used by Mr. Delamater on his engines, and it had the eccentric between the main bearing and the crank, giving to the latter therefore three or four inches of unnecessary overhang; it had my condenser, which I learned was then coming into considerable use on the Continent.

Col. Alexis Petroff

[253]

The only American engines I now recall besides the Corliss were the Buckeye and the Brown engines, and our awards to these engines did not do them any harm; the Corliss engines were not within our jurisdiction and we were not permitted to say anything about them; Mr. Corliss was not a competitor but a patron of the exhibition.

Mr. Frederick E. Sickels made an extensive exhibit of his various inventions, the models of which had been loaned to him for that purpose by the Patent Office. Only two of these inventions came within our province: the first was what is known as the celebrated trip cut-off, patented by him in the year 1842; the latter an arrangement patented in 1848. The former invention was an improvement on the Stevens cut-off, already in general use in steamboats on our Eastern waters. The Stevens invention was applied to equilibrium valves, rising and falling in a direction vertical to their seats. It enlarged the opening movement of the valve in a degree increasing as the speed of the piston increased, by means of the device known as the wiper cam; but the closing motion of the valve, being the reverse of the opening movement, grew slower and slower, until the valve was gently brought to its seat. It was found that during the closing of the port a great deal of steam blew into the cylinder through the contracting openings, with very little addition to the useful effect. Mr. Sickels conceived the idea of liberating the valve just before the opening movement was completed and letting it fall instantly to its seat, which would effect a sharp cut-off and a great economy in the consumption of steam. This action involved the difficulty that the valves would strike their seats with a violent blow, which would soon destroy both. This difficulty Mr. Sickels met by the invention of the dash-pot. This apparatus performed two functions: when its piston was lifted above the water it left a vacuum under it, so the pressure of the atmosphere on this piston was added to the weight of the valve and the pressure of the steam on it to accelerate its fall. This was arrested by the piston striking the surface of the water just in time to prevent the valve from striking its seat, but not soon enough to prevent the complete closure of the port. This nice point was determined by the ear. The engineer[254] first let water out of the dash-pot gradually, until he heard the valve strike its seat faintly; then he admitted water drop by drop, until the sound had died away. For these inventions and for his steam steering gears the judges made an award.

Our foreign judges were enthusiastic about them; Horatio Allen had fought Mr. Sickels during his whole business life and would never allow a Sickels cut-off to be applied in the Novelty Iron Works. For example, the directors of the Collins steamship line adopted the Sickels cut-off, but it was put on only two of their ships, the “Arctic” and the “Baltic,” the engines of which were built at the Allaire works. The “Atlantic” and “Pacific,” which were engined at the Novelty Works, did not have it, Mr. Allen absolutely refusing to allow it. To my surprise Mr. Allen signed this award with a cordial expression of admiration of Mr. Sickels’ genius; he had softened in his old age.

The following is a copy of this award.

INTERNATIONAL EXHIBITION, 1876.

United States Centennial Commission,
Philadelphia, 3d August, 1876.

REPORT ON AWARDS.

“Group No. XX.

“Catalogue No. 1027.

“Product, Models of Improvements in Steam-engines.

“Name and address of exhibitor, Frederick E. Sickels.

“The undersigned, having examined the products herein described, respectfully recommend the same to the United States Centennial Commission for Award for the following reasons, viz:

“These exhibits possess great historical interest.

“In the year 1842 Mr. Sickels patented the trip or liberating cut-off, an invention which, in a variety of forms, has come into use wherever steam-engines are made. In applying this invention to poppet valves, Mr. Sickels prevented these valves from striking their seats by his invention of the dash-pot, in which he availed himself of the incompressibility, the indestructibility and the divisibility of water, and which is now employed for this purpose in all such applications.

“In 1848 he patented an improvement in the method of controlling motive power, by which method steam is applied at the present time to various uses, notable among which is the steering of steam vessels, the steersmen turning the wheel precisely as in steering by hand, but all the force being exerted by the steam.

Charles T. Porter,
“Reporting Judge.

“Approval of Group Judges,
Horatio Allen, Chas. E. Emery, Emil Brugsch,
F. Reuleaux, N. Petroff.”

James Moore

[255]

After our work was finished and I had gone home the awards were made public; to my astonishment the award to Mr. Sickels was not among them, so I wrote to General Walker, who was our medium of communication with the Commission, asking the reason for this omission. He replied that the award had been thrown out by the Committee of Revision. “Committee of Revision!” I had never heard of such a thing. I asked for an explanation and I learned that the judges did not make awards, they only recommended them; the awards were made by the Commission after they had passed the scrutiny of the Committee of Revision. Well, who were the Committee of Revision? I learned that the Commission consisted of two commissioners from each State appointed by the Governor; Mr. Corliss was a commissioner from Rhode Island. At a meeting of the commissioners Mr. Corliss proposed the novel scheme of a Committee of Revision, to which the action of the judges should be submitted for approval before the awards were made. The idea seemed to please the members of the Commission, as tending to magnify their own importance, and it was adopted; as a matter of usual courtesy Mr. Corliss was made chairman of the committee, and the committee threw out the award to Mr. Sickels. I made careful inquiry and could never learn that the Committee of Revision threw out any other award, so it seemed evident that with the throwing out of this award to Mr. Sickels the object of its existence was accomplished.

In the Corliss valve system the liberation of the valve was the fundamental idea; this was applied by him to valves moving in the direction parallel with their seats. It not being necessary to arrest their motion at any precise point, they were caught by air cushions at any points after they had covered their ports. Mr. Corliss had appropriated the liberating idea, according to “the good old rule, the simple plan, that they may take who have the[256] power, and they may keep who can,” and all this machinery had been devised by him to prevent the historical fact that the liberating idea had been invented by Mr. Sickels from appearing in the records of the exhibition. By all this enormous expenditure of ingenuity and influence he succeeded in giving to this fact a prominence and importance which it would never otherwise have had, besides advertising his efforts to suppress it.

Mr. Horatio Allen’s life-long aversion to Mr. Sickels was caused by professional jealousy. Mr. Allen conceived himself to be an inventor, and for years had been cherishing a cut-off invention of his own. The original firm was Stillman, Allen & Co., and for years Mr. Stillman had prevented the Novelty Iron Works from being sacrificed to Mr. Allen’s genius, but later Mr. Allen had obtained supreme control of these works by an affiliation with Brown Brothers, the bankers, his principal stockholders, and Mr. Stillman sold out his interest and retired from the firm. Mr. Allen, having a clear field, now determined to put his invention on the new steamer of the Collins line, the “Adriatic,” and American engineers were amused at the display of this amazing absurdity on the largest possible scale. In this construction there were four valves; each valve was a conical plug about six feet long and had four movements; first it was withdrawn from its seat a distance of three inches so that it could be rotated freely, then it was rotated first to draw off the lap. Up to this point theoretically the port had not been opened, but the steam had been blowing into the cylinder or out of it, as the case might be, through these enormous cracks; the valves then rotated further to produce the opening movement, for either admission or release; the rotation was then reversed until it reached its original position, then the fourth movement brought it to its seat. It is probable that the ship would have gone to sea working steam after this ridiculous fashion, if the complicated mechanism required to produce the four movements had not broken down at the trial of the engines at the dock, beyond the power of Mr. Allen’s genius to remedy; so the valves had to be removed and the Stevens valves and Sickels cut-off were substituted for them. The story that any sane man ever designed a four-motion steam-engine valve, and that he made the first application of it on the largest steamship, except the Great Eastern, then in the world, is such a tax on credulity, that I was glad to find the following corroboration of it in a letter to “Power,” from which I copy the essential portion.

Emil Brugsch

[257]

“In one of Mr. Porter’s ‘Reminiscences,’ which I have mislaid, he gives an account of the alterations to the last steamer of the E. K. Collins lines, the ‘Adriatic.’ His description of Horatio Allen’s cock-valves and their motions is absolutely correct. The writer made the greater part of the detail drawings by which the new valves and the Sickels cut-off were placed on the ‘Adriatic.’

Peter Van Brock.

Jefferson, Iowa.”

These engines, as further designed by Mr. Allen, were afterwards described by Zerah Colburn in the London Engineer in his usual caustic style. His description began with this expression: “These engines are fearfully and wonderfully made.”

I had hoped that my old friend Daniel Kinnear Clark might turn up as the English member in our group of judges at the Centennial Exposition, but in this I was disappointed. The English judge in our group was Mr. Barlow, son of the celebrated author of “A Treatise on the Strength of Materials,” which, if I remember rightly, was the first authoritative treatise on that subject. Mr. Barlow, however, was not of much help to us; he came late and attended but one meeting. That, I remember very well, was the meeting at which I presented my classification. He left Philadelphia with his son to visit Niagara Falls, and we never saw him again. I remember his giving me a very cordial invitation to visit him when I should find myself in England.

Two of my English engineering acquaintances appeared at this exhibition. One of them was a judge in the group which embraced sewing machines. I remember asking him what was the most interesting mechanical device he had seen at the exhibition; he told me it was the automatic tension in the Wilcox & Gibbs sewing machine. In a walk with him through Machinery Hall one day, I called his attention to a locomotive built by the Baldwin Locomotive Works. After looking it over cursorily he remarked that he did not see anything particular in it. I could not help replying, “That may not be the fault of the locomotive.” I had thought him[258] a light weight in England, and that superficial remark confirmed my opinion. The other friend, as I am proud to call him, I have always considered mechanically the most interesting man I ever met. It was Mr. Smith, of Smith & Coventry, the machine-tool builders of Salford. Mr. Smith was the brains of the concern. He had come over to learn what America could teach him, and the only thing he took back, so far as I know, was the twist-drill, the manufacture of which was begun by that firm after his return. I shall have something to add later to what I have already said respecting his wonderful improvements in machine tools. In one of the pleasant walks we took together, our attention was arrested by the exhibit of Riehlé Brothers, the celebrated scale manufacturers of Philadelphia. Among other novel and interesting features of their exhibit this firm showed a ³⁄₄-inch bolt broken by a stress applied to it through a nut of only one half the standard thickness, or three eighths of an inch deep, and that run on loosely by hand. This astonishing revelation drew from Mr. Smith the ejaculation, “Why, old Whitworth lied.” Mr. Whitworth had stated that he had ascertained by experiment that a nut to be as strong as the bolt must have a depth equal to the diameter of the bolt, and this had been accepted as mechanical truth by the entire engineering world, no one ever thinking to make the simple measurement which would show that the force required to strip the threads of any bolt in a nut of this standard depth would be nearly three times the strength of the bolt. He was, of course, highly interested in the wonderful steelyards made by this firm, which would weigh anything that could be lifted by a crane. His only discovery respecting machine tools was, that their manufacture in the United States was generally very inferior.

It was fortunate that I had prepared the drawings according to my revised model for three or four sizes of the engines, as otherwise I should not have been able to accept the position offered me at the Philadelphia exposition. I received two more orders before May 24, and two more during the summer, but with the preparations I had made and Mr. Goodfellow’s familiarity with the work, everything went on smoothly during my absence.


[259]

CHAPTER XXIV

Engine Building in Newark. Introduction of Harris Tabor.

A

After my return from Philadelphia the first order I received was a very important one. On the advice of Mr. Holley, the Albany and Rensselaer Iron and Steel Co. of Troy, N. Y., decided to order from me two engines for the new roll trains they were about to establish; this being the first opportunity I had of applying my engine in what proved to be its most important field. These were a 22×36-inch engine to drive a 16-inch train for rolling light steel rails, and an 18×30-inch engine to drive an 8- or 10-inch train for rolling merchant steel. These engines did not run rapidly; the first was a direct-connected engine making only 75 revolutions per minute; the second made only 112 revolutions per minute, but was belted to drive the train at twice that speed.

Mr. Corning, president of the company, did not like the slow way in which the rails were turned out of the former train. I happened to be standing with him observing this work when he asked a boy why the billets were not fed to the rolls faster. The boy replied, “Because the gentlemen at the hooks could not catch them, sir.” Where are the gentlemen at the hooks to-day, when rails 200 feet long are turned out of the rolls?

These engines stood near each other, the trains extending in opposite directions. The battery of boilers was located at a considerable distance from them. I set between them a vertical steam receiver, four feet in diameter and twelve feet high. This receiver performed two functions: it maintained the steam pressure at the cylinders and separated the steam from the water carried over. This latter was accomplished by admitting the steam at the top of[260] the receiver by a pipe extending two thirds of the way to the bottom, draining the water from the bottom by means of a Nason steam trap, and taking the dry steam to the engine from the top of the receiver. This was my first application of this method, which afterwards proved most valuable in cases of greater importance. These engines were of the highest interest to me, as their successful running opened the door to that important field.

While they were still lying on the floor of the shop ready for shipment, I had an opportunity of submitting them to the criticism of William R. Jones, the manager of the Edgar Thompson Steel Works, to whom, as already related, I had sold a small engine and governors for his large ones. I had not made these engines properly in one respect, as he pointed out to me that, for rolling-mill uses, they must be made capable of being run backwards by hand from any position, a requirement of which I had been ignorant. I soon made the necessary additions to the valve-gear which enabled this to be done. I never knew how Mr. Jones came to make this opportune visit, but undoubtedly Mr. Holley sent him.

I had another visitor before these engines were shipped. It was the manager of the Laclede rolling mill at St. Louis, accompanied by his engineer. They had designed a system of driving several trains of rolls from one engine, the power of which was to be transmitted through gearing. They were greatly fascinated by the appearance of the engines, and gave me an order for a large engine on the spot.

This engine afforded me a curious experience. When it was started, teeth were broken out of the gear at the very first revolution, and I received a telegram from them telling me of this misfortune and that I must come to St. Louis immediately and see what was the trouble with the engine. I was too busy to go myself, but Mr. Phillips kindly permitted his engineer, Mr. Collins, to go in my place. Mr. Collins took with him everything necessary to expose the defect, whatever it might be, which we expected would be found in the gearing. Among other things he had the pattern-maker prepare for him two or three short pieces of lath about two inches wide and one eighth of an inch thick; these latter proved to be all that he needed. On his arrival the proprietors assured him there could be no fault with the gearing, for they[261] had it made by the most eminent engineering firm in St. Louis. The members of this firm showed him triumphantly the broken pieces and directed his attention to the perfect soundness of the metal, as proved by the fractured surfaces. His first experiment was to whittle an end of one piece of lath to fit exactly between two teeth of a wheel at one end of the space. To his amazement he found that this templet would not fit in any other space around the whole wheel, every one was in some degree or other too large or too small; neither would the templet fit in the opposite end of the same space. This one experiment settled the matter; the engine, to be sure, had broken the gears, because the larger teeth of the driving-wheels had wedged into the smaller spaces of the driven wheels. How such work could be produced was a puzzle to Mr. Collins; as for myself, I have never wondered at any imperfection in gearing since my experience with Mr. Whitworth’s work. The owners of the rolling mill applied for advice to Samuel T. Wellman, the manager of the Otis Steel Works at Cleveland. He gave them the sensible advice to abandon altogether the plan of driving through gearing, and to drive each train by a separate engine, directly connected, which my high-speed engine would enable them to do. This was the first I heard of Mr. Wellman, with whom I was afterwards to have such pleasant relations.

While on the subject of gearing I will state a couple of incidents. One of my first small engines I sold to Mr. Albright of Newark, a harness-maker. Half of the power of the engine was to be transmitted to an adjoining building driving a vertical shaft through a pair of miter gears. It was required that these should run noiselessly, which at 350 revolutions per minute seemed a difficult thing to accomplish. I had the gears cut in the best gear cutter I knew of, and fitted them to run in a lathe, the spindle of the driven gear running in a frame made for the purpose, and being provided with a friction wheel and brake. To make sure that the same teeth and spaces should always come together, I made a prick-punch mark on one tooth and behind the corresponding space. When started at 350 revolutions they rattled finely. The resistance of the friction brake was sufficient to make the points of contact on the teeth mark themselves well in 15 minutes’ running. I then took them down and carefully removed the bright spots on[262] the surface with a scraper. The next time the noise was more than half gone, and four successive scrapings by a skillful workman cured it entirely. There is this encouragement in correcting gearing, that its subsequent running always tends to improve the truth of the surfaces; they wear to a more general contact.

One day I had a letter from Mr. Barclay, the miller for whom I had made my first engine in Harlem, and which I arranged to drive his millstones by belting. He told me he had moved his mill from Harrison Street to a building on North Moore Street, New York, and he found there was something the matter with the engine. (In these cases there is always something the matter with the engine.) It used to drive three runs of stones, now it would only drive two, and he burned a great deal more coal than before. He wanted me to come and see what the matter was. The moment I opened the door of his mill I knew what the matter was. I heard the roar of rough gearing and was pretty mad. I told him I hoped he liked that music, for it cost him more than half the coal he was burning to keep it up. I gave him a sharp piece of my mind for changing the system of driving from that which I had provided without consulting me on the subject. I told him when he threw out his gearing and put the pulleys and belts back just as I made them, he would find the engine would give him the same power that it had done for five or six years in its old location.

Robert W. Hunt

[263]

In the first engines which I built in Newark the governor had a more or less uncomfortable action. This annoyed me exceedingly. It did not sensibly affect the running of the engine, but was a drawback to the appearance of the engine in motion. I was utterly at a loss how to account for it, so I finally determined I would solve the problem by a comparison of two engines of the same size. One of these was the smaller engine for the rolling mill at Troy, where the action of the governor was quite satisfactory; the other was an engine I had made for the Newark Lime and Cement Company, in which the action of the governor was very unsatisfactory. After some weeks of comparison I gave the problem up: I could get no light on the subject. Soon after I had occasion to go to Troy and found my smaller engine running at double its former speed or at 224 revolutions per minute. Mr. Robert W. Hunt, the general superintendent, informed me that they planned to employ this speed when rolling steel to finish at very small sizes, which they were then doing for the first time. The action of the governor which had before been so perfect was now most abominable; the counterpoise flying up and down furiously between the extreme points of its action. I told Mr. Hunt that something was hindering the action of the governor, and asked him if he would have an examination made and let me know what he found. A few days after I received a letter from him saying he had found nothing at all, but he added that that order had been completed and the engine was running at its old speed, and the governor was working as well as ever. In an instant the truth flashed upon me; it was the inertia of those polished cast-iron disks on the rocker-shaft which I had thought so much of that caused all the trouble. This inertia, increasing as the square of the speed, had offered four times the resistance to the reversing of their motion when the speed of the engine was doubled, and the pressure of the link which was necessary to overcome this resistance held the block fast. The governor could not move it until it had accumulated sufficient force by change of its speed; then it moved it too far, and so it was kept in constant violent motion from one end to the other of its range of action. I was thoroughly ashamed of myself that when I had made the subject of inertia a study for years this action should have been going on so long, the most prominent thing before my eyes, and I never saw it. I had use enough at once for my new insight as will appear.

The Gautier steel works, which had been located in Jersey City, were removing to Johnstown, Penn., having formed an alliance with the Cambria Iron and Steel Company. Mr. Stephen W. Baldwin, then manager of the Gautier Company, had given me an order for an engine suitable for driving at 230 revolutions per minute their ten-inch train, or it may have been an eight-inch. I went to Jersey City and made a careful measurement of the indicated power required to drive this train. The engine used was rather a large one, with a large and heavy fly-wheel running at slow speed and driving the train at this rapid speed by means of a belt. I found that my 10-inch by 20-inch engine directly connected with the train[264] would, at 230 revolutions per minute, be capable of furnishing twice the power they were then using. I built an engine of that size with a fly-wheel about 8 feet in diameter, shipped it to Johnstown, and sent George Garraty, my most trusty erecter, to set it up. I should say that Mr. Baldwin had meantime severed his connection with the Gautier Steel Company, and it was then in the hands of parties who were strangers to my engines. I received a letter from Garraty stating that on his arrival he had found them just about to send the engine back; everybody about the works had agreed that a man who sent that little engine to drive that train to roll steel was a fool. At his solicitation they promised to do nothing until they should hear from me. I then wrote to the president, Mr. Douglas, stating I had carefully measured the utmost power which that train had required at Jersey City, and had furnished an engine capable of supplying double that power with ease, and I was sure he would run no risk in setting it up. This he consented to do. While Garraty was erecting the engine they were making preparations in the mill to stall it if possible. There was great excitement when it was started; the furnace men worked like beavers and succeeded in feeding billets to the train twice as rapidly as ever before, but they could not bring down its speed in the least. Finally they lowered the steam pressure, but the engine did not stop until they had brought this down to 40 pounds. Then a great shout went up, not for themselves but for the engine, which had shown itself capable of doubling the output of that train, and telegrams were hurried off to the stockholders of the concern in New York and Philadelphia to relieve their anxiety. Garraty left that night and reported himself to me the following morning. After giving an account of the success of the engine he added: “But the governor is working very badly; they have not noticed it yet as they have thought only of the running of the train, but they will.” By a remarkable coincidence I had that very morning received the letter from Mr. Hunt which had opened my eyes to the cause of this bad action; the day before I could not have understood it.

Stephen W. Baldwin

[265]

Within twenty-four hours after my interview with Garraty I had started for Johnstown, carrying with me two light steel levers to replace those disks. In that time I had made the drawings and had the levers forged and finished, joint-pins set and keyways cut, perfect duplicates of the disks in all their working features. When I told my purpose to Mr. Douglas he smiled and said for the life of him he could not see what disks on the rocker-shaft had to do with the governor action. However, they had not yet started their night shift, so I might have the engine after 6 o’clock, but it must be ready for use at 6 o’clock the next morning. I told him that as the change would probably occupy me less than an hour, I thought I might safely assure him on that point. I engaged a machinist with the engineer to help me at 7 o’clock in the evening and amused myself the rest of the day about the mill. The furious governor action was so irritating I did not stay long in the engine-room. In the evening we had the disks off and the levers on and all connected up, ran the engine idle for a few minutes to see that all was right and I was back in my hotel within the hour, which illustrated the advantage of working to gauges. I had taken off 29 pounds weight, that being the difference between the weight of the disks and the levers. Next morning I went down to see the effect of this change. It seemed magical. The governor appeared to have gone to sleep, it was not taking any interest in the activity about it; the counterpoise stood at about the middle of its range of action, only moving lazily a short distance up or down occasionally. After calling Mr. Douglas in to see what disks on the rocker-shaft, with their motion reversed 460 times a minute, had to do with the governor action, and hearing his expressions of admiration, I took the next train home. As might be supposed I was not long in eliminating all traces of this blunder from drawings and from engines already made.

I had an order from John W. Hyatt of Newark for a 6×12-inch engine to make 450 revolutions per minute, to drive an attrition mill running at 900 revolutions per minute, in which he pulverized bones to dust for manufacturing artificial ivory. This was the highest number of revolutions per minute that I had ever employed, and perhaps it was the most absolutely silent running engine that I ever made. Not long after its completion I had a call from a young gentleman who introduced himself to me as Harris Tabor. He told me he had invented a steam-engine indicator which he thought would be superior to the Richards[266] indicator, as the pencil movement was very much lighter and would draw a straight vertical line. He said he called in the hope that I might give him an opportunity to test his indicator on a very high-speed engine. I told him I thought I could do just what he wanted. I took him down to Mr. Hyatt’s place where the engine was running with the indicator rig on it which I had been using; he was, of course, greatly pleased with this remarkable opportunity. He took a number of diagrams with his indicator, and they proved to be quite free from the vibrations which were produced by the Richards indicator at the same speed. I gave him a certificate that these diagrams had been taken by his indicator from a Porter-Allen engine at a speed of 450 revolutions per minute. With these he started for Boston to see Mr. Ashcroft. With the result of that interview the engineering world is familiar. To my great regret not one of the diagrams taken at that time has been preserved either by Mr. Tabor, Mr. Ashcroft or myself, an omission that none of us can account for. The Hyatt plant was afterwards, I understood, removed to Albany, N. Y.

I had a singular experience with another 6×12-inch engine which I sold to William A. Sweet, elder brother of Prof. John E. Sweet, for use in his spring manufactory in Syracuse, N. Y. Mr. Sweet had two batteries of boilers set at some distance from each other and at different elevations; these were connected by a pipe which was necessarily inclined. About the middle of the length of this pipe a stop-valve had been introduced, and when this valve was shut the pipe in the upper end of it was, of course, partly filled with water. My engine received its steam from the bottom of this pipe below the stop-valve. The boilers at the lower end were one day overloaded, and while I happened to be present Mr. Sweet himself opened the stop-valve for the purpose of getting an additional supply of steam from the upper battery, but he did not get it. What he did get was a charge of solid water, which brought my engine to an instantaneous stop from a speed of 350 revolutions per minute. I was standing near the engine and saw shooting out from the joint of the back cylinder head a sheet of water, which at the top struck the roof of the building. On examination it was found that the steel key of the fly-wheel had been driven into the wrought-iron shaft almost half an inch and the shaft was bent. The engine suffered no other injury; the bolts of the cylinder head had not been strained to their elastic limit, and the nuts did not require to be tightened. The shaft was straightened, new key-seats were cut for the fly-wheel, and the engine worked as well as ever—a pretty good proof of its general strength.

Harris Tabor

[267]

I had a couple of funny experiences arising out of my new way of boring fly-wheels and belt-drums. I sold an engine to Mr. Westinghouse for his original shop in Pittsburg, before the appearance of the Westinghouse engine. They erected it for themselves. I received a telegram from their superintendent, reading: “The hole in your wheel hub is oblong, what shall we do about it?” To which I wired back: “Put the wheel on the shaft and drive in the key.”

Another superintendent discovered the same unaccountably bad piece of work, and did not communicate with me. He did the best he could by centering the shaft in the hole and filling the spaces on each side with thin iron scarfed down on each edge. Then the key would not enter the keyway; so he reduced it until it would. Then the wheel ran an eighth of an inch out of truth. Then he unstopped the vials of his wrath and poured out their contents on my devoted head.

I had an order from Mr. Mathieson, manager of the works of the National Tube Company, at McKeesport, Penn., for two engines, 28 and 32 inches diameter, with 48 inches stroke. The interest of this story centers in the former of these engines, which made 125 revolutions per minute. One day the governor spindle stuck fast in its column, an accident I never knew to happen before or since, whether caused by a tight fit or for want of lubrication I do not know. Of course the engine ran away like mad. Mr. Mathieson and I were in the engine-room; the last I saw of him his coat skirt was nearly horizontal as he rushed through the door. The engineer ran to screw down the starting-valve. I thought that would be too long a process and ran in front of the fly-wheel to unhook the gab. On the instant, however, I feared what might be the possible effect in the cylinder of instantly arresting the motion of the admission valves at an unknown point in the stroke at that speed, and I did not do it. In a few seconds the engineer had the valve closed, and the engine soon slowed[268] down. The fly-wheel, which was 20 feet in diameter, did not burst, and I was confident it would not. I never had an accident to a fly-wheel, but this was the most severe test to which my fly-wheels were ever subjected. I have heard of many accidents to fly-wheels, in which it was evident that they were so carelessly made it seemed as if they were intended to burst on a moderate acceleration of their speed.

This fly-wheel was necessarily made in halves in order to transport it, and the joints were so made as to be as strong as the section of the rim. As the accompanying drawing will show, they were held together by two steel loops opened out of the solid and shrunk in. It will be seen that any section of cast iron at this point was equal to the section of the rim, while the steel loops were stronger. The halves of the hub were held together by bolts and steel rings.

I sold an engine for a rubber manufactory in Cleveland, Ohio, and some months after received a letter from the proprietor saying he had been adding to his machinery and the engine would not drive it all and would not give its guaranteed power, and he wanted me to come immediately and see what was the matter with it. On going into the boiler-room I saw that the steam-gauge showed only 55 pounds pressure. I asked the engineer why he carried so little pressure, and he told me that the safety-valve was set to blow off at 60 pounds, which he considered to be all the pressure a boiler ought to carry; that he had been an engineer several years on the Lakes, where 60 pounds was the greatest pressure allowed. I asked the proprietor if he had his boiler insured; he said he had, in the Hartford Boiler Insurance Company. I said I supposed that company had an agent in Cleveland. He said: “Yes, and his office is around the corner on this block, and if you want to see him I presume I can have him here in ten minutes.” Pretty soon he appeared, and I said to him: “I understand you have insured this boiler.”

“Yes.”

“Have you made a personal examination of it?”

“I have.”

“What would you consider a safe pressure to carry?”

“One hundred and twenty pounds.”

[269]

Mr. Porter’s Fly-wheel.

[270]

“Would you hold it insured at that pressure?”

“Certainly, it would be perfectly safe.”

“Now,” said I to the proprietor, “you will observe that my guarantee of power assumes a pressure of 85 pounds, and you have no excuse for not carrying that pressure, and if you do so you will have no trouble; as for the practice on the Lakes, if you will come to New York we will show you that on our river and sound steamboats the practice is to carry only 25 pounds pressure.” He readily agreed to carry the higher pressure, which he found ample; so I was fooled into going to Cleveland pretty much for nothing. Afterwards I went there to a better purpose.


[271]

CHAPTER XXV

Engine for the Cambria Iron and Steel Company.

T

The uniform success of my rolling-mill engines encouraged the Cambria Iron and Steel Company, of Johnstown, Penn., again on the advice of Mr. Holley, to order from me an engine to drive their rail-train. For this purpose I made the largest engine I had yet made, 40-inch cylinder by 48-inch stroke. It was altogether too large to be built in the Hewes & Phillips Iron Works, so I had the parts, except the valve-gear, constructed in three different establishments in Philadelphia. The bed, which weighed 40,000 pounds, was cast and finished at the I. P. Morris & Company’s works, the cylinder was cast and finished by Mr. James Moore, who also turned the shaft, and the crank-disk was turned and bored by William Sellers & Co. The several parts were not brought together until they met at Johnstown. The Cambria Company made their own fly-wheel. I spent considerable time while the work was in progress in traveling between Newark and Philadelphia, carrying measuring-rods, templets and gauges. I put the engine together myself, and everything came together without a hitch, which confirmed me in the belief that putting engines together and taking them down again in the shop was a great waste of time and space, and the manufacturing system which I was planning in my mind I intended should be wholly a manufacture of pieces to be kept in stock, and orders filled by shipment of the separate parts direct from the storehouse.

The boilers at Johnstown were located over the heating furnaces, utilizing their waste heat, and were scattered all over the works. The largest steam-pipes were 8 inches in diameter. I gave them[272] an order to make a steam-receiver 5 feet in diameter and 15 feet high, to be set close to the cylinder of the engine. They made it 18 feet high, the width of the sheets favoring this greater height. I took the steam by an 8-inch pipe entering at the top of this receiver and extending down 12 feet; from the top of the receiver I took the steam over to the engine by a 12-inch pipe. I drained the water from the bottom of this receiver by the largest Nason trap, from which a one-inch stream of water was delivered continually. I set in the side of this receiver four try-cocks, one above another four feet apart. From the lowest, six feet from the bottom, the steam blew as white as a sheet, from each one successively it blew with less color, and from the upper one it was quite invisible. I set a steam-gauge on this receiver, and it showed that when the greatest resistance was on the engine the pressure did not fall more than three pounds. This assurance of dry steam in the cylinder was vital to the success of the engine.

The engine was started at 80 revolutions per minute. This was the same speed at which their old engine was supposed to run, but practically its speed had always fallen to 60 revolutions whenever two passes were in the rolls together. I should say here that the new engine was set at the opposite end of the train from the old one, and the only change made was disconnecting the old engine and connecting the new one. The advantage was found in the fact that with the new engine four or even five passes could be in the rolls simultaneously and the speed of the engine never fell sensibly below 80 revolutions per minute. The result was that the first week the train turned out 2400 tons of rails instead of 1200 tons, which was the former limit. This latter was a product of which they had been quite proud and which they claimed exceeded that of any other mill. Mr. Daniel N. Jones, their chief engineer, increased the speed of the engine five revolutions per minute each week for four successive weeks by changing the governor pulley for a larger one. This he did every Sunday when the mill was idle, increasing the speed finally to 100 revolutions per minute and the production to 3000 tons per week. He prided himself on doing this without the men at the hooks finding it out, which if they had done might have made trouble. This seems a very small thing to say when for many years the output of a rail-train has been 3000 tons a day without the aid of human hands; but at that time it was considered an immense achievement. It was also a remarkable thing for the company financially, as directly after a greatly increased demand for steel rails appeared and the price rose to $60 per ton, at which it was maintained for some time.

Daniel N. Jones

[273]

This thoughtful act of Mr. Jones was an example of his magnificent co-operation with me in all my work.

Mr. Jones had insisted that the cylinder should have a support at the back end, as he felt sure that without it the running of the piston, weighing 3600 pounds, would produce a deflection; so a support was built under the end of the cylinder, which was cast with a corresponding projection underneath. These surfaces were planed parallel with each other, but I took pains to secure a space between them sufficient to admit a sheet of paper, and when the engine was running I was able to draw a sheet of paper through that space without its being seized, showing the support of the cylinder from the bed to be sufficient, as I had claimed it would be. Mr. Jones laughed.

Connection of Arms and Rim in Mr. Fritz’ Fly-wheel

The fly-wheel which the Cambria Company made for this engine interested me greatly. The hub and arms were cast in one piece as a spider and, of course, were free from internal strain.[274] The rim was also cast in one piece. The manner in which the arms were united to the rim is shown in the accompanying cut. The spaces at the sides and end were ⁵⁄₈ inch wide; these were filled with oak, into which long slender steel wedges were driven from each side, as many as they would contain. This wonderful fly-wheel, I learned, was the invention of Mr. John Fritz, made while he was superintendent of the Cambria Works.

The engine had many visitors, among whom I particularly remember Mr. Otis and Mr. Wellman, whom I happened to meet there. Their visit resulted in an order for an engine of the same size to drive the new plate-mill which Mr. Otis was about building. I received also three other orders for duplicates of this engine, one from the Pennsylvania Steel Company, one from the Bethlehem Steel Company, and a second order from the Cambria Company themselves. The order from the Bethlehem Steel Company was given me by Mr. John Fritz, then its superintendent and engineer, the inventor of the three-high train of rolls, and the designer of all their machinery for rolling both rails and armor-plates.

An incident connected with the order from the Cambria Company I will mention, as showing the contrast between the brutal and the considerate way of doing business. I received a telegram from the Cambria Company, reading: “You are wanted here at once about another engine.” I learned afterward that this telegram as written by Mr. Powell Stackhouse, the general manager, did not contain the last three words, but read: “You are wanted here at once.” Mr. Stackhouse had written this telegram and laid it on his table for a boy to take to the telegraph operator. At that moment Mr. Jones came into his office and read the telegram, when the following conversation took place:

Mr. Jones: “It will never do to send this in that shape.”

Mr. Stackhouse: “Why not?”

Mr. Jones: “It will break Porter all up.”

Mr. Stackhouse: “How so?”

Mr. Jones: “The only thing he can think of will be that some great disaster has happened to his engine.”

No answer. Mr. Jones thereupon added the words “about another engine,” which changed somewhat the impression which the telegram was calculated to produce.

John Fritz

[275]

These orders for four more engines of the largest size on my list were afterwards supplemented by a similar order from the Albany and Rensselaer Iron and Steel Company, making in all five, or with the one then running six from the same patterns.

The more rapid rolling was found to possess advantages beyond the merely increased output. It insured a uniform excellence in the product, which could not otherwise be attained even by the utmost care, and it effected several important economies. Mr. Jones had recently completed and put in operation a new blooming-train, then the largest in the world, for which the size of the ingots to be rolled was increased from 12 inches square to 17 inches square at the base, and the capacity of the Bessemer converters was increased in the same proportion. The output of this mill was much greater than the rail-train could dispose of, and a large pile of cold blooms had accumulated in the yard. A force of about thirty men was employed in chipping out all defects in these blooms which might cause rails to be classed as “seconds.”

After my engine had been started it was soon observed that, between the shorter time of exposure and the greater rapidity with which heat was imparted to the rails by the rolling, the original heat of the blooms was very nearly maintained to the end of the process, every defect was welded up, and a perfect rail was produced, so the chipping of the blooms was no longer necessary.

It was not a great while before the accumulation of the blooms in the yard was disposed of and the hot blooms were brought directly from the blooming-mill. These, of course, were more readily reheated, and moreover, to the surprise of the workmen, less power was required to roll them, and the rolls endured much longer without needing to be re-turned. The explanation was that the cold blooms had never been thoroughly heated in the middle. This was the beginning of maintaining the original heat of the ingot, which has since been turned to such great advantage.


[276]

CHAPTER XXVI

My Downward Progress.

I

I had now reached the top of my engineering career; I had devoted myself for twenty years to the development of the high-speed engine and to the study of the best means and method of its manufacture, and had introduced into it designs and workmanship of an excellence before unknown in steam-engine construction. I had solved all the theoretical problems involved in the running of high-speed engines, and, starting from Mr. Allen’s inventions of the single eccentric link and the four-opening balanced valve with the adjustable pressure-plate, and my governor, had designed every constructive feature and detail of this engine.

I had been for four years carrying on the business of the manufacture of these engines in my own name as sole proprietor, but, as already stated, without a cent of capital. I had in this time built between forty and fifty engines of every size on my list, from the smallest to the largest, except two, the 44-inch diameter cylinder having been added after my time. Considering my business as an organization, I had been president, secretary, treasurer, general manager, chief engineer, inspector, and draftsman. At any rate, the duties belonging to all those positions had been performed by me with satisfactory results. I made every drawing, both general and detail, with my own hands, having only the help of a young man who made my tracings, and when he had time helped me with my section lining. At that time blue-printing had not come into use; drawings were made on white drawing-paper and were inked in, and the tracings were made for the shop;[277] I began to use the blue-print system when I removed to Philadelphia.

Every one was loyal to me, I could always rely upon my instructions being faithfully followed, so the work ran as smoothly as the engines themselves; we were, however, much hindered by the poor tools we had to use. These were a fair average of American tools at that time, but Mr. Goodfellow and myself estimated their output to average only about one half that which we expected in our contemplated works. Besides this, I could not establish piece-work prices or introduce any systematic methods. I became gradually swamped with orders. These outgrew the capacity of the Hewes & Phillips Works, or of that portion which I could use. Before I left there, besides the four large orders already named, amounting altogether to $48,000 f.o.b., without fly-wheels, and which could not be handled in these works, I had accepted orders for smaller engines sufficient to bring the aggregate up to $125,000. These latter were more than I could manage alone, so I had arranged to have some of these also made, or partially made, in other shops.

From this point my path sloped steeply downward to the grave of all my hopes; in about two years and eight months the business had dwindled to practically nothing, and I, as the party held responsible for this result, was turned out of the Southwark Foundry into the street. At the bottom this was entirely my own fault. No one could ask to be associated with a better body of men than were those who united to sink their money in the manufacture of the Porter-Allen engines.

My aim had been to reach a point where I could command the capital necessary to establish my business according to the plan which I had cherished ever since my return from England, but on a much larger scale than I then contemplated. I had now reached that point. Parties who were finding themselves enriched by my engine were ready to pour out their money like water for my use; but there was something else that I needed even more than their money, without which indeed, as the event proved, their money was of no use at all. That was their respect for me and confidence in me as a strong business man; my record would have sufficiently justified that confidence, but of this they were ignorant. They[278] had no means to form a judgment of me except what I did then and there. I never thought of this supreme requirement, and in response to their request made them an offer which, regarded from their point of view, appeared so unbusinesslike that they could form only one conclusion, that while unquestionably I could make engines all right, in matters of business I was a mere baby whose opinion on business matters was not to be regarded seriously.

How came I to do myself, and them also, as the victims of their mistaken judgment, this injustice? My whole life was bound up in the engine; I cared nothing for money except to develop its manufacture; I felt that every dollar paid to myself would leave so much less for this purpose. I asked nothing for the good-will of my business, for I was not selling it; they were putting money into my business, which, of course, I would continue to carry on as I had done. This was my mistaken view. I consulted fully with Mr. Hope, whose interest was equal with mine, and he viewed the matter precisely as I did. Although standing at the head of his profession as a fire underwriter, he had not the special business training or experience that would enable him to give me the advice I needed, so I told them that if a company should be formed to manufacture the engines with $800,000 capital, I would assign to it my patents for $100,000 of its stock, the value of which I assumed I would increase several fold in a few years. Beyond this I assumed everything and made sure of nothing, so our minds never came together. I did not assert myself because it never occurred to me that I needed to do so.

They could not understand my position. They could not appreciate my sentiment. They were business men, and did business on strictly business principles. What their position was I came to understand later. From the fact that I did not stipulate for it they concluded that I did not expect the presidency of the company, but had yielded it to them, which they accepted, of course, in accordance with the general usage that capital takes the direction of a business which it knows nothing about, relying upon skilled experts in its various departments.

Thus by my failure to realize their necessary position and to lay before them a thoroughly business-like proposition, demanding[279] for myself the practical direction of the business and a proper sum for the patents and the good-will of the business, and assuring to them the safety and disposition of their money the enterprise was doomed from the start.

An excellent opportunity seemed to offer itself for going right on with my business without the delay which would be involved in the erection of new works. The Southwark Foundry was in the market for sale. These were the old engineering works of the firm of S. V. Merrick & Sons; they were famous works before the war, when they were largely devoted to the manufacture of municipal gas and water plants, having, I think, a monopoly of this class of work, for which they were especially equipped. During the war they had built engines for some government vessels. A few years after the war the elder Mr. Merrick died, and his two sons, J. Vaughan and William H. Merrick, retired from business, and these works were closed. In company with several of the gentlemen interested I was shown over the works by William H. Merrick and was very favorably impressed with them. They covered a large plot of ground, the front extending from Fourth to Fifth streets on the south side of Washington Avenue, in Philadelphia; they were favorably located with respect to transportation facilities, a branch of the Philadelphia and Baltimore Railroad ran through this avenue to the Delaware River, and two switches from these tracks entered the works, one going to the foundry and one to the erecting-floor. This floor was commanded by three cranes, operated by power, the largest I had ever seen, while an annex to the foundry was commanded by a steam-crane of equal size, and the main foundry floor was provided with an overhead traveler, the only one at that time in the country. The machine-shop was a large three-story building, the first and second floors of which, as well as the erecting-shop, were filled with tools, some of them of large size. I was particularly impressed by the great planer, the largest in the country, capable of passing objects twelve feet square. The office was provided with a large fire-proof vault which was carried up to the second story for the use of the drawing-office.

I expressed myself decidedly in favor of purchasing these works. I could form no judgment respecting the tools, all their[280] working parts being coated with a composition of white lead and tallow; but I did not care much about them, because I should speedily fill the works with the latest improved tools, most of which I expected to import from England. A contract was immediately made for the purchase of these works, in part payment for which the Merrick brothers were to accept stock in the proposed company. Thus they became numbered among our stockholders.

I was next invited to attend a meeting of a few gentlemen held at the office of the Cambria Company to arrange a slate for the action of the subscribers at a meeting which had been called for organization. This first meeting was full of surprises to me. I went into it expecting the gentlemen to say to me: “Of course, Mr. Porter, you will accept the office of president?” quite unconscious that I had made it impossible for them to think of such a thing, but quite conscious that no amateur in that position could by any possibility make the business successful, unless he should commit the management entirely to my hands and content himself with being a mere figurehead.

Mr. Townsend, the president of the Cambria Company and the leading mover in this enterprise, called the meeting to order and announced that the first question to be settled would be the name of the company. I remarked: “There can be but one name for it: the Porter-Allen Steam-engine Manufacturing Company.” Then Mr. William H. Merrick spoke up: “I don’t know about that; of course, no one can imagine that the manufacture of these engines can employ all the resources of these great works; there is a vast amount of work of the character formerly carried on in them which will naturally flow back to them, and I think the door should be left open for its return.” I expressed my amazement at such a view; I had not come there to revive any old business, but to make the Porter-Allen engine and nothing else; that it must be obvious to any observer that my business only required suitable means for carrying it on to grow to great proportions, and the resources of these works, whatever they were, would need to be greatly enlarged for its use, and besides the name ought to describe and advertise the business. When a vote was taken every man voted for the historic Philadelphia name of[281] the “Southwark Foundry,” to which they added “and Machine Company,” and I discovered that my views had no weight at all. I had afterwards the pleasure of being asked by my friends occasionally what good I supposed that name would do my business.

The next subject was the selection of a president, and my next discovery was that I was not even thought of. If any one had been asked why he had not thought of me he would, from his point of view, very properly have replied that “to commit the interests of this company to a man who had shown so little ability to look out for his own interests did not impress him favorably.” Every vote was cast for William H. Merrick, and I was selected as vice-president, with charge of the manufacturing.

A day or two after, the meeting was held which had been called for the purpose of hearing the report of the patent expert and organizing the company. At this meeting the expert was not prepared to report, as an application for the reissue of an important patent was still pending. Mr. Merrick moved that a temporary organization be then effected, so that we might proceed at once with work on pressing orders. On my assurance that this reissue was certain to be allowed, the motion was adopted and a temporary board of directors was elected. Mr. Merrick and myself were elected president and vice-president respectively. Mr. Merrick told me afterwards that he made the motion because he knew that those twenty-one gentlemen there assembled could never be got together again if this meeting should prove fruitless.

The directors held a meeting immediately after, and at this meeting I presented a letter which I had written to the chairman of the meeting called for organization, setting forth the requirements of the engine for the latest and most improved tools and asking for an immediate appropriation of $100,000 for their purchase, as time was of the utmost consequence. To this Mr. Merrick replied that such action would be entirely unnecessary, saying: “I assure you gentlemen, and I assure Mr. Porter, that for a long time to come he will find in these works everything he can possibly desire.” Of course I could make no reply to this positive statement, and the matter was dropped. We immediately took possession of the works, and a large force of men were put at work cleaning the tools and getting them in working order; I also had my drawings,[282] patterns, and all work in progress brought from Newark and from all shops where it had been commenced. Prominent among these latter were the bed, cylinder and shaft of the first of the 40×48-inch engines which were then ready for finishing.

In about two weeks from the date of this meeting Mr. Goodfellow came into the office pale and trembling with excitement, and addressing himself to me, Mr. Merrick sitting on the opposite side of the table, said: “Mr. Porter, I give it up; we might just as well be set down in a cotton-mill to make steam-engines; there is not a tool in the place that has not spoiled every job that has been put in it, from the day we came here. I don’t believe another such lot of antiquated and worn-out rubbish exists on the face of the earth.” This was not news to me, as I had spent much of my time in the shop. Our most serious disappointment was the condition of their great planer; we had hurried the above-mentioned engine bed on it as soon as it arrived, and when it had been planed the surface plate was laid on the guide-bars, which were 7 feet 6 inches long, and it was found to rock on two diagonal corners more than an eighth of an inch, showing a cross-wind of over half an inch in the whole length of the planer bed; this of course rendered the tool useless in its present condition. I had found that the means for boring the 40-inch cylinder and for finishing the shaft, as well as for doing the other work for this engine, were all equally useless, and I proposed to Mr. Merrick that these parts should all be sent back to the shops from which they had been brought and finished there, and the engine altogether built in outside shops, just as I had built the first one. This he flatly refused to do, saying he would not make such an exposure of our condition. Our plight may be understood when I state that it was over a year before we could deliver that first large engine, although every effort was made to complete it, the castings and forgings waiting for many months.

“But,” exclaims the reader, “why, when this state of affairs was first discovered, were not steps instantly taken to remedy it?” The answer to this question involves a very different subject. When I had received in Newark a letter from Mr. Merrick requesting me to send on my patents for examination by an expert, I was suddenly reminded that I had omitted to obtain the reissue[283] of the latest patent which Mr. Allen had obtained, namely, the one for his adjustable pressure-plate, which had been so shockingly muddled by the Washington agent of the patent solicitors that when we received it we could not understand the specification, and the claims were absolutely meaningless. However, I had said to myself, there will be time enough to have it reissued when it becomes necessary, as applications for reissue are always passed upon immediately. But before sending the patents on, I prepared myself a new and clear specification for that patent and put it in my pocket.

In two or three days I followed the patents to Philadelphia and met the patent solicitor; he told me all the patents seemed to be well enough except this one, and this he could make nothing out of. I told him how that came to be such a muddle, that I always intended to get it reissued and now would employ him to do it. I produced the amended specification I had prepared for that reissue; he read it and handed it back to me, saying it would be of no use to him. I instantly thought of the protest of Mr. Perker: “Really, Mr. Pickwick, really, my dear sir, when one places a matter in the hands of a professional man he must not be interfered with; indeed, he must not, my dear sir, really.” I made an humble apology for my presumption, but asked him if he would get the application in the next day at farthest, that the reissue might be received in time for him to report on it at the meeting called for the organization of the company, then some days distant. He made no reply. I soon found that I had fallen into the hands of a traitor who intended to use his professional power to strangle my enterprise in its birth, and who never did give up his prey until it was torn from his fangs.

Not hearing from him for a day or two, I called to see what was the matter, and was stunned by his telling me that he had determined not to apply for a reissue, but to report against me on the patent as it stood, saying that a reissue could not be got, and if it was it would be good for nothing. I attempted to argue the matter with him, but found him firm. I then went directly to the office of Morgan & Lewis, the attorneys for the company, and told the story. Mr. Morgan said, “I will go and see him at once;” so we went together. The expert repeated his determination to[284] Mr. Morgan, and, anxious that the latter should understand the merits of the case, I presented it to the expert as plainly as I knew how, Mr. Morgan being an attentive listener. Many months afterwards I realized the vital importance of the lesson I then gave to Mr. Morgan. The expert persisted in his determination, but consented to see Mr. Morgan again the next day. On our way back I said to Mr. Morgan: “It seems to me that this man does not see the point of the application because he won’t see it; he doesn’t want to see it.” Mr. Morgan made the rather enigmatical reply: “It seems very plain to me.”

The next day Mr. Morgan made the point to the expert that he could not afford to take such a position as that—he could not sustain it. He then consented to make the application, but added what he had already said to me, that he had no idea it would be granted, and if it was, it would be good for nothing. It will hardly be credited that he was over two months in preparing this application, getting it into a form in which he was sure it could not be allowed. When it was finally shown to me I could not understand it. It contained two references, the pertinence of which I could not see; he assured me, however, that it was the very best that could be done, although he said he had very little hopes that it would be allowed. Sure enough, in a few days the rejection was received from Washington and a meeting was called to hear his report. He used very strong language in making this report, saying: “This rejection is final and the case is hopeless,” and walking over to where I was sitting, he shook a paper in my face with an air as if I had been a detected felon and he held in his hand the proof of my rascality, saying: “This is a paper I received from Washington this morning that settles your hash, sir.” When he sat down the silence might have been felt. Every one shrank from what appeared to them the inevitable and final step, the adoption of a resolution to the effect: “Whereas Mr. Porter has failed to keep his agreement with us, the whole matter be now dismissed from our further consideration.”

I did not allow them much time for reflection, but rose and made a little speech as follows: “Mr. Chairman, I have but a single word to say. I have taken this case out of the expert’s hands; I expect to go to Washington to-morrow morning and return in[285] the afternoon, and when I come back I shall bring this reissue with me.” No one said a word, but I knew what was in every man’s mind: “What a fool, when our great Philadelphian authority has spoken, to imagine that he can do anything to change the result!” However, there was no disposition to cut me off by any precipitate action, and the meeting adjourned subject to the call of the chair, every one feeling that it was a mere waste of time.

The next morning I was received by Mr. Fowler, the accomplished chief examiner in the class of steam-engines, with his usual extreme courtesy. He told me that he felt very sorry at finding himself obliged to reject my application, but the very precedents cited in the application itself left him no alternative. “However,” he added, “if you have anything new to present I shall be most happy to receive it.” In reply I handed to him the specification which had already done duty so ineffectively with the expert and in which I had not changed a syllable. He read it through with fixed attention, and the instant he finished he exclaimed: “Why, Mr. Porter, it is perfectly obvious that you are entitled to this reissue, and the cases cited in the application have nothing to do with it; but why was not this presented to me in the first place?” I told him I had prepared it for that purpose and placed it in the hands of the expert, who, after reading it, returned it to me, saying it would be of no use to him. Mr. Fowler instantly asked me if I had prepared any claims. I told him I had, because I could not get any one to prepare them for me; but it was a new business to me, and I had asked the advice of the expert about them, who, after reading them, returned them to me without any suggestion, merely remarking: “If you get these allowed you will be doing very well.” The moment Mr. Fowler glanced at them he exclaimed: “Oh, Mr. Porter, we cannot allow any such claims as these; they are functional claims, which the Patent Office never allows.” Then, evidently seeing my helpless condition in the hands of a traitor, he instantly added: “I shall be occupied this morning, but if you will call at three o’clock I will have two claims prepared for you which will be allowed.” So the expert had let me go to Washington with claims that he knew could not be allowed, and sure that my errand would be fruitless. But he did not[286] imagine that the examiner would see through his treachery and thwart it. At three o’clock our interview was brief; as I entered Mr. Fowler’s room he handed me a paper, saying: “These have been allowed; you will receive the reissue in the course of three or four days, and it will appear in next week’s Gazette. Good afternoon.”

I suppose that I never looked on a countenance expressing more amazement than did that of Mr. Merrick when next morning I handed him the copy of the claims and told him my brief story. He said he could hardly believe his senses. Taking the paper, he started for Mr. Townsend’s office, and in the course of an hour all the parties in interest had been apprised of my easy triumph. The reissue arrived as promised, was placed in the expert’s hands, and a meeting was called to receive his report. I thought my troubles were all over; the case was an absolutely simple one, there was no pretense that the invention was not new, and he must report in its favor, no matter how reluctant he might be to do so. What was my amazement and fury when he quietly stated to the meeting that he had no report to make; that the case involved very serious questions which would require much time for their consideration; that the granting of the patent was nothing—it was the business of the Patent Office to grant patents, not to refuse them, but whether or not they would be sustained by the courts was entirely another matter, about which in this case he had very grave doubts.

I now did what I never did before or since, and what no good business man, who is accustomed to accomplish his purposes, ever allows himself to do: I, who always prided myself on being destitute of such a thing, lost my temper. And not only my temper, but, like Tam O’Shanter, I lost my reason altogether. Already driven frantic by the frightful condition of affairs at the works, which had been protracted over three months by this man’s machinations, and which he threatened to continue indefinitely while he should endeavor to find some means to accomplish his purpose of wrecking my business, without an instant for reflection I shouted, regardless of all proprieties: “You rascal! What was the Patent Office doing a week ago when you reported to these gentlemen that this reissue had been refused, that the decision was[287] final and the case was hopeless; what were they doing then, I would like to know? Were they granting patents or refusing them? The fact is, you are either a traitor or know nothing about your business, and you may hang on either horn of the dilemma you like,” and I sat down, having in these few seconds done myself and my case more harm than anybody else could have done in a lifetime. I did not reflect that I could not have the sympathy of my audience; they knew nothing of the state of affairs at the works—this they had been kept in ignorance of,—nor of the consistent course of treachery which this man had been following. All they could see was that I had used outrageous language, for which they could not imagine any justification, toward an eminent patent lawyer who enjoyed their confidence, and they naturally supposed that was my usual way of doing business. The chairman coldly informed me that the lawyer was their patent adviser and nothing whatever could be done until his report on the reissue should be received. I had entered the room expecting to receive the congratulations of every one on the bold coup by which I had saved my business. I left it unnoticed by any one. The reader will not be much surprised to learn that it was months before we heard from him again—months more of frantic helplessness.

About the first of August I called at the expert’s office and was informed that he had gone on his vacation and would be absent about six weeks, and the case could not be taken up until his return. In my desperation I called upon Mr. Townsend and made to him a clean breast of our helpless condition, and offered to pledge all our stock as security for a loan of the money necessary to buy a few of the most indispensable tools. He replied to me: “Suppose the report of the expert shall be adverse and the enterprise be abandoned, what do you think your security will be worth?”

I succeeded in saving one order from the wreck in rather a singular manner. This was an order from Mr. Lewis, of Cincinnati, the projector of the cottonseed-oil business, for an 18×30-inch engine to drive the machinery of their first oil-mill at Houston, Texas. I had built in Newark an engine of the same size for Senator Jones of Nevada, to drive an ice-making plant which he was establishing in the city of New Orleans. Word came to me[288] sometime that spring that this enterprise had proved a failure, the work had been abandoned, and the engine, their only asset of value, was for sale. I instantly bought it and sent a man down to transport it to Houston and erect it there. Mr. Lewis wrote me from Cincinnati an indignant letter at my sending him a second-hand engine. I replied to him, stating first it was my only possible way of filling his order at all, as I did not know when we should be able to build an engine in our new works, and, second, that it was a new engine, having been run only a few weeks, long enough to show its excellent condition and not so long as engines are often run in public exhibitions, from which they are always sold as new. Mr. Lewis gracefully accepted my explanation, and the engine was in readiness for them to grind the coming cottonseed crop. The next summer we had a call from the agent of that mill, who had come North during their idle interval, while they were waiting for their next crop, to make his report at Cincinnati, and had come out of his way to tell us of the wonderful manner in which that engine had carried them through their first season, which he concluded by saying: “That is the engine for the cottonseed-oil business.” After he had gone I said to Mr. Merrick: “That is an old story to me; everybody says that is the engine for their business, whatever their business may happen to be.”

What did I do with myself during that six months? Well, I was not altogether idle. First I found all the drawers in the drawing-office filled with piles of old drawings which Mr. Merrick ordered to be preserved and which we piled up on the floor of the unoccupied third story. Out of the contemplation of that confused heap I evolved a new system of making and keeping mechanical drawings, which I described in the following paper, read the next year before the American Society of Mechanical Engineers:

“The system of making and keeping drawings now in use at the works of the Southwark Foundry and Machine Company in Philadelphia has been found so satisfactory in its operation that it seems worthy of being communicated to the profession.

“The method in common use is to devote a separate drawer to the drawings of each machine or each group or class of machines. The idea of this system is keeping together all drawings relating to[289] the same subject-matter. Every draftsman is acquainted with its practical working. It is necessary to make the drawing of a machine and of its separate parts on sheets of different sizes. The drawer in which all these are kept must be large enough to accommodate the largest sheets. The smaller ones cannot be located in the drawer, and as these find their way to one side or to the back, and several of the smallest lie side by side in one course, any arrangement of the sheets in the drawer is out of the question.

“The operation of finding a drawing consists in turning the contents of the drawer all up until it is discovered. In this way the smaller sheets get out of sight or doubled up, and the larger ones are torn. No amount of care can prevent confusion.

“In the system now proposed the idea of keeping together drawings relating to the same machine, or of classifying them according to subjects in any way, is abandoned, and in place of it is substituted the plan of keeping together all drawings that are made on sheets of the same size, without regard to the subject of them. Nine sizes of sheets were settled upon as sufficient to meet our requirements, and on a sheet that will trim to one of these sizes every drawing must be made. They are distinguished by the first nine letters of the alphabet. Size A is the antiquarian sheet trimmed, and the smaller sizes will cut from this sheet, without waste, as follows:

“A, 51″×30″; B, 37″×30″; C, 25″×30″; D, 17″×30″; E, 12¹⁄₂″×30″; F, 8¹⁄₂″×30″; G, 17″×15″; H, 8¹⁄₂″×15″; I, 14″×25″.

“The drawers for the different sizes are made 1 inch longer and wider than the sheets they are to contain, and are lettered as above. The drawers of the same size are distinguished by a numeral prefixed to the letter. The back part of each drawer is covered for a width of from 6 to 10 inches, to prevent drawings, and especially tracings, from slipping over at the back.

“The introduction of the blue-printing process has revolutionized the drawing-office. Our drawings now are studies, left in pencil. When we can find nothing more to alter, tracings are made on cloth. These become our originals and are kept in a fire-proof vault. This system is found admirably adapted to the plan of making a separate drawing for each piece. The whole combined drawing is not generally traced, but the separate pieces are picked[290] out from it. All our working drawings are blue-prints of separate pieces.

“Each drawer contains fifty tracings. They are 2¹⁄₂ inches deep, which is enough to hold several times as many, but this number is all that is convenient to keep together. Each drawing is marked in stencil on the margin in the lower right-hand corner, and also with inverted plates in the upper left-hand corner, with the letter of the drawer and the number of the drawing, as, for example, 3F-31; so that whichever way the sheet is put in the drawer, this appears at the front right-hand corner. The drawings in each drawer are numbered separately, fifty being thus the highest number used.

“For reference we depend on our indices. Each tracing when completed is entered under its letter in the numerical index, and is given the next consecutive number. From this index the title and the number are copied into other indices, under as many different headings as possible. Thus all the drawings of any engine, or tool, or machine whatever, become assembled in the index by their titles under the heading of such particular engine or tool or machine. So also the drawings of any particular piece, of all sizes and styles, become assembled by their titles under the name of such piece. However numerous the drawings, and however great the variety of their subjects, the location of any one is, by this means, found as readily as a word in a dictionary. The stencil marks copy, of course, on the blue-prints, and these, when not in use, are kept in the same manner as the tracings, except that only twenty-five are placed in one drawer.

“We employ printed classified lists of the separate pieces constituting every steam-engine, the manufacture of which is the sole business of these works, and on these, against the name of every piece, is given the drawer and number of the drawing on which it is represented. The office copies of these lists afford an additional mode of reference, and a very convenient one, used in practice almost exclusively. The foreman sends for the prints by the stencil marks, and these are thus got directly without reference to any index. They are charged in the same way, and reference to the numerical index gives the title of any missing print.

“We find the different sizes to be used quite unequally. The[291] method of making a separate tracing of each piece, which we carry to a great extent, causes the smaller sizes to multiply quite rapidly. We are also marking our patterns with the stencil of the drawings, as well as gauges, templets, and jigs.

“It is found best to permit the sheets to be put away by one person only, who also writes up the indices, which are kept in the fire-proof vault.

“We have ourselves been surprised at the saving of room which this system has effected. Probably less than one fourth the space is occupied that the same drawings would require if classified according to subjects. The system is completely elastic. Work of the most diverse character might be undertaken every day, and the drawings of each article would find places ready to receive them.”

It will be observed that in planning the sizes of sheets I was limited to antiquarian paper. Now no limitation exists. I should to-day increase the number of sizes.

The whole summer passed, many had taken trips to Europe and back, when about the middle of September Mr. Morgan notified the chairman that he had received the expert’s report and requested him to call a meeting of the subscribers to hear it. I went to the meeting with mingled hope and apprehension. Mr. Morgan read a long letter from the expert containing an elaborate argument against the patent which he concluded by saying that he could not recommend its acceptance. When Mr. Morgan had finished reading the letter he continued: “Mr. Chairman, I am tired of this man’s delays and quibbling, and I now advise you that Mr. Porter has performed his contract, and it only remains for you to perform yours.” This was the harvest from the seed I had sown six months before.

The following is the Reissue on which the patent expert hung up our business for six months. The specification was written by me, the disclaimer and claims were written by Chief Examiner Fowler.

[292]

UNITED STATES PATENT OFFICE

John F. Allen of Brooklyn, Assignor to George T. Hope, of Bay Ridge, N. Y., and Charles T. Porter, of Philadelphia, Pa.

Balanced Valve.

SPECIFICATION forming part of Reissued Letters Patent No. 9303, dated July 20, 1880.

Original No. 167865, dated September 21, 1875. Application for reissue filed June 2, 1880.

To all whom it may concern:

Be it known that I, John F. Allen, formerly of the city, county, and State of New York, but now of Brooklyn, New York, have invented certain new and useful Improvements in Balanced Slide Valves, of which improvements the following is a specification.

My invention relates to that class of balanced slide-valves in which the valve is practically relieved from the pressure of the steam, this pressure being sustained by a plate supported above the valve, but so nearly in contact with it that the space between them will not admit steam enough to affect the valve. Such plates are designated as “pressure” plates, and have been made in some instances adjustable, in order that they may be closed up to the valve as the faces of the valve and its seat become worn. Heretofore such adjustments have been affected by different mechanical devices, among which there was, in one instance, a spring to move the plate laterally or crosswise of the valve while the pressure of the steam held the plate down; and in other instances screws were used to move the plate in two directions, both in line with the movement of the valve, and to hold the plate in its adjusted position. All of these devices, however, are liable to objections well understood by engineers.

It is the object of my invention to obviate these objections in a balanced slide-valve; and to this end my improvements consist in utilizing the pressure of the steam for giving motion to the pressure-plate down inclined supports and toward the valve; in employing supports inclined to the face of the valve at a steep angle, considerably exceeding the angle of repose of[293] the metal, so that the pressure of the steam on the upper surface of the pressure-plate may be relied on for giving to it the above-described motion, and in employing an adjustable stop to prevent the pressure of the steam from forcing the pressure-plate into too close contact with the valve.

In the accompanying drawings, which form part of this specification, Figure 1 is a transverse section through a steam-chest in which my improved balanced slide-valve is applied, the section being on the line x x of Fig. 2, and Fig. 2 is a longitudinal section on the line y y of Fig. 1.

Allen's pressure plate Allen's pressure plate

The valve A is fitted upon its seat in the steam-chest B, and moved to and fro over the ports in the usual manner. The back of the valve is a plane surface, parallel with its face. Along the sides of the steam-chest I provide two parallel guides—one,[294] b, inclined downward and outward, and the other, , inclined upward and outward, as shown in Fig. 1, from a point in the same plane with the back of the valve and at an angle considerably greater than the angle of repose of the metal. Theoretically, the plate should move down its inclined supports if the angle of inclination exceeds at all the angle of repose; but practically, under conditions, often unfavorable, existing in the steam-chest to render the action certain, this angle should be largely in excess, as shown in the model and drawings. In the instance shown I have provided chambers G at the ends of the steam-chest, through which the steam may pass over the ends of the pressure-plate to the ports; but any other approved passage for the steam may be provided.

The pressure-plate C fits snugly in the steam-chest lengthwise, and moves freely in it crosswise. This plate has an opening in the top and a hollow center, so that the steam entering at the top passes through the center and into the chambers G, at the ends of the steam-chest. The bottom of this plate has a plane surface, parallel with the back of the valve A, and beyond this plane surface it has lateral inclines c c¹, parallel with the lateral inclines b b¹ on the sides of the steam-chest, so that when the plate is in place its lateral inclines rest upon and fit closely to the inclines on the chest, thus supporting the plane surface of the bottom of the plate close to the top of the valve.

The width of the plate being less than that of the chest B, it will be seen that the plate in this position would have a certain range of movement upon the inclines crosswise of the steam-chest.

A screw-stop, H, passes through the steam-chest, and bears upon the adjacent side of the pressure-plate, which will still be free to be moved crosswise of the valve.

The operation is as follows: The stop H being adjusted to the point at which it is desired to maintain the pressure-plate, the pressure of the steam will act upon the plate and tend to force it down the inclines b b¹ crosswise of the valve and against the stop, which will thus determine the range of movement of the plate and the relation between its plane surface and the back of the valve. At the same time the stop, being entirely independent of or disconnected from the plate, can be readjusted as required to compensate for any wear upon the surfaces of the valve or its seat, and the steam will at all times maintain the plate at the point determined by the adjustment of the stop. This adjustment is, of course, made without opening the steam-chest.

I do not claim the employment of inclined supports by a[295] movement along which the pressure-plate is caused to approach or to recede from the valve, since this device has been already the subject of patent; but

I claim as my own invention and desire to secure by Letters Patent—

1. A balance-valve provided with a pressure-plate acted upon by steam-pressure and having a downward and lateral movement through means of steep inclines, as shown, as and for the purpose set forth.

2. A balance-valve provided with a pressure-plate reposing upon steep inclines, as shown, and suitable means for limiting its movement upon the inclines, the said plate being held down by steam-pressure, as and for the purpose set forth.

John F. Allen.

Witnesses:

De Witt Bogardus,
J. W. Durbrow.

Mr. Morgan’s advice was received by the meeting with a feeling of relief from a long suspense; it was at once accepted unanimously, and the temporary organization was made permanent. The directors immediately convened. Before proceeding to the transaction of business one of the directors said to me: “Mr. Porter, you have now been in the Southwark Foundry for six months, and I understand that not a single engine has been sent out from that place in all that time; will you tell us why this is so?” I had then an opportunity of witnessing a nobility of soul such as few persons meet with in the whole course of their lives. Mr. Merrick rose and said: “I will save Mr. Porter the trouble of answering that question. Mr. Porter has not sent a single engine out of these works because he has not had a single tool with which he could make an engine. I thought I knew all about those tools when, last March, I assured you and Mr. Porter he would find everything he could possibly desire, when the fact was I knew nothing about them. I have been through those tools carefully with Mr. Goodfellow and have seen for myself that not one of them could produce work fit to be put in these engines. While I am about it I wish to make another confession: I said then, and you all agreed with me, that it could not be expected that the manufacture of these engines could[296] employ all the resources of that great establishment, and so we left the door open for the return to it of the class of work which had formerly occupied it; but from what I have myself seen in the six months I have been there I am able to say to you that if the works had possessed the resources which I really believed they did possess, these would have been insufficient to meet the demand for these engines which has come to us from all parts of the country and for many different kinds of business. Mr. Porter knew what he wanted and the demand that might reasonably be expected; I had no conception of the one or the other. It is a great pity that we did not then give him the means he asked for, and I hope this will be done now.”

Mr. Henry Lewis spoke up and said: “What did Mr. Porter ask for? I have no recollection of his asking us for anything at all.” None of the directors could remember anything about it; the letter which I had addressed to the chairman had even disappeared. Luckily, however, I had made a copy of it, and I produced the letter-book, in which it was the first letter copied, and read them this copy. I should say here that I have inquired at the works for this letter-book, but have been told by Mr. Brooks, the president, that all correspondence more than twenty years old having no legal value had been destroyed. When I had finished, Mr. Lewis exclaimed: “Did you write that letter?” “I did, sir,” I replied. “Well,” he said, “I suppose I must have heard it, but I have not the faintest recollection of it.” All said the same thing except Mr. Merrick, as it had brought out his reply.

This illustrates the indifference of the directors at that time to anything that came from me. An earnest disposition was now manifested to make all the amends possible; the $100,000 which I had asked for was immediately appropriated. In view of the utter barrenness of the works I was asked if it had not better be made $200,000, but this I did not favor. I told them I would rather proceed more slowly, especially as many of the old tools might be made serviceable when we should have perfect tools with which to refit them. So at last I had triumphed at every point, but at what a cost, O, what a cost!

With a number of other engineers I attended, by invitation, a meeting held at the office of the American Machinist, February 16,[297] 1880, which determined upon the organization of the American Society of Mechanical Engineers, and soon after I had the honor of being invited to read a paper at the first regular meeting of this society, held in the auditorium of the Stevens Institute at Hoboken, N. J., on the 7th of April following. The date of this meeting, it will be observed, fell during the time when the Philadelphia expert was racking his brains to concoct for me an application for a patent reissue which he felt sure could not be allowed.

I read the following paper:

“This association can vindicate its right to exist only by exerting a constant beneficial influence upon engineering practice in all its departments. At the outset of its career it should take a progressive attitude, planting itself upon sound principles of construction, aiming to inspire the engineers of our country with the highest conception of mechanical truth, and to diffuse a correct understanding of the means and methods by which this truth is to be attained.

“As one subject of primary importance, I wish to present that of strength in machine tools. Truth of construction, facility of operation, and range of application are all, in one sense, subordinate to this fundamental quality of strength; for they are in a greater or less degree impaired where adequate strength is not provided.

“But what is adequate strength? On this point there exists among the makers and users of tools a wide diversity of opinion. On examination it will be found that this diversity coincides with the diversity in mechanical sensibility. As the mechanical sense is developed, there arises in just the same degree the demand for greater strength in machine tools.

“To the mechanic who has never formed a notion of a division of an inch more exact than ‘a bare 32d,’ one tool, if it can in any way be kept from chattering, is as good as another, and better if it is cheaper.

“To those, on the other hand, who demand in every piece, as it comes from the tool, the closest approach to perfection, both in form and finish, a degree of strength in the tool appears, and is demonstrated, to be indispensable that to the former class seems as absurd as the results attained by means of it appear incredible.

[298]

“In this country, as indeed all over the world, the standard of mechanical truth has been very low. It is here, however, as everywhere, rapidly rising. The multitude are being educated up to the standard of the few. In this work members of this association have borne and now bear an honorable part. Just in the degree that the standard of mechanical excellence is raised must the demand become more general for greater strength in machine tools, as indispensable to its attainment.

“But what is the standard of strength? The anvil affords perhaps its best illustration. It is a strength enormously beyond that which prevents a tendency to chatter, a strength that under even the heaviest labor prevents the least vibration of any part of the tool, or any indication of effort more than if the object being cut were a mass of butter.

“It will be seen that this absolute solidity in machine tools, while truth cannot be attained without it, enables also mechanical operations generally to be performed with far greater expedition, and the subsequent work of the finisher to be in any case much diminished and often dispensed with entirely.

“We are enabled in most cases to come at once to the form desired, whatever may be the quantity of material to be removed, and always to finish the surface with a degree of truth and polish otherwise unattainable, dispensing in a great measure with the use of that abomination, the file.

“Now, with this standard in our minds we look over the face of the land and behold it covered with rubbish.

“It is curious to observe how ingenious toolmakers have generally been in trying to avoid this quality of strength, and how deceptive an appearance in this respect many tools present.

“It is interesting also to note how little this quality of solidity adds to the cost of castings. The addition is merely so much more pig-iron and really not that, because in the stove-plate style the forms are more complicated, the patterns more expensive and frail, and the cost of molding is greater. But what signifies even a considerable increase in the first cost of a tool that in daily use is to perform the work of many and is to place its possessor on a mechanical eminence?

“It is not the purpose of this paper to enter into details, interesting[299] and important as these are, but to draw attention to the subject in a general way. The improvement observed quite recently in this respect, as well as in other points of tool construction, is highly gratifying and encourages the expectation of still further and more general progress.”

The following summer I employed some of my leisure time in making the plans for a couple of machine tools. One of these was a double-drilling machine for boring the boxes of connecting-rods, there being then no such machine in existence to my knowledge. I had been planning such a machine in my mind as long ago as when I was in the works of Ormerod, Grierson & Co., in Manchester, England, in 1864-5. This tool was designed first to bore the two boxes simultaneously and rapidly, and, secondly, to bore them with absolute accuracy in their distance apart and in the intersection by their axes of the axis of the rod at right angles in the same plane, and all this without measurement or setting out or the possibility of error. The other tool was comparatively a small affair. I utilized an old milling-machine for facing simultaneously the opposite sides of nuts and taking the roughing and finishing cuts at the same time. The ends of the nuts were first faced on a special mandrel which insured their being normal to the axis of the thread. A string of these nuts was then threaded on a mandrel fitting the top of their threads and some 15 or 18 inches long, on which they were held against a hardened collar, the diameter of which was equal to the distance between their opposite finished faces. The cutting tools were set in two disks about 12 inches in diameter; they were set about an inch apart alternately in two circles, one about one eighth of an inch inside the other, and were held in position by set-screws in the periphery. The cutters in the outer circles did the roughing; those in the inner circles were set projecting about 0.001 of an inch beyond the roughing tools and finished the surfaces. The mandrel was set between centers, and the string of nuts was supported from the table at the middle of its length. The nuts were secured in position by a dividing plate on the forward center-bearing. What was done with the two drawings I will state presently.

My success, as already related, came so swiftly and completely after six months of anxiety as to be almost overwhelming. The[300] more I thought about it the more ecstatic I became; all my disasters had been of a nature the effect of which time would soon efface. I was full of high anticipations, I could see no cloud in the sky; I awakened to my old zeal and energy and set myself eagerly to the work of providing new equipment, unable to realize the real helplessness of my position. Little did I dream that I was already doomed to drink to its dregs the bitter cup of responsibility without authority. That story will come soon enough; now I will ask the reader to accompany me in my work of filling the shop with new tools.

My principal orders were sent to my old friends, Smith & Coventry, in England. Among others I sent one for my double-drilling machine with the drawings. I received a reply from them stating that they had just furnished a similar machine to the firm of Hick, Hargreaves & Company, the eminent engine-builders of Bolton, and that they thought I would prefer their design for this machine, of which they sent a blue print, to my own. I should think I did prefer it; it was simply wonderful. It presented one feature of especial interest, which was that the two drills were driven independently and when not employed on connecting-rods could be applied to any other drilling work. So I ordered that tool, and its work fully justified my expectations. I ordered from them several planers, the largest one passing a body five feet square. The planers they sent me had two novel features which filled me with admiration. The tables were provided with broad, flat shoes running on corresponding flat guides, the sideways wear being taken up by an adjustable gib on one side. This construction enables the bearing surfaces to be made one true plane from end to end, making cross-wind impossible. The next feature by which these planers were distinguished was the mode of lubricating these surfaces. Each guide was provided in the middle of its length with an oil-well which was a large square box, formed in the casting. In the middle of this box was a small rod on which two levers were pivoted, the arms of which were of equal length. At one end these arms carried a roller, and at the other end a weight considerably heavier than the roller. The roller was thus kept up against the under side of the shoe, while its lower side ran in the oil; thus the lubrication was effected by the revolution of this[301] roller, which needed to be only one half the width of the face lubricated; this was found to be the perfection of lubrication. The tables were very stiff and were provided only with T slots from end to end for holding the work.

I built a one-story addition to the erecting-floor, about 40×100 feet, occupying a space which had before been used mostly as a stable. I divided this into two bays by columns, and provided each bay with an overhead traveler of about five tons capacity, worked by rope loops hanging to the floor. These were also made for me by Smith & Coventry.

I ordered from Mr. Moore, of Philadelphia, one or two of the heavy and powerful lathes built by him for turning chilled rolls. I also ordered a six-foot square planer from the Hewes & Phillips Iron Works in Newark, which they made expressly heavy, having become infected with my ideas on that subject. From Pratt & Whitney I ordered one large lathe and one or two small planers, and other tools from several other American makers.

In one instance only I was disappointed; that was the case of a 12-foot horizontal turning and boring machine. On examining the blue-prints which were sent me at my request, I was struck with the lightness of the table, and conditioned my order on this being made twice as heavy, which was done. If I had made the same requirement for every other part of the machine, I should have done a good thing for both the builders and myself. The table ran on a circular track, which was superbly designed. This track consisted of a circular trough perhaps 8 or 10 inches wide, and in the middle of it a bearing surface for the table, raised perhaps half an inch above the bottom of the trough and half an inch lower than its sides. This bearing surface was about 6 inches wide and was intersected by diagonal grooves about a foot apart. Oil could stand in this trough above the level of the bearing surfaces. I made a little improvement on the method of supplying the oil. As sent, a dose of oil was poured through a hole in the table, which was filled with a screw plug when not required to be used. I screwed a plug into that hole to stay, and drilled a hole in the bottom of the trough, in which I screwed a ³⁄₈-inch pipe that I carried under the bottom of the machine, and up behind one of the uprights to a higher level, and in the end of this pipe I screwed[302] a sight-feed oil-cup. I provided a drain-pipe, which would maintain the oil in the trough at the desired level, while it was fed to the trough continually, drop by drop, as required. This table came with an imperfectly finished bearing surface. I set several men at work to bed these surfaces properly, and did a fine job of scraping on them. When it was finished, I pulled the table around with one hand, it floating dry on the air caught between the two surfaces. When we came to use the tool it chattered, and would do so however light the cut we were taking; every part of it was too light and vibrated, except the table. After all, it was the best tool of this kind and size that I could have got in this country. If made of proper strength I should have been able to use four cutting tools in the work, each leaving a perfectly smooth surface; but that was a degree of strength and usefulness that builders at that time had not dreamed of.

One of the first of our smaller engines, 10×20 inches, I built for ourselves, setting it in a location convenient for transmitting power to both the machine- and erecting-shops.

The job of taking the cross-wind out of the great planer interested me perhaps more than anything else, on account of its difficulty. It was a long time before I could decide how to go about it; besides the cross-wind, the guides were not parallel; at one end the V’s on the table bore on one side, and at the other end on the opposite side. I finally made an apparatus consisting of two V’s about three feet long, and connected by a cross-bar on which was set a spirit-level having a ground bubble. Another similar level was set on top of one of the V’s. With this apparatus, which was strong enough and was finished in the most perfect manner, and a brass wire, I was able to determine beforehand what was necessary to be done at every point in the guides. To finish this job on the bed, and afterwards on the V’s under the table, required fully three months’ work, including the time spent in preparing the apparatus, a job I could not begin until I had our new planers. When it was done I was able to make a perfect job of the great engine beds already mentioned, and other work which was waiting for it.

Among the old tools was one large drilling-machine, the size of which and the strength of its framing impressed me very favorably;[303] but when we came to use it we found it would not drill a round hole. This defect could doubtless have been remedied by grinding the spindle, when we got a tool in which to do it, and fitting new boxes. It was determined, however, by Mr. Goodfellow and myself, that it would not be worth while to bother with it, because it had been so badly designed that the two traversing screws for the compound table, with which it was furnished, were located centrally, and so crossed each other exactly under the spindle. It was therefore impossible to use a boring-bar in this tool, and its usefulness was ridiculously disproportioned to its size. The contrast between it and the Smith & Coventry drill, which was set in its place, was really wonderful. We had no trouble in disposing of this and all other rejected tools to parties who were delighted to get them cheap. It took us about six months to get rid of all the rubbish and fill the works with the best tools then obtainable, though still deficient in many respects, as, for instance, the great planer, which had only one cutting tool on the cross-slide, whereas a planer of that size should be provided with four cutting tools—two on the cross-slide and one on each upright, and should be twice as heavy.

One of the first engines we sold was to D. M. Osborne & Co., the celebrated makers of mowers and reapers in Auburn, for driving their rolling mill. This was 18×30-inch engine, making 150 revolutions per minute, and was the fifth engine I had furnished to different industries in my native town.

Twenty-five years afterwards I saw this engine running. They had increased its speed. By means of a large ball on projections of the forked lever they were able to vary the speed from 200 revolutions to 250 revolutions per minute, according to the sizes they were rolling.

I observed that, as our facilities for doing work were increased, the belief that I was unable to execute orders became general through the country, and applications, at first numerous, dwindled to almost nothing. United and well-directed action would soon have put a new face on matters, but now I was to meet with obstacles that time could not overcome.

Mr. Merrick was an amiable and high-toned gentleman, whose sole aim was to do his duty; but he was exactly the wrong man[304] for the place. He was not an engineer or mechanic. In the firm of S. V. Merrick & Sons he had been the office man. He was entirely a man of routine. He seemed obtuse to a mechanical reason for doing or not doing anything. Of course he knew nothing about my business. He was impressed with the idea of the omnipotence of the president, which in his case was true, as the directors would unanimously approve of whatever he might do. He at once deprived me of the power of appointment and discharge in my own department, arrogating all authority to himself. In addition he was naturally a very reserved man, I may say secretive. He consulted me about nothing. I never knew what he proposed to do or was doing until I found out afterwards. He had grandly confessed his first two blunders, but unfortunately he continued to make mistakes equally serious to the end of the chapter.

About the first order we had was from a company formed for lighting the streets in Philadelphia with arc lights, of which Thomas Dolan, a prominent manufacturer in Philadelphia, was president. Our order was for eight engines, 8×16 inches, to drive eight Brush dynamos each of 40-light power. The order was given to Mr. Merrick. I never saw Mr. Dolan; his own mill was at the northern end of the city, and he met Mr. Merrick by appointment at lunch in the business center, to which conferences I was never invited. When the plant was in operation I heard incidentally that they had a new engineer at the electric-light works, and I thought I would go up and make his acquaintance. I went the same evening. I was met at the door by a stranger who politely showed me the plant. I did not introduce myself. He asked me if I were interested in electric lighting. I told him I was not but might be. He said it was his duty to warn me against the use of high-speed engines; he should not have advised these, but found them already installed when he took charge of the place, and he was doing the best he could to make them answer for the present, but the works would be greatly enlarged after a while, when these engines would be gotten rid of and proper engines substituted in place of them. He called his assistant to corroborate his statement of the difficulty they had in getting along with them. I listened to these outrageous falsehoods[305] and looked around and saw the eight engines running smoothly and silently at 280 revolutions per minute, each engine exerting the power of four engines of the same size, at the old maximum speed of 70 revolutions per minute, and giving absolutely uniform motion without a fly-wheel, and said nothing.

The next morning I made an early call on Mr. Dolan at his office. I introduced myself to him, although I think he knew me by sight. I told him the state of affairs I found at the electric-light station and received from him in reply the following astounding statement. He said: “Mr. Porter, when this company was formed I selected the Southwark Foundry as our engineers. I had previously become acquainted with the running of some of your engines and had come to the conclusion that they were just what we needed; accordingly I ordered our first engines from you. I assumed the engineering department of this enterprise to be in your hands, and that you would be represented here by an engineer selected by yourselves and devoted to your interest. Accordingly, when your men had finished their job I applied to your president to send me an engineer. He sent me a workman. That was not the kind of man I asked him for; the engines were in charge of workmen already from your own works. I wanted an educated man who could represent us in the courts and before the city councils—in short, an engineering head for this business, now in its infancy, but which was expected to grow to large proportions. He ought to have known what I wanted, or if he did not he should have asked me; his whole manner was entirely indifferent, he seemed to take no interest in the enterprise.

“Seeing I could get no help from Mr. Merrick, I applied to William Sellers for an engineer. He sent me a young man from his drawing-office, and I soon found out he was not the man I wanted; he knew nothing about a steam-engine—was merely a machine-tool draftsman—so I found I must rely upon myself. The only man I could think of was this man I have. He had done some good work for me two or three years ago in repairing one of my engines, so I offered him the position, which he accepted. I knew nothing of his engineering preferences; he seems to be doing very well, and I am afraid he will have to stay;” and stay he did.

[306]

The result was most remarkable. A demand for electric-lighting plants was springing up in all parts of the country. This became widely known as a pioneer plant, and was visited daily by parties who were interested in such projects. These visitors were met at the door by the engineer and his assistant and were warned, just as I was, to have nothing to do with a high-speed engine. They were always business men, quite ignorant of machinery, and with whom the testimony of two practical men who had experience with the engines and were actuated in their advice by a sense of duty was conclusive. The result was that we never had a single application to supply engines for electric lighting. Yes, we did have one application; a man came into the office when I was there alone and gave me an order for his mill and apologized to me for giving it. He said the place where he was obliged to locate his lighting plant was so limited, he found he could not get in the engine he wanted.

This result I felt especially exasperated at when a year afterwards the secretary of the lighting company, who had his office at the station, told me that he had done something of which he knew his directors would not approve; he had sold every light they were able to furnish. He had felt safe in doing this, because no one of the engines had failed them for an instant. For his part he could not see what those men were there for—they had absolutely nothing to do except to start and stop the engines as required and attend to the oiling. Their principal occupation seemed to be waiting on visitors.

This great disaster would have been avoided if Mr. Merrick had conferred with me with respect to Mr. Dolan’s most important request. We should have had a man there who would have told the truth about the engines, and would have impressed every visitor with the enormous advantage of the high-speed engine, not only for that service, but also for every use to which steam power can be applied.

It will be observed that this disaster was widespread and continuous. It not only caused a great immediate loss, but its ultimate injury was beyond all computation. Its effect was that the Porter-Allen engine was shut out of the boundless field of[307] generating electricity for light and power purposes, a field which was naturally its own.

The following story is too good to keep, although the incident had no effect that I am aware of to accelerate my downward progress. While in Newark I had built for Mr. Edison an engine for his experimental plant at Menlo Park. The satisfaction this engine gave may be judged by what follows: One day I had a call from Mr. Edison, accompanied by Charles L. Clarke, his engineer. They had been walking very rapidly, and Mr. Edison, who was rather stout, was quite out of breath. As soon as they were seated, without waiting to recover his wind Mr. Edison began, ejaculating each sentence while catching his breath: “Want a thousand engines.” “Thousand engines.” “Want you to make the plans for them.” “Have all the shops in New England working on the parts.” “Bring them here to be assembled.” “Thousand engines.” In the conversation that followed I gently let Mr. Edison down, not to the earth, but in sight of it. The result was that two or three weeks afterwards I was injudicious enough to accept from him an order for twenty-four engines, luckily all of one size and type. This was to be a rush order, but it called for new drawings and patterns, as he wanted a special proportion of diameter and stroke, larger diameter and shorter stroke than those in my table. Before the drawings and patterns were completed, Mr. Edison, or the people associated with him, discovered that they had no place to put more than six of these engines, so the order was reduced to six. These were for a station which was being prepared on the west side of Pearl Street, a few doors south of Fulton, New York City. Three of these engines were finished first. After they had been running a few days a defect of some kind, the nature of which I never knew, was discovered, and Mr. Edison’s attention was called to it. He charged it to the engine, and exclaimed impetuously, “Turn them out, turn them out!” It was represented to him, however, that they could hardly do this, as they were under contract for a considerable amount of light and power, and the current was being furnished satisfactorily. “Well,” said he, “we’ll have no more of them at any rate,” so the order for the remaining three engines was countermanded, and three Armington & Sims engines were ordered in place of them. When these were started the[308] same difficulty appeared with them also. A fresh investigation disclosed the fact that the difficulty was entirely an electrical one, and the engines had nothing to do with it. Mr. Clarke claimed that had been his belief from the beginning. So the thousand engines dwindled to three engines sold and three thrown back on our hands. The two triplets ran together harmoniously until in the development of the electrical business that station was abandoned.

Directly after we began to do work, Mr. E. D. Leavitt brought us the business of the Calumet and Hecla mine. This was then the largest copper mine in the country, owned by a Boston company of which Mr. Agassiz, son of the great naturalist, was president. He brought it to me personally on account of his admiration for the engine, and also for the character of work which I had inaugurated. His first order was for an engine of moderate size. While that was building he brought us a small order for a repair job, amounting perhaps to a couple of hundred dollars. That work was spoiled in the shop by some blunder and had to be thrown away and made over again. By accident I saw the bill for that job; a green boy brought it from the treasurer’s desk for Mr. Merrick’s approval. We both happened to be out, and by mistake he laid it on my side of the table. I came in first, picked it up and read it, and saw that it was for the full amount of the material and work that had been put on the job. It seemed to me quite double what it ought to be. I laid it on Mr. Merrick’s side and, when he came in, told him how I came to see it, and I thought it should not be sent, being so greatly increased by our own fault. “Oh,” said he, “they are rich; they won’t mind it.” I said: “That is not the question with me; I don’t think it is just to charge our customers for our own blunders.” He smiled at my innocence, saying: “If a machine-shop does not make its customers pay for its blunders, it will soon find itself in the poorhouse.” “Well,” said I, “I protest against this bill being sent.” However, it was sent, and in the course of a few days a check came for the full amount, and Mr. Merrick laughed at me. Weeks and months passed away and we had heard no more from Mr. Leavitt, when I met him in New York at a meeting of the council of the Society of Mechanical Engineers. When the meeting was over he invited me to walk with him, and said to me: “I suppose you have observed that I have not visited the Southwark Foundry lately.” I told him I had observed it. He then said: “Do you remember that bill?” I told him I did very well, and how vainly I had protested against its being sent. He said: “When that bill was brought to me for approval, I hesitated about putting my initials to it until I had shown it to Mr. Agassiz. I told him what the job was and the bill was quite twice as large as I had expected. He replied, ‘Pay it, but don’t go to them any more,’ and I have taken our work to the Dickson Manufacturing Company at Scranton.” I realized that I had lost the most influential engineering friend I had since the death of Mr. Holley. I heard some years after, and believe it, though I do not vouch for its correctness, that the work sent to the Dickson Manufacturing Company through Mr. Leavitt had in one year exceeded one hundred thousand dollars.

E. D. Leavitt

[309]

Some time previous to these events, Mr. Merrick had done a very high-handed thing. Assuming supreme power as president of the company, he had invaded my department, and, without a word to me, had appointed over Mr. Goodfellow a superintendent to suit himself, reducing Mr. Goodfellow to be general foreman of the machine-shop, to take his orders from the new superintendent and not from me, whereupon Mr. Goodfellow resigned, and accepted a position as master mechanic in the Pennsylvania Steel Works, and by his advice the engine ordered by them from me was taken from the Southwark Foundry in its incomplete condition and finished by themselves under Mr. Goodfellow’s direction. Mr. Merrick then filled Mr. Goodfellow’s place with another friend of his own as general foreman, a man who would have been as valuable as a stick of wood but for his incessant blunders. I was fully alive to the arbitrary nature of this usurpation, but was entirely helpless, knowing perfectly well that the directors would sustain the president in whatever he did.

With the coming of the new superintendent, the fatal change took place. He came, first of all, full of the superiority of Philadelphia mechanics, and, second, feeling that in the nature of things I must be entirely ignorant of anything mechanical. I was nothing[310] but a New York lawyer; never did a day’s work in a shop in my life; had gone into a business I was not educated to and knew nothing about. My presuming to give orders to mechanics, and Philadelphia mechanics too, filled him with indignation. He would not take an order from me—perish the thought—and as for my drawings, he would depart from them as much as he liked.

All this appeared by degrees. I observed on the floor several cylinders fitted up, in which the followers for the piston-rod stuffing-boxes were made sliding fits on the rods. I asked him why he had made them in this way when they were drawn and figured to be bored ¹⁄₃₂ inch larger than the rod. He replied, “Because this is the way they ought to be.” I told him every one of them would be fired before the engine had run an hour; that I wanted him to bore those followers to the drawings, as well as the cylinder heads back of the stuffing-boxes. “It shall be done, sir,” said he. On examining them after this had been done, I found he had turned as much off from the outside of the followers as he had bored out of the hole. I asked him why he had done that. He said he supposed if I wanted the inside to be loose, I wanted the outside to be loose too. I told him I did not. He asked me why. I told him he was not there to argue with me; I wanted him to throw those followers away and make new ones precisely to the drawings, and I saw to it myself that it was done. I went to Mr. Merrick about this matter, and can the reader imagine what his reply was? “My advice to you, Mr. Porter, is to leave all such matters to the superintendent.” Think of it; an amateur president assuming the direction of my business, and giving such advice to me, who never had left the least thing to anybody, and without considering the fact that the action of his superintendent would be ruinous, except for my interference. I realized that I was absolutely alone, but I felt very much like fighting the whole world. The above incident is a fair sample of my constant experience. I was on the watch all the time. Many times I required the work to be done over when the superintendent departed from my drawings, and in doing it over he generally contrived to ruin the job, and would say, “Just according to your orders, sir.” I was reminded of a story told of Dr. Beman, a minister of Troy, N. Y., whose wife was peculiar, to say the least. On a certain occasion the presbytery met in Troy, and one evening he invited its members to his house, and told his wife to provide just a light supper. When they were ushered into the supper-room there was nothing on the table but lighted candles. “A light supper,” said she, “just as you ordered, sir.”

Samuel T. Wellman

[311]

I proposed to appoint an inspector to represent me. The general foreman said if an inspector were appointed he should resign, and Mr. Merrick forbade it. Was ever a man in so helpless and ridiculous a position?

Engine diagrams

February 2nd

Porter-Allen Engine—40×48
Otis Iron and Steel Co.
93 Rev. } Cleveland,
84 Lbs. April 14, 1882

 

The second of the large engines which I finished was for the Otis Steel Works. I went to Cleveland myself to start the engine and found that Mr. Wellman, the general manager, had it running already. Mr. Otis, the president, was very much pleased with it, and well he might be. This was the first mill to roll plates from the ingot to the finish without reheating. These were the kind of diagrams it made. It will be observed that these were taken at different times and under different pressures. Unfortunately the right hand one is the only diagram I have from the crank end of the cylinder. In rolling these heavy plates the changes were made instantaneously from full load to nothing and from nothing to full load. The engine made 93 revolutions per minute, and it will be seen that the changes were made by the governor in a third of a second or less, the speed not varying sensibly. Mr. Otis said to me: “Oh, Mr. Porter, what shall I do with you? You cannot imagine the loss I have suffered from your delay in furnishing this engine.” I said: “Mr. Otis, you know the terrible time I have had, and that I have done the very best I could.” “Yes,” he said, “I know all about it.” He[312] had, in fact, been to Philadelphia and seen for himself. He added: “You make a small engine suitable for electric lights; what is the price of an engine maintaining twenty-five arc lights?” I told him $1050. “Well,” said he, “you strike off the odd fifty and let me have one for a thousand dollars, and we will call it square,” so I had some sunshine on my way. I present a portrait of this just man. The engine is now running as good as new after twenty-five years, and the company five or six years afterwards put in another 48×66-inch to drive a still larger train.

I had a funny experience at the Cambria Works which has always seemed to me to have been prophetic. In August, 1881, the Society of Mechanical Engineers held a meeting in Altoona, and the Pennsylvania Railroad Company gave us an excursion to Johnstown to visit the works of the Cambria Company. The anticipations of the members were expressed by Jackson Bailey, then the editor of the American Machinist. As I was going through a car in which he was seated he called out to me, “This is your day, Porter.” The party was taken in charge by Mr. Morrell, the general manager. Our route took us first to their new blast-furnaces, where considerable time was spent in examining their new and interesting features. Next we came to my second engine, started some two months before. The engine was just being slowed down; we were told there were not yet furnaces enough to keep the train running continuously, so they were shut down from half an hour to an hour between heats, and a heat had just been run off. We went next to see my rail-mill engine, which had raised the output of that mill 150 per cent. That too had been shut down. They had just broken a roll, a most rare accident and one which I had never before seen or heard of there. “Well, gentlemen,” said I, “at any rate I can show you my engine driving a cold saw.” Arrived at the spot, we found that all still, and were told that sawing cold rails was not a continuous operation, we had hit upon the noon hour, and the men had gone to their dinner. That was the end of the show, as far as I was concerned. The Gautier Works were a mile away and were not included in our visit, so we were entertained with the great blooming-mill in operation and the casting of the enormous ingots for it, and after the customary luncheon and speeches we returned to Altoona.

Charles A. Otis

[313]

One day the superintendent came into the office and told me he had tried my machine for facing nuts and it would not work. I felt disappointed, because I had confidence in it. I went out to see what the matter was, and at a glance I saw that it had been ingeniously arranged not to work. The feed had been made rapid and the cutting motion very slow, so that the tools could not take their cuts and the slow-moving belt ran off the pulleys. I did not reduce the feed-motion, but increased the speed of the cutters and the belt some eight or ten-fold, when the trouble vanished. I never knew anything to work better than that tool did.

Porter-Allen Engine 40″×48″ #207
Dash pot for Governor.

The burning anxiety of the superintendent was to show up my ignorance. A first-rate chance to do so soon seemed to present itself. The counterpoise of the governor of the Otis engine dropped instantly to its seat when a plate struck the rolls and as instantly rose to the top of its range of action when it left them. This made a noisy blow which was disagreeable and might in time cause an accident. Mr.[314] Wellman sent me a sketch of a device he had thought of for arresting this motion by air-cushions. I told the superintendent to have that apparatus made and make the air-cushions four inches in diameter. He said four inches diameter would not answer; they must be eight inches. “No,” said I, “four inches diameter is ample; make them four inches.” A few days after he called me into the shop to try my four-inch air-cushions. I found the apparatus secured in a vise in a vertical position. I took hold of the lever and lifted the piston; it met with no resistance until it struck sharply against the end of the chamber. For a moment I was stunned by the man’s audacity, and threw the piston up and down again to make sure it was not a dream. I then turned my back on the superintendent and called to a boy to find Mr. Fulmer, the foreman of the second floor, and tell him I wanted him here. In a moment he appeared, and I said to him: “Mr. Fulmer, I want you to make a new piston for this apparatus and make it a proper fit; you understand.” Mr. Fulmer bowed assent. I added: “There will be time to-day to get it into the sand, and it can be finished early to-morrow. When it is ready for my inspection come yourself to the office and let me know.” About the middle of the next forenoon Mr. Fulmer called for me. I went in and found the piston arrested at each end of its motion by a perfect air-cushion. “All right,” said I, “see that it is shipped to-day.”

Mr. Fulmer was an excellent mechanic and a man of good general intelligence; he would have made the piston a proper fit in the first place if he had not been expressly ordered to make it loose and useless. The superintendent, on his persistent assumption that I was a fool, had actually expected me to say when I tried the apparatus: “Oh, I see, four inches diameter will not do. You will have to make it eight.”

Some time in 1881 or 1882 I had a queer experience with an engine for the New York Post Office. It was to take the place of an engine then running. The engineer of the Post Office informed me that this engine had a cylinder twelve inches in diameter. I told him it looked to me from the external dimensions that the diameter must be fourteen inches and asked him to take off the back head and measure it for me. He wrote me a few days after that he found that he could not get the back head off, but I might rely upon it being twelve inches. So I did rely upon it being fourteen inches, furnished an engine accordingly, and found it to be the size needed.

Daniel J. Morrell

[315]

Some time after the engine was started I received a line from the Postmaster saying they were much disappointed in it. They expected a gain in economy, but they were burning more coal than before, also that the engine pounded badly. I went to New York to see what the matter was. The engine seemed to be working all right except for the knock, so I made my way down to the sub-cellar. There was nothing there but the boilers and the engineer’s desk. On the cellar stairs, after I had shut the door behind me, I heard a loud sound of escaping steam. The boilers were under the middle of the building; a four-inch steam-pipe ran from them a distance of about eighty feet, suspended from the ceiling, to a point under the engine, then turned up through the floor to the under side of the steam-chest. The exhaust pipe, of the same size, came from the engine through the floor and was carried parallel with the steam-pipe to the middle of the building and upward through the roof. The two pipes were about eighteen inches apart, and in the vertical portions under the ceiling they had been connected by a half-inch pipe having a globe valve in the middle of its length. The valve-stem was downward and the valve set wide open. The noise I heard was caused by the steam rushing through this pipe. I computed that about as much steam was being thus blown away as was used by the engine. My first impulse was to call upon the Postmaster and tell him what I had found, but I decided not to bother him. I could not reach the valve to close it, but discovered a box used for a step to an opening in the wall, so I brought that out and standing upon it was able to close the valve; then the noise ceased and I put the box back.

There was no one in the cellar but a boy firing the boilers. I asked him if he knew who put that pipe there. He knew nothing about it, but supposed our men put it there when they set up the engine. I hunted up the engineer and asked him the same question, and got the same answer. I went to the people who did the engineering work for the Post Office and who had put in the pipes; they knew nothing about it. I could find out nothing,[316] but had to content myself with telling the engineer that I had closed the valve and relied upon him to keep it closed. I asked him what he thought caused the thump in the engine; he said he had not the slightest idea, but he would try to cure it. I contented myself with writing to the Postmaster that I had removed the cause of the waste of steam and hoped he would now find the engine satisfactory. Soon after Mr. Merrick was in New York for two or three days. When he came home he said: “I have cured the thump in that Post Office engine.” “How did you do it?” I asked. He replied: “I gave the engineer a twenty-dollar gold piece, and when I went to see it the next morning the thump was gone.” I should add that when the old engine was taken down I had the back cylinder head removed, which was done without difficulty, and found the diameter fourteen inches. “For ways that are dark and tricks that are vain” this engineer was “peculiar” in my experience.

I had brought with me from Newark an order from the Willimantic Linen Company, who were manufacturers of cotton thread, for two engines for quite an interesting application. They were building a new mill entirely unique in its design, which has never been repeated, being an ignorant freak. It was a one-story mill 800 feet long and 250 or 300 feet wide, intended to contain five lines of shafting. Each line was independent and drove the machinery for all the successive operations from opening the cotton bales to packing the spools of thread. These lines of shafting 800 feet long were to be in the basement and to drive these machines by belts through the floor, the engine to be in the middle of each line. For this purpose I supplied a pair of condensing engines, 11 inches diameter of cylinder and 16 inches stroke, making 350 revolutions per minute, with their cranks set at right angles with each other in the line of shafting. These required no fly-wheel and would start from any position. I had a great deal of trouble with this order on account of the delay in its execution, so much so that before the first engine was finished the order for the second one was countermanded, and this order was placed with the Hartford Engineering Company, a new concern which was foolish enough to undertake the same speed. However, after my first engine was started they found themselves face to face with an impossibility[317] and had to throw up their contract, whereupon the president of the company became very civil and asked me to be kind enough to make the second engine for them, which I was quite happy to do, as I had on hand the peculiar bed for these engines, which I did not break up after the order was countermanded, but had it set up against the wall of the shop in readiness for what might happen. These two engines were both in successful operation when my own operations ceased; the remaining three engines were to be added as their business required.

The engineer of that company was an original investigator. He had a battery of return-tubular boilers, each one crammed full of tubes according to the usual methods of boiler-makers. He provided himself with pieces of lath one inch wide, one eighth of an inch thick, and four inches long, and laid one in the front end of each tube in one of his boilers and left them there for twenty-four hours. He had made a diagram of his boiler on which he numbered every tube and put a corresponding number on every piece of lath. In taking them out they presented an astonishing revelation, which he showed me. Some of the pieces were burned almost to a coal and some were scarcely discolored, while the great body of them presented various effects of heat between these extremes. These showed distinctly the enormous differences in the temperature of the gases passing through the different tubes, and that fully one half of the tubes did little or no work in evaporating the water. They taught a lesson which boiler-makers, who count every additional tube they can get into a boiler as so much added heating surface and rate their boilers accordingly, have no anxiety to learn, but which I afterwards turned to good account, as will be seen.

About the last and the most interesting engine that I built while in Philadelphia was one for the firm of Cheney Brothers, silk-manufacturers, of South Manchester, Conn. This was a cross-compound, the first and the last compound engine that I ever built, and it is the only engine in this country to which I applied my condenser. The cylinders were 12 and 21 inches in diameter, the stroke 24 inches, and the shaft made 180 revolutions per minute. The condenser presented a new design in one respect; the air-pump was double-acting and made only 45 double strokes per minute, being[318] driven by a belt from the engine shaft and the motion reduced by gears 1 to 4. This engine ran perfectly from the start, and I looked forward with confidence to a demand for many more of the same type. The diagrams made by it are here reproduced.

Scale, 1″ = 32 Lbs.

Atmosphere

Scale, 1″ = 16 Lbs.

Atmosphere

Diagrams from my First and Only Compound Engine.

I have a pleasant memory connected with this engine. The silk-mill is located in a very large park, scattered about which are the residences of different members of the family. About twelve years after the engine was built, in company with my wife, I was visiting relatives in Hartford, from which South Manchester is about twelve miles distant. One day we were driven over there with our friends to make a social call. On our arrival I left the party to make a visit to my old engine. The mill seemed to have been changed very much, and I lost my way. Finally I recognized, as I thought, the old engine-room and went in. My engine was not there, but in its place stood another engine, a pair of tandem compounds[319] of much larger dimensions. These had evidently just been erected, as they stood idle. “Oh, dear,” said I to myself, “my engines have been superseded for some reason or other.” While I was indulging in that reflection the engineer came in. I introduced myself and said to him: “I see that my old engines have been supplanted.” “Oh, no,” said he, “your engines are all right; they are running just where they always have been. They have built a new mill twice as large as the old one, and your engines have been giving such satisfaction they have ordered another pair of compounds from the Southwark Foundry, and these are the engines; they have not been started yet, as the mill is not ready for them and won’t be for a month.”

He directed me to the old engine-room, where I found my engines gliding away as though they had been erected yesterday. At that time I regarded these engines as only a stepping-stone to far higher things. I was engaged on a plan for a great development of the high speed system, but which has not materialized. I still consider it as on the whole superior to the turbine, a superiority, however, which may never be established.

In the spring of 1881, in our anxiety to revive the manufacture of the engine, we were foolish enough to send one to the Atlanta exhibition. We eagerly believed the promises of the agent that we should find all the machinery that we wanted to drive, and sent an engine finished with great care, and a skillful man to erect and run it. We also printed the heading of a lot of diagrams, to be given to visitors. The facts were found to be that we had nothing to drive but an idle line of shafting and one Clark’s spool-winder, while the exhaust main was so small and choked with the exhausts from other engines that we had a back pressure of ten pounds above the atmosphere; so we could take no diagrams; and the fact that we did not take any was used as a conclusive argument against high-speed engines; so the exhibition did us harm instead of good.

I pass over other distressing experiences at the works, and come at once to the final catastrophy in the late fall of 1882.

Another exhibition opened in the fall of 1882, for which I made great preparations, and from which I anticipated important results. This was the exhibition of the New England Manufacturers’ and[320] Mechanics’ Institute, held in Boston. I obtained an important allotment of space with plenty of machinery to drive, and, besides a fine engine, sent a large exhibit of our finished work, in the parts of several sizes of engines, expecting to attract the attention of all New England manufacturers. I prepared for a regular campaign. I rented an office and engaged a young man to represent us in Boston as our agent, and another, Mr. Edwin F. Williams, to travel and solicit orders and take the charge of erecting engines. Our engine arrived without a piston. Mr. Merrick had thought he had found a defect in the piston, and ordered another one to be made. When we came to put the engine together in the exhibition, this piston would not enter the cylinder. On examination it was found to have been turned conical, the bases of the two cones meeting in the middle, so the middle was one eighth of an inch larger in diameter than the faces. We had to get a coarse file and file down the middle of the piston all around until it would enter the cylinder. Then I had a great disappointment—the greatest I ever experienced—the engine thumped badly on both centers. The only way in which we could stop the thumping was by shutting off the steam until the initial pressure was brought down to the height reached by the compression of the exhaust. In this plight we had to run through the exhibition. We could not take a diagram and had to watch the engine constantly, for whenever the pressure rose ever so little too high in the cylinder it would begin to thump. I attributed this to the shocking condition of the surface of the piston. I could not comprehend how this should cause the thump, but it must be that, for I could conceive of nothing else that could produce it. This thump made my exhibition a total failure, and necessitated the abandonment of all my plans.

At the close of the exhibition I went home utterly discouraged. When I went into the shop the first person I met was the foreman of the lower floor, where the engine had been built. I told him of the plight in which I found myself placed and to which I attributed my failure. The fellow gave me the lie direct, saying with a conceited smirk: “It is impossible, Mr. Porter, that any such work as you have described can have gone out of this establishment.” I turned on my heel and left him, and in less than half a minute[321] I saw at a distance of fifty feet a 22-inch piston being finished for an engine we were building for the Tremont and Suffolk Mill. The workman had finished turning the piston and was then cutting the grooves for the rings. The reflection from the surface showed me the same two cones meeting in the middle. I went up to the lathe, the back side of which was toward me, and told the workman to stop his lathe and bring me a straight-edge. This rocked on the edge in the middle of the piston, opening nearly one eighth of an inch on each face alternately. I sent a boy to find the foreman and asked him what he thought of that and left him. I had influence enough to have both the foreman and the workman discharged that night. Think of it; superintendent, general foreman, the foreman of the floor, and workman, altogether, never saw what I detected at a glance from the opposite side of the shop.

I want to stop here to express my disgust with the American system of making the tailstock of a lathe adjustable, which enables either an ignorant, careless or malicious workman to ruin his work after this fashion. To their credit, English tools have no such feature.

The very next day we received a call from Mr. Bishop, the engineer of the works of Russell & Irwin at New Britain, Conn., to tell us that their engine just put in by us had a very bad thump which he was afraid could not be cured as it was evidently caused by the piston projecting over the admission ports when at the end of its stroke. “Impossible,” I exclaimed; “I never made such an engine in my life.” I should here state that in experimenting with the first little engine that I made before I went to England, I at first made the piston project over the port one quarter of an inch, and the engine thumped. I satisfied myself that this was caused by the impact of the entering steam against the projecting surface of the piston, driving it against the opposite side of the cylinder; this was aggravated in high-speed engines. In this case the engine made 160 revolutions per minute and the steam was admitted through four simultaneous openings, so it entered the cylinder with great velocity. I turned a quarter of an inch off from each face of the piston, and the thump disappeared. I then made it a law from which I never varied, that the piston[322] should come to the admission port and not project over it at all, and this feature was shown in every drawing.

Mr. Bishop replied to me: “It does project, Mr. Porter; it projects seven eighths of an inch over the port at each end of its stroke, for I have measured it.” I rushed up to the drawing-office and called for the horizontal sectional drawing of that cylinder, and there I saw the piston not only drawn, but figured—projecting seven eighths of an inch over the port. I felt as though I were sinking through the floor. That was what had ruined my Boston exhibition and sent me home disgraced and broken-hearted and the badly fitting piston, shameful as that was, had nothing to do with it. The first question that occurred to me was: “How came this drawing to exist and I to know nothing about it?” The answer to this question was simple.

When the first pair of Willimantic engines was started I was disappointed in their economy, and made up my mind that the excessive waste room was accountable for it. The proportion of cross-section area to the stroke being fifty per cent. greater than in my table of sizes increased in the same degree the proportion of waste room to the piston displacement. I felt that there was need here for improvement. By far the greatest amount of waste room was in the exhaust ports. I accepted a modification of the exhaust valves by which this item of the waste room was reduced fully one half and made a new pair of cylinders for this engine. The improvement in the economy was so marked that I determined to change the exhaust valves of all the engines. Only the exhaust valves and ports needed to be changed. These were drawn anew in pencil and carefully studied and approved of by me. It was necessary that the entire combined cylinder drawing should be retraced, but this, except only the exhaust ports and valves, was to be copied over the existing tracings. This did not require my attention, and I gave no thought to it. Here was the superintendent’s opportunity. In copying these tracings he had only to move the straight line representing each face of the piston on the longitudinal section of the cylinder seven eighths of an inch, thus adding this amount to the piston at each end, and shorten the cylinder heads to correspond, and the job was done; and there did not exist among the large number of persons in the drawing-office and shop who[323] must have been aware of this change, loyalty enough to let me know anything about it.

We had also recently finished two engines for the Cocheco Mill at Dover, N. H., and about this time we received a letter from the superintendent of that mill expressing his admiration of the engines in every other respect, but complaining of a bad thump in the cylinders. He said he would be glad to invite the superintendents of other mills to see them, but he could not show the engines to anybody until that thump was cured.

I went directly to the president and demanded authority to change the pistons and heads of these engines. To my astonishment he refused point-blank, saying he had spent money enough on these alterations, and he would not spend another cent. I replied to him that there was one other alternative and that was to abandon the business, to which he made no reply. But why did I need to go to the president; why not make these changes myself? The answer to this question is very humiliating to me. An account had been made up of the cost of the alterations here described and presented to the board of directors, showing this to amount to $20,000. I was aghast at this statement; I had never seen a figure pertaining to the business, except the single bill already mentioned. I told the directors that any good pattern-maker would have taken the contract to alter those exhaust valves and ports on our twenty sizes of cylinders for an average price of fifty dollars each, and made a profit of fifty per cent. in doing it. The cost of the new drawings and the price of cylinders for the Willimantic engine could not more than double this sum, and by some hocus-pocus this $2000 had been changed to $20,000; probably by transfer from other losing accounts. The president replied that was the cost of the alterations as it appeared on the books, and the directors, without making any investigation, adopted a resolution that no further alterations should be made unless expressly ordered by the president.

I did not believe that in making this addition to the length of the piston the superintendent had any intention to wreck the business. He could have had no idea of its fatal nature; his only thought was to make a considerable further reduction of waste room and gratify his itching to change my drawings. But of course doing this without my knowledge was criminal, and should[324] have caused his instant discharge; but his whole conduct from the beginning had been the same and the president had sustained him. I had no opportunity to pursue this matter further.

On receiving the president’s refusal I determined to appeal to the directors, but first I thought I would lay the matter before Mr. Henry Lewis, whom I regarded as the most open-minded of all. What was my amazement when, after listening to my statement, he replied: “We shall sustain the president, Mr. Porter.” Then I knew the end had come. It was idle for me to butt against the Philadelphia phalanx. A day or two after a committee of the directors headed by Mr. Shortridge, called at the office and asked to see our order book. This showed that in more than a month preceding we had not received a single order. On this state of affairs it was evident to the directors that a change must be made in the management. I had long realized that the great gulf that I had dug between the stockholders and myself, as already described, had never been filled. Neither the directors as a body, except on the single occasion already mentioned, nor any director individually, had ever conferred with me on any subject whatever. They knew nothing, except what they might have learned from the president; he had no mechanical knowledge or ability to form a mechanical judgment, and the superintendent influenced him in a degree which to me was unaccountable. His want of comprehension of the business was shown in his answer to the life-or-death question which I had presented to him. The next day I received a communication from the directors requesting me to send in my resignation, which I promptly did. Mr. Merrick was also requested to resign. This was evidently a put up job, to let me down easy. Mr. Merrick had for some time expressed a wish to be relieved from his position which he found very uncomfortable.

The directors elected as president one of their own number, who had nothing else to do, to sit in the president’s chair and draw his salary, and committed the practical management of the business to an oily-tongued man who had never seen a high-speed engine, and whose qualifications for the position were that he was a friend of one of the directors and was a Philadelphian, and who I learned received a large bonus for leaving his own business and accepting the position vacated by me.

Benjamin F. Avery


[325]

CHAPTER XXVII

My Last Connection with the Company.

I

I will close this account of my engineering experience by relating two incidents.

Among the orders which I brought from Newark was one from the firm of B. F. Avery & Sons, plow-manufacturers, of Louisville, Ky., the head of which had first established the manufacture of plows in the Southern States. Mr. George Avery, one of the sons, had come to me and asked for a list of the engines I had running, and took the pains to visit a number of them, also those of other prominent builders, and as a result of this extended comparison he brought me his order for an 18×30-inch engine, with strong expressions of the manifest superiority of the high-speed engine. This engine was about the first one I finished in the Southwark Foundry. By great carelessness it was permitted to go out without the crank-pin being hardened and ground, which was contrary to my invariable practice. The man who erected the engine left the crank-pin boxes too loose, and young Mr. Avery, who was quite an amateur mechanic, undertook to tighten them up; he succeeded in heating the pin and causing it to be badly torn. He made the best job of it that he could with a file, and the engine ran in that crippled condition.

Soon after I left Philadelphia, they concluded they ought to have a hardened crank-pin and wrote to the Southwark Foundry respecting it. They received a reply that it would be necessary to take the shaft out and send it to Philadelphia, and their works would need to be interrupted about three weeks. The firm then wrote to me in New York asking me to come to Louisville and examine the engine and advise them what to do, which invitation I[326] accepted. The letter to the Southwark Foundry had been written by their manager, and in it he stated that the engine pounded so badly that it could be heard two blocks away, it was so wasteful it was almost impossible to keep up steam for it, and that they lived in such dread of its breaking down that their hair was all turning white. I felt that this letter, after making full allowance for its obvious exaggerations, reflected pretty badly, not only on the engine, but also on the boilers. These were two return-tubular boilers which I had designed myself. I had reflected a good deal on the observation shown to me by the engineer at Willimantic, and had felt that tubular boilers needed a better vertical circulation. This was limited by the small space left for the descending currents, the sides being filled with tubes almost touching the shell. So I allowed a space five inches wide between the shell of the boiler on the sides and bottom and the nearest tubes, as it was evident to me that the water, filled with bubbles of steam, would rush up among the tubes fast enough if the comparatively solid water at the sides could only get down. I also left off the upper row of tubes to allow more space above them for the steam, and from this arrangement I anticipated very superior results.

On my arrival in Louisville I thought, before presenting myself at the office, I would go into the works, which was open to everybody, and see what the state of affairs really was. I was directed to the boiler-house, on entering which I saw that one of the boilers was idle. My first thought was that it had been disabled by some accident, and their being limited to one boiler accounted for the difficulty they experienced in supplying the engine with steam. I asked the fireman, who I found sitting in a chair, what had happened to put this boiler out of commission. He said, “Nothing at all. They used both boilers at first, but after a while they thought they did not need both, so they shut one down, and it has been shut down ever since.” “Well,” said I, “you must have to fire pretty strong to make one boiler answer.” “No,” said he, “I have been firing boilers over twelve years and this is the easiest job I have ever had.” He then showed me his thin fire and damper two thirds closed. So in two minutes I was relieved from a load of anxiety about both boiler and engine, for[327] I had before me the evidence of their phenomenal economy, and I gave the manager credit for one good square lie. I then asked him the way to the engine-room; he told me, “Right through that door.” I listened for the pound that could be heard two blocks away and heard a faint sound. On opening the door, which was opposite the crank, it was more distinct. There was no one in the engine-room, but while I was looking the engine over the engineer came in. I introduced myself and asked how the engine was doing. He said, “Very well, all but that little knock in the crank-pin.” I asked him if he had any trouble with it. He said, “None at all.” “No worry or anxiety?” “Never thought of such a thing,” he said.

A number of years after I met in New York a young gentleman, Mr. Benjamin Capwell, now of the firm of Kenyon, Hoag & Capwell, 817 Broadway, New York, who had been in the office of B. F. Avery & Sons at that time. I told him this story. He said he was not at all surprised; the boys in the office heard this manager every day dictating letters just as full of falsehoods as this one. I learned afterward that he held his position through a cabal in the company, and that soon after I was there the president succeeded in getting rid of him.

I was now ready to call on the president, Mr. Samuel Avery. He told me they would like very much to have a hardened crank-pin put in the engine, but of course they could not afford to interrupt their work seriously for that purpose. I replied there would be no difficulty about that. The present pin might be pressed out and a new one inserted in a few hours; all our work being made to gauge, the new pin would be sure to fit. I told him he might safely send an order to the Southwark Foundry to make the new pin, if they would agree to put the work into the hands of Mr. Williams, who was then in their employ, who should direct the manufacture of the pin without any interference, and himself go to Louisville and do the job. The Southwark Foundry agreed to these conditions, and the work was soon done.

While engaged on this proof I wrote to Mr. Williams for an account of setting this pin, and received from him the following interesting letter.

It will be seen that he took the safer but far more laborious[328] method, as no one then in the works could assure him about the crank having been bored to gauge.

It reads to me as if he found himself obliged to enlarge the hole just that one thirty-second of an inch.

The method of verifying the alignment of the pin with the shaft by means of a ground bubble level was originated by me in Newark; where I found also that the pin could be thrown by riveting.

42 Broadway, N. Y., Oct. 21, 1907.

Chas. T. Porter, Montclair, N. J.

My Dear Mr. Porter: In reply to your request of 14th addressed Cold Springs, I am pleased to give you such account of the crank pin work at B. F. Avery & Sons, at Louisville, in 1883, as my memory will admit of.

When I was instructed to do this work I received a letter from you stating that a new crank pin was to be put in and that it should be “hardened in a furnace,” allowing it to remain in a crucible with the carbon at a lowered heat for ten hours.

This was done and resulted in a fine job of hardening. The pin was then ground true and smooth. Don’t think I ever saw a prettier job.

The old pin had to be taken out and the new one put in. The exact diameter of the old shank was not definitely known. It was thought advisable therefore, to make the new shank about ¹⁄₃₂″ larger than the drawing dimension; so it would surely be large enough to admit of drawing the hole which I proposed to do by hand. Before leaving the works I had a hollow cast iron cylinder or trial plug made, about twice the depth of the crank pin hole in length, about ¹⁄₁₀₀″ smaller than the shank of the new pin and slightly tapered at one end.

We cut the bead off the old pin and tried a hydraulic jack on it, but it would not start. We then drilled five or six 1″ holes in the shank and the pin came out easily. The hole was then calipered and found to require considerable dressing. The crank shaft was then tried for level and found by turning in various positions and by using a very sensitive level, to deflect from the horizontal approximately ¹⁄₂ of 1000th of an inch per foot in length.

The hole was then enlarged by use of file and scraper, its adjustment being proven as the work progressed by frequent trials of level placed within the hole, at various points in the revolution of the shaft. Finally, the trial plug was worked[329] into the hole and used as a surface plate, the “high” spots being scraped down and the plug found to line with the shaft and the hole by caliper, found to be approximately ³⁄₁₀₀₀″ smaller than the shank of the pin. The pin was then forced in and found to stand nearly true. The small untruth was easily corrected in riveting up the back and the pin was thrown approximately ²⁄₁₀₀₀″ away from the center line of shaft rotation to offset the deflection that would be occasioned when running by the impact of the steam admission on centers.

I think it quite likely that the pin during the twenty-four years’ service up to the present date has worn scarcely a measurable amount.

Very truly,
E. F. Williams.

P. S. I saw the engine about 15 years ago and it was running very smoothly.

Some time after I had left, the company found that they needed a descriptive and illustrated catalogue of the engine, and they had no one to write it; so they came to me, and in my office in New York I prepared one for them, for which they gave me the credit by printing on the title-page and cover the line, “By Charles T. Porter.” I took the same pains with this that I should have done had I owned the whole place.

The following letter, referring to an engine made by me in Newark, was sent by the addressee to the Southwark Foundry with an order while I was engaged on their catalogue. They made a blue-print of it and sent it to me for insertion.

Youngstown, O., Dec. 21st, 1882

Mr. F. L. Waters
Mankato Minn.

Dear Sir

Your favor recd, making enquiry how we like the Porter Allen Engine: would say, we have now run it four years, it has never failed one minute or cost one cent for repairs nor varied a revolution from its speed, are using it now non-condensing but think of using a condenser before long. As we use it in connection with our water power, which is variable, sometimes too high and sometimes too low, making up the deficiency with the Engine, be it all or little, we do not know just how much coal we require for a Barrel in case we had no water, this much I think I know. That it is the finest Engine made, Simple, durable, and Economical, and always ready for effective duty.

[330]

We run a Buckeye in the Diamond Mill and a good Engine at our mine, but the Porter-Allen is my favorite by all odds, ours is 13×24, 160 Revolutions (never more nor less). They are now designed to run 200 Rev. for that size.

If neatness effectiveness durability and Economy & Steadiness is any object to you, you will always be glad you bought a Porter-Allen, or I am vastly mistaken.

I know that has been my experience. We now run constantly day & night the year round (Sundays excepted).

Respectfully Yours
Homer Baldwin

With the preparation of this catalogue my part in the development and introduction of the high-speed engine seems to have ended.


[331]

CHAPTER XXVIII

The Fall and Rise of the Southwark Foundry and Machine Company. Popular Appreciation of the High-speed Engine.

T

The reader may be amused by some examples which came to my knowledge of the achievements of the new management. The expensive new vice president was of course a mere figurehead, as he knew nothing of the engine or the business or my system of work, so Mr. Merrick’s superintendent had a free hand.

He adhered to his long pistons, and obtained silent running by an enormous compression of the exhaust steam, commencing soon after the middle of the return stroke and rising to initial. This involved a corresponding premature release of the steam during the expansion. Between the two, about one-third of the power of the engine was sacrificed, and they were in continual trouble from the failure of the engines to give their guaranteed power.

I had always advocated giving our attention as much as possible to large engines, where all the profit lay. My views had so much weight that, unknown to me, Mr. Merrick and his superintendent were, before I left, planning a smaller engine, to be called the “Southwark Engine,” intended to drive isolated incandescent lighting plants. As soon as I had been gotten rid of the manufacture of this engine proceeded actively. It was largely exhibited and advertised, much to the neglect of anything else. This was pursued persistently until over twenty thousand dollars had been sunk in it, when it was abandoned.

They had an order from the Pennsylvania Steel Company for an engine to drive a rolling mill which they were about to establish at Sparrow’s Point on the Chesapeake Bay below Baltimore,[332] for the manufacture of steel rails from Cuban ores, which were found to be especially adapted to the Bessemer process, and where the then new method of rolling was to be employed, the method by which rails are rolled direct from the ingot without reheating, which is now in universal use. This engine was to be much larger than any previously made, and so requiring new drawings. In making the cylinder drawings the draftsman omitted the internal ribs, which are necessary to connect and stiffen the walls of the square steam chest. The consequence of this almost incredible oversight soon appeared. The engine had been running but a few days when the steam chest blew up.

The Porter-Allen valve-gear required in its joints eleven hardened steel bushings, which had to be finished inside and out. These we had always made from cast steel bars. This process was extremely wasteful of both material and time. Shortly before I left I had ascertained experimentally that I could import from England solid drawn steel tubing of any size and thickness, sufficiently high in carbon to harden perfectly well. The new management undertook to carry out my plans. For this purpose a list was prepared of all sizes that would be required, with the finished dimensions external and internal. From this another list was prepared, giving the additional material required for finishing. A large lot of the tubing was ordered. When it arrived they discovered they had sent the wrong list, the tubes were too thin to be finished and were useless for any purpose.

They had an opportunity to estimate for a pair of very large blowing engines. They got out their estimate for one engine, forgot to multiply the amount by two, and were astonished the morning after they had sent in their tender to receive the acceptance of it by telegraph.

James C. Brooks

[333]

Performances of this kind were expensive. When their capital was all gone, they borrowed five hundred thousand dollars on their bonds, secured by a blanket mortgage. This did not last a great while. Only five or six years after I left the affairs of the company reached a crisis. They had no money to carry on the business, and no business worth mentioning to carry on, and they owed a floating debt of one hundred and seventy-five thousand dollars. In this emergency the directors invited Mr. James C. Brooks to take the presidency of the company. Mr. Brooks was then a member of the firm of William Sellers and Company. He was already well acquainted with the high character of the engine. He found the works well equipped with tools, nothing wanting but brains. He felt encouraged to make this proposition to the directors, that if they would raise two hundred and fifty thousand dollars by an issue of preferred stock, to pay off the floating debt and give him seventy-five thousand dollars to start with, he would take hold and see what he could do. This proposition was accepted and Mr. Brooks took hold; and by a rare combination of engineering skill and business ability and force of character, having no one to interfere with him, he soon set the business on its feet, and started it on a career of magnificent development, which under his management, has continued for nearly twenty years to the present time.

Of all this, however I was ignorant. I was so situated as not to have any knowledge of the company. I only observed that their advertisements had long ago disappeared from the engineering journals. In the fall of 1905, being in Philadelphia on a social visit, in the course of conversation I asked my host “Is the Southwark Foundry still running?” With a look of amazement he exclaimed, “Running! I should say it was running and is doing a tremendous business.” “Is Mr. Brooks still at the head of it” I asked. “Yes,” he replied, “you will find him at his old post, and no doubt he will be glad to see you.”

The next day I called, and was most cordially received by Mr. Brooks. He said he discontinued advertising a number of years ago, “because the business was not of a nature to be benefited by advertising, it rested entirely upon its reputation.” “Our correspondence,” he added, “is enormous, employing six typewriters.” He took me to the erecting floor of the shop. I was filled with amazement and delight at the sight which met my eyes. This floor, which had been greatly enlarged, was crowded with large engines in process of completion, most of them larger and some a great deal larger, than the largest I had[334] built. I confess to a feeling bordering on ecstasy, heightened of course by the suddenness of the relevation, when I realized the commanding height to which the Porter-Allen Engine had been raised by this remarkable man. Mr. Brooks offered to take me through the shops; this however I declined, not being willing to trespass further on his time. He showed me the old shop engine which I had not seen for twenty-three years. Everything looked familiar except its speed. He said to me, “we have never done anything to this engine, except to increase its speed from 230 revolutions to 300 revolutions per minute, to supply the additional power required by the growth of the business.” Respecting their system, he mentioned only one feature, which he evidently regarded as of special importance, and which he seemed to suppose would be new to me. It was this: “We make a separate drawing of every piece.”

Under date of Oct. 31, 1907, Mr. Brooks writes me, “the business now employs ten typewriters, and the engine which was started in 1881, and which has run at 300 revolutions per minute for the last seven years, has now been compelled by their increased requirements to give place to a compound condensing engine of more than twice its power.”


Three or four years ago I was spending a few days at the Mohonk Lake Mountain House, Mr. Albert K. Smiley’s famous summer resort, and one day strolled into the power house, where were three dynamos, each driven by a Ball & Wood engine, the latter making, I think, something over 200 revolutions per minute.

I fell into conversation with the engineer, rather an old man and quite communicative. He told me he had been in Mr. Smiley’s employ for seventeen years, and was voluble in his praises; said he was a wonderful man, repeating “wonderful” with emphasis, but he added “he don’t know nothin about machinery, nothin, no more’n you do.” My attention was attracted by the dynamos, which were new to me and the framing of which I thought presented a remarkably well studied design.

[335]

I mentioned this to the old man, who replied impatiently: “O, that aint nothin, the engine is the wonder, that’s the wonder; why, when I was a young man we did not suppose an engine could be run more’n about fifty or sixty turns a minute, nobody never thought o’ such a thing; now we can run ’em any speed we like, no poundin, no shakin, no heatin, it’s just wonderful.” I did not respond or show any interest, and the old man did not waste any more enthusiasm on me. Did not say a word when I left directly after, but I fancied him saying to himself: “Another o’ them stuck ups, that don’t know nothin’.”


Transcriber’s Notes

The text of this document follows that of the source; inconsistent spelling and hyphenation have been retained, except as mentioned below.

Depending on the hard- and software used to read this text, and on their settings, not all elements may display as intended. The scales as provided in the indicator diagrams are, of course, not necessarily correct.

Page 93: ... H laid on its side, thus ⌶: the symbol is used to represent the shape of the rotated letter H, not an I or an I-beam.

Page 137, bill for American belt: there are some errors in the calculations, these have not been corrected.

Page 147, paragraph starting The day after the opening ...: the single and double quote marks do not match.

Page 155, ... exposition of the action of the reciprocating parts was given Mr. Edwin Reynolds ...: should possibly read ... exposition of the action of the reciprocating parts was given by Mr. Edwin Reynolds ....

Page 202, ... half the distance to the mid-stroke or to E, Fig. 32, ...: presumably this refers to the figure on page 201; there is no figure 32 in the book.

Page 217, If I went, that I would be the end of the business: the second I should probably be deleted.

Page 293: Presumably the references in the text to Figure 1 and Figure 2 are to the top and bottom illustration respectively; the source document does not provide figure numbers.

Page 328-330: The use of quote marks in these letters differs from that in other correspondence; this has not been standardised.

Changes made

Illustrations and tables were moved out of text paragraphs.

Texts in a dashed box is not present as text in the source document, but has been transcribed from the accompanying illustration. The transcribed texts provide an approximate indication of the positions of the elements relative to each other.

Some obvious minor typographical and punctuation errors have been corrected silently.

Dimensions m×n and m × n have been standardised to m×n, multiplications x×y and x × y to x × y; cross-head and crosshead were standardised to cross-head.

Page xii: illustration numbers have been added; Diagrams from English Locomotive ... has been changed to Diagrams from English Locomotives ... as in the illustration caption.

Page 40: a closing single quote mark was inserted after ... do not require any governor,

Page 79: pièce de resistance changed to pièce de résistance.

Page 91, illustration caption: English Locomtlvoes changed to English Locomotives.

Page 175: ... told me had had supplied all the money ... changed to ... told me he had supplied all the money ....

Page 287: ... this they had been keen kept in ignorance of ... changed to ... this they had been kept in ignorance of ....

Page 294: b′ and c′ in the text changed to b¹ and c¹ as in the illustration.

Page 303: ... to very the speed ... changed to ... to vary the speed ....

Page 331: ... before I left planning a smaller engine ... changed to ... before I left, planning a smaller engine ....

Page 333: closing quote mark inserted after ... employing six typewriters.

*** END OF THE PROJECT GUTENBERG EBOOK ENGINEERING REMINISCENCES CONTRIBUTED TO "POWER" AND "AMERICAN MACHINIST" ***